Ошибки и ремонт частотных преобразователей General Electric в Калалинске
Ремонт частотных преобразователей General Electric

Ремонт частотного преобразователя General Electric, впрочем, как и ремонт частотников других производителей имеет ряд особенностей в силу своего конструктива. Частотные преобразователи, точнее их начинка делятся на две части:
- Аппаратная часть,
- Программная часть.
Частотники данного производителя не являются исключением из правил, именно поэтому ремонт частотного преобразователя General Electric имеет точно такой же ряд особенностей, как и у других преобразователей.
Диагностировать ту или иную неисправность помогают коды ошибок частотного преобразователя, которые отображаются на небольшом дисплее, расположенном на лицевой панели привода. Коды ошибок частотного преобразователя General Electric в зависимости от серии описаны в инструкции, пользователя которые можно скачать с нашего сайта.
Ремонт частотных преобразователей General Electric в Калалинске, как и любых других преобразователей, выпущенных под другими брендами, всегда начинается с аппаратной части, после успешного ремонта аппаратной части наступает очередь программной.
Настройка частотного преобразователя General Electric также прописана в инструкции завода производителя, для каждой серии частотных преобразователей настройка будет индивидуальной, так как каждая линейка преобразователей решает свои собственные задачи, этим обусловливается широкая номенклатура данного промышленного оборудования.
Ремонт частотных преобразователей General Electric в сервисном центре

Компания «Кернел» производитремонт частотных преобразователей General Electric в Калалинске с 2002 года. За время существования компании наши сотрудники накопили колоссальный опыт в ремонте преобразователей частоты такого известного производителя как General Electric. Ремонт подобного промышленного оборудования ответственное и сложное занятие, требующие максимальной отдачи, профессионализма и максимально полной материальной базе.
Специалисты нашего сервисного центра максимальное внимание уделяют качеству исполнения ремонта, программирования и настройке промышленных преобразователей частоты, не зависимо от производителя данного промышленного оборудования. Именно поэтому мы смело даем гарантию на все выполненные работы шесть месяцев.
Ремонт частотных преобразователей General Electric в Калалинске производится исключительно с использованием оригинальных запасных частей, на компонентном уровне с применением высокотехнологичного диагностического оборудования, квалифицированным персоналом с инженерным образованием.
В случае выхода из строя преобразователя частоты на вашем производстве либо появились проблемы с приводом, которые вы не можете решить самостоятельно, мы всегда рады вам помочь. Специалисты нашего сервисного центра в минимальные сроки проведут глубокую диагностику с последующим ремонтом частотного преобразователя General Electric.
Инженеры сервисного центра выполняют качественный ремонт частотных преобразователей General Electric всех серий, когда-либо выпускаемых компанией.
| Серия ПЧ | Типы частотных преобразователей General Electric | 
|---|---|
| GE VAT20 | U20N0K2S; U20N0K4S; U20N0K7S; U20N1K5S; U20N2K2S; U20X0K7S; U20X1K5S; U20X2K2S; U20N0K2P; U20N0K4P; U20N0K7P; U20N1K5P; U20N2K2P; U20X0K7P; U20X1K5P; U20X2K2P; U20N0K2PS; U20N0K4PS; U20N0K7PS; U20N1K5PS; U20N2K2PS; U20X0K7PS; U20X1K5PS; U20X2K2PS | 
| GE VAT200 | U201N00K4FS; U201N00K7FS; U201N01K5FS; U201N02K2FS; U203X00K7FS; U203X01K5FS; U203X02K2FS; U203X04K0FS; U203X05K5FS; U203X07K5FS; U203X11K0FS; U201N00K4SS; U201N00K7SS; U201N01K5SS; U201N02K2SS; U203N00K4SS; U203N00K7SS; U203N01K5SS; U203N02K2SS; U203N04K0SS; U203N05K5SS; U203N07K5SS; U203X00K7SS; U203X01K5SS; U203X02K2SS; U203X04K0SS; U203X05K5SS; U203X07K5SS; U203X11K0SS; U203X15K0SS; U203X18K5SS; U203X22K0SS; U203X30K0SS; U203X37K0SS; U203X45K0SS; U203X55K0SS | 
| GE VAT2000 | U2KN00K4S; U2KN00K7S; U2KN01K5S; U2KN02K2S; U2KN04K0S; U2KN05K5S; U2KN07K5S; U2KN11K0S; U2KN15K0S; U2KN18K5S; U2KN22K0S; U2KN30K0S; U2KX00K4S; U2KX00K7S; U2KX01K5S; U2KX02K2S; U2KX04K0S; U2KX05K5S; U2KX07K5S; U2KX11K0S; U2KX15K0S; U2KX18K5S; U2KX22K0S; U2KX30K0S; U2KX37K0S; U2KX75K0S; U2KX90K0S; U2KX110KS; U2KX132KS; U2KX160KS; U2KX200KS; U2KX315KS; U2KN37K0S | 
| GE AF-650 GP | 6KGP43F50X9XXXA1; 6KGP43001X9XXXA1; 6KGP43002X9XXXA1; 6KGP43003X9XXXA1; 6KGP43005X9XXXA1; 6KGP43007X9XXXA1; 6KGP43010X9XXXA1; 6KGP43015X9XXXA1; 6KGP43020X9XXXA1; 6KGP43025X9XXXA1; 6KGP43030X9XXXA1; 6KGP43040X9XXXA1; 6KGP431K2X2XXCA1; 6KGP43F50X4XXXA1; 6KGP43001X4XXXA1; 6KGP43002X4XXXA1; 6KGP43003X4XXXA1; 6KGP43005X4XXXA1; 6KGP43007X4XXXA1; 6KGP43010X4XXXA1; 6KGP43015X4XXXA1; 6KGP43020X4XXXA1; 6KGP43300X2XXCA1; 6KGP63015X1XXXA1; 6KGP63040X1XXXA1; 6KGP63050X1XXXA1; 6KGP63125X8XXCA1; 6KGP23007X9XXXA1; 6KGP23015X9XXXA1; 6KGP23025X9XXXA1; 6KGP23040X9XXXA1; 6KGP23F33X2XXXA1; 6KGP23001X2XXXA1; 6KGP23010X4XXXA1; 6KGP23020X4XXXA1; 6KGP23030X4XXXA1; 6KGP23050X4XXXA1; 6KGP631K6X1XXCA1; 6KGP631K6X1XXCA1 | 
| GE AF-600 FP | 6KFP43001X9XXXA1; 6KFP43002X9XXXA1; 6KFP43003X9XXXA1; 6KFP43005X9XXXA1; 6KFP43007X9XXXA1; 6KFP43010X9XXXA1; 6KFP43015X9XXXA1; 6KFP43020X9XXXA1; 6KFP43150X8XXXA1; 6KFP43200X8XXXA1; 6KFP43250X8XXXA1; 6KFP43300X8XXXA1; 6KFP43350X8XXXA1; 6KFP43450X8XXCA1; 6KFP43500X8XXCA1; 6KFP43550X8XXCA1; 6KFP43150X2XXXA1; 6KFP43200X2XXXA1; 6KFP43250X2XXXA1; 6KFP43300X2XXXA1; 6KFP43350X2XXXA1; 6KFP43450X2XXCA1; 6KFP43500X2XXCA1; 6KFP43550X2XXCA1; 6KFP23007X2XXXA1; 6KFP23010X2XXXA1; 6KFP23015X2XXXA1; 6KFP23020X2XXXA1; 6KFP23025X2XXXA1; 6KFP23030X2XXXA1; 6KFP23040X2XXXA1; 6KFP23050X2XXXA1; 6KFP23060X2XXXA1 | 
| GE AV300i | 6KAVI43F75Y1; 6KAVI43001Y1; 6KAVI43002Y1; 6KAVI43003Y1; 6KAVI43005Y1; 6KAVI43007Y1; 6KAVI43010Y1; 6KAVI43015Y1; 6KAVI43020Y1; 6KAVI43025X1; 6KAVI43025Y1; 6KAVI43030X1; 6KAVI43030Y1; 6KAVI43040X1; 6KAVI43040Y1; 6KAVI43050X1; 6KAVI43050Y1; 6KAVI43060X1; 6KAVI43060Y1; 6KAVI43075X1; 6KAVI43100X1; 6KAVI43125X1; 6KAVI43150X1; 6KAVI43200X1 | 
| GE AF-60 LP | 6KLP21F25X9A1; 6KLP21F50X9A1; 6KLP21001X9A1; 6KLP21002X9A1; 6KLP21003X9A1; 6KLP23F33X9A1; 6KLP23F50X9A1; 6KLP23001X9A1; 6KLP23002X9A1; 6KLP23003X9A1; 6KLP23005X9A1; 6KLP43F50X9A1; 6KLP43001X9A1; 6KLP43002X9A1; 6KLP43003X9A1; 6KLP43005X9A1; 6KLP43007X9A1; 6KLP43010X9A1; 6KLP43015X9A1; 6KLP43020X9A1 | 
В данной таблице присутствуют далеко не все частотные преобразователи General Electric ремонт которых предлагает наш сервисный центр.
Ошибки частотного преобразователя General Electric

В процессе работы выходит из строя даже самое надежное промышленное оборудование. Частотники в наше время, нашли широкое применение абсолютно во всех сферах промышленности, управляя как мини моторами в оргтехнике, так и гигантскими двигателями в горнодобывающей промышленности.
Для простоты общения со столь сложной электроникой все частотные преобразователи оснащены небольшими дисплеями с помощью которых выводятся информационные сообщения с кодами ошибок, расшифровав которые можно сразу же узнать причину ее возникновения. Если учесть распространенность данной промышленной электроники, то появляется острая нужда в расшифровке кодов ошибок частотных преобразователей. В этой статье мы рассмотрим одного из самых известных производителей промышленной электроники имеющему уважение во всем мире, General Electric и серию сервоприводов AV300i.
Существует несколько видов ошибок, некоторые из них можно устранить автоматически, а некоторые возможно исправить только, обратившись в специализированный сервисный центр. В руководстве пользователя прописаны все коды ошибок частотного преобразователя General Electric и их расшифровка.
Коды ошибок частотного преобразователя General Electric CUE
| Код ошибки | Описание | 
|---|---|
| 10 ; 54 | The ratio between the Encoder 1 pulses[416] and the number of motor pole pairs must be higher than 128 | 
| 3 ; 4 | The Stator resistance [436] value is too high. The motor is not compatible with the drive size used. | 
| 5 ; 8 ; 9 ; 15 | The Leakage inductance [437] value is too high. The motor is not compatible with the drive size used. | 
| 16 ; 24 | The Rotor resistance [166] value is too high. The motor is not compatible with the drive size used. | 
| 17 | The Nominal voltage [161] and Nom frequency [163] values produce motor nominal flux that is too high. 
 | 
| 18 | The Base voltage [167] and Base frequency [168] values produce motor nominal flux that is too high. 
 | 
| 23 | The ratio between nominal flux (Nominal voltage, Nom frequency) and working flux (Base voltage, base frequency) is too high. 
 
 | 
| 27 | The Base voltage value is too high. The maximum value is 500 VAC. | 
| 28 | The Base frequency value is too high. This value must be lower than 500Hz. | 
| 59 | The Magnetizing working curr [726] is too high. 
 
 | 
| 64 | The Motor cont curr [656] value, of the motor thermal protection function (menu Ovld mot contr), produces a continuous current that is too low in comparison to the used inverter size. This error can also be due to a too low setting of the Nominal current [164] parameter ( ² 0.3 x I2N). | 
| 66 | The Nominal speed [162] value is wrong. The set value produces too small (or too high) slip value. | 
Документация
| Все возможные ошибки преобразователя частоты General Electric AV-300i с пояснениями и описанием по устранению неисправностей. |  Скачать PDF | 
| Руководство по эксплуатации преобразователя частоты General Electric AV300i |  Скачать PDF | 
| Руководство по эксплуатации преобразователей частоты General Electric VAT20; VAT200; AF-6 |  Скачать PDF | 
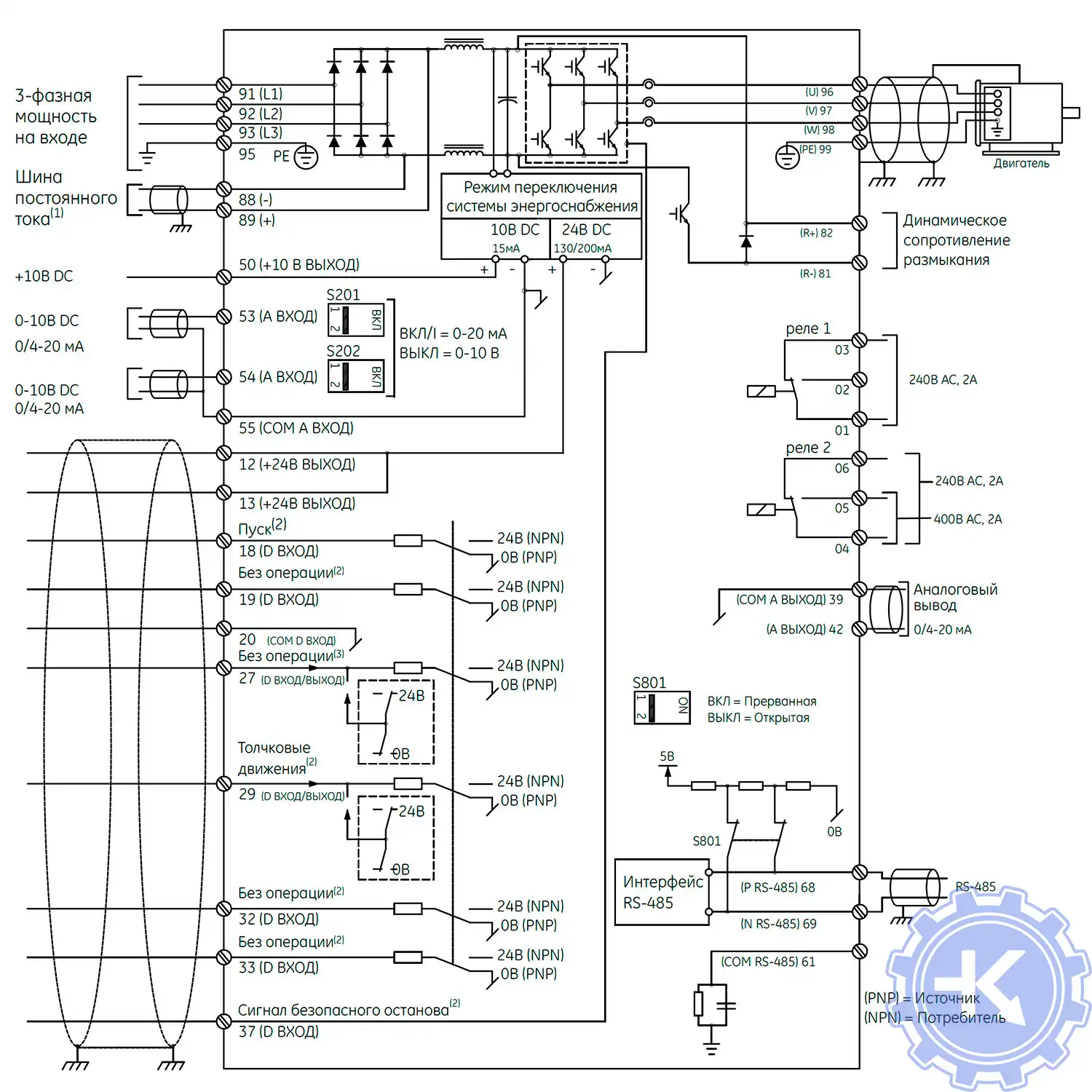
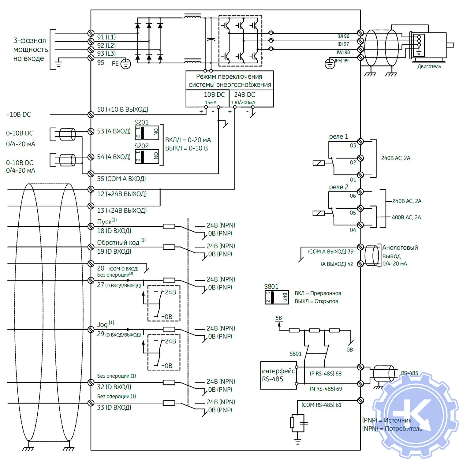
Схемы подключения частотных преобразователей General Electric

Для максимально долгой и безаворийной работы частотных преобразователей важно неукоснительно соблюдать все, что прописано в документации.
Обязательно должны соблюдаться все рекомендации, изложенные в инструкции по монтажу и эксплуатации, в особенности требования по технике безопасности!
Преобразователь частоты разработан таким образом, что он пытается избежать аварийных отключений путем ограничения момента, перенапряжения и т.п.
Появление сбоев при вводе в эксплуатацию или вскоре после него обычно свидетельствует о неверной настройке или неправильном подключении.
Возникновение неисправностей или проблем после длительного режима бесперебойной работы обычно происходит по причине изменений в системе или ее окружении (например, в результате износа).
Дополнительную информацию по частотным преобразователям General Electric можно посмотреть и скачать на офсайте.
Настройка частотного преобразователя General Electric, программирование

Настройка частотных преобразователей General Electric (программирование) происходит в рамках установленных производителем правил, существует общий алгоритм по программированию (настройке частотных преобразователей), относящийся ко всем производителям данного промышленного оборудования. Ниже представлена пошаговая инструкция по настройке частотных преобразователей General Electric.
- Выбор режима управления приводом General Electric (управление по показанию датчиков, дистанционное управление, дистанционное управление).
- В случае использования отдельного (выносного) монитора, настраивается вывод на него технической информации.
- Далее определяем конфигурацию подключения серводвигателя. На данной стадии задаются такие параметры как- возможность применения обратной связи либо без ее применения, а в память блока заносятся данные по: величине крутящего момента, мощности потребителей, номинальное значения частоты, напряжение, ток и скорости вращения ротора. 
- Программируется минимально допустимая величина напряжения и частоты, а также время ускорения ротора от ноля до номинального значения.
- И в завершении, в программу управления частотным преобразователем General Electric вносятся функциональные данные со значениями отдельных клемм и особенностями сигналов. Отмечаются действия оборудования, выполняющиеся автоматически при отсутствии информации поступающей в оперативном режиме с датчика.
В некоторых частотниках существует пункт наличия/отсутствия фильтра в цепи питания двигателя. Этот пункт отвечает за подключение различных видов нагрузок, в том случае, когда возможно выбрать нормальное или инверсное изменение частоты при повышении уровня сигнала обратной связи.
Все настройки частотных преобразователей General Electric приведены в технической документации к частотному преобразователю который можно скачать на свой компьютер, распечатать или просто открыть на официальном сайте General Electric.
Оставить заявку на ремонт частотных преобразователей General Electric
У вас вышел из строя частотник? Вам необходим срочный ремонт частотных преобразователей General Electric в Калалинске? Оставьте заявку на ремонт нажав на одноименную кнопку в верхней правой части экрана либо свяжитесь с нашими менеджерами. Связаться с ними можно несколькими способами:

- Заполнив форму заявки на ремонт (кнопка в правом верхнем углу сайта)
- Позвонив по номеру телефона:
- +7(8482) 79-78-54;
- +7(8482) 55-96-39;
- +7(917) 121-53-01
- Написав на электронную почту: 89171215301@mail.ru
Далеко не полный список производителей промышленной электроники и оборудования, ремонтируемой в нашей компании.
 
     
     
     
     
     
     
     
     
     
    Похожие статьи
- 
		Другие услуги по ремонту промышленной эелектроники и оборудования
		- Ремонт частотных преобразователей в Калалинске
- Промышленный привод, ремонт в Калалинске
- Ремонт частотных преобразователей Веспер в Калалинске
- Ремонт частотного преобразователя Danfoss в Калалинске
- Ремонт частотного преобразователя Lenze в Калалинске
- Ремонт частотных преобразователей ABB в Калалинске
- Ремонт частотных преобразователей Siemens в Калалинске
- Ремонт частотного преобразователя INVT в Калалинске
- Ремонт частотного преобразователя Schneider Altivar в Калалинске
- Частотный преобразователь frenic, ремонт частотников FUJI в Калалинске
- Ремонт частотного преобразователя Delta в Калалинске
- Частотный преобразователь VACON, ремонт частотника в Калалинске
- Ремонт частотных преобразователей KEB в Калалинске
- Ремонт частотного преобразователя Omron в Калалинске
- Частотный преобразователь Mitsubishi Electric, ремонт привода в Калалинске
- Ремонт частотников Emerson - Control techniques, Unidrive - Commander в Калалинске
- Ремонт частотного преобразователя Yaskawa в Калалинске
- Allen Bradley преобразователи частоты, ремонт Allen Bradley в Калалинске
- Ремонт частотника Baumuller в Калалинске
- Преобразователи частоты Bosch Rexroth, ремонт Bosch Rexroth в Калалинске
- Ремонт Rexroth Indramat в Калалинске
- Fanuc, ремонт привода в Калалинске
- Ошибки и ремонт частотных преобразователей Emotron в Калалинске
- Ремонт частотного преобразователя KONE в Калалинске, ошибки
- Ошибки и ремонт частотного преобразователя STOBER POSIDRIVE в Калалинске
- Ошибки и ремонт частотного преобразователя ESQ в Калалинске
- Ошибки и ремонт частотного преобразователя INNOVERT в Калалинске
- Ошибки и ремонт частотных преобразователей BONFIGLIOLI в Калалинске
- Ошибки и ремонт частотных преобразователей WILO в Калалинске
- Ремонт частотных преобразователей SIRIO и NETTUNO в Калалинске, ошибки
- Ошибки и ремонт частотных преобразователей HYUNDAI в Калалинске
- Ошибки и ремонт частотных преобразователей IDS-DRIVE в Калалинске
- Ошибки и ремонт частотных преобразователей LG LS в Калалинске
- Ошибки и ремонт частотных преобразователей HYDROVAR в Калалинске
- Ошибки и ремонт частотных преобразователей SEW-EURODRIVE в Калалинске
- Ошибки и ремонт частотных преобразователей ОВЕН в Калалинске
- Ошибки и ремонт частотных преобразователей HITACHI в Калалинске
- Ошибки и ремонт частотных преобразователей TOSHIBA в Калалинске
- Ошибки и ремонт частотных преобразователей IEK в Калалинске
- Ошибки и ремонт частотных преобразователей PROSTAR в Калалинске
- Ошибки и ремонт частотных преобразователей GEFRAN в Калалинске
- Ошибки и ремонт частотного преобразователя OTIS в Калалинске
- Ошибки и ремонт частотного преобразователя SANTERNO в Калалинске
- Ремонт и программирование частотных преобразователей ARKEL A-DRIVE в Калалинске
- Ремонт и программирование частотных преобразователей SIEI ARTDrive в Калалинске
- Ошибки и ремонт частотных преобразователей Schindler Biodyn в Калалинске
- Ошибки и ремонт частотных преобразователей Sigma LG в Калалинске
- Ошибки и ремонт частотных преобразователей THYSSEN в Калалинске
- Ошибки и ремонт частотных преобразователей Macpuarsa в Калалинске
- Ошибки и ремонт частотных преобразователей Canny в Калалинске
- Ошибки и ремонт частотных преобразователей ERMAN в Калалинске
- Ошибки и ремонт частотных преобразователей EKF в Калалинске
- Ошибки и ремонт частотных преобразователей INOVANCE в Калалинске
- Ошибки и ремонт частотных преобразователей KUKA в Калалинске
- Ошибки и ремонт частотных преобразователей DEMAG в Калалинске
- Ошибки и ремонт частотных преобразователей EuraDrives в Калалинске
- Ошибки и ремонт частотных преобразователей Parker в Калалинске
- Ошибки и ремонт частотных преобразователей NIDEC в Калалинске
- Ошибки и ремонт частотных преобразователей NORD в Калалинске
- Ошибки и ремонт частотных преобразователей Panasonic в Калалинске
- Ошибки и ремонт частотных преобразователей Eurotherm в Калалинске
- Ошибки и ремонт частотных преобразователей Berges в Калалинске
- Ошибки и ремонт частотных преобразователей Hormann в Калалинске
- Все услуги по ремонту промышленной электроники и оборудования
 





