Ремонт ЧПУ FANUC CNC 0i, oi, m в Ялте
Срочный ремонт ЧПУ FANUC CNC 0i, oi, m

Компания «Кернел» производит срочный ремонт ЧПУ FANUC CNC 0i, oi, m в Ялте с 2002 года. За это время мы накопили колоссальный опыт в том числе опыт в ремонте промышленного оборудования такого известного производителя как FANUC. Ремонт подобной промышленной электроники ответственное и сложное занятие, требующие максимальной отдачи, профессионализма и предельно полной материальной базе.
Специалисты нашего сервисного центра уделяют максимальное внимание к качеству исполнения ремонта, в особенности к такой сложной промышленной электронике как ЧПУ FANUC CNC 0i. Именно поэтому мы смело даем гарантию на все выполненные работы шесть месяцев, и на замененные в процессе ремонта CNC запасные части, ткакже шесть месяцев.
Ремонт ЧПУ FANUC CNC 0i, oi, m в Ялте производится исключительно с использованием оригинальных запасных частей, на компонентном уровне с применением высокотехнологичного диагностического оборудования, квалифицированным персоналом с инженерным образованием, имеющим колоссальный опыт ремонта промышленного оборудования и электроники.
Если на вашем производстве появились проблемы с ЧПУ FANUC CNC 0i, которые вы не можете решить самостоятельно, мы всегда рады вам помочь. Обращайтесь в сервисный центр «Кернел». Специалисты нашей компании в минимальные сроки проведут глубокую диагностику и последующий ремонт ЧПУ FANUC CNC 0i, oi, m. Оставьте заявку на ремонт оборудования используя форму на сайте.
Ремонт ЧПУ FANUC CNC 0i, oi, m в сервисном центре, преимущества

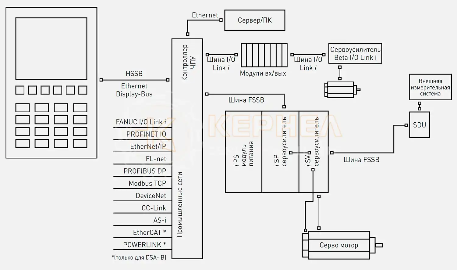
Специалисты нашей компании выполнят качественный ремонт ЧПУ FANUC CNC 0i, oi, m в максимально сжатые сроки, мы выполняем все возможные виды ремонта промышленной электроники FANUC. При восстановлении CNC в нашем сервисном центре вы гарантированно получаете:
- Глубокую диагностику неисправного блока с выявлением неисправных компонентов;
- Замену неисправных компонентов на новые;
- ремонт ЧПУ FANUC CNC 0i, oi, m в максимально сжатые сроки;
- Проверку отремонтированного блока на специальном стенде;
- Оригинальные запасные части;
- Гарантию на все ремонтные работы 6 месяцев;
- Гарантию на запасные части 6 месяцев.
Компания «Кернел» предлагает квалифицированный ремонт ЧПУ FANUC CNC 0i, oi, m в Ялте в сжатые сроки по цене от 20% до 40% от стоимости нового оборудования. За время существования компании, наши инженеры отремонтировали не одну тысячу единиц промышленного оборудования, постоянно повышая свою квалификацию.
К сожалению, от поломок оборудования никто не застрахован, в зависимости от разных факторов, рано или поздно, любое оборудование выходит из строя, ЧПУ FANUC CNC 0i не исключение. В данной ситуации на помощь придет наша компания, и инженеры, профессионализм которых не ставится под сомнение.
Мы ценим своих клиентов и делаем упор на качество выполненных работ, а также время его выполнения. Ниже представлен не полный список ЧПУ FANUC CNC 0i, ремонтируемые в нашем сервисном центре.
| Модель ЧПУ FANUC | Типы ЧПУ FANUC |
| fanuc 0i | fanuc 0i mf plus; fanuc 0i mf plus 5; fanuc 0i tf; fanuc 0i tf plus; fanuc 0i tf 5; fanuc 0i tf g41; fanuc 0i mate td |
| fanuc m | fanuc m 710ic; fanuc m 410ib; fanuc m 2000ia; fanuc m 10ia; fanuc m 710ic 50; fanuc m 410ib 450; fanuc m 2000ia 1200; fanuc m 20ia; fanuc m 20id 25; fanuc m 410; fanuc m 900; fanuc m 710ic 70; fanuc m 10ia 12s |
| fanuc oi | fanuc oi td; fanuc oi mate td; fanuc oi mc; fanuc oi tc |
О ЧПУ FANUC CNC 0i-MODEL F

ЧПУ серии 0i-MODEL F является одним из лучших решений для крайне широкого спектра применений. Основанная на самой современной компонентой базе и оснащенная полным набором стандартного программного обеспечения, ЧПУ 0i-MODEL F фактически сразу готова к использованию для эффективного решения большинства задач. Для специфических задач нужным образом подстроить систему поможет широкий набор дополнительных функций. Обладая сочетанием высокой производительности и непревзойденной надежности, ЧПУ 0i-MODEL F также имеет ряд возможностей и функций, которыми обычно оснащаются только самые высокопроизводительные системы ЧПУ. При всем этом у 0i-MODEL F великолепное соотношение цена-качество.
Особенности ЧПУ FANUC CNC 0i-MODEL F
- до 12 осей подачи, 6-ти шпиндельных осей, до 2-х каналов
- до 2-х дополнительных каналов для управления периферийными устройствами
- одновременная обработка в 4-х осях или 3+2 оси
- полный пакет стандартного ПО, необходимого для начала работы
- лучшее соотношение цена-качество
- интегрированная функция безопасности FANUC Dual Check Safety
- диалоговое программирование обработки с помощью MANUAL GUIDE i или TURN MATE i
- дополнительные функции, обеспечивающие простую настройку системы для решения специфических задач
- интегрированный высокоскоростной PMC
- оптимизация траектории в зависимости от приоритета обработки
- предпросмотр до 400 кадров при исполнении управляющей программы
- удобство эксплуатации, ремонтопригодность, сетевые функции и функции PMC аналогичны имеющимся у системы ЧПУ серии 30i-MODEL B
Коды ошибок ЧПУ FANUC CNC 0i
|
Номер |
Сообщение |
Описание |
|
0001 |
ОШИБКА TH |
Во время считывания с устройства ввода обнаружена ошибка TH. Код, вызвавший при считывании ошибку TH, и количество операторов до него от блока можно проверить в окне диагностики. |
|
0002 |
ОШИБКА TV |
Ошибка TV обнаружена в единичном блоке. Проверка TV может быть отменена присвоением TVC в параметре ном. 0000#0 значения «0». |
|
0003 |
СЛИШКОМ МНОГО ЗНАКОВ |
Данные введены с большим количеством символов, чем разрешено для оператора ЧПУ. Количество допустимых символов варьируется в зависимости от функции и слова. |
|
0004 |
АДРЕС НЕ НАЙДЕН |
Адрес слов(а) ЧПУ + числовое значение не соответствуют формату слова. Данный сигнал тревоги выдается также, если пользовательская макрокоманда не содержит зарезервированного слова или не соответствует синтаксису. |
|
0005 |
ОТСУТСТВУЮТ ДАННЫЕ ПОСЛЕ АДРЕСА |
Адрес слов(а) ЧПУ + числовое значение не соответствуют формату слова. Данный сигнал тревоги выдается также, если пользовательская макрокоманда не содержит зарезервированного слова или не соответствует синтаксису. |
|
0006 |
НЕВЕРНОЕ ИСПОЛЬЗОВАНИЕ ЗНАКА МИНУС |
Знак минус (-) был задан в команде ЧПУ или в системной переменной, где задание знак минус не разрешено. |
|
0007 |
НЕВЕРНОЕ ИСПОЛЬЗОВАНИЕ ДЕСЯТИЧНОЙ ТОЧКИ |
Десятичная точка (.) была задана в адресе, где нельзя задать десятичную точку, либо были заданы две десятичные точки. |
|
0009 |
НЕВЕРНЫЙ АДРЕС ЧУ |
Был задан неверный адрес, либо не задан параметр 1020. |
|
0010 |
НЕВЕРНЫЙ G-КОД |
Задан неиспользуемый G-код. |
|
0011 |
НУЛЕВАЯ ПОДАЧА (КОМАНДА) |
Скорость подачи резания, предписанная F кодом, была задана равной 0. Данный сигнал тревоги порождается также, если задан чрезвычайно малый F-код, предписанный для S-кода в команде жесткого нарезания резьбы, так как инструмент не может нарезать при заданном шаге. |
|
0015 |
СЛИШКОМ МНОГО ОСЕЙ ОДНОВРЕМЕННО |
Команда перемещения была задана для большего числа осей, чем доступно для функции одновременного управления осями. Либо разделите запрограммированные оси перемещения на два блока. |
|
0020 |
ПРЕВЫШЕНИЕ ДОПУСКА ПО РАДИУСУ |
Была задана дуга, для которой разность по радиусу в начальной и конечной точках превышает значение, заданное в параметре ном. 3410. Проверьте коды центра дуги I, J и K в программе. Траектория инструмента, если в параметре ном. 3410 задано большое значение, представляет собой спираль. |
|
0021 |
НЕВЕРНЫЙ ВЫБОР ПЛОСКОСТИ |
Команды выбора плоскости с G17 по G19 ошибочны. Перепрограммируйте так, чтобы те же 3 основные параллельные оси не были заданы одновременно. Этот сигнал тревоги порождается также, если задана ось, которая не должна быть указана для обработки плоскости, например, для круговой интерполяции. Для 0i -TD опция винтовой интерполяции необходима для активации спецификации 3 или более осей для блока G02/G03. |
|
0022 |
НЕ ОБНАРУЖЕНА КОМАНДА R ИЛИ I, J, K |
В команде круговой интерполяции отсутствует радиус дуги R или координата I, J или K расстояния между начальной точкой и центром дуги. |
|
0023 |
НЕВЕРНАЯ КОМАНДА РАДИУСА |
Для команды радиуса дуги R задано отрицательное значение. В серии T дуга с углом более 180° не может быть задана посредством команды R. Измените программу. |
|
0025 |
КРУГОВОЕ РЕЗАНИЕ В УСКОРЕННОМ РЕЖИМЕ (F0) |
F0 (ускоренный подвод при подаче с однозначным F-кодом или обратной подаче) был задан во время круговой интерполяции (G02, G03). |
|
0027 |
НЕ ЗАДАНЫ ОСИ В G43/G44 |
Не заданы оси в блоках G43 и G44 для коррекции на длину инструмента типа С. Коррекция не отменена, но другая ось смещена для коррекции на длину инструмента типа С. Несколько осей задано для одного блока, когда тип коррекции на длину инструмента — C. |
|
0028 |
НЕВЕРНЫЙ ВЫБОР ПЛОСКОСТИ |
Команды выбора плоскости с G17 по G19 ошибочны. Перепрограммируйте так, чтобы те же 3 основные параллельные оси не были заданы одновременно. Этот сигнал тревоги порождается также, если задана ось, которая не должна быть указана для обработки плоскости, например, для круговой интерполяции. Для 0i -TD опция винтовой интерполяции необходима для активации спецификации 3 или более осей для блока G02/G03. |
|
0029 |
НЕВЕРНАЯ ВЕЛИЧИНА КОРРЕКЦИИ |
Коррекция с неверным номером |
|
0030 |
НЕВЕРНЫЙ НОМЕР КОРРЕКЦИИ |
Был задан неверный номер коррекции. |
|
0031 |
НЕВЕРНАЯ КОМАНДА Р В G10 |
Ввод данных для ном. L команды G10 или соответствующей функции не активирован. Не задан адрес настройки данных, например, P или R. Была задана команда адреса, не связанная с настройкой данных. Адрес меняется вместе с номером L. Знак или десятичная запятая заданного адреса ошибочны, или заданный адрес находится за пределами диапазона. |
|
0032 |
НЕВЕРНАЯ ВЕЛИЧИНА КОРРЕКЦИИ В G10 |
При установке величины коррекции с помощью G10 или при записи величины коррекции с помощью системных переменных величина коррекции оказалась избыточной. |
|
0033 |
НЕТ ПЕРЕСЕЧЕНИЯ ПРИ КОРРЕКЦИИ НА РЕЖУЩИЙ ИНСТРУМЕНТ |
Нет пересечения при расчете пересечения для коррекции на радиус инструмента/на радиус вершины инструмента. Измените программу. |
|
0034 |
КРУГОВОЕ ДВИЖЕНИЕ В БЛОКЕ ЗАПУСКА/ВЫХОДА ЗАПРЕЩЕНО |
При коррекции на радиус инструмента / на радиус вершины инструмента запуск или отмена выполняются в режиме G02 или G03. Измените программу. |
|
0035 |
НЕЛЬЗЯ ЗАДАТЬ G31 |
1) Нельзя задать G31. Этот сигнал тревоги генерируется, если не отменен G-код (например, для коррекции на радиус инструмента / на радиус вершины инструмента) группы 07. 2) Пропуск по пределу крутящего момента не был задан в команде пропуска по пределу крутящего момента (G31P98 или P99). Задайте пропуск по пределу крутящего момента в окне РМС или другим способом. |
|
0037 |
НЕВОЗМОЖНО ИЗМЕНИТЬ ПЛОСКОСТЬ В G41/G42 |
Плоскость коррекции G17/G18/G19 была изменена в ходе коррекции на режущий инструмент или на радиус вершины инструмента. Измените программу. |
|
0038 |
СТОЛКНОВЕНИЕ В БЛОКЕ КРУГОВОГО ПЕРЕМЕЩЕНИЯ |
Зарез происходит при коррекции на радиус инструмента / на радиус вершины инструмента, так как начальная или конечная точки дуги совпадают с центром дуги. Измените программу. |
|
0039 |
CHF/CNR НЕ РАЗРЕШЕНЫ В G41, G42 |
Снятие фаски или скругление угла R заданы при запуске, отмене или переключении между G41 и G42 в командах G41 и G42 (коррекция на радиус вершины инструмента). Программа может привести к зарезу при снятии фаски или скруглении угла. Измените программу. |
|
0041 |
СТОЛКНОВЕНИЕ ПРИ КОРРЕКЦИИ НА РЕЖУЩИЙ ИНСТРУМЕНТ |
При коррекции на радиус инструмента / на радиус вершины инструмента возможно избыточное резание. Измените программу. |
|
0042 |
G45/G48 НЕ РАЗРЕШЕНЫ ПРИ CRC |
Смещение инструмента (от G45 до G48) задано в режиме коррекции на радиус инструмента. Измените программу. |
|
0044 |
G27-G30 НЕ ДОПУСКАЮТСЯ ПРИ ФИКСИРОВАННОМ ЦИКЛЕ |
Одна из команд от G27 до G30 (G29 только для серии M) задана в режиме постоянного цикла. Измените программу. |
|
0045 |
НЕ НАЙДЕН АДРЕС Q (G73/G83) |
В цикле скоростного сверления с периодическим выводом или в цикле сверления с периодическим выводом величина реза за раз не задается адресом Q, либо задано Q0. Измените программу. |
|
0046 |
НЕВЕРНАЯ КОМАНДА ВОЗВРАТА НА РЕФЕРЕНТНУЮ ПОЗИЦИЮ |
Ошибка команды возврата во вторую, третью или четвертую референтную позицию. (Ошибка команды P-адреса.) |
|
0050 |
ЗАПРЕЩЕНО СНЯТИЕ ФАСКИ/ СКРУГЛЕНИЕ УГЛА В БЛОКЕ НАРЕЗАНИЯ РЕЗЬБЫ |
Блок снятия фаски или скругления угла задан в блоке нарезания резьбы. Измените программу. |
|
0051 |
НЕТ ПЕРЕМЕЩЕНИЯ ПОСЛЕ СКРУГЛЕНИЯ УГЛА / СНЯТИЯ ФАСКИ |
Неверное перемещение или расстояние перемещения в блоке, идущем за снятием фаски или скруглением угла. Измените программу. |
|
0052 |
КОД ПОСЛЕ СНЯТИЯ ФАСКИ/СКРУГЛЕНИЯ УГЛА НЕ G01 |
Блоком, следующим за блоком снятия фаски или блоком скругления угла, является не блок G01 (или вертикальная линия). Измените программу. |
|
0053 |
СЛИШКОМ МНОГО АДРЕСНЫХ КОМАНД |
В командах снятия фаски или скругления угла задано два или более I, J, K и R. |
|
0054 |
ОБРАБОТКА КОНУСА ПОСЛЕ СНЯТИЯ ФАСКИ/ СКРУГЛЕНИЯ УГЛА НЕ РАЗРЕШЕНА |
Блок, в котором задано снятие фаски под заданным углом или скругление угла, включает команду обработки конической поверхности. Измените программу. |
|
0055 |
ОТСУТСТВУЕТ ВЕЛИЧИНА ПЕРЕМЕЩЕНИЯ ПРИ СНЯТИИ ФАСКИ/ СКРУГЛЕНИИ УГЛА |
Расстояние перемещения по оси, заданное в блоке, содержащем снятие фаски или скругление угла, меньше, чем величина снятия фаски или скругления угла. Измените программу. |
|
0056 |
ОТСУТСТВУЮТ КОНЕЧНАЯ ТОЧКА И УГОЛ ПРИ СНЯТИИ ФАСКИ/ СКРУГЛЕНИИ УГЛА |
При прямом программировании размеров чертежа и конечная точка, и угол были заданы в блоке, следующим за блоком, в котором был задан только угол (Aa). Измените программу. |
|
0057 |
НЕТ РЕШЕНИЯ КОНЦА БЛОКА |
В программировании непосредственно по размерам чертежа неверно вычислена конечная точка блока. Измените программу. |
|
0058 |
НЕ НАЙДЕНА КОНЕЧНАЯ ТОЧКА |
В программировании непосредственно по размерам чертежа не найдена конечная точка блока. Измените программу. |
|
0060 |
НЕ НАЙДЕН ПОРЯДКОВЫЙ НОМЕР |
[Внешний ввод данных/вывод данных] Заданный номер не найден при поиске по номеру программы и по порядковому номеру. Был выдан запрос на ввод/выод для величины коррекции для данных инструмента, но номер инструмента после включения питания не вводился. Данные инструмента, соответствующие введенному номеру инструмента, не найдены. [Поиск номера внешней заготовки] Программа, соответствующую заданной заготовке, не найдена. [Перезапуск программы] В спецификации порядкового номера перезапуска программы не найден заданный порядковый номер. |
|
0061 |
КОМАНДА P ИЛИ Q ОТСУТСТВУЕТ В БЛОКЕ МНОГОКРАТНО ПОВТОРЯЕМЫХ ЦИКЛОВ |
Не задан адрес Р или Q в команде многократно повторяемого цикла (G70, G71, G72 или G73). |
|
0062 |
ВЕЛИЧИНА РЕЗАНИЯ НЕВЕРНА В ЦИКЛЕ ЧЕРНОВОГО РЕЗАНИЯ |
Был задан ноль или отрицательное значение многократно повторяемого цикла черновой обработки резанием (G71 или G72) в качестве глубины реза. |
|
0063 |
НЕ НАЙДЕН БЛОК ЗАДАННОГО НОМЕРА ПОСЛЕДОВАТЕЛЬНОСТИ |
Не найден порядковый номер, заданный адресами P и Q в команде многократно повторяемого цикла (G70, G71, G72 или G73). |
|
0064 |
ФОРМА ЧИСТОВОЙ ОБРАБОТКИ НЕ ИЗМЕНЯЕТСЯ МОНОТОННО (ПЕРВЫЕ ОСИ) |
В программе чистовой обработки для многократно повторяемого цикла черновой обработки резанием (G71 или G72) команда для первой оси плоскости задавала монотонное увеличение или уменьшение. |
|
0065 |
G00/G01 НЕ ЯВЛЯЕТСЯ ПЕРВЫМ БЛОКОМ ПРОГРАММЫ ОБРАБОТКИ ФОРМЫ |
В первом блоке программы обработки формы, задаваемый P многократно повторяемый стандартный цикл (G70, G71, G72 или G73), G00 или G01 не был заданы. |
|
0066 |
НЕДОСТУПНАЯ КОМАНДА В БЛОКЕ МНОГОКРАТНО ПОВТОРЯЕМЫХ ЦИКЛОВ |
Недоступная команда была обнаружена в командном блоке многократно повторяемых циклов (G70, G71, G72 или G73). |
|
0067 |
МНОГОКРАТНО ПОВТОРЯЕМЫЕ ЦИКЛЫ НЕ НАХОДЯТСЯ В ПАМЯТИ ПРОГРАММЫ ОБРАБОТКИ ДЕТАЛЕЙ |
Команда многократно повторяемого постоянного цикла (G70, G71, G72, или G73) не зарегистрирована в области памяти на магнитных лентах. |
|
0069 |
ПОСЛЕДНИЙ БЛОК ПРОГРАММЫ ОБРАБОТКИ ФОРМЫ ЯВЛЯЕТСЯ НЕВЕРНОЙ КОМАНДОЙ |
В программе чистовой обработки в многократно повторяемом цикле черновой обработки резанием (G70, G71, G72 или G73) команда снятия фаски или скругления угла R в последнем блоке прерывается на середине. |
|
0070 |
В ПАМЯТИ ОТСУТСТВУЕТ МЕСТО ДЛЯ ПРОГРАММЫ |
Недостаточно памяти. Удалите ненужные программы и повторите попытку. |
|
0071 |
ДАННЫЕ НЕ НАЙДЕНЫ |
1) Не найден адрес по запросу. 2) При поиске по номеру программы не найдена программа с заданным номером. 3) В спецификации номера блока перезапуска программы не найден заданный номер блока. Проверьте данные. |
|
0072 |
ДАННЫЕ НЕ НАЙДЕНЫ |
Число программ для хранения превысило 400 (одноконтурная система) или 800 (двухконтурная система серии T). Удалите ненужные программы и выполните регистрацию программы снова. |
|
0073 |
НОМЕР ПРОГРАММЫ УЖЕ ИСПОЛЬЗУЕТСЯ |
Заданный номер программы уже используется. Измените номер программы или удалите ненужные программы и выполните регистрацию программы снова. |
|
0074 |
НОМЕР ПРОГРАММЫ УЖЕ ИСПОЛЬЗУЕТСЯ |
Номер программы не входит в диапазон от 1 до 9999. Измените номер программы. |
|
0075 |
ЗАЩИТА |
Сделана попытка зарегистрировать программу, номер которой защищен. При согласовании программы был неверно введен пароль для защищенной программы. Была предпринята попытка выбора программы, редактируемой в фоновом режиме, в качестве главной программы. Была предпринята попытка вызова программы, редактируемой в фоновом режиме, в качестве подпрограммы. |
|
0076 |
ПРОГРАММА НЕ НАЙДЕНА |
Заданная программа не найдена при вызове подпрограммы или вызове макрокоманды. Коды M, G, T или S вызываются командой P, отличной от команды в M98, M198, G65, G66 или пользовательской макропрограммы типа прерывания, а программа вызывается специальным адресом. Данный сигнал тревоги также порождается, если программа не найдена при данных вызовах. |
|
0077 |
СЛИШКОМ МНОГО ВЛОЖЕННЫХ ПОДПРОГРАММ, МАКРОПРОГРАММ |
Общее число вызовов подпрограмм и пользовательских макрокоманд превышает допустимый диапазон. Во время подпрограммы из внешней памяти был выполнен вызов подпрограммы. |
|
0078 |
НЕ НАЙДЕН ПОРЯДКОВЫЙ НОМЕР |
Заданный порядковый номер не был найден при поиске по порядковому номеру. Не найден порядковый номер, заданный в переходном пункте назначения в GOTO— и M99P—. |
|
0079 |
НЕСООТВЕТСТВИЕ ПРОГРАММ |
Программа в памяти не соответствует программе, хранящейся на ленте. Несколько программ не подлежат непрерывному согласованию, если параметр ном. 2200#3 имеет значение «1». Задайте в параметре ном. 2200#3 значение «0» перед выполнением сопоставления. |
|
0080 |
НЕПРАВИЛЬНО ВВЕДЕН СИГНАЛ ДОСТИЖЕНИЯ ПОЛОЖЕНИЯ ИЗМЕРЕНИЯ G37 |
Если выполняется функция измерения длины инструмента (G37), сигнал достижения положения измерения доходит до 1 во фронтальной части, определенной значением £, заданным в параметре ном.6254. Как альтернатива, сигнал не доходит до 1. Если используется функция автоматической коррекции на инструмент (G36, G37), сигналы достижения положения измерения (XAE1, XAE2) не доходят до 1 в диапазоне, определенном значением £, заданном в параметрах ном.6254 и ном.6255. |
|
0081 |
НОМ. КОРРЕКЦИИ G37 НЕ ЗАДАН |
Функция измерения длины инструмента (G37) задана без задания H кода. Исправьте программу. Функция автоматической коррекции ни инструмент (G36, G37) задана без задания Т кода. Исправьте программу. |
|
0082 |
G37 ЗАДАНО С Н-КОДОМ |
Функция измерения длины инструмента (G37) задано вместе с Н кодом в том же блоке. Исправьте программу. Функция автоматической коррекции на инструмент (G37) задана в одном блоке с Т-кодом. Исправьте программу. |
|
0083 |
НЕВЕРНАЯ КОМАНДА ОСИ G37 |
Была обнаружена ошибка в спецификации оси функции измерения длины инструмента (G37). Как альтернатива, задана команда перемещения как команда приращения. Исправьте программу. Была обнаружена ошибка в спецификации оси функции автоматической коррекции на инструмент (G36, G37). Как альтернатива, задана команда перемещения как команда приращения. Исправьте программу. |
|
0085 |
ОШИБКА ПЕРЕПОЛНЕНИЯ |
Следующий символ был получен от устройства ввода/вывода, подключенного к интерфейсу считывающего перфоратора 1 до того, как он смог считать полученный предварительно символ. Переполнение, ошибка четности или ошибка кадрирования возникли во время считывания интерфейсом устройства считывания/вывода на перфоленту 1. Неверны число битов введенных данных, настройка скорости передачи данных в бодах или номер спецификации устройства ввода/вывода. |
|
0086 |
DR ОТКЛ. |
В ходе процесса ввода/вывода интерфейсом считывания/вывода не перфоленту 1 сигнал готовности ввода набора данных устройства ввода/вывода (DR) был отключен. Возможными причинами являются не включение устройства ввода/вывода, порванный кабель и дефектная печатная плата. |
|
0087 |
ПЕРЕПОЛНЕНИЕ БУФЕРА |
В ходе считывания интерфейс считывающего перфоратора 1, хотя и была дана команда остановки считывания, была введено более 10 символов. Устройство ввода/вывода или печатная плата были дефектными. |
|
0090 |
НЕ ЗАВЕРШЕН ВОЗВРАТ НА РЕФЕРЕНТНУЮ ПОЗИЦИЮ |
1) Нельзя выполнить возврат на референтную позицию обычным образом, поскольку начальная точка возврата на референтную позицию расположена слишком близко к референтному положению, или скорость слишком низкая. Переместите начальную точку от референтной позиции на достаточное расстояние или задайте достаточно высокую скорость для выполнения возврата на референтную позицию. 2) Была попытка задать нулевое положение для детектора абсолютного положения с помощью возврата на референтную позицию, если необходимо задать нулевую точку. Проверните двигатель вручную минимум на один оборот и установите нулевое положение датчика абсолютного положения, отключив и снова включив ЧПУ и сервоусилитель. |
|
0091 |
РУЧНОЙ ВОЗВРАТ НА РЕФЕРЕНТНУЮ ПОЗИЦИЮ НЕ ВЫПОЛНЕН ПРИ ОСТАНОВЕ ПОДАЧИ |
Невозможно выполнить ручной возврат на референтную позицию, когда автоматическая операция приостановлена. Выполните ручной возврат на референтную позицию, когда автоматическая операция остановлена или сброшена. |
|
0092 |
ОШИБКА ПРОВЕРКИ ВОЗВРАТА К НАЧАЛУ КООРДИНАТ (G27) |
Ось, заданная в G27, не вернулась на референтную позицию. Перепрограммируйте, чтобы ось вернулась на референтную позицию. |
|
0094 |
ЗАПРЕЩЕН ТИП Р (ИЗМЕНЕНИЕ КООРДИНАТ) |
При повторном пуске программы тип Р задать нельзя. (После прерывания автоматической работы выполнена операция установки системы координат). Выполните надлежащую операцию в соответствии с руководством пользователя. |
|
0095 |
ЗАПРЕЩЕН ТИП Р (ИЗМЕНЕНИЕ ВНЕШНЕГО СМЕЩЕНИЯ) |
При повторном пуске программы тип Р задать нельзя. (После прерывания автоматической работы изменена величина внешней коррекции начала координат заготовки). Выполните надлежащую операцию в соответствии с руководством пользователя. |
|
0096 |
ЗАПРЕЩЕН ТИП Р (ИЗМЕНЕНИЕ СМЕЩЕНИЯ ЗАГОТОВКИ) |
При повторном пуске программы тип Р задать нельзя. (После прерывания автоматической работы изменена величина коррекции начала координат заготовки). Выполните надлежащую операцию в соответствии с руководством пользователя. |
|
0097 |
ЗАПРЕЩЕН ТИП Р (АВТОМАТИЧЕСКОЕ ВЫПОЛНЕНИЕ) |
Нельзя указать тип Р при повторном пуске программы. (После включения питания, после аварийного останова или сброса сигналов тревоги 0094 — 0097 автоматическая операция не выполняется). Выполните автоматическую операцию. |
|
0099 |
ИСПОЛН. MDI НЕ ДОПУСКАЕТСЯ ПОСЛЕ ПОИСКА |
После завершения поиска при перезапуске программы с помощью MDI дана команда перемещения. |
|
0109 |
ОШИБКА ФОРМАТА В G08 |
В коде G08 после Р задано значение, отличное от 0 или 1, или не задано значение. |
|
0110 |
ПЕРЕПОЛНЕНИЕ: ЦЕЛАЯ ЧАСТЬ |
Целая часть числа вышла за пределы диапазона при арифметических вычислениях. |
|
0111 |
ПЕРЕПОЛНЕНИЕ: ПЛАВАЮЩ. |
Десятичная точка (числовые данные в формате с плавающей точкой) вышла за пределы диапазона при арифметических вычислениях. |
|
0112 |
ДЕЛЕНИЕ НА НОЛЬ |
Была сделана попытка деления на ноль в пользовательской макрокоманде. |
|
0113 |
НЕВЕРНАЯ КОМАНДА |
Запрограммирована функция, которую нельзя использовать в макрокоманде пользователя. Измените программу. |
|
0114 |
НЕВЕРНЫЙ ФОРМАТ ВЫРАЖЕНИЯ |
Формат, используемый в выражении в пользовательском макрооператоре, ошибочный. Ошибка формата записи параметра. |
|
0115 |
НОМЕР ПЕРЕМЕННОЙ ВНЕ ДИАПАЗОНА |
Номер, который нельзя использовать для локальной переменной, общей переменной или системной переменной, заданный в пользовательской макрокоманде. |
|
0116 |
ПЕРЕМЕННАЯ С ЗАЩИТОЙ ОТ ЗАПИСИ |
Была произведена попытка использовать в пользовательской макрокоманде на левой стороне выражение переменной, что можно использовать на правой стороне выражения. |
|
0118 |
СЛИШКОМ МНОГО ВЛОЖЕНИЙ В СКОБКИ |
Слишком много скобок»[ ]» вложено в пользовательской макрокоманде. Уровень вложения, включая функциональные скобки, равен 5. |
|
0119 |
ЗНАЧЕНИЕ АРГУМЕНТА ВНЕ ДИАПАЗОНА |
Значение аргумента функции пользовательской макрокоманды находится вне диапазона. |
|
0122 |
СЛИШКОМ МНОГО ВЛОЖЕНИЙ МАКРОКОМАНД |
В пользовательскую макрокоманду было вложено слишком много вызовов макрокоманд. |
|
0123 |
НЕВЕРНЫЙ РЕЖИМ ДЛЯ GOTO/WHILE/DO |
Оператор GOTO или оператор WHILE-DO обнаружен в главной программе в режиме MDI или прямого ЧПУ. |
|
0124 |
ОТСУТСТВУЕТ КОНЕЧНЫЙ ОПЕРАТОР |
Команда END, соответствующая команде DO, отсутствовала в пользовательской макрокоманде^ |
|
0125 |
ОШИБКА ФОРМАТА МАКРООПЕРАТОРА |
Формат, используемый в макрооператоре в пользовательской макрокоманде, ошибочный. |
|
0126 |
НЕВЕРНЫЙ НОМЕР ЦИКЛА |
Номера DO и END в пользовательской макрокоманде ошибочны или превышают допустимый диапазон (диапазон действительных значений: от 1 до 3). |
|
0127 |
ДУБЛИРОВАНИЕ ОПЕРАТОРА ЧУ, МАКРООПЕРАТОРА |
Оператор ЧПУ и макрооператор были заданы в одном блоке. |
|
0128 |
НЕВЕРНЫЙ ПОРЯДКОВЫЙ НОМЕР МАКРОПРОГРАММЫ |
Заданный порядковый номер не найден при поиске порядкового номера. Не найден порядковый номер, заданный как пункт назначения перехода GOTO— и M99P—. |
|
0129 |
ИСПОЛЬЗОВАНИЕ ‘G’ В КАЧЕСТВЕ АРГУМЕНТА |
G используется в качестве аргумента при вызове пользовательской макрокоманды. G нельзя использовать в качестве аргумента. |
|
0130 |
КОНФЛИКТ ЧПУ И ОСИ РМС |
Команда ЧПУ и команда управления осью РМС не были согласованы. Измените программу или цепную схему. |
|
0136 |
ОСЬ ПОЗИЦИОНИРОВАНИЯ ШПИНДЕЛЯ ОДНОВРЕМЕНО С ДРУГОЙ ОСЬЮ |
Ось позиционирования шпинделя и другая ось заданы в одном блоке. |
|
0137 |
M-КОД И КОМАНДА ПЕРЕМЕЩЕНИЯ В ОДНОМ БЛОКЕ |
т Ось позиционирования шпинделя и другая ось заданы в одном блоке. |
|
0139 |
НЕЛЬЗЯ ИЗМЕНИТЬ ОСЬ, УПРАВЛЯЕМУЮ РМС |
Ось PMC была выбрана для оси, для которой направляется ось PMC. |
|
0140 |
НОМЕР ПРОГРАММЫ УЖЕ ИСПОЛЬЗУЕТСЯ |
Сделана попытка выбрать или удалить в фоновом режиме программу, выбранную в основном режиме. Выполнить правильную операцию для фоновой версии. |
|
0142 |
НЕВЕРНЫЙ МАСШТАБ |
Коэффициент масштабирования составляет 0 раз или 10000 раз или более. Измените настройку коэффициента масштабирования. (G51P … или G51I J K … или параметр (ном. 5411 или 5421)) |
|
0143 |
ПЕРЕПОЛНЕНИЕ УПРАВЛЯЮЩИХ ДАННЫХ |
Переполнение при хранении внутренних данных ЧПУ. Данный сигнал тревоги также порождается, если результаты внутреннего вычисления масштабирования (серия M), поворота системы координат (серия M) и цилиндрической интерполяции переполняют память данных. Он также порождается в ходе ввода величины ручного вмешательства. |
|
0144 |
НЕВЕРНО ВЫБРАНА ПЛОСКОСТЬ |
Плоскость поворота системы координат и плоскость дуги или компенсации на режущий инструмент должны совпадать. Измените программу. |
|
0145 |
НЕВЕРНОЕ ИСПОЛЬЗОВАНИЕ G12.1/G13.1 |
Номер оси параметров выбора плоскости ном. 5460 (линейная ось) и ном. 5461(ось вращения) в режиме интерполяции в полярных координатах вне диапазонв (от 1 до числа управляемых осей). |
|
0146 |
НЕВЕРНОЕ ИСПОЛЬЗОВАНИЕ G-КОДА |
При задании или отмене режима интерполяции в полярных координатах G-код должен быть модальной командой G40. В режиме интерполяции в полярных координатах был задан неверный G-код. В этом режиме могут быть заданы следующие следующие G-коды: G01,G02,G03,G04,G40,G41,G42,G65,G66,G67, (G90 и G91 для системы G-кодов B или C), G98,G99 |
|
0148 |
ОШИБКА НАСТРОЙКИ |
Уровень замедления автоматического изменения скорости подачи при обработке углов находится вне устанавливаемого диапазона оцениваемого угла. Измените параметры (ном.1710-1714) |
|
0149 |
ОШИБКА ФОРМАТА В G10L3 |
При регистрации (от G10L3 до G11) данных управления ресурсом инструмента был задан адрес, отличный от Q1, Q2, P1, и P2, или недопустимый адрес. |
|
0150 |
НЕВЕРНЫЙ НОМЕР ГРУППЫ РЕСУРСА |
Номер группы инструментов превысил максимальное допустимое значение. Номер группы инструментов (P после задания G10 L3;) или номер группы, указанный T-кодом управления ресурсом инструмента в программе обработки. |
|
0151 |
ГРУППА НЕ НАЙДЕНА В ДАННЫХ РЕСУРСА |
Группа инструментов, указанная в программе обработки, не задана в данных управления ресурсом инструмента. |
|
0152 |
ПРЕВЫШЕНО МАКСИМАЛЬНОЕ ЧИСЛО ИНСТРУМЕНТОВ |
Число инструментов, зарегистрированных в группе, превысило максимально допустимое число инструментов для регистрации. |
|
01 53 |
T-КОД НЕ ОБНАРУЖЕН |
При регистрации данных ресурса инструмента блок, в котором должен быть задан T-код, не содержит T-кода. Либо, при методе замены инструмента D, задано только M06. Измените программу. |
|
0154 |
ИНСТРУМЕНТ НЕ ИСПОЛЬЗУЕТСЯ В ГРУППЕ РЕСУРСА |
Команда H99, команда D99 или код H/D, заданный параметрами ном. 13265 и ном. 13266, была задана, когда не использовался ни один из входящих в группу инструментов. |
|
0155 |
НЕВЕРНАЯ КОМАНДА T-КОДА |
В программе обработки T-код в блоке, содержащем M06, не соответствует текущей используемой группе. Измените программу. |
|
0156 |
НЕ НАЙДЕНА КОМАНДА P/L |
Команды P и L не заданы в начале программы для настройки группы инструментов. Измените программу. |
|
0157 |
СЛИШКОМ МНОГО ГРУПП ИНСТРУМЕНТОВ |
При регистрации данных управления ресурсом инструмента значения счетчиков блока команды групповой настройки P (номер группы) и L (срок службы инструмента) превысили максимальное число для группы. |
|
0158 |
ЗНАЧЕНИЕ СРОКА СЛУЖБЫ ИНСТРУМЕНТА ВНЕ ДИАПАЗОНА |
Задаваемое значение срока службы слишком большое. Измените настройку. |
|
0159 |
НЕВЕРНЫЕ ДАННЫЕ РЕСУРСА ИНСТРУМЕНТА |
Данные управления ресурсом инструмента повреждены по какой-то причине. Зарегистрируйте данные инструмента в группе инструментов или данные инструмента в группе снова посредством G10L3 или ввода в режиме MDI. |
|
0160 |
НЕСООТВЕТСТВИЕ М-КОДА ОЖИДАНИЯ |
М-код ожидания ошибочный. Для контуров 1 и 2 заданы различные М-коды ожидания. |
|
0163 |
НЕВЕРНАЯ КОМАНДА В G68/G69 |
G68 и G69 не запрограммированы независимо при сбалансированном резании. |
|
0169 |
НЕВЕРНЫЕ ГЕОМЕТРИЧЕСКИЕ ДАННЫЕ ИНСТРУМЕНТА |
Неверные данные о форме инструмента при проверке столкновений. Установите правильные данные или выберите верные данные о форме инструмента. |
|
0175 |
НЕВЕРНАЯ ОСЬ G07.1 |
Задана ось, по которой нельзя выполнять цилиндрическую интерполяцию. В блоке G07.1 задана более чем одна ось. Была сделана попытка отмены цилиндрической интерполяции по оси, которая не была в режиме цилиндрической интерполяции. В режиме цилиндрической интерполяции для задания круговой интерполяции, включая ось вращения (если бит 0 (ROT) параметра ном. 1006 имеет значение 1, и задан параметр ном. 1260), значение параметра оси вращения ном. 1022 для назначения параллельной оси должно быть не 0, а 5, 6 или 7. |
|
0176 |
ИСПОЛЬЗОВАНИЕ НЕВЕРНОГО G-КОДА (РЕЖИМ G07.1) |
Был задан G-код, который не может быть задан в режиме цилиндрической интерполяции. Этот сигнал тревоги также срабатывает, если G-код группы 01 был в задан в модальной группе G00, или был задан код G00. Перед тем, как задать код G00, следует отменить режим цилиндрической интерполяции |
|
0190 |
ВЫБРАНА НЕВЕРНАЯ ОСЬ (G96) |
Неверное значение было задано в P в блоке G96 или в параметре ном. 3770. |
|
0194 |
КОМАНДА ШПИНДЕЛЯ В СИНХРОННОМ РЕЖИМЕ |
Режим управления контуром Cs, команда позиционирования шпинделей или режим жесткого нарезания резьбы метчиком были заданы в режиме синхронного управления шпинделями. Режим управления контуром Cs или режим жесткого нарезания резьбы метчиком были заданы в режиме синхронного управления шпинделями или простого синхронного управления шпинделями. |
|
0197 |
ОСЬ С ЗАДАНА В РЕЖИМЕ ШПИНДЕЛЯ |
Программа задала перемещение вдоль оси Сб, когда сигнал переключения управления контуром Cs был отключен. |
|
0199 |
МАКРОСЛОВО НЕ ОПРЕДЕЛЕНО |
Использовано не определенное макрослово. Измените макрокоманду пользователя. |
|
0200 |
НЕВЕРНАЯ КОМАНДА S-КОДА |
В режиме жесткого нарезания резьбы метчиком задано значение S, не входящее в диапазон, или не задано совсем. Параметры (ном. 5241 -5243) заданы равными S значению, которое можно задать для жесткого нарезания резьбы. Исправьте параметры или измените программу. |
|
0201 |
В РЕЖИМЕ ЖЕСТКОГО НАРЕЗАНИЯ РЕЗЬБЫ МЕТЧИКОМ НЕ НАЙДЕНА СКОРОСТЬ ПОДАЧИ |
Команда F кода для скорости подачи резания равна нулю. Если значение F команды гораздо меньше, чем значение команды S, если задана команда жесткого нарезания резьбы метчиком, порождается данный сигнал тревоги. Это происходит потому, что резание невозможно с шагом, заданным программой. |
|
0202 |
ПЕРЕПОЛНЕНИЕ ПОЛОЖЕНИЯ LSI |
В режиме жесткого нарезания резьбы метчиком слишком большая величина распределения импульсов для шпинделей. (Системная ошибка) |
|
0203 |
ПРОГРАММНОЕ НЕСООТВЕТСТВИЕ ПРИ ЖЕСТКОМ НАРЕЗАНИИ РЕЗЬБЫ МЕТЧИКОМ |
В режиме жесткого нарезания резьбы метчиком неверно положение М-кода жесткого режима (М29) или S-команды. Измените программу. |
|
0204 |
НЕВЕРНАЯ ОПЕРАЦИЯ ОСИ |
В режиме жесткого нарезания резьбы метчиком между блоком М-кода жесткого режима (М29) и блоком G84 (или G74) задано перемещение по оси. Измените программу. |
|
0205 |
СИГНАЛ DI ЖЕСТКОГО РЕЖИМА ВЫКЛЮЧЕН |
Несмотря на то, что при жестком нарезании резьбы метчиком задан М-код (М29), во время выполнения блока G84 (или G74) не включен сигнал жесткого режим DI (DGN G061.0). Проверьте цепную схему РМС для выяснения причины, по которой сигнал DI не был включен. |
|
0206 |
НЕЛЬЗЯ ИЗМЕНИТЬ ПЛОСКОСТЬ (ЖЕСТКОЕ НАРЕЗАНИЕ РЕЗЬБЫ) |
Переключение плоскости было задано в жестком режиме. Измените программу. |
|
0207 |
НЕСООТВЕТСТВИЕ ДАННЫХ ЖЕСТКОГО РЕЖИМА |
При жестком нарезании резьбы метчиком заданное расстояние -слишком короткое или слишком длинное. |
|
0210 |
НЕЛЬЗЯ ЗАДАТЬ М198/М99 |
1) Во время операции по графику была предпринята попытка выполнения команды М198 или М99. Либо во время работы с прямым ЧПУ была предпринята попытка выполнения команды М198. Измените программу. 2) Во время фрезерования глубоких выемок в многократно повторяющемся постоянном цикле была предпринята попытка выполнения команды М99 с помощью макропрерывания. |
|
0213 |
НЕВЕРНАЯ КОМАНДА В СИНХРОННОМ РЕЖИМЕ |
При управлении осью подачи в ходе синхронной работы произошли следующие ошибки. 1) Программа выдала команду перемещения ведомой оси. 2) Программа выдала команду ручной работы ведомой оси. 3) Программа выдала команду автоматического возврата на референтную позицию без задания ручного возврата на референтную позицию после включения питания. |
|
0214 |
НЕВЕРНАЯ КОМАНДА В СИНХРОННОМ РЕЖИМЕ |
В режиме синхронного управления установлена система координат или выполнена коррекция на длину инструмента (серия M) типа смещения. Исправьте программу. |
|
0217 |
ДУБЛИРОВАНИЕ G51.2 (КОМАНДЫ) |
В режиме G51.2 дополнительно задан G51.2. Измените программу. |
|
0218 |
НЕ НАЙДЕНА КОМАНДА P/Q |
В блоке G51.2 не задано P или Q, либо значение команды вне диапазона. Измените программу. Более подробные сведения о причине появления этого сигнала тревоги при полигональной обточке между шпинделями приведены в DGN ном. 471. |
|
0219 |
НЕЗАВИСИМОЕ ЗАДАНИЕ G51.2/G50.2 |
G51.2 и 50.2 были заданы в одном блоке для других команд. Изменить программу в другом блоке. |
|
0220 |
НЕВЕРНАЯ КОМАНДА В СИНХРОННОМ РЕЖИМЕ |
При синхронной операции для синхронной оси задано перемещение с помощью программы ЧПУ или интерфейса РМС осевого управления. Измените программу или проверьте цепную схему PMC. |
|
0221 |
НЕВЕРНАЯ КОМАНДА В СИНХРОННОМ РЕЖИМЕ |
Синхронная операция полигональной обработки и контурное осевое управление Cs или сбалансированное резание выполняются одновременно. Измените программу. |
|
0222 |
РАБОТА С ПРЯМЫМ ЧПУ ПРИ ФОНОВОМ РЕДАКТИРОВАНИИ ЗАПРЕЩЕНА |
Ввод и вывод выполняются одновременно с фоновым редактированием. Выполните правильное действие. |
|
0224 |
ВОЗВРАТ НА НОЛЬ НЕ ЗАВЕРШЕН |
Перед запуском автоматической работы не был выполнен возврат на референтрую позицию. (Только если бит 0 (ZRNx) параметра ном. 1005 имеет значение 0) Выполните возврат на референтную позицию. |
|
0230 |
R-КОД НЕ ОБНАРУЖЕН |
Глубина реза R не задана в блоке, включающем G161. Либо для R задано отрицательное значение. Измените программу. |
|
0231 |
НЕВЕРНЫЙ ФОРМАТ В G10 L52 |
При вводе программируемого параметра возникли ошибки в заданном формате. |
|
0232 |
СЛИШКОМ МНОГО КОМАНД ДЛЯ ВИНТОВОЙ ОСИ |
В режиме винтовой интерполяции заданы две или три оси в качестве винтовых осей. |
|
0233 |
УСТРОЙСТВО ЗАНЯТО |
При попытке использовать устройство, например, устройство, подсоединенное через интерфейс RS-232-C, обнаружено, что оно используется другими пользователями. |
|
0245 |
В ЭТОМ БЛОКЕ Т-КОД ЗАПРЕЩЕН |
Один из G-кодов, G04, G10, G28, G29 (серия M), G30, G50 (серия T) и G53, который не может быть задан в одном блока с T-кодом, был задан с T-кодом. |
|
0247 |
НАЙДЕНА ОШИБКА В КОДЕ ВЫВОДА ДАННЫХ |
При выводе закодированной программы в качестве кода вывода задано EIA. Задайте ISO. |
|
0314 |
НЕВЕРНАЯ НАСТРОЙКА ПОЛИГОНАЛЬНОЙ ОСИ |
Неверно задана ось при полигональной обточке. Для полигональной обточки: 1) Не задана ось вращения инструмента. (Параметр ном. 7610) Для полигональной обточки между шпинделями: 1) Не заданы действительные шпиндели. (Параметры ном. 7640 — 7643). 2) Шпиндель, не являющийся последовательным шпинделем. 3) Шпиндель не подсоединен. |
|
0315 |
НЕВЕРНАЯ КОМАНДА УГЛА КРОМКИ В ЦИКЛЕ РЕЗЬБОНАРЕЗАНИЯ |
Неверный угол режущей кромки инструмента задан в многократно повторяемом постоянном цикле резьбонарезания (G76). |
|
0316 |
НЕВЕРНАЯ ВЕЛИЧИНА РЕЗА В ЦИКЛЕ РЕЗЬБОНАРЕЗАНИЯ |
Минимальная глубина реза больше, чем высота резьбы, задана в многократно повторяемом постоянном цикле резьбонарезания (G76). |
|
0317 |
НЕВЕРНАЯ КОМАНДА НАРЕЗАНИЯ РЕЗЬБЫ В ЦИКЛЕ РЕЗЬБОНАРЕЗАНИЯ |
Был задан ноль или отрицательное значение в многократно повторяемом постоянном цикле резьбонарезания (G76) в качестве высоты резьбы или глубины реза. |
|
0318 |
НЕВЕРНАЯ ВЕЛИЧИНА ОТВОДА В ЦИКЛЕ СВЕРЛЕНИЯ |
Хотя направления отвода заданы в многократно повторяемом постоянном цикле отрезания (G74 или G75), задано отрицательное значение для Ad. |
|
0319 |
НЕВЕРНА КОМАНДА КОНЕЧНОЙ ТОЧКИ В ЦИКЛЕ СВЕРЛЕНИЯ |
Хотя расстояние перемещения Ai или Ak задано равным 0 в многократно повторяемом постоянном цикле отрезания (G74 или G75), значение, отличное от 0, задано для U или W. |
|
0320 |
НЕВЕРНАЯ ВЕЛИЧИНА ПЕРЕМЕЩЕНИЯ/ВЕЛИЧИНА РЕЗА В ЦИКЛЕ СВЕРЛЕНИЯ |
Было задано отрицательное значение в многократно повторяемом постоянном цикле отрезания (G74 или G75) как Ai или Ak (расстояние перемещения / глубина реза). |
|
0321 |
НЕВЕРНОЕ ВРЕМЯ ПОВТОРЕНИЯ В ЦИКЛЕ ПОВТОРЕНИЯ СХЕМЫ |
Задан нуль или отрицательное значение в многократно повторяемом постоянном замкнутом цикле (G73) в качестве значения времени повторения. |
|
0322 |
ЧИСТОВАЯ ОБРАБОТКА ПОСЛЕ ЗАПУСКА |
Неверная форма, которая после запуска цикла задана в программе обработки для многократно повторяемого постоянного цикла черновой обработки резанием (G71 или G72). |
|
0323 |
ПЕРВЫЙ БЛОК ПРОГРАММЫ ОБРАБОТКИ ЯВЛЯЕТСЯ КОМАНДОЙ ТИПА II |
Тип II задан в первом блоке программы обработки, заданном командой P в многократно повторяемом постоянном цикле (G71 или G72). Для G71 задано Z(W). Для G72 задано X(U). |
|
0324 |
МАКРОПРОГРАММА ТИПА ПРЕРЫВАНИЯ ЗАДАНА В МНОГОКРАТНО ПОВТОРЯЕМЫХ ЦИКЛАХ |
Макропрограмма типа прерывания была дана в ходе многократно повторяемого постоянного цикла (G70, G71, G72 или G73). |
|
0325 |
НЕДОСТУПНАЯ КОМАНДА В ПРОГРАММЕ ОБРАБОТКИ ФОРМЫ |
Используемая команда была дана в программе обработки для многократно повторяемого постоянного цикла (G70, G71, G72 или G73). |
|
0326 |
ПОСЛЕДНИЙ БЛОК ПРОГРАММЫ ОБРАБОТКИ ФОРМЫ СОДЕРЖИТ ПРЯМЫЕ РАЗМЕРЫ ЧЕРТЕЖА |
В программе чистовой обработки в многократно повторяемом цикле черновой обработки резанием (G70, G71, G72 или G73) команда прямого ввода размеров чертежа в последнем блоке прерывается на середине. |
|
0327 |
МОДАЛЬНОЕ СОСТОЯНИЕ, НЕ ДОПУСКАЮЩЕЕ МНОГОКРАТНО ПОВТОРЯЕМЫХ ЦИКЛОВ |
Многократно повторяемый постоянный цикл (G70, G71, G72 или G73) был задан в модальном состоянии, в котором нельзя задавать многократно повторяемый постоянный цикл. |
|
0328 |
НЕВЕРНОЕ РАБОЧЕЕ ПОЛОЖЕНИЕ ПРИ КОРРЕКЦИИ НА РАДИУС ВЕРШИНЫ ИНСТРУМЕНТА |
Неверная спецификация для стороны заготовки для коррекции на радиус вершины инструмента (G41 или G42) в многократно повторяемом постоянном цикле (G71 или G72). |
|
0329 |
ФОРМА ЧИСТОВОЙ ОБРАБОТКИ НЕ ИЗМЕНЯЕТСЯ МОНОТОННО (ВТОРЫЕ ОСИ) |
В программе чистовой обработки для многократно повторяемого цикла черновой обработки резанием (G71 или G72) команда для второй оси плоскости задавала монотонное увеличение или уменьшение. |
|
0330 |
НЕВЕРНАЯ КОМАНДА ОСИ В ПОСТОЯННОМ ЦИКЛЕ ОБТОЧКИ |
Ось, отличная от плоскости, задана в постоянном цикле (G90, G92 и. G94). |
|
0334 |
КОРРЕКЦИЯ ВНЕ РАБОЧЕГО ДИАПАЗОНА |
Данные коррекции, которая была вне рабочего диапазона, были заданы. (функция предотвращения неисправности) |
|
0336 |
КОРРЕКЦИЯ НА ИНСТРУМЕНТ ЗАДАНА БОЛЕЕ, ЧЕМ ДВУМ ОСЯМ |
Для коррекции на длину инструмента C была сделана попытка задать коррекцию по другим осям без отмены коррекции. Либо для коррекции на длину инструмента C задано несколько осей в блоке G43 или G44. |
|
0337 |
ПРЕВЫШЕНИЕ МАКСИМАЛЬНОГО ЗНАЧЕНИЯ ПРИРАЩЕНИЯ |
Значение команды превысило максимальную величину приращения. (функция предотвращения неисправности) |
|
0338 |
ОШИБКА КОНТРОЛЬНОЙ СУММЫ |
Неверное значение обнаружено в контрольной сумме. (функция предотвращения неисправности) |
|
0345 |
НЕВЕРНОЕ ПОЛОЖЕНИЕ ОСИ Z ПРИ СМЕНЕ ИНСТРУМЕНТА |
Положение смены инструмента по оси Z неверное. |
|
0346 |
НЕВЕРНЫЙ НОМЕР ИНСТРУМЕНТА ПРИ СМЕНЕ ИНСТРУМЕНТА |
Неверный номер инструмента для смены инструмента. |
|
0347 |
НЕВЕРНАЯ КОМАНДА СМЕНЫ ИНСТРУМЕНТА В ОДНОМ БЛОКЕ. |
Смена инструмент задана дважды или более в одном и том же блоке. |
|
0348 |
НЕ НАЗНАЧЕНО ПОЛОЖЕНИЕ ОСИ Z ПРИ СМЕНЕ ИНСТРУМЕНТА |
Шпиндель смены инструмента по оси Z не задан. |
|
0349 |
ШПИНДЕЛЬ СМЕНЫ ИНСТРУМЕНТА НЕ ОСТАНАВЛИВАЕТСЯ |
Остановка шпинделя смены инструмента не задана. |
|
0350 |
ОШИБКА ПАРАМЕТРА ИНДЕКСА ЗАДАННОЙ ОСИ СИНХРОННОГО УПРАВЛЕНИЯ |
Задан неверный номер оси синхронного управления (параметр ном. 8180). |
|
0351 |
ПОСКОЛЬКУ ОСЬ ПЕРЕМЕЩАЕТСЯ, СИНХРОННОЕ УПРАВЛЕНИЕ ИСПОЛЬЗОВАТЬ НЕЛЬЗЯ. |
Пока ось при синхронном управлении перемещалась, была сделана попытка запуска или отмены синхронного управления посредством сигнала выбора синхронного управления осью. |
|
0352 |
ОШИБКА СОСТАВЛЕНИЯ ОСИ СИНХРОННОГО УПРАВЛЕНИЯ |
Данная ошибка произошла, когда: 1) Была произведена попытка выполнить синхронное управление для оси во время синхронного, комплексного или наложенного управления. 2) Была произведена попытка синхронизировать правнука для отношения предок-потомок-внук. 3) Была произведена попытка выполнить синхронное управление, хотя отношение «предок»-«потомок»-«внук» задано не было. |
|
0353 |
КОМАНДА БЫЛА ДАНА ДЛЯ ОСИ, КОТОРАЯ НЕ МОГЛА ДВИГАТЬСЯ. |
T Данная ошибка произошла, когда: 1) Команда перемещения была выполнена для оси, для которой бит 7 (NUMx) параметра ном. 8163 имел значение 1. 2) Команда перемещения была выполнена для ведомой оси при синхронном управлении. 3) Команда перемещения была выполнена для оси, для которой бит 7 (MUMx) параметра ном. 8162 имел значение 1 при комплексном управлении. |
|
0354 |
G28 БЫЛО ЗАДАНО С РЕФЕРЕНТНОЙ ПОЗИЦИЕЙ, НЕ ЗАФИКСИРОВАННОЙ В РЕЖИМЕ СИНХРОННОГО УПРАВЛЕНИЯ |
Данная ошибка произошла, когда G28 было задано для ведущей оси при ожидании во время синхронного управления, но референтная позиция не была задана для ведомой оси. |
|
0355 |
ОШИБКА ПАРАМЕТРА ИНДЕКСА ЗАДАННОЙ ОСИ КОМПЛЕКСНОГО УПРАВЛЕНИЯ. |
Задан неверный номер оси комплексного управления (параметр ном. 8183). |
|
0356 |
ПОСКОЛЬКУ ОСЬ ПЕРЕМЕЩАЕТСЯ, КОМПЛЕКСНОЕ УПРАВЛЕНИЕ ИСПОЛЬЗОВАТЬ НЕЛЬЗЯ |
Пока ось при комплексном управлении перемещалась, была сделана попытка запуска или отмены с помощью сигнала выбора комплексного управления оси. |
|
0357 |
ОШИБКА СОСТАВЛЕНИЯ ОСИ КОМПЛЕКСНОГО УПРАВЛЕНИЯ |
Данная ошибка произошла, когда была сделана попытка выполнить комплексное управление для оси во время синхронного, комплексного или наложенного управления. |
|
0359 |
G28 ЗАДАНО ПРИ НЕФИКСИРОВАННОМ РЕФЕРЕНТНОМ ПОЛОЖЕНИИ В КОМПЛ. РЕЖИМЕ |
Данная ошибка произошла, когда команда G28 была задана сложной оси в ходе комплексного управления, но референтная позиция не была задана для другой части составления. |
|
0360 |
ОШИБКА ЗАДАНИЯ ПАРАМЕТРА ИНДЕКСА ОСИ С НАЛОЖЕННЫМ УПРАВЛЕНИЕМ |
Задан неверный номер оси наложенного управления (парам. ном. 8186). |
|
0361 |
ПОСКОЛЬКУ ОСЬ ПЕРЕМЕЩАЕТСЯ, НАЛОЖЕННОЕ УПРАВЛЕНИЕ ИСПОЛЬЗОВАТЬ НЕЛЬЗЯ |
Пока ось при наложенном управлении перемещалась, была сделана попытка запуска или отмены наложенного управления посредством сигнала выбора наложенного управления осью. |
|
0362 |
ОШИБКА СОСТАВЛЕНИЯ ОСИ НАЛОЖЕННОГО УПРАВЛЕНИЯ |
Данная ошибка произошла, когда: 1) Была произведена попытка выполнить наложенное управление для оси во время синхронного, комплексного или наложенного управления. 2) Была произведена попытка синхронизировать правнука для отношения предок-потомок-внук. |
|
0363 |
КОМАНДА G28 ЗАДАНА ДЛЯ ВЕДОМОЙ ОСИ НАЛОЖЕННОГО УПРАВЛЕНИЯ. |
Данная ошибка произошла, когда была дана команда G28 для ведомой оси наложенного управления при наложенном управлении. |
|
0364 |
КОМАНДА G53 ЗАДАНА ДЛЯ ВЕДОМОЙ ОСИ НАЛОЖЕННОГО УПРАВЛЕНИЯ. |
Данная ошибка произошла, когда была дана команда G53 для ведомой оси, перемещающейся при наложенном управлении. |
|
0365 |
СЛИШКОМ МНОГО МАКСИМАЛЬНЫХ НОМЕРОВ ОСИ SV/SP НА КОНТУР |
Неверно задано число управляемых осей или шпинделей для использования в одном контуре. Проверьте параметры ном. 981 и ном. 982. Если порождается этот сигнал тревоги, то состояние аварийного останова нельзя сбросить. |
|
0369 |
ОШИБКА ФОРМАТА G31 |
1) Не задана ось либо заданы две или более осей в команде переключения по пределу крутящего момента (G31P98/P99). 2) Нельзя задать G31P90. |
|
0370 |
ОШИБКА G31P/G04Q |
1) Заданное значение адреса P для G31 вне диапазона. Адрес P имеет диапазон от 1 до 4 в функции многошагового пропуска. 2) Заданное значение адреса Q для G04 вне диапазона. Адрес Q имеет диапазон от 1 до 4 в функции многошагового пропуска. 3) P1 -4 для G31, или Q1 -4 для G04 было задана без опции функции многошагового пропуска. 4) Для G72 или G74 в постоянных циклах шлифования заданное значение адреса P вне диапазона. Адрес P имеет диапазон от 1 до 4 в функции многошагового пропуска. P1-4 было задано в G72 или G74 несмотря на отсутствие опции функции многошагового пропуска. |
|
0372 |
НЕ ЗАВЕРШЕН ВОЗВРАТ НА РЕФЕРЕНТНУЮ ПОЗИЦИЮ |
Была сделана попытка выполнить автоматический возврат на референтную позицию на ортогональной оси до завершения возврата на референтную позицию на наклонной оси. Однако, эта попытка не удалась, поскольку не был задан ручной возврат на референтную позицию при управлении наклонной осью или при автоматическом возврате на референтную позицию после включения питания. Сначала вернитесь на референтную позицию по наклонной оси, затем вернитесь на референтную позицию на ортогональной оси. |
|
0373 |
НЕВЕРНЫЙ СИГНАЛ СКОРОСТНОГО ПРОПУСКА |
В командах пропуска (G31, с G31P1 по G31P4) и командах выстоя (G04, с G04Q1 по G04Q4) один и тот же скоростной сигнал выбран в разных контурах^ |
|
0375 |
НЕВОЗМОЖНО УПРАВЛЕНИЕ НАКЛОННОЙ ОСЬЮ (СИНХ:СМЕШ:НАЛОЖ) |
Управление осью наклона отключено для данной конфигурации оси. 1) Все задействованные оси при управлении наклонной осью не находятся в режиме синхронного управления. Либо необходимо выполнить настройки для обеспечения синхронного управления между наклонными осями, а также между ортогональными осями. 2) Все задействованные оси при управлении наклонной осью не находятся в режиме комплексного управления. Либо необходимо выполнить настройки для обеспечения комплексного управления между наклонными осями, а также между ортогональными осями. 3) Задействованные оси при управлении наклонной осью находятся в режиме наложенного управления. |
|
0376 |
ПОСЛЕД. DCL: НЕВЕРНЫЙ ПАРАМЕТР |
1) Если параметр ном. 1815#1 имеет значение «1», параметр ном. 2002#3 имеет значение «0» 2) Активирована функция регистрации абсолютной позиции. (Параметр ном.1815#5 имеет значение «1».) |
|
0412 |
НЕВЕРНЫЙ G-КОД |
Использован недопустимый G-код. |
|
0445 |
НЕВЕРНАЯ ОПЕРАЦИЯ ОСИ |
Команда позиционирования была выдана в режиме управления скоростью. Проверьте сигнал режима управления скоростью SV (Fn521). |
|
0446 |
НЕВЕРНАЯ КОМАНДА В G96.1/G96.2/G96.3/G96.4 |
G96.1, G96.2, G96.3 и G96.4 заданы в блоке, включающем другие команды. Измените программу. |
|
0447 |
НЕВЕРНЫЕ ДАННЫЕ НАСТРОЙКИ |
Шпиндель, управляемый серводвигателем, задан неверно. Проверьте параметры для функции управления шпинделем при помощи серводвигателя. |
|
0455 |
НЕВЕРНАЯ КОМАНДА ШЛИФОВАНИЯ |
В постоянных циклах шлифования: 1) Не совпадают знаки команд I, J и K. 2) Не задана величина перемещения для оси шлифования. |
|
0456 |
НЕВЕРНЫЙ ПАРАМЕТР ШЛИФОВАНИЯ |
Неверно заданы параметры для постоянных циклов шлифования. Вероятные причины приведены ниже. 1) Неверно задан номер оси шлифования (параметры от ном. 5176 до ном. 5179). 2) Неверно задан номер оси правки (параметры от ном. 5180 до ном. 5183). 3) Совпадают номера осей резания, шлифования и правки (только для серии M). |
|
0601 |
НЕВЕРНАЯ ОПЕРАЦИЯ ОСИ ДЛЯ ШПИНДЕЛЯ С СЕРВОДВИГАТЕЛЕМ |
Команда перемещения выполнена для шпинделя, управляемого серводвигателем. Измените программу. |
|
0602 |
ОШИБКА КОМАНДЫ ВЫБОРА ШПИНДЕЛЯ (ШПИНДЕЛЬ СЕРВОДВИГАТЕЛЯ) |
Не был правильно выбран исполнитель для шпинделя, управляемого серводвигателем. |
|
1001 |
НЕВЕРНЫЙ РЕЖИМ УПРАВЛЕНИЯ ОСЬЮ |
Неверный режим управления осью. |
|
1013 |
НЕВЕРНАЯ ПОЗ. НОМ. ПРОГРАММЫ |
Адрес O или N задан в неправильном месте (после макрооператора т. д.). |
|
1014 |
НЕВЕРНЫЙ ФОРМАТ НОМЕРА ПРОГРАММЫ |
Адрес O или N не сопровождается числом. |
|
1016 |
НЕ НАЙДЕН КОНЕЦ БЛОКА |
Код EOB (Конец блока) отсутствует в конце ввода программы в режиме MDI. |
|
1077 |
ПРОГРАММА ИСПОЛЬЗУЕТСЯ |
Сделана попытка исполнения на переднем плане программы, находящейся в режиме фонового редактирования. Редактируемую в настоящее время программу нельзя выполнить, поэтому прекратите редактирование и перезапустите выполнение программы. |
|
1079 |
НЕ НАЙДЕН ПРОГРАММНЫЙ ФАЙЛ |
Программа заданного номера файла не зарегистрирована во внешнем устройстве. (вызов подпрограммы внешнего устройства) |
|
1080 |
ДУБЛИРОВАНИЕ ВЫЗОВА ПОДПРОГРАММЫ УСТРОЙСТВА |
Еще один вызов подпрограммы внешнего устройства был выполнен из подпрограммы, после того как подпрограмма была вызвана подпрограммой внешнего устройства. |
|
1081 |
ВЫЗОВ ПОДПРОГРАММЫ ВНЕШНЕГО УСТРОЙСТВА ОШИБКА РЕЖИМА |
Вызов подпрограммы внешнего устройства невозможен в данном режиме. |
|
1091 |
ДУБЛИРОВАНИЕ СЛОВА ВЫЗОВА ПОДПРОГРАММЫ |
Больше одной команды вызова подпрограммы было задано в одном блоке. |
|
1092 |
ДУБЛИРОВАНИЕ СЛОВА ВЫЗОВА МАКРОКОМАНДЫ |
Больше одной команды вызова макрокоманды было задано в одном блоке. |
|
1093 |
ДУБЛИРОВАНИЕ СЛОВА ЧУ И М99 |
Адрес, отличный от O, N, P или L, был задан в том же блоке, что и M99 в состоянии вызова модальной макрокоманды. |
|
1095 |
СЛИШКОМ МНОГО АРГУМЕНТОВ ТИПА 2 |
Более десяти наборов аргументов I, J и K задано в аргументах типа-II (A, B, C, I, J, K, I, J, K, …) для пользовательских макрокоманд. |
|
1096 |
НЕВЕРНОЕ ИМЯ ПЕРЕМЕННОЙ |
Было задано неверное имя переменной. Код, который нельзя задать в качестве имени переменной, был задан. Команда [#_OFSxx] не соответствует типу (A или C) текущей используемой памяти коррекции на инструмент. |
|
1097 |
СЛИШКОМ ДЛИННОЕ ИМЯ ПЕРЕМЕННОЙ |
Заданное имя переменной слишком длинное. |
|
1098 |
ОТСУТСТВУЕТ ИМЯ ПЕРЕМЕННОЙ |
Заданное имя переменной нельзя использовать, поскольку оно не зарегистрировано. |
|
1099 |
НЕВЕРНЫЙ ИНДЕКС[] |
Индекс не задан для имени переменной, требующей индекса, заключенного в [ ]. Индекс задан для имени переменной, не требующей индекса, заключенного в [ ]. Значение, заключенное в заданные [ ], не попало в диапазон. |
|
1100 |
ОТМЕНА БЕЗ МОДАЛЬНОГО ВЫЗОВА |
Отмена режима вызова (G67) была задана, хотя режим постоянного вызова макрокоманд (G66) не был включен. |
|
1101 |
НЕВЕРНОЕ ПРЕРЫВАНИЕ ОПЕРАТОРА ЧПУ |
Было произведено прерывание в состоянии, в котором прерывание пользовательской макрокоманды, содержащей команду перемещения, нельзя было выполнить. |
|
1115 |
ПЕРЕМЕННАЯ С ЗАЩИТОЙ ОТ ЧТЕНИЯ |
Была произведена попытка использовать в пользовательской макрокоманде на правой стороне выражение переменной, которое можно использовать только на левой стороне выражения. |
|
1120 |
НЕВЕРНЫЙ ФОРМАТ АРГУМЕНТА |
Заданный аргумент в функции аргумента (ATAN, POW) ошибочен. |
|
1124 |
ОТСУТСТВУЕТ ОПЕРАТОР DO |
Команда DO, соответствующая команде END, отсутствовала в пользовательской макрокоманде. |
|
1125 |
НЕВЕРНЫЙ ФОРМАТ ВЫРАЖЕНИЯ |
Описание выражения в пользовательском макрооператоре содержит ошибку. Ошибка формата программного параметра. Окно, отображенное для ввода периодических данных по техобслуживанию или меню выбора наименований (станков), не соответствует типу данных. |
|
1128 |
ПОРЯДКОВЫЙ НОМЕР ВНЕ ДИАПАЗОНА |
Последовательность ном. пункта назначения при команде перехода в пользовательском макрооператоре GOTO находилась вне диапазона (диапазон действительных значений: от 1 до 99999). |
|
1131 |
НЕ ХВАТАЕТ ОТКРЫВАЮЩЕЙ СКОБКИ |
Число левых скобок ([) меньше числа правых скобок (]) в пользовательском макрооператоре. |
|
1132 |
НЕ ХВАТАЕТ ЗАКРЫВАЮЩЕЙ СКОБКИ |
Число правых скобок ([) меньше числа левых скобок (]) в пользовательском макрооператоре. |
|
1133 |
ОТСУТСТВУЕТ ‘=’ |
Знак равенства (=) отсутствует в команде арифметических вычислений в пользовательском макрооператоре. |
|
1134 |
ОТСУТСТВУЕТ |
Отсутствует ограничитель (,) в пользовательском макрооператоре. |
|
1137 |
ОШИБКА ФОРМАТА ОПЕРАТОРА IF |
Формат, используемый в операторе IF в пользовательской макрокоманде, ошибочный. |
|
1138 |
ОШИБКА ФОРМАТА ОПЕРАТОРА WHILE |
Формат, используемый в операторе WHILE в пользовательской макрокоманде, ошибочный. |
|
1139 |
ОШИБКА ФОРМАТА ОПЕРАТОРА SETVN |
Формат, используемый в операторе SETVN в пользовательской макрокоманде, ошибочный. |
|
1141 |
НЕВЕРНЫЙ СИМВОЛ В ИМЕНИ ПЕРМЕННОЙ |
Оператор SETVN в пользовательской макрокоманде относится к символу, который нельзя использовать в имени переменной. |
|
1142 |
СЛИШКОМ ДЛИННОЕ ИМЯ ПЕРЕМЕННОЙ (SETVN) |
Имя переменной, используемой в SETVN операторе в пользовательской макрокоманде, превышает 8 символов. |
|
1143 |
ОШИБКА ФОРМАТА ОПЕРАТОРА BPRNT/DPRNT |
Формат, используемый в операторе BPRNT или в операторе DPRNT, ошибочный. |
|
1144 |
ОШИБКА ФОРМАТА G10 |
Ввод данных для ном. L команды G10 или соответствующей функции не активирован. Адреса задания данных P или R не заданы. Был задан адрес, не связанный с установкой данных. Какой адрес задать различается в соответствии с L ном. Знак, десятичная точка или диапазон заданного адреса ошибочны. |
|
1160 |
ПЕРЕПОЛНЕНИЕ УПРАВЛЯЮЩИХ ДАННЫХ |
Переполнение произошло в данных позиции в ЧПУ. Данный сигнал тревоги также порождается, если целевое положение команды превышает максимальный ход в результате вычислений, таких как преобразование системы координат, коррекция или введение величины ручного вмешательства. |
|
1180 |
ВСЕ ПАРАЛЛЕЛЬНЫЕ ОСИ В РЕЖИМЕ ОЖИДАНИЯ |
Все оси, заданные для автоматической работы, находятся в режиме ожидания. |
|
1196 |
НЕВЕРНЫЙ ВЫБОР ОСИ СВЕРЛЕНИЯ |
Ось сверления, заданная для сверления в постоянном цикле сверления, неверна. В блоке команды G-кода в постоянном цикле точка Z не задана для оси сверления. |
|
1200 |
НЕВЕРНЫЙ ВОЗВРАТ НА НОЛЬ ИМПУЛЬСНОГО ШИФРАТОРА |
Положение сетки нельзя было подсчитать при возврате на референтную позицию сетки при использовании системы сетки, поскольку сигнал одного оборота не был получен перед отходом от упора замедления. Данный сигнал тревоги также возникает в том случае, если инструмент не достигает скорости подачи, которая превышает величину погрешности сервосистемы, предварительно заданную в параметре ном. 1841, прежде чем отработает ограничитель хода замедления (сигнал замедления *DEC опять становится «1»). |
|
1202 |
ОТСУТСТВУЕТ КОМАНДА F В G93 |
F коды в режиме спецификации обратного времени (G93) не обрабатываются как модальные и должны быть заданы в отдельных блоках. |
|
1223 |
НЕВЕРНЫЙ ВЫБОР ШПИНДЕЛЯ |
Была сделана попытка выполнить команду, применимую к шпинделю, в то время как шпиндель, подлежащий управлению, задан неправильно. |
|
1298 |
НЕВЕРНОЕ ПРЕОБРАЗОВАНИЕ ДЮЙМЫ/МЕТРИЧЕСКИЕ ЕДИНИЦЫ |
Произошла ошибка при преобразовании дюймовых/метрических единиц. |
|
1300 |
НЕВЕРНЫЙ АДРЕС |
Номер оси был задан, хотя параметр не относится к оси при загрузке данных параметров или коррекции межмодульного смещения с ленты или при вводе параметра G10. Ось ном. нельзя задать в данных коррекции межмодульного смещения. |
|
1301 |
ОТСУТСТВУЕТ АДРЕС |
Номер оси не был задан, хотя параметр относится к оси при загрузке данных параметров или коррекции межмодульного смещения с ленты или при вводе параметра G10. Или данные ном. адреса ном или адрес задания адреса P или R не заданы. |
|
1302 |
НЕВЕРНЫЙ НОМЕР ДАННЫХ |
Был обнаружен несуществующий номер данных при загрузке данных параметров или коррекции межмодульного смещения с ленты или введением параметра G10. Данный сигнал тревоги также порождается, если обнаружены недопустимые значения слов. |
|
1303 |
НЕВЕРНЫЙ НОМЕР ОСИ |
Был обнаружен адрес номера оси, превышающий максимальное число управляемых осекй при загрузке данных параметров или коррекции межмодульного смещения с ленты или введении параметра G10. |
|
1304 |
СЛИШКОМ МНОГО ЗНАКОВ |
Было обнаружено слишком много цифр при загрузке данных параметров или коррекции межмодульного смещения с ленты. |
|
1305 |
ДАННЫЕ ВНЕ ДИАПАЗОНА |
Были обнаружены данные вне диапазона при загрузке данных параметров или коррекции межмодульного смещения с ленты. Значения адресов задания данных, соответствующих L ном., пока ввод данных с помощью G10 был вне диапазона. Данный сигнал тревоги также порождается, если программируемые слова ЧПУ содержат значения не из диапазона. |
|
1306 |
ОТСУТСВУЕТ НОМЕР ОСИ |
Параметр, требующий указания оси, обнаружен без номера оси (адрес A) при загрузке параметров с перфоленты. |
|
1307 |
НЕВЕРНОЕ ИСПОЛЬЗОВАНИЕ ЗНАКА МИНУС |
Были обнаружены данные с неверным обозначением при загрузке данных параметров или коррекции межмодульного смещения с ленты или введением параметра G10. Знак был задан для адреса, не поддерживающего использование знаков. |
|
1308 |
ОТСУТСТВУЮТ ДАННЫЕ |
Адрес, в конце которого не ставится числовое значение, был обнаружен при загрузке данных параметров или коррекции межмодульного смещения с ленты. |
|
1329 |
НЕВЕРНЫЙ НОМЕР ГРУППЫ СТАНКОВ |
Был обнаружен адрес номера групп станков, превышающий максимальное число управляемых станков при загрузке данных параметров или коррекции межмодульного смещения с ленты или введении параметра G10. |
|
1330 |
НЕВЕРНЫЙ НОМЕР ШПИНДЕЛЯ |
Был обнаружен адрес номера шпинделя, превышающий максимальное число управляемых шпинделей при загрузке данных параметров или коррекции межмодульного смещения с ленты или введении параметра G10. |
|
1331 |
НЕВЕРНЫЙ НОМЕР КОНТУРА |
Был обнаружен адрес номера контуров, превышающий максимальное число управляемых контуров при загрузке данных параметров или коррекции межмодульного смещения с ленты или введении параметра G10. |
|
1332 |
ОШИБКА БЛОКИРОВКИ ЗАПИСИ ДАННЫХ |
Невозможно загрузить данные при загрузке данных параметров, коррекции межмодульного смещения или рабочих координат введении параметра с ленты. |
|
1333 |
ОШИБКА ЗАПИСИ ДАННЫХ |
Не может записать данные при загрузке данных с ленты. |
|
1470 |
ОТСУТСТВУЮТ ПАРАМЕТРЫ G40.1 -G42.1 |
Задание параметра, связанное с управлением нормальным направлением, неверное. Номер оси для оси управления нормальным направлением задан в параметре ном. 5480, но этот номер оси входит в область номеров управляемых осей. Ось, заданная как ось управления нормальным направлением, не задана как ось вращения (ROTx, бит 0 параметра ном. 1006) = 1 и ном. 1022=0). Задайте скорость подачи, при которой должно выполняться вращение вокруг оси управления нормальным направлением движения, в параметре ном. 5481, в диапазоне от 1 до 15000 мм/мин. |
|
1508 |
ДУБЛИРОВАНИЕ М КОДА(ИЗМЕНЕНИЕ НАПРАВЛЕНИЯ ДЕЛИТЕЛЬНОПОВОРОТНОГО СТОЛА) |
Имеется функция, которой задан такой же М-код. (индексирование делительно-поворотного стола) |
|
1509 |
ДУБЛИРОВАНИЕ М-КОДА (ОРИЕНТИРОВАНИЕ ОСИ ПОЗИЦИОНИРОВАНИЯ ШПИНДЕЛЯ) |
Имеется функция, которой задан такой же М-код. (позиционирование шпинделя, ориентация) |
|
1510 |
ДУБЛИРОВАНИЕ М-КОДА (ПОЗИЦИОНИРОВАНИЕ ОСИ ПОЗИЦИОНИРОВАНИЯ ШПИНДЕЛЯ) |
Имеется функция, которой задан такой же М-код. (позиционирование шпинделя, позиционирование) |
|
1511 |
ДУБЛИРОВАНИЕ М-КОДА (РАЗБЛОКИРОВКА ОСИ ПОЗИЦИОНИРОВАНИЯ ШПИНДЕЛЯ) |
Имеется функция, которой задан такой же М-код. (позиционирование шпинделя, отмена режима) |
|
1533 |
ПОТЕРЯ ЗНАЧИМОСТИ АДРЕСА F (G95) |
Скорость подачи оси сверления отверстий, рассчитанная по кодам F и S, слишком медленная в режиме подачи за один оборот. |
|
1534 |
ПЕРЕПОЛНЕНИЕ АДРЕСА F (G95) |
Скорость подачи оси сверления отверстий, рассчитанная по кодам F и S, слишком быстрая в режиме подачи за один оборот. |
|
1537 |
ПОТЕРЯ ЗНАЧИМОСТИ АДРЕСА F (ПЕРЕРЕГУЛИРОВАНИЕ) |
Скорость, полученная применением перерегулирования к функции F, слишком медленная. |
|
1538 |
ПЕРЕПОЛНЕНИЕ АДРЕСА F (ПЕРЕРЕГУЛИРОВАНИЕ) |
Скорость, полученная применением перерегулирования к функции F, слишком быстрая. |
|
1541 |
НУЛЕВОЙ S-КОД |
«0» был задан в качестве S-кода. |
|
1543 |
НЕВЕРНАЯ НАСТРОЙКА ПЕРЕДАЧИ |
Передаточное число между шпинделем и шифратором положения или заданный номер шифратора положения импульсов неверен в функции позиционирования шпинделей. |
|
1544 |
S-КОД ПРЕВЫСИЛ МАКСИМУМ |
S команда превышает максимальное число вращений шпинделя. |
|
1548 |
НЕВЕРНЫЙ РЕЖИМ ОСИ |
Ось позиционирования шпинделя (серия T)/ ось контурного управления Cs была задана во время переключения режима управления осью. |
|
1561 |
НЕВЕРНЫЙ УГОЛ ИНДЕКСИРОВАНИЯ |
Заданный угол вращения не является целым множителем минимального угла индексирования. |
|
1564 |
ОСЬ ДЕЛИТЕЛЬНО-ПОВОРОТНОГО СТОЛА СОВМЕСТНО С ДРУГОЙ ОСЬЮ |
Ось делительно-поворотного стола и другая ось были заданы в одном блоке. |
|
1567 |
ДУБЛИРОВАНИЕ КОМАНДЫ ОСИ ДЕЛИТЕЛЬНО-ПОВОРОТНОГО СТОЛА |
Индексирование делительно-поворотного стола было задано при перемещении оси, или ось, для которой последовательность индексирования делительно-поворотного стола не была завершена. |
|
1590 |
ОШИБКА TH |
Во время считывания с устройства ввода обнаружена ошибка TH. Код, вызвавший при считывании ошибку TH, и количество операторов до него от блока можно проверить в окне диагностики. |
|
1591 |
ОШИБКА TV |
Ошибка TV обнаружена в единичном блоке. Проверка TV может быть отменена присвоением TVC в параметре ном. 0000#0 значения «0». |
|
1592 |
КОНЕЦ ЗАПИСИ |
Код EOR (Конец записи) задан в середине блока. Данный сигнал тревоги также порождается, если процентное отношение в конце программы ЧПУ считывается. Для функции перезапуска программы данный сигнал тревоги порождается, если заданный блок не найден. |
|
1593 |
ОШИБКА ЗАДАНИЯ ПАРАМЕТРА EGB |
Ошибка в задании параметра, связанного с EGB 1) Неверная настройка SYN, бит 0 параметра ном. 2011. 2) Ведомая ось, заданная G81, не задана как ось вращения. (ROT, бит 0 параметра ном. 1006) 3) Число импульсов за оборот (не задан параметр (ном. 7772 или ном. 7773)). |
|
1594 |
ОШИБКА ФОРМАТА EGB |
Ошибка в формате блока команды EGB 1) T (число зубьев) не задано в блоке G81. 2) В блоке G81 данные, заданные для T, L, P или Q, находятся вне соответствующего диапазона действительных значений. 3) В блоке G81 задана только одна из команд P и Q. |
|
1595 |
НЕПРАВИЛЬНАЯ КОМАНДА В РЕЖИМЕ EGB |
В ходе синхронизации с EGB была дана команда, которую нельзя было давать. (1) Команда ведомой оси с использованием G27, G28, G29, G30, G33, G53 и т. д. 2) Команда преобразования дюймовых/метрических единиц с использованием G20, G21, и т.д. |
|
1596 |
ПЕРЕПОЛНЕНИЕ EGB |
Возникло переполнение в расчете коэффициента синхронизации. |
|
1805 |
НЕВЕРНАЯ КОМАНДА |
[Устройство ввода/вывода] Была произведена попытка задать неверную команду в ходе обработки в устройстве ввода/вывода. [Возврат на референтную позицию G30] Номера адреса P для задания возврата на 2-ю, 3-ю и 4-ю референтную позицию — не 2, 3 и 4. [Выстой единичного оборота] Заданное вращение шпинделя равно «0», если задан выстой единичного оборота. |
|
1806 |
НЕСООТВЕТСТВИЕ ТИПА УСТРОЙСТВА |
Операция, невозможная на устройстве ввода/вывода, которая в настоящий момент выбрана в настройке, была задана. Данный сигнал тревоги также порождается, если перемотка файла задана несмотря на то, что устройство ввода/вывода не является кассетой FANUC. |
|
1807 |
ОШИБКА НАСТРОЙКИ ПАРАМЕТРА |
Задан неверный интерфейс ввода/вывода. Настройки внешнего устройства ввода/вывода и скорость двоичной передачи, стоповый бит и настройки выбора протокола ошибочны. |
|
1808 |
УСТРОЙСТВО ОТКРЫТО ДВАЖДЫ |
Была сделана попытка открыть устройство, к которому была попытка доступа. |
|
1820 |
НЕВЕРНОЕ СОСТОЯНИЕ СИГНАЛА DI |
1) Предварительно заданный сигнал оси системы координат заготовки был изменен на «1» в состоянии, когда все оси на контуре, включая ось, по которой выполняется преднастройка для осей системы координат заготовки, не были остановлены, или в момент выполнения команды. 2) Когда был задан М-код для выполнения преднастройки с предварительно заданным сигналом для осей системы координат заготовки, не был введен сигнал для каждой оси системы координат заготовки. 3) Активна блокировка вспомогательной функции. |
|
1823 |
ОШИБКА КАДРА (1) |
Стоповый бит символа, полученный от устройства ввода/вывода, соединенный с интерфейсом считывающего перфоратора 1, не был обнаружен. |
|
1830 |
DR ОТКЛ. (2) |
Сигнал готовности ввода набора данных DR устройства ввода/вывода, подключенного к интерфейсу считывающего перфоратора 2, отключен. |
|
1832 |
ОШИБКА ПЕРЕПОЛНЕНИЯ (2) |
Следующий символ был получен от устройства ввода/вывода, подключенного к интерфейсу считывающего перфоратора 2 до того, как он смог считать полученный предварительно символ. |
|
1833 |
ОШИБКА КАДРА (2) |
Стоповый бит символа, полученный от устройства ввода/вывода, соединенный с интерфейсом считывающего перфоратора 2, не был обнаружен. |
|
1834 |
ОШИБКА БУФЕРИЗАЦИИ (2) |
ЧПУ получило более 10 символов данных от устройства ввода/ вывода, подключенного к интерфейсу считывающего перфоратора 2, хотя ЧПУ послало код останова (DC3) в ходе принятия данных. |
|
1912 |
ОШИБКА ДРАЙВЕРА V-УСТРОЙСТВА (ОТКРЫТО) |
При управлении драйвером устройства возникла ошибка. |
|
1960 |
ОШИБКА ДОСТУПА (КАРТА ПАМЯТИ) |
Неправильный доступ к карте памяти Данный сигнал тревоги также порождается в ходе считывания, если считывание осуществляется до конца файла без регистрации кода EOR. |
|
1961 |
НЕ ГОТОВО (КАРТА ПАМЯТИ) |
Плата памяти не готова. |
|
1962 |
КАРТА ЗАПОЛНЕНА (КАРТА ПАМЯТИ) |
Карта памяти заполнена полностью. |
|
1963 |
КАРТА ЗАЩИЩЕНА (КАРТА ПАМЯТИ) |
Карта памяти защищена от записи. |
|
1964 |
НЕ УСТАНОВЛЕНА (КАРТА ПАМЯТИ) |
Невозможна установка карты памяти. |
|
1965 |
КАТАЛОГ ЗАПОЛНЕН (КАРТА ПАМЯТИ) |
Файл нельзя создать в корневом каталоге карты памяти. |
|
1966 |
ФАЙЛ НЕ НАЙДЕН (КАРТА ПАМЯТИ) |
Заданный файл не найден в карте памяти. |
|
1967 |
ФАЙЛ ЗАЩИЩЕН (КАРТА ПАМЯТИ) |
Карта памяти защищена от записи. |
|
1968 |
НЕВЕРНОЕ ИМЯ ФАЙЛА (КАРТА ПАМЯТИ) |
Неверное имя файла карты памяти |
|
1969 |
НЕВЕРНЫЙ ФОРМАТ (КАРТА ПАМЯТИ) |
Проверить имя файла. |
|
1970 |
НЕВЕРНАЯ КАРТА (КАРТА ПАМЯТИ) |
Нельзя использовать эту карту памяти. |
|
1971 |
ОШИБКА УДАЛЕНИЯ (КАРТА ПАМЯТИ) |
Во время удаления информации с карты памяти возникла ошибка. |
|
1972 |
НИЗКИЙ ЗАРЯД БАТАРЕИ (КАРТА ПАМЯТИ) |
Садится батарея карты памяти. |
|
1973 |
ФАЙЛ УЖЕ СУЩЕСТВУЕТ |
Файл, имеющий то же имя, уже существует на карте памяти. |
|
2032 |
ОШИБКА ВСТРОЕННОЙ СЕТИ ETHERNET/СЕРВЕРА данных |
От функции встроенной сети Ethernet/сервера данных вернулось сообщение об ошибке. Подробные сведения см. в окне сообщений об ошибках встроенной сети Ethernet или сервера данных. |
|
2051 |
#200-#499 НЕВЕРНЫЙ Р-КОД ОБЩЕГО ВВОДА МАКРОКОМАНД (НЕТ ОПЦИИ) |
Была произведена попытка ввести общую переменную пользовательской макрокоманды, не существующей в системе. |
|
2052 |
#500-#549P ОБЩИЙ ВЫБОР КОДА МАКРОКОМАНДЫ (НЕЛЬЗЯ ИСПОЛЬЗОВАТЬ SETVN) |
Нельзя ввести имя переменной. Нельзя использовать команду SETVN с общими переменными макрокоманды кода P #500 — #549. |
|
2053 |
НОМЕР #30000 НЕ ИМЕЕТ СООТВЕТСТВИЯ |
Была произведена попытка ввести переменную только Р-кода, не существующую в системе. |
|
2054 |
НОМЕР #40000 НЕ ИМЕЕТ СООТВЕТСТВИЯ |
Была произведена попытка ввести расширенную переменную только Р-кода, не существующую в системе. |
|
4010 |
НЕВЕРНОЕ ДЕЙСТВИТЕЛЬНОЕ ЗНАЧЕНИЕ OBUF : |
Действительное значение буфера вывода ошибочно. |
|
5006 |
СЛИШКОМ МНОГО СЛОВ В ОДНОМ БЛОКЕ |
Число слов в блоке превышает максимально допустимое. Максимум 26 слов. Однако эта цифра варьируется в зависимости от опций ЧПУ. Разделите команду на два блока. |
|
5007 |
СЛИШКОМ БОЛЬШОЕ РАССТОЯНИЕ |
Из-за коррекции, вычисления точки пересечения, интерполяции или подобных причин было задано расстояние перемещения, превышающее максимально допустимое расстояние. Проверьте заданные координаты или величины коррекции. |
|
5009 |
НУЛЕВОЙ ПАРАМЕТР (ХОЛОСТОЙ ХОД) |
Параметр скорости подачи холостого хода ном. 1410 или параметр максимальной скорости рабочей подачи ном. 1430 для каждой оси был установлен на 0. |
|
5010 |
КОНЕЦ ЗАПИСИ |
Код EOR (Конец записи) задан в середине блока. Данный сигнал тревоги также порождается, если процентное отношение в конце программы ЧПУ считывается. |
|
5011 |
НУЛЕВОЙ ПАРАМЕТР (МАКС. РЕЗАНИЕ) |
Параметр максимальной скорости рабочей подачи ном. 1430 был установлен на 0. |
|
5014 |
НЕ НАЙДЕНЫ ДАННЫЕ ТРАССИРОВКИ |
Нельзя произвести трассировку из-за отсутствия данных трассировки. |
|
5016 |
НЕВЕРНАЯ КОМБИНАЦИЯ М-КОДОВ |
В блоке заданы М-коды, принадлежащие одной группе. Или же М-код, который необходимо задать в блоке без других М-кодов, задан в блоке вместе с другими М-кодами. |
|
5018 |
ОШИБКА СКОРОСТИ ШПИНДЕЛЯ ПРИ ПОЛИГОНАЛЬНОЙ ОБРАБОТКЕ |
В режиме G51.2 скорость шпинделя или полигональной синхронной оси либо превышает значение фиксации, либо слишком низкая. Таким образом, невозможно поддерживать заданное соотношение скорости вращения. Для полигональной обточки между шпинделями: Более подробные сведения о причине этого сигнала тревоги см. в DGN ном. 471. |
|
5020 |
ОШИБКА ПАРАМЕТРА ПЕРЕЗАПУСКА |
Недействительное значение задано в параметре ном. 7310, указывающем порядок осей для перемещения по ним инструмента в позицию возобновления обработки на холостом ходу. В этом параметре можно задавать значение в диапазоне от 1 до числа управляемых осей. |
|
5046 |
НЕВЕРНЫЙ ПАРАМЕТР (КОРРЕКЦИЯ ПРЯМОЛИНЕЙНОСТИ) |
Заданное значение параметра, связанное с простой коррекцией прямолинейности, содержит ошибку. Возможные причины: 1) Несуществующий номер оси задан в параметре оси перемещения или коррекции. 2) Неправильное соотношение величины номеров точек коррекции прямолинейности. 3) Не обнаружена точка простой коррекции прямолинейности между крайними удаленными точками коррекции в отрицательной и положительной областях. 4) Коррекция на точку коррекции слишком велика или слишком мала. |
|
5064 |
РАЗЛИЧНЫЕ ЕДИНИЦЫ ОСЕЙ |
Круговая интерполяция была задана в плоскости, состоящей из осей, имеющих различные системы приращений. |
|
5065 |
РАЗЛИЧНЫЕ ЕДИНИЦЫ ОСЕЙ (ОСЬ PMC) |
Оси, имеющие различные системы приращений, были заданы в одной и той же группе DI/DO для осевого управления с помощью РМС. Измените настройку параметра ном. 8010. |
|
5073 |
НЕТ ДЕСЯТИЧНОЙ ТОЧКИ |
В адресе, предусматривающем десятичную точку, не задана десятичная точка. |
|
5074 |
ОШИБКА ДУБЛИРОВАНИЯ АДРЕСА |
В одном блоке один и тот же адрес задан два или более раз. Или в одном блоке задано два или более G-кодов, принадлежащих к одной группе. |
|
5110 |
НЕВЕРНЫЙ G-КОД (РЕЖИМ КОНТ. УПР. AI) |
Недопустимый G-код был задан при управлении с расширенным предпросмотром, управлении AI с расширенным предпросмотром или контурном управлении AI. |
|
5131 |
НЕСОВМЕСТИМАЯ КОМАНДА ЧПУ |
Управление осью PMC и интерполяция в полярных координатах были заданы одновременно. |
|
5195 |
НЕВОЗМОЖНО ОПРЕДЕЛИТЬ НАПРАВЛЕНИЕ |
Измерение недействительно при функции прямого ввода измеренного значения коррекции на инструмент B. [Для 1-контактного ввода] 1) Направление записанных импульсов непостоянно. Например, состояние останова может быть задано во время режима записи коррекции, может быть введено состояние отключения сервосистемы, или возможно изменение направления. 2) Инструмент перемещается вдоль двух осей (ось X и ось Y). [Для определения направления перемещения при 4-контактном вводе] 1) Направление записанных импульсов непостоянно. Например, состояние останова может быть задано во время режима записи коррекции, может быть введено состояние отключения сервосистемы, или возможно изменение направления. 2) Инструмент перемещается вдоль двух осей (ось X и ось Z). 3) Направление, указанное сигналом записи коррекции на инструмент, не соответствует направлению перемещения оси. |
|
5220 |
РЕЖИМ РЕГУЛИРОВКИ РЕФЕРЕНТНОЙ ТОЧКИ |
Для линейной шкалы кодировки расстояния I/F параметр автоматического задания референтной точки (ном.1819#2) имеет значение «1». Переместить станок на референтную позицию вручную и выполнить возврат на референтную позицию вручную. |
|
5257 |
G41/G42 ЗАПРЕЩЕНЫ В РЕЖИМЕ MDI |
Коррекция на радиус инструмента/на радиус вершины инструмента была задана в режиме MDI. (В зависимости от настройки параметра MCR (ном. 5008#4)) |
|
5303 |
ОШИБКА СЕНСОРНОЙ ПАНЕЛИ |
Сенсорная панель не подключена правильно или не может быть инициализирована при включении питания. Устраните причину, затем снова включите питание. |
|
5305 |
НЕВЕРНЫЙ НОМЕР ШПИНДЕЛЯ |
В функции выбора шпинделя по адресу P для управления несколькими шпинделями, 1) Адрес P не задан. 2) P-код для выбора шпинделя не задан в параметре ном. 3781. 3) Задан неверный G-код, невозможный с командой S_P_;. 4) Многошпиндельное управление не активировано, так как бит 1 (EMS) параметра ном. 3702 имеет значение 1. 5) Номер усилителя шпинделя для каждого шпинделя не задан в параметре ном. 3717. 6) Команда шпинделя выполнена из контура, в котором она запрещена (параметр ном. 11090). 7) Неверная настройка параметра ном. 11090. |
|
5306 |
ОШИБКА ПЕРЕКЛЮЧЕНИЯ РЕЖИМА |
Не удалось выполнить переключение режима при активации. Попытка выполнить быстрый вызов макропрограммы была сделана не в состоянии сброса или во время сброса либо аварийного останова. |
|
5329 |
М98 И КОМАНДА ЧПУ В ОДНОМ БЛОКЕ |
Вызов подпрограммы, не являющейся единичным блоком, был задан в режиме постоянного цикла. |
|
5339 |
КОМАНДА В НЕВЕРНОМ ФОРМАТЕ ВЫПОЛНЕНА ПРИ СИНХ./СМЕШ./НАЛОЖ. УПРАВЛЕНИИ. |
1. Недействительно значение P, Q или L, заданное посредством G51.4/G50.4/G51.5/G50.5/G51.6/G50.6. 2. Двойное значение задан параметром ном. 12600. |
|
5346 |
ВОЗВРАТ НА РЕФЕРЕНТНУЮ ТОЧКУ |
Не выполнено назначение координат для оси контурного управления Cs. Выполните ручной возврат на референтную позицию. 1) Если назначение координат Cs выполнено для оси Cs, для которой сигнал состояния референтной позиции оси CsCSPENx имеет значение 0 2) Если данные позиции не отправлены усилителем шпинделя 3) Если состояние отключения сервосистемы введено во время запуска назначения координат оси Cs 4) Если состояние аварийного останова введено во время назначения координат оси Cs 5) Если ось Cs находится в режиме синхронного или наложенного управления 6) Если предпринята попытка отменить комплексное управление для оси Cs во время назначения координат оси Cs 7) Если предпринята попытка запустить синхронное, комплексное или наложенное управление для оси Cs во время назначения координат оси Cs |
|
5362 |
ПРЕОБРАЗОВАНИЕ ДЮЙМ/ММ В РЕФ. ПОЗ. |
Преобразование дюймы/метрические единицы было выполнено в позиции, отличной от референтной позиции. Выполните преобразование дюймы/метрические единицы после возврата на референтную позицию. |
|
5391 |
НЕВОЗМОЖНО ИСПОЛЬЗОВАТЬ G92 |
Невозможно задать настройку системы координат заготовки G92. 1) После того, как коррекция на длину инструмента была изменена коррекция по типу смещения на длину инструмента, команда G92 была задана без абсолютной команды. 2) Команда G92 была задана в блоке, содержащем G49. |
|
5395 |
ПРЕВЫШЕНИЕ КОЛИЧЕСТВА ОСЕЙ CS |
Число осей, назначаемых для осевого контурного управления Cs, превышает максимально допустимое в системе число. Проверьте параметр ном. 1023. При возникновении этого сигнала тревоги состояние аварийного останова нельзя сбросить. |
|
5445 |
НЕВОЗМОЖНО ЗАДАТЬ ПЕРЕМЕЩЕНИЕ В G39 |
Круговая интерполяция в углу (G39) для коррекции на радиус инструмента/на радиус вершины инструмента задана не отдельно, а с командой перемещения. |
|
5446 |
ИЗБЕЖАНИЕ В G41/G42 НЕВОЗМОЖНО |
Поскольку отсутствует вектор избежания столкновения, функция избежания столкновения для коррекции на радиус инструмента/на радиус вершины инструмента не работает. |
|
5447 |
ОПАСНОЕ ИЗБЕЖАНИЕ В G41/G42 |
Операция функции избежания столкновения для коррекции на радиус инструмента/на радиус вершины инструмента ведет к опасности. |
|
5448 |
ИЗБЕЖАНИЕ СТОЛКНОВЕНИЯ В G41/G42 |
В функции избежания столкновения для коррекции на радиус инструмента/на радиус вершины инструмента созданный вектор избежания столкновения приводит к последующему столкновению. |
Схемы ЧПУ FANUC CNC
|
Блок-схема подкючения ЧПУ FANUC CNC 0i |
|
Оставить заявку на ремонт ЧПУ FANUC CNC 0i, oi, m
Оставить заявку на ремонт можно с помощью специальной формы, которая вызывается нажатием одноименной кнопки в верхней части страницы. Все вопросы, связанные с ремонтом ЧПУ FANUC CNC 0i в Ялте, вы можете задать нашим менеджерам. Связаться с ними можно несколькими способами:

- Заполнив форму заявки на ремонт (кнопка в правом верхнем углу сайта)
- Позвонив по номеру телефона:
- +7(8482) 79-78-54;
- +7(8482) 55-96-39;
- +7(917) 121-53-01
- Написав на электронную почту: 89171215301@mail.ru
Вот далеко не полный список производителей промышленной электроники и оборудования, ремонтируемой в нашей компании.

