Ремонт Simodrive 611 в Алуште
SIEMENS SIMODRIVE 611, срочный ремонт
Компания «Кернел» производит срочный ремонт SIMODRIVE 611 в Алуште с 2002 года. За это время мы накопили колоссальный опыт в том числе опыт в ремонте промышленного оборудования такого известного производителя как SIEMENS. Ремонт подобной промышленной электроники ответственное и сложное занятие, требующие максимальной отдачи, профессионализма и предельно полной материальной базе.
Специалисты нашего сервисного центра уделяют максимальное внимание к качеству исполнения ремонта, особенно такому сложному промышленному оборудованию как SIMODRIVE 611. Именно поэтому мы смело даем гарантию на все выполненные работы шесть месяцев, и на замененные в процессе ремонта модуля 6SN1145 запасные части, ткакже шесть месяцев.
Ремонт SIEMENS SIMODRIVE 611 в Алуште производится исключительно с использованием оригинальных запасных частей, на компонентном уровне с применением высокотехнологичного диагностического оборудования, квалифицированным персоналом с инженерным образованием, имеющим колоссальный опыт ремонта промышленного оборудования.
Если на вашем производстве появились проблемы с блоком питания SIMODRIVE 611, которые вы не можете решить самостоятельно, мы всегда рады вам помочь. Обращайтесь в сервисный центр «Кернел». Специалисты нашей компании в минимальные сроки проведут глубокую диагностику и последующий ремонт SIMODRIVE 611. Оставьте заказ на ремонт оборудования используя форму на сайте.
Ремонт SIMODRIVE 611 в сервисном центре, преимущества
Специалисты нашей компании выполнят качественный ремонт SIMODRIVE 611 в максимально сжатые сроки, мы выполняем все возможные виды ремонта промышленного оборудования. При восстановлении блока питания SIMODRIVE в нашем сервисном центре вы гарантированно получаете:
- Глубокую диагностику неисправного блока с выявлением неисправных компонентов;
- Замену неисправных компонентов на новые;
- Ремонт SIMODRIVE 611 в максимально сжатые сроки;
- Проверку отремонтированного блока на специальном стенде;
- Оригинальные запасные части;
- Гарантию на все ремонтные работы 6 месяцев;
- Гарантию на запасные части 6 месяцев.
Компания «Кернел» предлагает квалифицированный ремонт силового модуля - SIMODRIVE 611 в Алуште в сжатые сроки по цене от 20% до 40% от стоимости нового оборудования. За время существования компании, наши инженеры отремонтировали не одну тысячу единиц промышленного оборудования, постоянно повышая свою квалификацию.
К сожалению, от поломок оборудования никто не застрахован, в зависимости от разных факторов, рано или поздно, любое оборудование выходит из строя, силовой модуль Siemens SIMODRIVE 611 не исключение. В данной ситуации на помощь придет наша компания, и инженеры, профессионализм которых не ставится под сомнение.
Мы ценим своих клиентов и делаем упор на качество выполненных работ, а также время его выполнения. Ниже представлен не полный список модулей питания – рекуперации SIMODRIVE 611, ремонтируемые в нашем сервисном центре.
6SN1123−1AA00−0LA; 6SN1123−1AA01−0FA; 6SN1123−1AA02−0FA; 6SN1123−1AA02−0JA; 6SN1123−1AA02−0KA; 6SN1123−1AB00−0AA; 6SN1123−1AB00−0BA; 6SN1123−1AB00−0CA; 6SN1123−1AB00−0HA; 6SN1124−1AA00−0AA; 6SN1124−1AA00−0BA; 6SN1124−1AA00−0CA; 6SN1124−1AA00−0DA; 6SN1124−1AA00−0EA; 6SN1124−1AA00−0HA; 6SN1124−1AA00−0JA; 6SN1124−1AA00−0KA; 6SN1124−1AA00−0LA; 6SN1124−1AA01−0FA; 6SN1124−1AB00−0AA; 6SN1124−1AB00−0BA; 6SN1124−1AB00−0CA; 6SN1124−1AB00−0HA; 6SN1125−1AA00−0CA; 6SN1125−1AA00−0DA; 6SN1125−1AA00−0EA; 6SN1125−1AA00−0KA; 6SN1147−1BB00−0CA; 6SN1147−1BB00−0DA; 6SN1147−1BB00−0FA; 6SN1161−1DA00−0AA.
Нерегулируемые и регулируемые модули питания SIMODRIVE 611
Силовые модули или как их еще называют модули питания SIMODRIVE 6SN11 делятся на два различных типа и имеют свои рабочие характеристики и область применения.
- Нерегулируемые модули питания SIMODRIVE 611
- Регулируемые модули питания SIMODRIVE 611
Нерегулируемые модули питания SIMODRIVE 6SN11 применяются в приводах с минимальными требованиями к динамике разгона и торможения, а также с нечастыми и короткими циклами останова с минимальным потреблением электроэнергии. Формула расчета для подбора нерегулируемых модулей питания (SK line / P rated UI ≥ 30), где SK line: мощность короткого замыкания в сети, а P rated UI: номинальная мощность модуля.
Регулируемые модули питания SIMODRIVE 6SN11 напротив применяются в системах приводов с высоким требованиям к динамике они способны работать частыми циклами с большой энергией торможения. Они оснащены специальным коммутирующим дросселем с помощью которого стабилизируется напряжение до постоянного значения. Благодаря модулю I/RF обратно в сеть возвращается избыточная энергия, возникающая в процессе торможения, что способствует экономии электроэнергии. Формула расчета для подбора нерегулируемых модулей питания (SK line / P rated UI ≥ 60 … 100), где SK line: мощность короткого замыкания в сети, а P rated UI: номинальная мощность модуля.
О блоке питания – рекуперации SIMODRIVE 611
Блоки питания и рекуперации SIMODRIVE 611 предназначены в различных промышленных сферах, на заземленных сетях. В случае отсутствия возможности заземления сети в цепь питания включается трансформатор с раздельными обмотками в группе соединений. Тоесть потребуется трансформатор адаптивный к модулю питания SIMODRIVE 611.
Блоки питания – рекуперации SIMODRIVE 611 имеют шести импульсную мостовую схему 3-х фазного тока. Совместимость обеспечивается чувствительными к любому току защитными устройствами FI, на сегодняшний день имеются устройства номиналом до 63A.
Для отключения от несовместимых сетей FI необходимо использовать развязывающий трансформатор на ряду с другими мерами защиты от крайне опасных корпусных токов.
Сетевой фильтр ограничивает ток утечки до значений <150 мА. Таким образом, чувствительные к любому току защитные выключатели FI с номинальным током утечки в 300 мА могут использоваться для противопожарной защиты, а также защиты людей при касании.
Благодаря модульной системе возможно реализовывать разнообразные конфигурации приводов. Таким образом, появляется возможность сквозного проектирования для любых установок, от компактного станка до громадной комплексной установки.
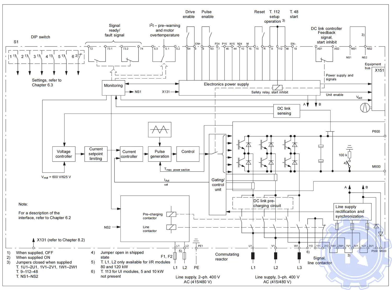
Схемы SIMODRIVE 611
|
Блок-схема модуля питания от сети (I / R) |
Трехпроводное соединение (стандартная схема) |
|
|
Оставить заявку на ремонт SIMODRIVE 611
Оставить заявку на ремонт можно с помощью специальной формы, которая вызывается нажатием одноименной кнопки в верхней части страницы. Все вопросы, связанные с ремонтом SIMODRIVE 611 в Алуште, вы можете задать нашим менеджерам. Связаться с ними можно несколькими способами:

- Заполнив форму заявки на ремонт (кнопка в правом верхнем углу сайта)
- Позвонив по номеру телефона:
- +7(8482) 79-78-54;
- +7(8482) 55-96-39;
- +7(917) 121-53-01
- Написав на электронную почту: 89171215301@mail.ru


