Ошибки и ремонт сервопривода Beijer в Арарате
Ремонт сервопривода Beijer
Сервисный центр «Кернел» предлагает выполнить качественный ремонт сервопривода Beijer в Арарате на компонентном уровне в максимально сжатые сроки. Сервопривод относятся к сложной промышленной электронике именно поэтому ремонтом сервоприводов BEIJER, впрочем, как и других производителей должны заниматься специалисты, имеющие не только высшее техническое образование, но и солидный опыт в ремонте подобной промышленной электроники.
Также для восстановления подобного промышленного оборудования понадобится хорошая материально-техническая база. При выполнении всех выше перечисленных условий, шансы на успешный ремонт сервопривода Beijer возрастают в геометрической прогрессии.
Именно поэтому за ремонтом сервоприводов, независимо от производителя лучше всего обращаться в специализированный сервисный центр, который отвечает всем техническим требованиям, такой как Кернел. Наш цент имеет отличную материально-техническую базу, а за время существования с 2002 года специалисты компании накопили бесценный опыт в том числе опыт в ремонте сервоприводов BEIJER.
Особенности ремонта сервопривода Beijer
Ремонт сервоприводов Beijer имеет ряд индивидуальных особенностей, это связано с конструктивными особенностями данного промышленного оборудования. По аналогии с частотными преобразователями они состоят из двух взаимосвязанных частей, это:
- Аппаратная часть;
- Программная часть.
В первую очередь ремонтируется аппаратная часть промышленного сервопривода. После глубокой диагностики неисправного блока выявляются все неисправные компоненты, которые в последствии заменяются на оригинальные запасные части (по возможности), в случае если сервопривод уже давно снят с производства и найти оригинальные запчасти просто невозможно они заменяются на аналоги.
Данный вид ремонта называется компонентным. От других видов его отличает две немаловажные детали.
- Значительное удешевление ремонта;
- Существенное сокращение времени ремонта.
По завершении ремонта аппаратной части сервопривода наступает очередь программной. В зависимости от серии выбирается программный продукт и зашивается в блок.
Заключительный этап ремонта сервопривода BEIJER это проверка на специализированном стенде. Все блоки проверяются без нагрузки и с нагрузкой не менее двух часов.
Коды ошибок сервопривода Beijer
При обнаружении неисправности при работе сервопривода будет активирована соответствующая защита и выведено предупреждающее сообщение на дисплей сервоуслилителя или цифрового пульта. Коды неисправностей приведены в таблице ниже.
Все коды ошибок сервоприводов Beijer BSD-L7NHA и BSD-L7NHB представлены в руководстве пользователя (manual) в файле ниже.
Смотреть все выводимые ошибки сервопривода Beijer BSD-L7NHA.
Смотреть все выводимые ошибки сервопривода Beijer BSD-L7NHB.
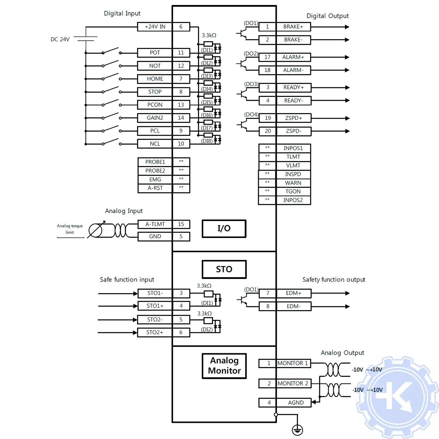
Схемы
Схемы типовых подключений сервоприводов Beijer
В некоторых случает может понадобится схема подключения сервоприводов, ниже мы показаны схемы сервопривода BEIJER серий BSD-L7NHA и BSD-L7NHB.
|
Схема подключения с напрямую управляемым моторным тормозом BEIJER BSD-L7NHA |
Схема подключения с непосредственным управлением через дополнительное реле BEIJER BSD-L7NHB |
|
|
Конфигурация и подключение сервоприводов Beijer
|
Соединение с внешними устройствами сервоприводов Beijer BSD- L7NHA, конфигурация |
Соединение с внешними устройствами сервоприводов Beijer BSD- L7NHB, конфигурация |
|
|
Преимущество ремонта сервоприводов Beijer в нашем сервисном центре
Во время эксплуатации электроприводов BEIJER может возникнуть проблема, далеко не всегда возникшую проблему можно исправить на месте своими силами, наш сервисный центр готов вам в этом помочь, выполнив качественный ремонт сервоприводов BEIJER в сжатые сроки с полугодовой гарантией.
Мы не только восстановим неисправный блок, но и подскажем как действовать в той или иной ситуации для максимально долгой и безаварийной работы сервопривода.
Работы, проводимые при ремонте сервопривода Beijer в Арарате:

- Предварительный осмотр на возможность восстановления бесплатный;
- Мы производим ремонт сервопривода BEIJER на компонентном уровне (экономия бюджета и времени)
- При ремонте сервоприводов ни каких конструктивных изменений не вносим;
- Ремонт блоков с применением оригинальных запасных частей (по возможности).
- Вы платите исключительно за результат - работающий сервопривод;
- Гарантия на ремонт сервопривода Beijer и на запасные части замененные в процессе ремонта 6 месяцев;
- Сроки ремонта варьируются от 5 до 15 рабочих дней;
За два десятилетия существования сервисного центра нашими специалистами были успешно проведены тысячи подобных ремонтов с каждым разом поднимая квалификацию наших инженеров. Ниже представлен далеко не полный список сервоприводов BEIJER серий BSD-L7NHA, BSD-L7NHB и BSD-L7PA ремонтируемые в нашем сервисном центре.
|
Ремонт сервопривода Beijer |
BSD-L7NHA001U-2 |
|
Ремонт сервопривода Beijer |
BSD-L7NHA002U-2 |
|
Ремонт сервопривода Beijer |
BSD-L7NHA004U-2 |
|
Ремонт сервопривода Beijer |
BSD-L7NHA010U-2 |
|
Ремонт сервопривода Beijer |
BSD-L7NHB010U-4 |
|
Ремонт сервопривода Beijer |
BSD-L7NHB020U-4 |
|
Ремонт сервопривода Beijer |
BSD-L7NHB035U-4 |
|
Ремонт сервопривода Beijer |
BSD-L7NHB050U-4 |
|
Ремонт сервопривода Beijer |
BSD-L7NHB075U-4 |
|
Ремонт сервопривода Beijer |
BSD-L7NHB150U-4 |
|
Ремонт сервопривода Beijer |
BSD-L7PA001U-2 |
|
Ремонт сервопривода Beijer |
BSD-L7PA002U-2 |
|
Ремонт сервопривода Beijer |
BSD-L7PA004U-2 |
|
Ремонт сервопривода Beijer |
BSD-L7PA010U-2 |
В таблице представлены исключительно сервопривода BEIJER серий BSD-L7NHA, BSD-L7NHB и BSD-L7PA ремонт которых мы вам предлагаем, также специалисты нашей компании ремонтируют сервопривода не зависимо от серии и под каким брендом они были выпущены.
Оставить заявку на ремонт сервопривода Beijer
У вас остались вопросы, связанные с ремонтом или сбросом ошибок, а также программированием и настройкой сервоприводов BEIJER? Оставьте заявку на ремонт сервопривода Beijer в Арарате нашим менеджерам. Связаться с ними можно несколькими способами:

- Заполнив форму заявки на ремонт (кнопка в правом верхнем углу сайта)
- Позвонив по номеру телефона:
- +7(8482) 79-78-54;
- +7(8482) 55-96-39;
- +7(917) 121-53-01
- Написав на электронную почту: 89171215301@mail.ru




