Ремонт частотного преобразователя Rockwell Automation Allen Bradley Powerflex в Армянске
Особенности ремонта частотных преобразователей Allen Bradley

Ремонт частотного преобразователя Rockwell Automation Allen Bradley Powerflex известного американского производителя промышленной электроники, впрочем, как и ремонт частотников выпущенными под другими брендами имеет ряд особенностей в силу своего конструктива. Частотные преобразователи, точнее их начинка делятся на две части:
- Аппаратная часть,
- Программная часть.
Приводы данного производителя не являются исключением из правил, именно поэтому ремонт частотного преобразователя Allen Bradley имеет точно такой же ряд особенностей, как и у других преобразователей.
Диагностировать ту или иную неисправность помогают коды ошибок частотного преобразователя, которые отображаются на небольшом дисплее, расположенном на лицевой панели частотника.
Ремонт частотных преобразователей Rockwell Automation Allen Bradley Powerflex, впрочем, как и любых других частотников выпущенных под другими брендами всегда начинается с аппаратной части, после успешного ремонта аппаратной части наступает очередь программной.
Настройка частотного преобразователя Allen Bradley прописана в инструкции завода производителя, для каждой серии частотных преобразователей настройка будет индивидуальной, так как каждая линейка преобразователей решает свои собственные задачи, этим обусловливается широкая номенклатура данного промышленного оборудования. Но все же есть определенная последовательность настройки привода, которая относится ко всем частотным преобразователям, любого бренда.
Программирование, настройка частотного преобразователя Allen Bradley
Программирование частотных преобразователей Rockwell Automation Allen Bradley Powerflex (настройка) происходит в рамках установленных производителем правил, существует общий алгоритм по настройке (программированию частотных преобразователей), который относится ко всем производителям данного промышленного оборудования. Ниже представлена пошаговая инструкция по настройке частотных преобразователей Allen Bradley и подобного промышленного оборудования других брендов.

- Выбор режима управления приводом (управление по показанию датчиков, дистанционное управление, дистанционное управление).
- В случае использования отдельного (выносного) монитора, настраивается вывод на него технической информации.
- Далее определяем конфигурацию подключения серводвигателя. На данной стадии задаются такие параметры как- возможность применения обратной связи либо без ее применения, а в память блока заносятся данные по: величине крутящего момента, мощности потребителей, номинальное значения частоты, напряжение, ток и скорости вращения ротора.
- Программируется минимально допустимая величина напряжения и частоты, а также время ускорения ротора от ноля до номинального значения.
- И в завершении, в программу управления частотным преобразователем Allen Bradley вносятся функциональные данные со значениями отдельных клемм и особенностями сигналов. Отмечаются действия оборудования, выполняющиеся автоматически при отсутствии информации поступающей в оперативном режиме с датчика.
В некоторых преобразователях частоты существует пункт наличия/отсутствия фильтра в цепи питания двигателя. Этот пункт отвечает за подключение различных видов нагрузок, в том случае, когда возможно выбрать нормальное или инверсное изменение частоты при повышении уровня сигнала обратной связи.
Ошибки частотного преобразователя Allen Bradley

В процессе работы выходит из строя даже самое надежное промышленное оборудование. Частотники в наше время, нашли широкое применение абсолютно во всех сферах промышленности, управляя как мини моторами в оргтехнике, так и гигантскими двигателями в горнодобывающей промышленности.
Для простоты общения со столь сложной электроникой все частотные преобразователи оснащены небольшими дисплеями с помощью которых выводятся информационные сообщения с кодами ошибок, расшифровав которые можно сразу же узнать причину ее возникновения. Если учесть распространенность данной промышленной электроники, то появляется острая нужда в расшифровке кодов ошибок частотных преобразователей. В этой статье мы рассмотрим одного из самых известных производителей промышленной электроники имеющему уважение во всем мире, Rockwell Automation Allen Bradley и серию частотных преобразователей Powerflex 520.
Существует несколько видов ошибок, некоторые из них можно устранить автоматически, а некоторые возможно исправить только, обратившись в специализированный сервисный центр. В руководстве пользователя прописаны все коды ошибок частотного преобразователя Rockwell Automation Allen Bradley Powerflex 520 и их расшифровка.
Коды ошибок частотного преобразователя Allen Bradley Powerflex 520
Ошибка – это условие, останавливающее преобразователь. Существует два типа аварий.
| Тип | Ошибка | Описание |
|---|---|---|
| 1 | С автоматическим сбросом/запуском | Если произошла ошибка этого типа, а для параметра A541 [Auto Rstrt Tries] установлено значение больше «0», запускается настраиваемый пользователем таймер A542 [Auto Rstrt Delay]. Когда таймер достигает нуля, преобразователь предпринимает попытку автоматического сброса ошибки. И в том случае, если условия, вызвавшего ошибку, больше не существует, произойдёт сброс ошибки и преобразователь снова будет запущен. |
| 2 | Несбрасываемая | Этот тип ошибки может потребовать ремонта преобразователя или двигателя, он может быть вызван неправильным подключением кабелей или допущенными в программе ошибками. Для сброса ошибки необходимо устранить её причину. |
| Поз. | Ошибка | Тип | Описание |
|---|---|---|---|
| F000 | Нет ошибки | - | Ошибка отсутствует. |
| F002 | Дополнительный вход | 1 | Вход внешнего отключения (вспом.). |
| F003 | Потеря питания | 2 | В однофазном режиме обнаружена чрезмерная нагрузка. |
| F004 | Пониженное напряжение | 1 | Напряжение шины постоянного тока упало ниже минимального значения. |
| F005 | Перенапряжение | 1 | Напряжение на шине постоянного тока превышает максимальное значение. |
| F006 | Двигатель заблокирован | 1 | Преобразователь не подходит для разгона или торможения двигателя. |
| F007 | Перегрузка двигателя | 1 | Сработал встроенный электронный ограничитель нагрузки. |
| F008 | Перегрев радиатора | 1 | Температура радиатора/модуля питания вышла за пределы допуска. |
| F009 | Перегрев контр.узла | 1 | Температура модуля управления превышает заданное значение. |
| F012 | Превышение аппаратного тока | 2 | Выходной ток преобразователя превысил допустимый предел. |
| F013 | Ошибка заземления | 2 | Обнаружено замыкание на землю одной или нескольких выходных клемм преобразователя. |
| F015(1) | Потеря нагрузки | 2 | Выходной ток крутящего момента ниже значения, установленного параметром A490 [Load Loss Level], в течение времени, превышающего установленное параметром A491 [Load Loss Time]. |
| F021 | Обрыв фазы вывода | 1 | Обрыв фазы вывода (если включена). Настраивается при помощи A557 [Out Phas Loss En]. |
| F029 | Обрыв аналог. ввода | 1 | Для аналогового входа задано сообщение об ошибке в случае пропадания сигнала. Пропал сигнал. Настраивается при помощи t094 [Anlg In V Loss] или t097 [Anlg In mA Loss]. |
| F033 | Попытки авт. перезапуска | 2 | Предпринятые преобразователем попытки сброса ошибки и продолжения работы оканчивались неудачей столько раз, сколько было задано в параметре A541 [Auto Rstrt Tries]. |
| F038 F039 F040 |
Фаза U на землю Фаза V на землю Фаза W на землю |
2 | Ошибка замыкания фазы на землю была обнаружена между преобразователем и двигателем в этой фазе. |
| F041 F042 F043 |
Короткое замыкание фаз U и V Короткое замыкание фаз U и W Короткое замыкание фаз V и W |
2 | Между двумя данными клеммами обнаружено превышение по току. |
| F048 | Запись в параметры значений по умолчанию | 1 | Преобразователь подал команду записи в ЭППЗУ значений по умолчанию. |
| F059(1) | Откр.безопасн. | 1 | Отключены оба защитных входа (Safety 1, Safety 2). Настраивается при помощи t105 [Safety Open En]. |
| F063 | Превышение по току | 1 | Запрограммированное значение A486, A488 [Shear Pinx Level] превышено на период, превышающий время, заданное в A487, A489 [Shear Pin x Time]. |
| F064 | Перегрузка преобразователя | 2 | Превышена допустимая перегрузка преобразователя. |
| F070 | Блок питания | 2 | Обнаружена ошибка питания преобразователя. |
| F071 | Потеря сети DSI | 2 | Управление по Modbus или каналу связи DSI прервано. |
| F072 | Потеря сети Opt | 2 | Управление по удалённой сети платы выбора подключений прервано. |
| F073(1) | Потеря сети EN | 2 | Управление через встроенный адаптер EtherNet/IP прервано. |
| F080 | Ошибка автоподстройки | 2 | Произошла ошибка функции автонастройки или работа функции отменена пользователем. |
| F081 | Потеря DSI Comm | 2 | Связь между преобразователем и ведущим устройством Modbus или DSI прервана. |
| F082 | Потеря Opt Comm | 2 | Связь между преобразователем и сетевой платой выбора подключений прервана. |
| F083(1) | Потеря EN Comm | 2 | Внутренняя связь между преобразователем и встроенным адаптером EtherNet/IP прервана. |
| F091(1) | Потеря энкодера | 2 | Необходим дифференциальный энкодер. Отсутствует сигнал в одном из двух каналов энкодера. |
| F094 | Потеря функции | 2 | Вход «Замораживание-запуск» (потеря функции) не активен, вход к программируемой клемме открыт. |
| F100 | Ошибка контрольной суммы параметра | 2 | Энергонезависимая память параметров преобразователя повреждена. |
| F101 | Внешняя память | 2 | Внешняя энергонезависимая память повреждена. |
| F105 | Ошибка соед. контр. узла | 2 | Модуль управления отсоединён во время включения преобразователя. |
| F106 | Несовместим. контр. уз. – блок пит. | 2 | Модуль управления не может распознать модуль питания. |
| F107 | Замен. контр. уз. – блок пит. | 2 | Модуль управления установлен на модуль питания с отличающейся номинальной мощностью. |
| F109 | Несоотв. контр. уз. – блок пит. | 2 | Модуль управления установлен на модуль питания с отличающейся номинальной мощностью. |
| F110 | Мембранная клавиатура | 2 | Ошибка/отсоединение мембранной клавиатуры. |
| F111(1) | Защитное оборудование | 2 | Аппаратная ошибка включения защитного оборудования. Один из защитных входов не включён. |
| F114 | Сбой микропроц. | 2 | Сбой микропроцессора |
| F122 | Ошибка платы ввода-вывода | 2 | Обнаружен сбой в секции ввода- вывода и управления преобразователя. |
| F125 | Требуется обновление флеш-памяти | 2 | Встроенное ПО в преобразователе повреждено, не согласовано или несовместимо с аппаратурой. |
| F126 | NonRecoverablErr | 2 | Была обнаружена неустранимая ошибка встроенного ПО или аппаратуры. Преобразователь был автоматически остановлен и выполнен сброс. |
| F127 | DSIFlashUpdatReq | 2 | Была обнаружена существенная проблема со встроенным ПО, и преобразователь работает с использованием резервного встроенного ПО, которое поддерживает только связь DSI. |
(1) Эта ошибка неприменима к преобразователям PowerFlex 523.
Частотный преобразователь Allen Bradley инструкция на русском, скачать
Все настройки частотных преобразователей Rockwell Automation Allen Bradley Powerflex приведены в технической документации ниже в удобном формате (PDF) который можно скачать на свой компьютер, распечатать или просто открыть на нашем сайте.
Промышленный частотный преобразователь Allen Bradley инструкции, скачать русскоязычные и англоязычные версии в формате PDF.
|
Частотный преобразователь Allen Bradley PowerFlex 4 инструкция |
|
|
Частотный преобразователь Allen Bradley PowerFlex 4M инструкция |
|
|
Частотный преобразователь Allen Bradley PowerFlex 40 инструкция |
|
|
Частотный преобразователь Allen Bradley PowerFlex 40P инструкция |
|
|
Частотный преобразователь Allen Bradley PowerFlex 70 инструкция |
|
|
Частотный преобразователь Allen Bradley PowerFlex 400 инструкция |
|
|
Частотный преобразователь Allen Bradley PowerFlex 520 инструкция на руссокм |
|
|
Частотный преобразователь Allen Bradley PowerFlex 520 технические характеристики на русском |
|
|
Частотный преобразователь Allen Bradley PowerFlex 700AFE инструкция на русском |
|
|
Частотный преобразователь Allen Bradley PowerFlex 700L инструкция |
|
|
Частотный преобразователь Allen Bradley PowerFlex 700 инструкция на русском |
|
|
Частотный преобразователь Allen Bradley PowerFlex 750 инструкция на русском |
|
|
Частотный преобразователь Allen Bradley PowerFlex 750 инструкция по монтажу на русском |
|
|
Частотный преобразователь Allen Bradley PowerFlex-750 инструкция по программированию на русском |
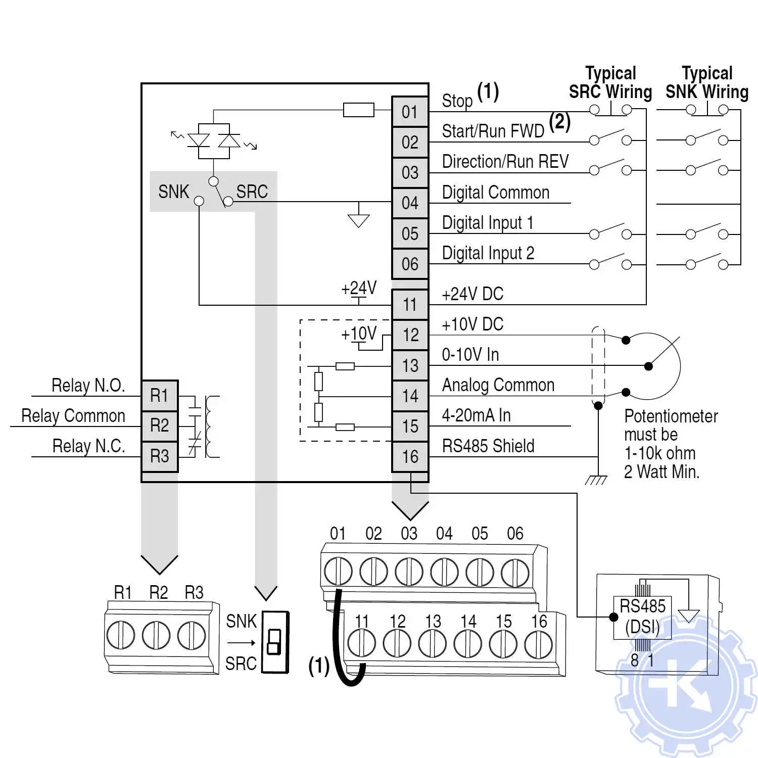
Схемы подключения частотных преобразователей Allen Bradley
Схемы подключений частотных преобразователей Allen Bradley могут отличатся друг от друга даже если эти преобразователи относятся ко одной линейке. Схема подключения преобразователя зависит от потребляемой частотным преобразователем нагрузки или питающей сети к которой подключается частотник 200V – 380V, а также от оборудования с которым предполагается работа данного частотника.
Ниже приведены схемы подключения частотного преобразователя Allen Bradley.
Ремонт частотных преобразователей Allen Bradley в сервисном центре

Сервисный центр «Кернел» производит ремонт частотных преобразователей Rockwell Automation Allen Bradley Powerflex в Армянске с 2002 года. За время существования компании наши сотрудники накопили колоссальный опыт в ремонте преобразователей частоты такого известного производителя как Ален Бредли. Ремонт подобного промышленного оборудования ответственное и сложное занятие, требующие максимальной отдачи, профессионализма и максимально полной материальной базе.
Специалисты нашего сервисного центра максимальное внимание уделяют качеству исполнения ремонта, программирования и настройке промышленных преобразователей частоты, не зависимо от производителя данного промышленного оборудования. Именно поэтому мы смело даем гарантию на ремонт частотных преобразователей Rockwell Automation Allen Bradley Powerflex и запасные части замененные в процессе ремонта шесть месяцев.
Ремонт частотных преобразователей Allen Bradley в Армянске производится исключительно с использованием оригинальных запасных частей, на компонентном уровне с применением высокотехнологичного оборудования, квалифицированным персоналом с инженерным образованием.
Мы ремонтируем все линейки частотных преобразователей Allen Bradley в том числе:
| Серия ПЧ | Типы частотных преобразователей Rockwell Automation Allen Bradley Powerflex |
|---|---|
| PowerFlex 755 | 20G11GD2P1JA0NNNNN; 20G11GD3P4JA0NNNNN; 20G11GD5P0JA0NNNNN; 20G11GD8P0JA0NNNNN; 20G11GD011JA0NNNNN; 20G11GD014JA0NNNNN; 20G11GD022JA0NNNNN; 20G11GD027JA0NNNNN; 20G11GD034JA0NNNNN; 20G11GD040JA0NNNNN; 20G11GD052JA0NNNNN; 20G11GD065JA0NNNNN; 20G11GD077JA0NNNNN; 20G1AJD430JN0NNNNN; 20G1AJD485JN0NNNNN; 20G1AJD545JN0NNNNN; 20G1AJD617JN0NNNNN; 20G1AJD710JN0NNNNN; 20G1AJD740JN0NNNNN; 20G11JD800JN0NNNNN; 20G11JD960JN0NNNNN; 20G11JD1K0JN0NNNNN; 20G11JD1K2JN0NNNNN; 20G11JD1K3JN0NNNNN; 20G11JD1K4JN0NNNNN; 20G11JD1K5JN0NNNNN; 20G11JD2K0JN0NNNNN; 20G11RB2P2JA0NNNNN; 20G11RB4P2JA0NNNNN; 20G11RB6P8JA0NNNNN; 20G11RB9P6JA0NNNNN; 20G11RB015JA0NNNNN; 20G11NB2P2JA0NNNNN; 20G11NB4P2JA0NNNNN; 20G11NB6P8JA0NNNNN; 20G11NB9P6JA0NNNNN; 20G11NB015JA0NNNNN; 20G11NB022JA0NNNNN; 20G11NB028JA0NNNNN; 20G11NB042JA0NNNNN; 20G11NB054JA0NNNNN; 20G11NB070JA0NNNNN; 20G11NB080JA0NNNNN |
| PowerFlex 753 | 20F11RB2P2JA0NNNNN; 20F11RB4P2JA0NNNNN; 20F11RB6P8JA0NNNNN; 20F11RB9P6JA0NNNNN; 20F11RB015JA0NNNNN; 20F11NB2P2JA0NNNNN; 20F11NB4P2JA0NNNNN; 20F11NB6P8JA0NNNNN; 20F11NB9P6JA0NNNNN; 20F11NB015JA0NNNNN; 20F11NB022JA0NNNNN; 20F11NB028JA0NNNNN; 20F11NB042JA0NNNNN; 20F11NB054JA0NNNNN; 20F11NB070JA0NNNNN; 20F11NB080JA0NNNNN; 20F11GB2P2JA0NNNNN; 20F11GB4P2JA0NNNNN; 20F11GB6P8JA0NNNNN; 20F11GB9P6JA0NNNNN; 20F11GB015JA0NNNNN; 20F11GB022JA0NNNNN; 20F11GB028JA0NNNNN; 20F11GB042JA0NNNNN; 20F11GB054JA0NNNNN; 20F11GB070JA0NNNNN; 20F11FB2P2JA0NNNNN; 20F11FB4P2JA0NNNNN; 20F11FB6P8JA0NNNNN; 20F11FB9P6JA0NNNNN; 20F11FB015JA0NNNNN; 20F11FB022JA0NNNNN; 20F11FB028JA0NNNNN; 20F11FB042JA0NNNNN; 20F11FB054JA0NNNNN; 20F11FB070JA0NNNNN; 20F11FB080JA0NNNNN |
| PowerFlex 755TL PowerFlex 755TR PowerFlex 755TM |
20G1xxC302xNxNNNNN-Cx-Px; 20G1xxC367xNxNNNNN-Cx-Px; 20G1xxC460xNxNNNNN-Cx-Px; 20G1xxC540xNxNNNNN-Cx-Px; 20G1xxC585xNxNNNNN-Cx-Px; 20G1xxC650xNxNNNNN-Cx-Px; 20G1xxC750xNxNNNNN-Cx-Px; 20G1xxC770xNxNNNNN-Cx-Px; 20G1xxC920xNxNNNNN-Cx-Px; 20G1xxC1K0xNxNNNNN-Cx-Px; 20G1xxC1K1xNxNNNNN-Cx-Px; 20G1xxD302xNxNNNNN-Cx-Px; 20G1xxD505xNxNNNNN-Cx-Px; 20G1xxD710xNxNNNNN-Cx-Px; 20G1xxD960xNxNNNNN-Cx-Px; 20G1xxD1K3xNxNNNNN-Cx-Px; 20G1xxD1K6xNxNNNNN-Cx-Px; 20G1xxD2K6xNxNNNNN-Cx-Px; 20G1xxD3K4xNxNNNNN-Cx-Px; 20G1xxE242xNxNNNNN-Cx-Px; 20G1xxE295xNxNNNNN-Cx-Px; 20G1xxE435xNxNNNNN-Cx-Px; 20G1xxE690xNxNNNNN-Cx-Px; 20G1xxE980xNxNNNNN-Cx-Px; 20G1xxE1K2xNxNNNNN-Cx-Px; 20G1xxE2K4xNxNNNNN-Cx-Px; 20G1xxF215xNxNNNNN-Cx-Px; 20G1xxF330xNxNNNNN-Cx-Px; 20G1xxF415xNxNNNNN-Cx-Px; 20G1xxF650xNxNNNNN-Cx-Px; 20G1xxF920xNxNNNNN-Cx-Px; 20G1xxF1K4xNxNNNNN-Cx-Px; 20G1xxF1K8xNxNNNNN-Cx-Px; 20G1xxF2K3xNxNNNNN-Cx-Px; |
| PowerFlex 70 | 20AB2P2A0AYNNNC0; 20AB2P2A0AYNANC0; 20AB4P2A0AYNNNC0; 20AB4P2A0AYNANC0; 20AB6P8A0AYNNNC0; 20AB6P8A0AYNANC0; 20AB9P6A0AYNNNC0; 20AB9P6A0AYNANC0; 20AB015A0AYNANC0; 20AB022A0AYNANC0; 20AB028A0AYNANC0; 20AB042A0AYNANC0; 20AB054A0AYNANC0; 20AB070A0AYNANC0; 20AC1P3A0AYNNNC0; 20AC1P3A0AYNANC0; 20AC2P1A0AYNNNC0; 20AC2P1A0AYNANC0; 20AC3P5A0AYNNNC0; 20AC3P5A0AYNANC0; 20AC5P0A0AYNNNC0; 20AC5P0A0AYNANC0; 20AC8P7A0AYNNNC0; 20AC8P7A0AYNANC0; 20AC011A0AYNANC0; 20AC015A0AYNANC0; 20AC043A0AYNANC0; 20AE0P9A0AYNNNC0; 20AE3P9A0AYNNNC0; 20AE011A0AYNNNC0; 20AE022A0AYNNNC0; 20AE041A0AYNANC0; 20AB2P2C3AYNNNC0; 20AB022C3AYNANC0; 20AB070C3AYNANC0; 20AC2P1C3AYNNNC0; 20AD2P1C3AYNANC0; 20AD011C3AYNANC0; 20AC037C3AYNANC0; 20AD052C3AYNANC0; 20AC072C3AYNANC0 |
| PowerFlex 523 | 25A-V1P6N104; 25A-V2P5N104; 25A-V4P8N104; 25A-V6P0N104; 25A-A1P6N104; 25A-A1P6N114; 25A-A2P5N104; 25A-A2P5N114; 25A-A4P8N104; 25A-A4P8N114; 25A-A8P0N104; 25A-A8P0N114; 25A-A011N104; 25A-A011N114; 25A-B1P6N104; 25A-B2P5N104; 25A-B5P0N104; 25A-B8P0N104; 25A-B011N104; 25A-B017N104; 25A-B024N104; 25A-B032N104; 25A-B048N104; 25A-B062N104; 25A-D1P4N104; 25A-D2P3N114; 25A-D4P0N104; 25A-D6P0N114; 25A-D010N104; 25A-D013N114; 25A-D017N104; 25A-D024N114; 25A-D030N104; 25A-D037N114; 25A-E0P9N104; 25A-E1P7N104; 25A-E3P0N104; 25A-E4P2N104; 25A-E6P6N104; 25A-E9P9N104; 25A-E012N104; 25A-E019N104; 25A-E022N104; 25A-E027N104; 25A-E032N104 |
| PowerFlex 525 | 25B-V2P5N104; 25B-V4P8N104; 25B-V6P0N104; 25B-A2P5N104; 25B-A2P5N114; 25B-A4P8N104; 25B-A4P8N114; 25B-A8P0N104; 25B-A8P0N114; 25B-A011N104; 25B-A011N114; 25B-B2P5N104; 25B-B5P0N104; 25B-B8P0N104; 25B-B011N104; 25B-B017N104; 25B-B024N104; 25B-B032N104; 25B-B048N104; 25B-B062N104; 25B-D1P4N104; 25B-D2P3N114; 25B-D4P0N104; 25B-D6P0N114; 25B-D010N104; 25B-D013N114; 25B-D017N104; 25B-D024N114; 25B-D030N104; 25B-D037N114; 25B-E0P9N104; 25B-E1P7N104; 25B-E3P0N104; 25B-E4P2N104; 25B-E6P6N104; 25B-E9P9N104; 25B-E012N104; 25B-E022N104; 25B-E032N104 |
| PowerFlex 527 | 25C-V2P5N104; 25C-V4P8N104; 25C-V6P0N104; 25C-A2P5N104; 25C-A4P8N104; 25C-A8P0N104; 25C-A011N104; 25C-A2P5N114; 25C-A4P8N114; 25C-A8P0N114; 25C-A011N114; 25C-B2P5N104; 25C-B5P0N104; 25C-B8P0N104; 25C-B011N104; 25C-B017N104; 25C-B024N104; 25C-B032N104; 25C-B048N104; 25C-B062N104; 25C-D1P4N104; 25C-D2P3N104; 25C-D4P0N104; 25C-D6P0N104; 25C-D010N104; 25C-D013N104; 25C-D017N104; 25C-D024N104; 25C-D030N104; 25C-D1P4N114; 25C-D2P3N114; 25C-D4P0N114; 25C-D6P0N114; 25C-D010N114; 25C-D013N114; 25C-D017N114; 25C-D024N114; 25C-D030N114; 25C-D037N114; 25C-D043N114; 25C-E0P9N104; 25C-E1P7N104; 25C-E3P0N104; 25C-E4P2N104; 25C-E6P6N104; 25C-E9P9N104; 25C-E012N104; 25C-E019N104; 25C-E022N104; 25C-E027N104; 25C-E032N104 |
| PowerFlex 4M | 22F-V1P6N103; 22F-V2P5N103; 22F-V4P5N103; 22F-V6P0N103; 22F-A1P6N103; 22F-A1P6N113; 22F-A2P5N103; 22F-A2P5N113; 22F-A4P2N103; 22F-A4P2N113; 22F-A8P0N103; 22F-A8P0N113; 22F-A011N103; 22F-A011N113; 22F-B1P6N103; 22F-B2P5N103; 22F-B4P2N103; 22F-B8P0N103; 22F-B012N103; 22F-B017N103; 22F-B025N104; 22F-B033N104; 22F-D1P5N103; 22F-D1P5N113; 22F-D2P5N103; 22F-D2P5N113; 22F-D4P2N103; 22F-D4P2N113; 22F-D6P0N103; 22F-D6P0N113; 22F-D8P7N103; 22F-D8P7N113; 22F-D013N104; 22F-D013N114; 22F-D018N104; 22F-D018N114; 22F-D024N104; 22F-D024N114 |
| PowerFlex 400 | 22C-B012N103; 22C-B012F103; 22C-B017N103; 22C-B017F103; 22C-B024N103; 22C-B024F103; 22C-B033N103; 22C-B033F103; 22C-B049A103; 22C-B065A103; 22C-B075A103; 22C-B090A103; 22C-B120A103; 22C-B145A103; 22C-D6P0N103; 22C-D6P0F103; 22C-D010N103; 22C-D010F103; 22C-D012N103; 22C-D012F103; 22C-D017N103; 22C-D017F103; 22C-D022N103; 22C-D022F103; 22C-D030N103; 22C-D030F103; 22C-D038A103; 22C-D045A103; 22C-D060A103; 22C-D072A103; 22C-D088A103; 22C-D105A103; 22C-D142A103; 22C-D170A103; 22C-D208A103; 22C-D260A103; 22C-D310A103; 22C-D370A103; 22C-D460A103 |
| PowerFlex 4 | 22A-V1P5N104; 22A-V2P3N104; 22A-V4P5N104; 22A-V6P0N104; 22A-A1P4N103; 22A-A2P1N103; 22A-A3P6N103; 22A-A6P8N103; 22A-A9P6N103; 22A-A1P4N113; 22A-A2P1N113; 22A-A3P6N113; 22A-A6P8N113; 22A-A9P6N113; 22A-A1P5N114; 22A-A2P3N114; 22A-A4P5N114; 22A-A8P0N114; 22A-A1P5N104; 22A-A2P3N104; 22A-A4P5N104; 22A-A8P0N104; 22A-B1P5N104; 22A-B2P3N104; 22A-B4P5N104; 22A-B8P0N104; 22A-B012N104; 22A-B017N104; 22A-D1P4N104; 22A-D2P3N104; 22A-D4P0N104; 22A-D6P0N104; 22A-D8P7N104; 22B-A2P3N114 |
| PowerFlex 40 | 22B-V2P3N104; 22B-V5P0N104; 22B-V6P0N104; 22B-A5P0N114; 22B-A8P0N114; 22B-A012N114; 22B-A2P3N104; 22B-A5P0N104; 22B-A8P0N104; 22B-A012N104; 22B-B2P3N104; 22B-B5P0N104; 22B-B8P0N104; 22B-B012N104; 22B-B017N104; 22B-B024N104; 22B-B033N104; 22B-D1P4N104; 22B-D2P3N104; 22B-D4P0N104; 22B-D6P0N104; 22B-D010N104; 22B-D012N104; 22B-D017N104; 22B-D024N104; 22B-E1P7N104; 22B-E3P0N104; 22B-E4P2N104; 22B-E6P6N104; 22B-E9P9N104; 22B-E012N104; 22B-E019N104 |
| PowerFlex 40P | 22D-B2P3N104; 22D-B5P0N104; 22D-B8P0N104; 22D-B012N104; 22D-B017N104; 22D-B024N104; 22D-B033N104; 22D-B2P3H204; 22D-B5P0H204; 22D-B8P0H204; 22D-B012H204; 22D-B017H204; 22D-B024H204; 22D-B033H204; 22D-B2P3F104; 22D-B5P0F104; 22D-B8P0F104; 22D-B012F104; 22D-B017F104; 22D-B024F104; 22D-B033F104; 22D-D1P4N104; 22D-D2P3N104; 22D-D4P0N104; 22D-D6P0N104; 22D-D010N104; 22D-D012N104; 22D-D017N104; 22D-D024N104; 22D-D1P4F104; 22D-D2P3F104; 22D-D4P0F104; 22D-D6P0F104; 22D-D010F104; 22D-D012F104; 22D-D017F104; 22D-D024F104; 22D-E1P7H204; 22D-E3P0H204; 22D-E4P2H204; 22D-E6P6H204; 22D-E9P9H204; 22D-E012H204; 22D-E019H204 |
| PowerFlex 700 | 20BD011A3AYYADB0; 20BD8P0A3AYYAEB0; 20BD011A3NYNAED0; 20BD156A3ANNAED0; 20BC011A3AYYANC1; 20BD248A3AYNANC0; 20BH105A3AYNANA0; 20BD180A3ANNACB0; 20BC037A3AYNACA0; 20BE144A3AYNACD0; 20BC205A3ANNAEC0; 20BR156F0ANNAND0; 20BB015A3AYNBNB0; 20BD8P0A3NYNACD1; 20BB154A3ANNANB0; 20BB015A3AYNBEC0NNAD; 20BD077A3NYNANC0; 20BD180A3AYNACD0; 20BD8P0A3AYYACB0; 20BD8P0A3NYYAND0; 20BD180A3ANNADD1; 20BC022A3AYNANC1; 20BR180A3ANNANA0; 20BD125A3AYNAEB0; 20BE125A3ANNADD0; 20BR248A3AYNACC1; 20BE125A3ANNAND0; 20BC125A3ANNACA0; 20BC170A3NYNAEA0; 20BP105A3ANNAEC1; 20BP140F3ANNANC0; 20BD180A3ANNANC0NNAD; 20BP205A3ANNADC1; 20BD248A3ANNAEA0; 20BB154A3ANNACB0; 20BD8P0A3NYNADB0; 20BD125A3AYNAND0; 20BD248A3ANNAEB0; 20BD180A3ANNADD0; 20BD156A0NYNACC0 |
| PowerFlex 700S | 20DB015A3EYNACGNE; 20DD5P0A3NYYACGNE; 20DB022A3EYNACGNE; 20DB042A3EYNACGNE; 20DD077A3EYNANASE; 20DD3P4A3EYNACASE; 20DD180A3EYNAEASE; 20DC3P5A3EYNAEBSE; 20DR180A3NNNACHNE; 20DD027A3NYNANANE; 20DD052A3NYNANANE; 20DB4P2A0EYNANANE; 20DD5P0A3EYNAEBNE; 20DC037A0NYNANANE; 20DR156A0NNNACGNE; 20DD077A3EYNANDNK; 20DD052A0NYNANANE; 20DD027A0EYNANGNE; 20DD014A3NYYACBSE; 20DD034A0EYYANANE; 20DC8P7A0NYNANCNK; 20DR125A3ENNACASE; 20DD248A3ENNANGNE; 20DD027A3EYNACGNE; 20DD065A0NYNANANK; 20DH300N0ENNBNANK; 20LF705N0QNNJNB0KA; 20DD261A3EYNBEASE; 20DD156A0EYNACASE; 20DR125A0ENNACANE |
| PowerFlex 700L | 21LC1K2N0NNNTEZ0WA; 20LD650N3ENNEEASEA; 20LD650ACENNACA0EA; 20LC1K2ACENNAN10WA; 20LD1K2ACENNAEA0EA; 20LD650A0NNNANBSEA; 20LD1K2ACENNANDSLA; 20LC1K2N0QNNJNC0LA; 20LF380N0QNNEND0LA; 20LD650ACENNAND0LA; 20LD650N0QNNENA0LA; 20LD360N3ENNADDCLA; 20LD650N0QNNEND0LA; 20LD650ACENNA2CSLA; 20LF380N3ENNLNCBLA; 20LD650A0ENNANA0EA; 20LD650N0NNNLEBSEA; 20LC180N3ENNACBAEABB; 20LE425N0QNNENA0LA; 20LF705N0QNNJNA0LA; 20LD650ACENNACABEA; 20LF380N0QNNENB0LA; 20LD1K2N0QNNJND0LA; 20LD650A0ENNAND0LA; 20LE425N0ENNLNASEA; 20LD1K2N0ENNJNASEA; 20LC1K2N0QNNJND0LA; 20LF380N0QNNENA0LA; 20LD360N0ENNANC0LA; 20LD650ACENNA6CSLA |
В таблице указаны далеко не все типы частотных преобразователей Rockwell Automation Allen Bradley Powerflex ремонт которых выполняет сервисный центр "Кернел".
В случае выхода из строя преобразователя частоты на вашем производстве либо появились проблемы с приводом, которые вы не можете решить самостоятельно, мы всегда рады вам помочь. Специалисты нашего сервисного центра в минимальные сроки проведут глубокую диагностику с последующим ремонтом частотного преобразователя PowerFlex. Оставьте заказ на ремонт промышленного оборудования используя форму на сайте, либо свяжетесь с нашими менеджерами, сделать это очень просто.
Как заказать ремонт частотного преобразователя Allen Bradley
У вас остались вопросы, связанные с ремонтом частотных преобразователей Allen Bradley? Оставьте заявку на ремонт частотного преобразователя Rockwell Automation Allen Bradley Powerflex в Армянске нашим менеджерам. Связаться с ними можно несколькими способами:

- Заполнив форму заявки на ремонт (кнопка в правом верхнем углу сайта)
- Позвонив по номеру телефона:
- +7(8482) 79-78-54;
- +7(8482) 55-96-39;
- +7(917) 121-53-01
- Написав на электронную почту: 89171215301@mail.ru

Скачать PDF

