Ремонт систем ЧПУ в Армянске
Ремонт систем ЧПУ включает в себя услуги:
- Поэлементная диагностика числового программного управления;
- Определение и замена неисправных микросхем;
- Ремонт неисправных плат;
- Списывание и запись прошивок микросхем;
- Проверка работоспособности оборудования на стенде;
- Настройка;
- Подключение;
- Устранение электронных сбоев;
- Программирование и параметрирование;
- Наладка;
- Написание изменение программ;
- Техническое обслуживание;
- Возможность ремонта без электросхем;
- Ремонтируем устаревшее оборудование любых брендов, в том числе снятого с производства;
- Заключаем договора;
- Предоставляем гарантию на выполненные работы и запасные части один год.
Ремонт станков с системой ЧПУ
Ремонт систем ЧПУ станка, как и любой другой сложной промышленной электроники имеет свои особенности и методики.
Из-за сложного конструктива, к снижению качества может привести любая мелочь, в этом случае восстановление сложной промышленной электроники неизбежено. Ремонт станков с системой ЧПУ сложная и кропотливая работа, которую качественно может провести только высококвалифицированный персонал с высшем образованием и достаточным опытом по восстановлению подобного промышленного оборудования.
Ремонт систем ЧПУ станков это – работа целой команды, в которую входят:
- Электромонтер;
- Электронщик;
- Слесарь ремонтник;
- Оператор станка;
- Смазчик.
Сервисный центр «Кернел» производит ремонт систем ЧПУ станков в Армянске на элементном уровне. Основное направление нашей компании, это ремонт промышленной электроники, систем с числовым программным управлением и приводов КИП и А. Зачастую Специалисты нашей компании производят восстановление промышленной электроники, снятой с производства и без какой-либо сопроводительной документации.
Порядок проведения диагностики и ремонта
Проводя ремонт систем ЧПУ в Армянске, специалист нашей компании выполнит следующие обязательные последовательные шаги - это:
- Чистка неисправного модуля (пыль, грязь);
- Диагностика неисправного оборудования, оценка состояния;
- Диагностика программного обеспечения;
- Изменение параметров программного обеспечения (в случае обнаружения ошибки);
- Переустановка системы ЧПУ (полная или частичная)
- Проверка и ремонт электрооборудования (сервоприводов и датчиков- резольверов, энкодеров.)
- Программирование автоматики.
- Восстановление и переоснастка электрических шкафов;
- Финальная проверка оборудования.
Небольшой совет, который сбережет бюджет вашего предприятия - ремонт систем ЧПУ, как и другого подобного сложного промышленного оборудования с числовым программным управлением должны проводить в специализированных сервисных центрах, имеющие в своем арсенале не только новейшее диагностическое оборудование, но и высококвалифицированный персонал способный провести подобные сложнейшие, восстановительные мероприятия.
Мы выполняем качественный ремонт станков с числовым программным управлением в Армянске, независимо от бренда и года выпуска, а также благодаря накопленному опыту специалисты сервисного центра проведут ремонт даже без технической документации и электросхем для данного оборудования.
Ремонт систем ЧПУ, тонкости
Безотказная и точная работа станков с программным управлением зависит от соблюдения определенных правил эксплуатации и уходу за подобным оборудованием. Именно поэтому крайне важно, чтобы ремонт систем ЧПУ и обслуживание станков с системой числового программного управления выполнялись исключительно квалифицированными и опытными специалистами, имеющими богатый опыт в данной сфере.
К выходу из строя оборудования может привести даже не значительное отклонение от нормы, установленной в технических требованиях. Естественный износ в процессе использования и агрессивные среды в которых работают станки числовым программным управлением также напрямую влияют на сроки безаварийной работы.
Системы числового программного управления устанавливаются на станки, соответственно восстановление механических узлов и электронных модулей должен проходить параллельно, механиком и электронщиком, в этом случае ремонт систем ЧПУ имеет все шансы на успех.
В большинстве случаев неисправности, касающиеся механической части устраняются собственными силами, но все что касается электронной части, в частности ремонт систем ЧПУ требует особого подхода, привлечения высококвалифицированных специалистов и специализированного диагностического инструмента.
Ремонт с выездом на предприятие

Зачастую невозможно самостоятельно определить вышедший из строя блок числового программного управления, для этого необходимо специализированное диагностическое оборудование и непосредственно полное понимание принципа работы числового программного управления.
В этой ситуации мы предлагаем услугу выезда специалиста на территорию заказчика для точной диагностики и выявления вышедшего из строя модуля. Дополнительно возможна установка, настройка и программирование, а также все необходимое для запуска промышленного оборудования, оснащенного системой числового программного обеспечения.
Возможен выезд специалиста нашего сервисного центра в любую область Российской Федерации, а также стран СНГ. Для получения подобной услуги свяжитесь с менеджерами нашей компании.
Компания «Кернел» предлагает провести глубокую диагностику и последующий качественный ремонт систем ЧПУ станков с выездом на предприятие заказчика в сжатые сроки. Инженеры нашей компании постоянно повышают свою квалификацию и восстанавливают сложнейшие узлы и агрегаты, в том числе и станки с числовым программным управлением.
Подключение и настройка

Подключение абсолютно у каждого станка индивидуальное, поэтому описать данную тему даже в общих чертах практически невозможно. Единственно, что можно сказать, это то, что подключением числового программного управления должны заниматься квалифицированные электромеханики или электронщики.
Сервисный центр «Кернел» предоставляет услуги по подключению числового программного управления станков с выездом на производство заказчика. Профессиональный, квалифицированный инженер электронщик или электромеханик выполнит подключение с последующей настройкой оборудования.
Если вы заинтересованы в профессиональной помощи по подключению и последующей настройке, программированию числового программного управления, инженеры компании проведут данные работы, все что для этого нужно связаться с менеджерами "СЦ" и оставить заявку на выезд специалиста.
Ремонт в СЦ Кернел, преимущества
Ремонт систем ЧПУ производится исключительно с применением оригинальных запасных частей с применением высокотехнологичного новейшего оборудования на компонентном уровне.
Специалисты нашей компании выполнят ремонт систем ЧПУ станков в максимально сжатые сроки, мы выполняем все возможные шаги для качественного восстановления промышленной электроники. При ремонте систем ЧПУ станков вы гарантированно получаете:
- Глубокую диагностику с выявлением неисправных компонентов;
- Замену неисправных компонентов на новые;
- Ремонт в максимально сжатые сроки;
- Проверку отремонтированного блока на специальном стенде;
- Оригинальные запасные части;
- Списывание и записывание программ;
- Экономию от 40% до 80% от покупки нового блока;
- Гарантию на ремонт один год;
- Гарантию на запасные части один год.
За два десятилетия существования сервисного центра нашими специалистами были успешно проведены сотни подобных ремонтов, с каждым разом поднимая квалификацию наших инженеров.
Заказав ремонт систем ЧПУ в Армянске силами специалистов нашего сервисного центра, вы не только сэкономите приличную сумму в денежном эквиваленте, а также время и нервы. Все что для этого нужно это связаться с нашими менеджерами, оставить заявку на ремонт и доставить неисправный блок в сервисный центр.
Ошибки ЧПУ SINUMERIK
Ниже приведены ошибки из областей ядра числового программного управления, Profibus, циклов и PLC. Могут возникнуть другие ошибки из области HMI (Human Machine Interface). Ошибки числового программного управления отображаются в строке ошибок на пульте оператора.
Ошибки ЧПУ
|
Диапазоны номеров ошибок |
|
|
000 000 - 009 999 |
Общие ошибки |
|
010 000 - 019 999 |
Ошибки канала |
|
020 000 - 029 999 |
Ошибки осей/шпинделей |
|
030 000 - 099 999 |
Функциональные ошибки |
|
060 000 - 064 999 |
Ошибки циклов SIEMENS |
|
065 000 - 069 999 |
Ошибки циклов пользователя |
Ошибки и сообщение HMI
|
Диапазоны номеров ошибок |
|
|
100 000 - 100 999 |
Базовая система |
|
101 000 - 101 999 |
Диагностика |
|
102 000 - 102 999 |
Службы |
|
103 000 - 103 999 |
Станок |
|
104 000 - 104 999 |
Параметры |
|
105 000 - 105 999 |
Программирование |
|
106 000 - 106 999 |
Резерв |
|
107 000 - 107 999 |
OEM |
Ошибки и сообщения PLC
|
Диапазоны номеров ошибок |
|
|
400 000 - 499 999 |
Общие ошибки |
|
700 000 - 799 999 |
Область пользователя |
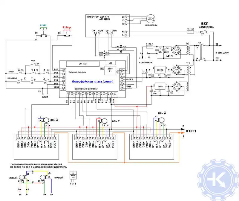
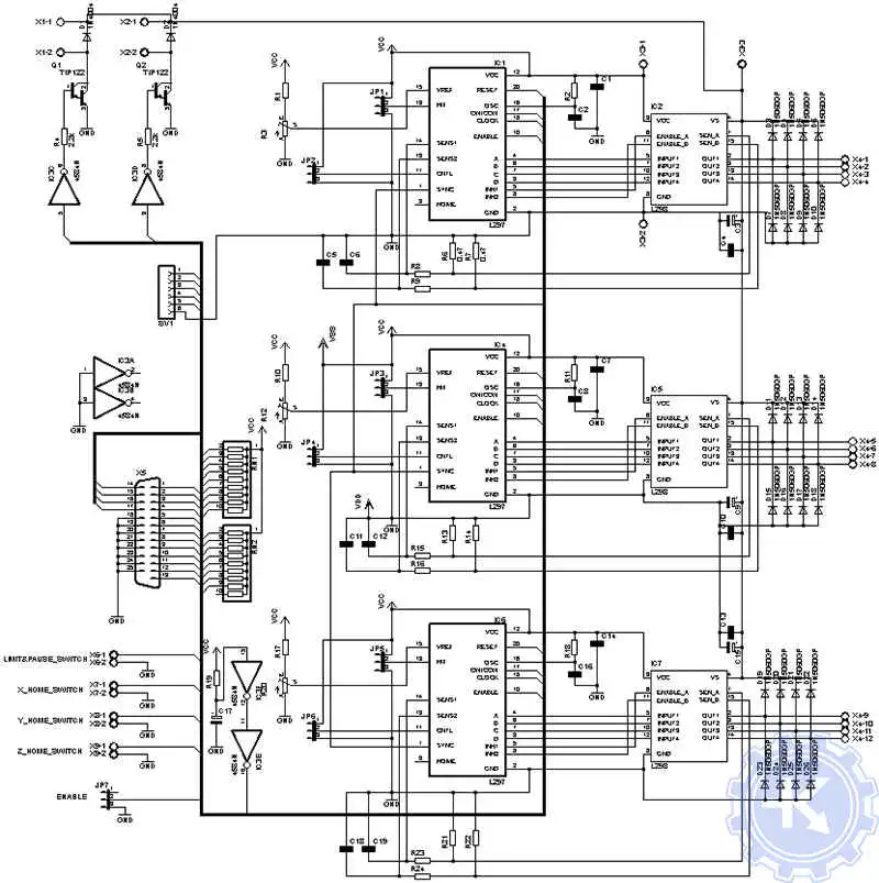
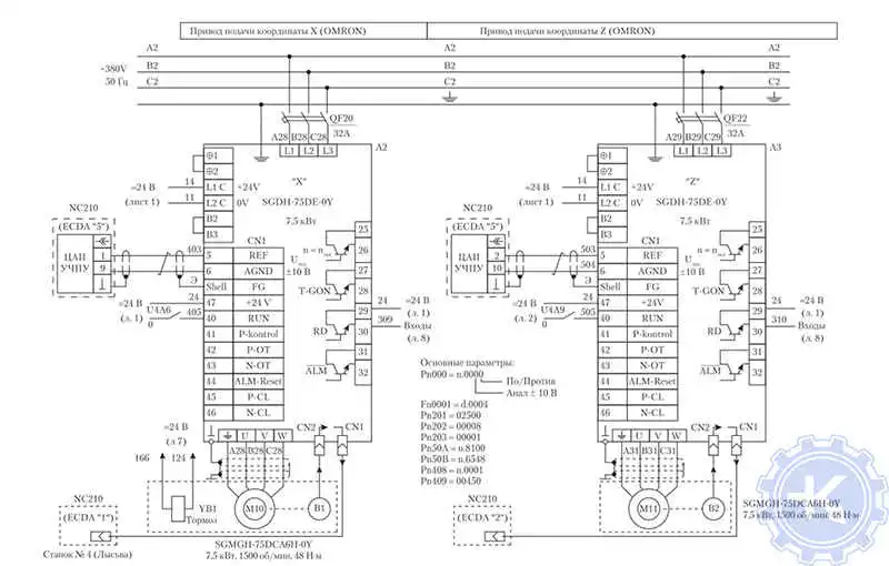
Схема ЧПУ станка
Существует множество производителей станков с числовым программным управлением, а модификаций самих станков сотни, я некого не удивлю если скажу, что схемы можно считать сотнями тысяч. Интернет переполнен, и ни одна схема числового программного управления не похожа на другую.
В основном это схемы промышленных станков от известных производителей, но есть множество схем ЧПУ для самостоятельного изготовления от микро-станка, располагающегося на столе до достаточно больших конструкций. Вот несколько интересных примеров.
|
Электрическая схема станка |
Схема с интерфейсной платой |
|
|
|
Схема контроллера чпу станка |
Электроприводы станков |
|
|
О станках с ЧПУ системами

ЧПУ- числовое программное управление, может устанавливаться на станки, привода асинхронных двигателей с векторным управлением, промышленные роботы, а также 3D- принтеры и сканеры.
Станки с установленным программным управлением принято называть «Станки с ЧПУ». Обслуживание и плановый ремонт систем ЧПУ станков служит для поддержания промышленного станочного оборудования в рабочем состоянии, своевременно выявляя возможные неполадки. ЧПУ станки являются сложными электронными приборами, способными обеспечивать полу автономную или автономную работу с высокой точностью исполнения.
На сегодняшний день подобная промышленная электроника в связке со станками нашла широкое применение на производственных площадках по всему миру. Станки, оснащенные системами числового программного управления, изготавливают самые разнообразные детали, выдерживая при этом высокую точность обработки.
Дополнительный плюс станков, оснащенных числовым программным управлением это высокая отказоустойчивость и способность работать в самых неблагоприятных условиях.
Оставить заявку на ремонт систем ЧПУ
У вас проблемы связанные с работой оборудования? Оставьте заявку на ремонт систем ЧПУ станков в Армянске нашим менеджерам. Связаться с ними можно несколькими способами:

- Заказав обратный звонок (кнопка в правом нижнем углу сайта)
- Посредством чата (кнопка расположена с левой стороны сайта)
- Позвонив по номеру телефона: +7(8482) 79-78-54; +7(917) 121-53-01
- Написав на электронную почту: 89171215301@mail.ru



















