Ошибки и ремонт сервопривода AXOR в Баткене
Ремонт сервопривода AXOR

Сервисный центр «Кернел» предлагает выполнить качественный ремонт сервопривода AXOR в Баткене на компонентном уровне в максимально сжатые сроки. Сервопривод относятся к сложной промышленной электронике именно поэтому ремонтом сервоприводов AXOR, впрочем, как и других производителей должны заниматься специалисты, имеющие не только высшее техническое образование, но и солидный опыт в ремонте подобной промышленной электроники.
Также для восстановления подобного промышленного оборудования понадобится хорошая материально-техническая база. При выполнении всех выше перечисленных условий, шансы на успешный ремонт сервопривода AXOR возрастают в геометрической прогрессии.
Именно поэтому за ремонтом сервоприводов, независимо от производителя лучше всего обращаться в специализированный сервисный центр, который отвечает всем техническим требованиям, такой как Кернел. Наш цент имеет отличную материально-техническую базу, а за время существования с 2002 года специалисты компании накопили бесценный опыт в том числе опыт в ремонте сервоприводов AXOR.
При возникновении проблем в работе сервоприводов AXOR обращайтесь в сервисный центр "Кернел", дайте вторую жизнь вашему оборудованию!
Особенности ремонта сервопривода AXOR

Ремонт сервопривода AXOR имеет ряд индивидуальных особенностей, это связано с конструктивными особенностями данного промышленного оборудования. По аналогии с частотными преобразователями они состоят из двух взаимосвязанных частей, это:
- Аппаратная часть;
- Программная часть.
В первую очередь ремонтируется аппаратная часть промышленного сервопривода. После глубокой диагностики неисправного блока выявляются все неисправные компоненты, которые в последствии заменяются на оригинальные запасные части (по возможности), в случае если сервопривод уже давно снят с производства и найти оригинальные запчасти просто невозможно они заменяются на аналоги.
Данный вид ремонта называется компонентным. От других видов его отличает две немаловажные детали.
- Значительное удешевление ремонта;
- Существенное сокращение времени ремонта.
По завершении ремонта аппаратной части сервопривода наступает очередь программной. В зависимости от серии выбирается программный продукт и зашивается в блок.
Заключительный этап ремонта сервопривода AXOR в Баткене это проверка на специализированном стенде. Все блоки проверяются без нагрузки и с нагрузкой не менее двух часов.
Ошибки сервопривода AXOR MicroBNet Digital, Magnum 400, MiniMagnum
Сервоприводы AXOR широко используются в различных отраслях благодаря своей надежности и точности. Однако, как и у любого сложного оборудования, у них могут возникать ошибки, которые требуют внимания и правильного устранения. В этой статье мы рассмотрим основные коды ошибок сервоприводов AXOR, их расшифровку и методы устранения.
Сервоприводы AXOR известны своей высокой производительностью и долговечностью. Они применяются в автоматизированных системах, робототехнике и других областях, где требуется точное управление движением. Но даже самые надежные устройства могут иногда выдавать ошибки, которые необходимо диагностировать и устранять для поддержания бесперебойной работы.
Основные коды ошибок и методы их устранения
Для удобства восприятия информация представлена в таблице:
| Код ошибки | Расшифровка | Методы устранения | Сброс ошибки |
|---|---|---|---|
| AL1 |
EEPROM alarm Error while memorising parameters to the drive's EEPROM or while reading parameters |
Disable the drive, try to memorise the parameter, then re-enable. | Reset itself |
| AL2 |
Overcurrent alarm Short circuit between U, V, W or toward earth. This causes the opening of the Relè OK contact and the disabling of the functioning. |
Disconnect the power, verify the wiring, then power again. | Not resettable |
| AL3 |
Drive Temperature alarm Heat sink temperature too high, >75°C. This causes the opening of the Relè OK contact and the disabling of the functioning. |
Disable the drive, verify:
|
Resettable |
| AL4 |
Hall alarm This alarm comes on if one or more of the hall cell's wires are disconnected. This causes the opening of the Relè OK contact and the disabling of the functioning. |
Disable the drive, verify the cell's wire connection, reset the alarm, then enable the drive. | Resettable |
| AL5 |
Encoder alarm This alarm comes on if one or more of the encoder channels are interrupted. This causes the opening of the Relè OK contact and the disabling of the functioning. |
Disable the drive, control the connections, reset the alarm, then enable the drive. If the alarm persists contact Axor. | Resettable |
| AL6 |
I2t Drive alarm The internal I2t function has reached the maximum permitted. The cause could be one of the following:
the amplifier dynamic costants: "KP", "KI" and "KD", could create useless current oscillation. This does not cause the disabling of the functioning, but it is possible to open or not open the Relè OK contact. |
It is only a message. The current is limited to the rated one, set in "Current" window. | Reset itself |
| AL7 |
Motor Temperature alarm Heat sink temperature too high. This causes the opening of the Relè Ok contact and the disabling of the functioning. |
Disable the drive:
Wait the motor has cool off, reset the alarm, then enable the drive. |
Resettable |
| AL8 |
Regenerative Resistance alarm The value I2t energy recovery has reached the maximum permitted. This causes the opening of the Relè Ok contact and the disabling of the functioning. |
Disable the drive:
Reset the alarm, then enable the drive. |
Resettable |
| AL9 |
Min/Max Voltage alarm Minimum or maximum converter voltage. This causes the opening of the Relè Ok contact and the disabling of the functioning. |
Disable the drive, wait the DC power supply voltage reaches the correct threshold, check the AC power supply input, then enable the drive. | Reset itself |
| AL10 |
Pre-Alarm Recovery alarm 80% of the I2t energy recovery has been reached. This does not cause the disabling of the functioning. |
It is only a message. Check the AC power supply input and the working cycles. This is a visual alarm, it anticipates the intervention of the "Maximum recovery" alarm. |
Reset itself |
| AL12 |
Resolver alarm Missing one or more resolver signals. This causes the opening of the Relè Ok contact and the disabling of the functioning. |
Disable the drive, control the resolver's contact, reset the alarm, then enable the drive. | Not resettable |
| AL14 |
Following Error The error between the position reference and the position feedback exceeds the "Max Position Error" parameter, because of the "Max Position Error" parameter is too small, or the dynamic gains of the velocity-positioning loop are wrong. This causes the opening of the Relè Ok contact and the disabling of the functioning. |
Disable the drive, check the Max Position Error parameter, check the dynamic gains, reset the alarm, then enable the drive. | Resettable |
| AL15 |
Limit Switch The two fixed limit switches have both been disabled or interrupted. This causes the opening of the Relè Ok contact and the disabling of the functioning. |
Disable the drive, check the limit switches and external connections, then enable the drive. | Reset itself |
| AL17 |
Overcurrent regen resistance circuit Possible short-circuit in the regen resistance circuit. This causes the opening of the Relè OK contact and the disabling of the functioning. |
Power off the drive, control the short-circuit, then power on the drive. | Not resettable |
| AL18 |
Mechanical Brake Overcurrent at the internal brake command or wrong connections. This causes the opening of the Relè Ok contact and the disabling of the functioning. |
Disconnect the power:
then power again. |
Not resettable |
Ошибки сервоприводов AXOR могут возникать по разным причинам, от проблем с питанием до механических неисправностей. Важно своевременно диагностировать и устранять эти ошибки для обеспечения надежной и продолжительной работы оборудования. Сервисный центр “Кернел” предлагает профессиональные услуги по диагностике и ремонту сервоприводов AXOR, помогая клиентам избежать простоев и поддерживать высокую производительность своих систем.
Если вы столкнулись с какой-либо из перечисленных ошибок или нуждаетесь в консультации, наши специалисты всегда готовы помочь. Свяжитесь с нами для получения квалифицированной поддержки и обслуживания.
Все коды ошибок сервоприводов AXOR представлены в руководствах пользователя (manual), скачать файлы можно по ссылкам ниже.
|
Сервопривод AXOR B17 (B17A) (B17D) – B17 Box Analog e Digital мануал |
|
|
Сервопривод AXOR Mack Drive+Power (MKD) + (MKP) мануал |
|
|
Сервопривод AXOR Mack Indy (MKYD) мануал |
|
|
Сервопривод AXOR Magnum 400 (M400) мануал |
|
|
Сервопривод AXOR Masterspeed (MTS) & CD180 (CD180) мануал |
|
|
Сервопривод AXOR MICRO B (MCB) + MICRO B PLUS (MCBPLUS) мануал |
|
|
Сервопривод AXOR MicroB NET (MCBNETA) (MCBNETD) мануал |
|
|
Сервопривод AXOR Mack Nano (MKN) мануал |
|
|
Сервопривод AXOR Mack UniNano (MKUN) мануал |
|
|
Сервопривод AXOR Microspeed (MCS) | Microspeed Plus (MCSPLUS) мануал |
|
|
Сервопривод AXOR Mini Magnum (MM) мануал |
|
|
Сервопривод AXOR Minispeed (MS) Eurocard | Miniclamp (SHR) мануал |
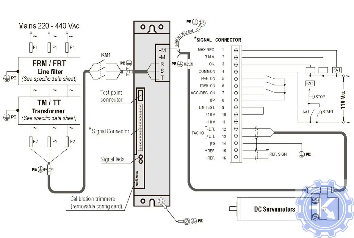
Схемы
Схемы типовых подключений сервоприводов AXOR
В некоторых случает может понадобится схема подключения сервоприводов, ниже мы показаны несколько типовых схем подключений сервоприводов AXOR.
Преимущество ремонта сервоприводов AXOR в нашем сервисном центре

Во время эксплуатации электроприводов AXOR может возникнуть проблема, далеко не всегда возникшую проблему можно исправить на месте своими силами, наш сервисный центр готов вам в этом помочь, выполнив качественный ремонт сервоприводов AXOR в сжатые сроки с полугодовой гарантией.
Мы не только восстановим неисправный блок, но и подскажем как действовать в той или иной ситуации для максимально долгой и безаварийной работы сервопривода.
Работы, проводимые при ремонте сервопривода AXOR в Баткене:
- Предварительный осмотр на возможность восстановления бесплатный;
- Мы производим ремонт сервопривода AXOR на компонентном уровне (экономия бюджета и времени)
- При ремонте сервоприводов ни каких конструктивных изменений не вносим;
- Ремонт блоков с применением оригинальных запасных частей (по возможности).
- Вы платите исключительно за результат - работающий сервопривод;
- Гарантия на ремонт сервопривода AXOR и на запасные части замененные в процессе ремонта 6 месяцев;
- Сроки ремонта варьируются от 5 до 15 рабочих дней;
За два десятилетия существования сервисного центра нашими специалистами были успешно проведены множество подобных ремонтов с каждым разом поднимая квалификацию наших инженеров. Ниже представлен далеко не полный список сервоприводов AXOR ремонтируемые в нашем сервисном центре.
| Серия | Тип сервопривода AXOR |
|---|---|
| AXOR Microspeed | MCS-060-10/20-N-S-499/E; MCS-060-10/20-N-S-190-EO-RD; MCS-060-10/20-N-S-996/EO-RD; MCS-110-10/20-N-S-190/EO-R; MCS-060-10/20-N-S-225/T; MCS-060-10/20-N-S-470/E; MCS-110-10/20-N-S-220/T; MCS-110-10/20-N-S-220/TO-RD; MCS-060-01/02-N-S-1136/EO-RD; MCS-060-06/12-N-S-197/EO-RD; MCS-060-06/12-N-S-250/EO-RD; MCS-060-10/20-N-S-0105/AO-RD; MCS-060-10/20-N-S-0220/AO-RD; MCS-060-10/20-N-S-105/A; MCS-060-10/20-N-S-0220/TO-RD; MCS-060-10/20-N-S-0307/TO-RD; MCS-060-2,5/05-N-S-475/A0; MCS-060-10/20-N-S-1659/AO-RD; MCS-060-10/20-N-S-998/EO-RD; MCS-110-10/20-N-S-190/E; MCS-060-2,5/05-N-S-0116/TO-RD; MCS-060-2,5/05-N-S-0674/A0-RD; MCS-110-10/20-N-S-190/EC; MCS-110-10/20-N-S-0220/TO-RD; MCS-110-10/20-N-S-190/EO-RD; MCS060-10/20-000-0; MCS PLUS-140-5/10-N-S-1000-T0-RD; MCS-060-06/12-N-S-2554/AO-RD; MCS-060-06/12-N-S-822/E; MCS-060-06/12-N-T; MCS-060-10/20-N-S-220/TO-RD; MCS-060-2.5/05-N-S-0116/TO-RD; MCS-110-10/20 -N-S-0220/TO-RD; MCS-060-10/20-N-S-0425/AO-RD; MCS-060-06/12-N-S-0300/EO-RD; MCS-060-06/12-N-S-1533/EO-RD |
| AXOR Minispeed | MS-060-04/08-N-S-102/TO-RD; MS-060-04/08-N-S-749/TO-RD; MS-060-08/16-N-S-3553/TO-RD; MS-060-04/08-N-000-0; MS-140-10/20-N-S-0220/TO-RD; MS-140-10/20-N-S-0326/TO-RD; AXORMS-140-14/28-N-S-289/TO-RD; MS-140-14/28-N-S-289/TO-RD; MS-060-10/20-N-S-220/TO-RD; MS-140-10/20-N-S-220/TO-RD; MS060-08/16-N-000-1; MS-060-08/16-N-S-176/T; MS140-08/16-N-000-0; MS140-10/20-N-000-0; MS-140-10/20-N-S-326/TO-RD; MS-060-08/16/N-S-932/T; MS-060-08/16-N-S-373/TO-RD; MS-140-08/16-N-S-421/T; MS-140-08/16-N-S-421/TO-RD; MS-060-08/16-B-S-161/T; MS-060-08/16-N-000-1; MS-060-08/16-N-S-191/TO-RD; MS-140-14/28-B-795/T; MS-060-08/16-N-S-0771/TO-RD; MS-060-14/28-N-S-215/TO-RD; MS-140-10/20-N-S-1459/TO-RD; MS-140-08/16-N-S-771/TO-RD; MS-140-14/28-RX-S-795/TO-RD; MS-140-04/08-N-S-216/T; MS-140-14/28-B-RX-S-0795/TO-RD; MS200-08/16-000-0; MS-200-08/16-N-RX-S-1924/TO-RD; MS-200-10/20-000-0; MS-200-04/08-N-000-0; MS-200-14/28-B-000-0; MS-200-20/40-B-000-0; MS-200-25/50-B-000-0; MS-060-10/20-N-S-0268/T0-RD; MS-060-10/20-N-000-0; MS-140-08/16-B-S-161/T; MS-060-04/08-N-000-4; MS-060-02/04-N-000-0; MS140-14/28-B-000-1; MS060-10/20-N-000-1; MS-140-10/20-N-000-0; MS-060-08/16-N-000-0; MS060-14/28-N-000; MS-060-08/16-N-S-206/TO-RD; MS-140-04/08-N-RX-S-124/TO-RD; MS-140-14/28-B-S-0118/T0-RD; MS060-08/16-N-00E-0; MS-140-14/28-B-S-0186/TO-RD; MS-140-14/28-N-S-118/TO-RD; MS-200-08/16-N-T-1549/TO-RD; MS140-04/08-N-000-0; MS140-10/20-N-000-1; MS140-10/20-N-S-0220/TO-RD; MS200-8/16-N-000-4; MS200-10/20-B-000-0; MS200-14/28-N-00E-0; MS200-14/28-N-T-889/TO-RD |
| AXOR Mack Drive+Power | MKP-600-4.5-R01-000; MKP-600-4.5-R02-000; MKP-600-4.5-R05-000; MKD-600-7/14-SE-RD0-00000-SXXX; MKP-600T-4.5-R01-000-SXXX |
| AXOR Mack Indy | MKYD-230; MKYD-230M-1.5/3-D01-SE-CD0-0000-SXXX |
| AXOR Magnum | M400-07/14-RXX-S-3056/EC-XXXX-00; M400-20/40-RXX-S-EC-00000X-XX-SXXX |
| AXOR MiniMagnum | M400-5/10-RXX-S-ER |
| AXOR Micro B, Micro B Plus | MCB-060-08/16-N-S-1061/H; MCB-060-10/20-N-S-1042/EC-RD; MCB-060-08/16-N-S-0623/EC-RD; MCB-060-05/10-N-S-1253/EC-RD; MCBNET-M-08/16-R2-S-A-1704/EC-RD; MCBNET-A-04/08-M-R1-S-2159/EC-RD-00; MCBNET-A-08/16-M-R1-S-2016/EC-RD-00; MCBNET-A-08/16-M-R2-S-1704/EC-RD-00; MCBNETD-6/12-T220-R1-S-RO-00X-XX; MCBNETD-4/8-M220-R1-S-EC-00X-XX-S173 |
| AXOR Masterspeed & CD180 | CD-180-30/75-RX-S-2590/TO-RD; CD-180-08/16-RX-S-771/TO-RD; CD-180-15/30-RX-S-182/T0-RD; CD-180-08/16-RX-S-771/T0-RD; MTS-140-14/28-RX-S-795/TD-RD; MTS140-10/20-000-0; MTS-060-20/40-RX-S-0127/TO-RD; MTS-140-08/16-RX-S-02; MTS-140-20-40-248-T; MTS-140-14/28-RX-S-795/TO-RD; MTS-200-14/28-RX-S-118/TO-RD; MTS-140-14/28-RX-S-0795/TO-RD; MTS-140-14/28-RX-S-118/TO-RD; MTS140-08/16-000-0; MTS-140-08/16-RX-S-0247/TO-RD; MTS-200-10/20-RX-S-1000/T0-RD; CD-180-25/50-RX-S-0000/T0-RD-XX |
| AXOR B17 Box | B17-0A60-10/20-N-S-A-0875/EC-RD; B17-300-04/08-S-D-1192/RO-RD; B17-300-08/16-N-S-D-1206/EC-RD; B17-A06-10/20-N-S-A-980/EC-RD; B17-B140-08/16-N-S-A-1190/EC-RD; B17-B140-08/16-N-S-A-3300/EC-RD; B17-B140-14/28-B-S-A-850/EC-RD; B17-B140-20/40-B-S-A-849/EC-RD; B17/B140-20/40-B-S-0RE-A-0; B17/B140-20/40-B-S-0RE-A-849/N; B17/B140-20/40-B-S-0RE-A-849/N; B17/D300-08/16-0RR-A-530/R; B17/D300-20/40-0RE-A-602/N |
Сервоприводы AXOR: инновационное решение для точного управления движением

В современном мире автоматики и робототехники точность и надежность управления движениями механизмов становятся критическими аспектами успеха любого производственного процесса. Именно здесь на помощь приходят сервоприводы — компактные и мощные устройства, способные обеспечивать точное позиционирование и контроль скорости вращающихся элементов. Среди множества предложений на рынке выделяется продукция компании AXOR, специализирующейся на разработке и производстве высококачественных сервоприводов.
Что такое сервоприводы AXOR?
Сервоприводы AXOR представляют собой интеллектуальные электромеханические системы, объединяющие в себе электродвигатель, датчик обратной связи и блок управления. Их основная задача заключается в обеспечении высокоточного контроля над перемещениями, скоростью и ускорением механизмов. Благодаря встроенным алгоритмам управления, сервоприводы AXOR способны мгновенно реагировать на изменения условий работы, поддерживая заданные параметры движения с минимальной погрешностью.
Ключевые особенности сервоприводов AXOR
Одним из главных достоинств сервоприводов AXOR является их высокая производительность. Эти устройства способны развивать значительные крутящие моменты даже при малых размерах, что делает их идеальными для применения в ограниченных пространствах. Более того, благодаря использованию современных материалов и технологий, сервоприводы AXOR отличаются повышенной износостойкостью и долговечностью, что особенно важно в условиях интенсивной эксплуатации.
Еще одной важной особенностью является гибкость настроек. Сервоприводы AXOR поддерживают разнообразные протоколы связи и интерфейсы, что позволяет легко интегрировать их в существующие системы управления. Это значительно упрощает внедрение новых технологических решений и модернизацию старых производственных линий.
Применение сервоприводов AXOR
Сервоприводы AXOR находят широкое применение в различных отраслях промышленности. Например, в машиностроении они используются для управления станками с числовым программным управлением (ЧПУ), где требуется высокая точность обработки деталей. В упаковочной индустрии эти устройства применяются для координации движений роботов и конвейеров, обеспечивая стабильную и быструю упаковку продукции.

Также сервоприводы AXOR востребованы в области автоматизации производства полупроводников и электроники, где важны минимальные допуски и максимальная стабильность процессов. Их универсальность и надежность делают их незаменимыми в самых разных сферах деятельности.
Техническое обслуживание и поддержка
Компания AXOR уделяет особое внимание качеству послепродажного обслуживания своих продуктов. Сервисные центры, такие как "Кернел", предлагают квалифицированную поддержку пользователям сервоприводов AXOR. Здесь специалисты проводят диагностику, ремонт и настройку оборудования, помогая клиентам поддерживать производственные процессы на высоком уровне эффективности.
Кроме того, AXOR предоставляет своим партнерам доступ к обширной технической документации и обучающим материалам, что облегчает освоение новых технологий и улучшает эксплуатационные показатели оборудования.
Сервоприводы AXOR — это современное и надежное решение для тех, кто стремится к максимальной точности и производительности в управлении механическими системами. Их уникальные технические характеристики, гибкость настроек и широкая сфера применения делают продукцию AXOR выбором номер один для предприятий, ориентированных на инновации и качество.
Оставить заявку на ремонт сервопривода AXOR
У вас остались вопросы, связанные с ремонтом или сбросом ошибок, а также программированием и настройкой сервоприводов AXOR? Оставьте заявку на ремонт сервопривода AXOR в Баткене нашим менеджерам. Связаться с ними можно несколькими способами:

- Заполнив форму заявки на ремонт (кнопка в правом верхнем углу сайта)
- Позвонив по номеру телефона:
- +7(8482) 79-78-54;
- +7(8482) 55-96-39;
- +7(917) 121-53-01
- Написав на электронную почту: 89171215301@mail.ru
За время существования сервисного центра нашими специалистами были отремонтированы тысячи единиц промышленной электроники. Вот далеко не полный список производителей промышленной электроники и оборудования, ремонтируемой в нашей компании.

Скачать PDF
Скачать PDF


