Ошибки и ремонт устройства плавного пуска Danfoss в Донецке
Ремонт УПП Danfoss в сервисном центре
Компания «Кернел» производит ремонт устройств плавного пуска Danfoss в Донецке с 2002 года. За это время мы накопили колоссальный опыт в том числе опыт в ремонте УПП такого известного производителя. Ремонт подобной промышленной электроники ответственное и сложное занятие, требующие максимальной отдачи, профессионализма и максимально полной материальной базе.
Устройство плавного пуска MCD 500 оснащено информационной панелью, призванной сделать общение оператора и УПП максимально легким и комфортным. При вводе в эксплуатацию оборудования с помощью данной панели устройство программируется и настраивается, а в случае непредвиденной ситуации на панель УПП выводится ошибка, вызвавшая аварийную остановку оборудования. В таблицах ниже приведены все возможные ошибки Danfoss MCD 500. Устранив причину ошибки и сбросив ее на устройстве плавного пуска позволит в кратчайшие сроки возобновить работу. К сожалению не все ошибки можно исправить самостоятельно, некоторые ошибки возможно исправить только в специализированных сервисных центрах.
Специалисты нашего сервисного центра уделяют максимальное внимание к качеству исполнения ремонта, программирования и настройке УПП в Донецке, не зависимо от производителя данного промышленного оборудования. Именно поэтому мы смело даем гарантию на все выполненные работы шесть месяцев.
Ремонт устройств плавного пуска Danfoss производится исключительно с использованием оригинальных запасных частей, на компонентном уровне с применением высокотехнологичного оборудования, квалифицированным персоналом с инженерным образованием.
Если на вашем производстве появились проблемы с плавным пуском, которые вы не можете решить самостоятельно, мы всегда рады вам помочь. Обращайтесь в сервисный центр «Кернел». Специалисты нашей компании в минимальные сроки проведут глубокую диагностику и последующий ремонт УПП Danfoss в Донецке. Оставьте заказ на ремонт оборудования используя форму на сайте.
Сообщения об отключении УПП Danfoss MCD 500 – ошибки
В таблице приведены защитные механизмы (ошибки) устройства плавного пуска и вероятные причины отключения. Некоторые из них можно настроить с помощью группы параметров 2 Protection (Защита) и группы параметров 16 Protection Action (Действия защиты). Другие защитные механизмы являются встроенными системными средствами защиты и не могут быть заданы или настроены.
Ошибки УПП Danfoss MDC 500 и методы их устранения.
|
Ошибка / сообщение |
Причина / решение |
|
Awaiting data (Ожидание данных) |
LCP не получает данные с платы управления. Проверьте соединения кабеля и правильность монтажа дисплея на устройстве плавного пуска. |
|
Battery/clock (Батарея/часы) |
Ошибка при проверке реального времени часов либо низкое напряжение резервного аккумулятора. При разрядке аккумулятора и отключенном питании настройки даты и времени будут утрачены. Перепрограммируйте дату и время. |
|
Controller (Контроллер) |
Имя, выбранное для программируемого входа. См. Input A trip (Вход А: отключение). |
|
Current imbalance (Дисбаланс тока) |
Дисбаланс тока может быть вызван неполадками двигателя, неблагоприятными внешними условиями или ошибками при установке, такими как:
|
|
Current read err lx (Ошибка чтения значения тока lx) |
Здесь X — фаза 1, 2 или 3. Внутр. ошибка (отказ печатной платы). При отключении тиристоров SCR выход цепи трансформатора тока недостаточно близок к нулю. Обратитесь за советом к местному поставщику оборудования Danfoss. Это отключение не настраивается. |
|
Excess start time (Избыточное время пуска) |
Отключение из-за максимального времени пуска может произойти в следующих случаях:
|
|
Firing fail px (Отказ включения PX) |
Здесь X — фаза 1, 2 или 3. Тиристор SCR не сработал как нужно. Найдите неисправные SCR и неисправную внутреннюю проводку. Это отключение не настраивается. |
|
FLC too high (Слишком высокий ТПН) |
При подключении к двигателю по схеме «внутри треугольника» устройство плавного пуска может поддерживать более высокие значения тока полной нагрузки двигателя, чем при линейном соединении. Если устройство плавного пуска подключено в линию, а значение, запрограммированное в параметре 1-1 Motor FLC (Ток полной нагрузки двигателя) превышает максимум для такого соединения, устройство отключается при пуске (см. глава 4.5 Минимальное и максимальное значения тока). При подключении устройства плавного пуска по схеме «внутри треугольника» проверьте, правильно ли устройство плавного пуска обнаруживает подключение. Обратитесь за советом к местному поставщику оборудования Danfoss. |
|
Frequency (Частота) |
Частота тока в электросети вне нормативного предела. Проверьте другое оборудованием поблизости, которое может влиять на питание от сети, особенно преобразователи частоты и импульсные источники питания (SMPS). Если устройство плавного пуска питается от генератора, возможно, генератор слишком маломощен либо имеются неполадки с регулированием его скорости. |
|
Heat sink overtemp (Перегрев радиатора) |
Проверьте, работают ли вентиляторы охлаждения. Если устройство смонтировано в корпусе, проверьте, обеспечивается ли достаточная вентиляция. Вентиляторы функционируют во время пуска, в рабочем режиме и 10 минут после выхода устройства плавного пуска в состояние останова. УВЕДОМЛЕНИЕ Модели с MCD5-0021B по MCD4-0053B и MCD5-0141B не оснащены вентилятором охлаждения. В моделях с вентилятором охлаждающие вентиляторы работают с момента пуска до истечения 10 минут после останова. |
|
High level (Высокий уровень) |
Имя, выбранное для программируемого входа. См. Input A trip (Вход А: отключение). |
|
High pressure (Высокое давление) |
Имя, выбранное для программируемого входа. См. Input A trip (Вход А: отключение). |
|
Input A trip (Вход А: отключение) |
Программируемый вход запрограммирован на функцию отключения и активирован. Устраните неполадку, которая приводит к срабатыванию. |
|
Instantaneous overcurrent (Мгновенная перегрузка по току) |
В работающем электродвигателе произошел резкий скачок тока двигателя, вероятно, из-за блокировки ротора (срезной штифт). Проверьте, не заблокирована ли нагрузка. |
|
Internal fault X (Внутр. ошибка Х) |
Устройство плавного пуска отключилось из-за внутренней ошибки. Обратитесь к поставщику оборудования Danfoss и сообщите код неисправности (Х). |
|
L1 phase loss (Потеря фазы L1) L2 phase loss (Потеря фазы L2) L3 phase loss (Потеря фазы L3) |
В ходе предпусковых мероприятий проверьте, действительно ли устройство пуска выявило потерю фазы, как показано на экране. В рабочем режиме устройство плавного пуска выявило падение тока по затронутой фазе до уровня менее 3,3 % запрограммированного значения ТПН двигателя более чем на 1 секунду. Такое падение тока указывает на потерю входной фазы или обрыв соединения с двигателем. Проверьте на устройстве плавного пуска и двигателе:
Неисправность SCR, в частности, сбой SCR при размыкании цепи, также может вызвать потерю фазы. Сбой SCR можно достоверно диагностировать только путем его замены и проверки работы устройства плавного пуска. |
|
L1-T1 shorted (Короткое замыкание L1-T1) L2-T2 shorted (Короткое замыкание L2-T2) L3-T3 shorted (Короткое замыкание L3-T3) |
В ходе предпусковых проверок устройство пуска выявило закороченный SCR или короткое замыкание в обводном контакторе, как показано на дисплее. |
|
Low control volts (Низкое управляющее напряжение) |
Устройство плавного пуска обнаружило падение управляющего напряжения.
Если внешний резервный источник питания стабилен:
|
|
Low level (Низкий уровень) |
Имя, выбранное для программируемого входа. См. Input A trip (Вход А: отключение). |
|
Low pressure (Низкое давление) |
Имя, выбранное для программируемого входа. См. Input A trip (Вход А: отключение). |
|
Motor overload (Перегрузка двигателя) / Motor 2 overload (Перегрузка двигателя 2) |
Достигнута максимальная теплоемкость двигателя. Перегрузка может быть вызвана следующими факторами:
Устраните причину перегрузки и дождитесь охлаждения двигателя. |
|
Motor connection tx (Подключение двигателя tx) |
Здесь X — фаза 1, 2 или 3. Двигатель неправильно подключен к устройству плавного пуска в линию или по схеме «внутри треугольника».
|
|
Motor thermistor (Термистор двигателя) |
Вход термистора двигателя был подключен, и:
УВЕДОМЛЕНИЕ Если рабочий термистор двигателя более не используется, на клеммы 05, 06 необходимо установить сопротивление емкостью 1,2 кОм. |
|
Motor thermistor (Связь по сети) (между модулем и сетью |
Главное устройство сети направило на устройство пуска команду на отключение либо в сети возникла неполадка связи. Проверьте сеть для выявления причин нарушения связи. |
|
No flow (Поток отсутствует) |
Имя, выбранное для программируемого входа. См. Input A trip (Вход А: отключение). |
|
Not ready (Нет готовности) |
Проверьте, активна ли функция отключения устройства плавного пуска. Если для параметра 3-3 Input A Function (Вход А: функция) установлено значение Starter disable (Отключение пускового устройства), а цепь между клеммами 11 и 16 разомкнута, устройство плавного пуска не запускается. |
|
Parameter out of range (Параметр вне диапазона) |
Устройство плавного пуска загружает значение по умолчанию для всех необходимых параметров. Нажмите кнопку [Main Menu] (Главное меню), чтобы перейти к первому неверному параметру и отрегулировать настройку. |
|
Phase sequence (Чередование фаз) |
Чередование фаз на силовых клеммах устройства плавного пуска (L1, L2, L3) недействительно. Проверьте чередование фаз на клеммах L1, L2, L3 и убедитесь, что значение параметра 2-1 Phase Sequence (Чередование фаз) соответствует установке. |
|
PLC (ПЛК) |
Имя, выбранное для программируемого входа. См. Input A trip (Вход А: отключение). |
|
Power loss (Потери мощности) |
При подаче команды на пуск устройство плавного пуска не получает питание от сети по одной или нескольким фазам. Убедитесь в том, что главный контактор замыкается при подаче команды на пуск и остается замкнутым до завершения плавного останова. При тестировании устройства плавного пуска на маломощном двигателе должно достигаться как минимум 2 % от его минимального значения ТПН на каждой фазе. |
|
Pump fault (Отказ насоса) |
Имя, выбранное для программируемого входа. См. Input A trip (Вход А: отключение). |
|
Starter/communication (Устройство плавного пуска/связь) (между модулем и устройством плавного пуска) |
|
|
Starter disable (Отключение пускового устройства) |
Имя, выбранное для программируемого входа. См. Input A trip (Вход А: отключение). |
|
Thermistor cct (thermistor circuit) (Цепь термистора) |
Вход термистора был включен и:
|
|
Time - overcurrent (Время — перегрузка по току) |
В рабочем режиме в устройстве плавного пуска с внутренним шунтом произошел скачок тока. (Рост силы тока достиг точки защитного отключения в 10 А либо ток двигателя вырос до 600 % значения тока полной нагрузки двигателя.) |
|
Undercurrent (Недостаточный ток) |
В двигателе произошло резкое падение силы тока из-за потери нагрузки. Причиной может быть поломка компонентов (валы, приводные ремни или муфты) или сухой ход насоса. |
|
Unsupported option (Неподдерживаемый параметр) (функция не работает в схеме «внутри треугольника») |
Выбранная функция недоступна (например, фиксация частоты не поддерживается в конфигурации «внутри треугольника»). |
|
Vibration (Вибрация) |
Имя, выбранное для программируемого входа. См. Input A trip (Вход А: отключение). |
|
VZC fail px (Отказ VZC, px) |
Здесь X — фаза 1, 2 или 3. Внутр. ошибка (отказ печатной платы). Обратитесь за советом к местному поставщику оборудования Danfoss. Это отключение не настраивается. |
Ошибки устройства плавного пуска Danfoss MCD 500 общего характера
Ниже описаны ситуации, когда устройство плавного пуска не работает должным образом, но при этом не отключается и не выводит предупреждение.
|
Признак |
Вероятная причина |
|
Устройство плавного пуска не готово. |
Проверьте вход A (11, 16). Проверьте, не отключено ли устройство плавного пуска через программируемый вход. Если для параметра 3-3 Input A Function (Вход А: функция) установлено значение Starter disable (Отключение пускового устройства), а цепь на соответствующем входе разомкнута, устройство плавного пуска не запускается. |
|
Устройство плавного пуска не реагирует на нажатие кнопок [Hand On] (Ручной режим) и [Reset] (Сброс). |
Проверьте, не находится ли устройство плавного пуска в режиме автоматического управления. При работе устройства плавного пуска в режиме автоматического управления светодиод Hand On (Ручной режим) на устройстве плавного пуска не горит. Для перехода в режим местного управления один раз нажмите кнопку [Auto On] (Автоматический режим). |
|
Устройство плавного пуска не реагирует на команды с управляющих входов. |
Внимание! Параметр 3-1 Local/remote (Местное/дистанционное управление) определяет, включена ли кнопка [Auto On] (Автоматический режим). |
|
Устройство плавного пуска не реагирует на команду пуска ни с местных, ни с дистанционных средств управления. |
Внимание! Параметр 3-1 Local/remote (Местное/дистанционное управление) определяет, включена ли кнопка [Auto On] (Автоматический режим). |
|
Устройство плавного пуска неправильно управляет двигателем при пуске. |
|
|
Двигатель не разгоняется до полной скорости. |
Внимание! Убедитесьв том, что пусковые параметры двигателя настроены всоответствиис применением и используется надлежащий профильпуска двигателя. Если в параметре 3-3 Input A Function (Вход А:функция)задано значение Motor Set Select (Выбор набора двиг.),убедитесьв том, что соответствующий вход в правильном состоянии. Убедитесь, что нагрузка не заблокирована. Проверьте, не произошло ли серьезной перегрузки или блокировки ротора. |
|
Неустойчивая работа двигателя. |
|
|
Неустойчивая и шумная работа двигателя. |
При подключении по схеме «внутри треугольника» устройство плавного пуска может неправильно обнаруживать подключение. Обратитесь за советом к местному поставщику оборудования Danfoss. |
|
Плавный останов завершается слишком быстро. |
Проверьте значения следующих параметров:
|
|
Не работают функции адаптивного управления, торможения постоянным током, фиксации частоты. |
|
|
При использовании 2-проводного дистанционного управления после команды автосброса сброс не происходит. |
|
|
При использовании 2-проводного дистанционного управления дистанционная команда пуска/останова переопределяет настройки автоматического пуска/останова. |
|
|
После выбора адаптивного управления двигатель выполнил обычный пуск и/или второй пуск отличался от первого. |
(Предельное значение тока). Затем устройство плавного пуска определяет характеристики двигателя. При последующих пусках применяется адаптивное управление. |
|
Несбрасываемое Thermistor Cct (Oтключение по контуру термистора) при наличии клеммной перемычки между входами 05 и 06 термистора или при полном отсоединении термистора двигателя от клемм 05 и 06. |
активации защиты от короткого замыкания. Удалите перемычку, затем загрузите набор параметров по умолчанию. Это отключает вход термистора и удаляет сообщение об отключении. Установите на вход термистора сопротивление емкостью 1,2 кОм. Переключите защиту термистора на значение Log only (Только регистр.) (параметр 16-9 Motor Thermistor (Термистор двигателя)). |
|
Не удается сохранить настройки параметров. |
|
|
На LCP отображается сообщение Awaiting data (Ожидание данных). |
LCP не получает данные с платы управления. Убедитесь, что кабель подключен. |
Скачать руководство пользователя для устройства плавного пуска Danfoss MCD 500 – manual
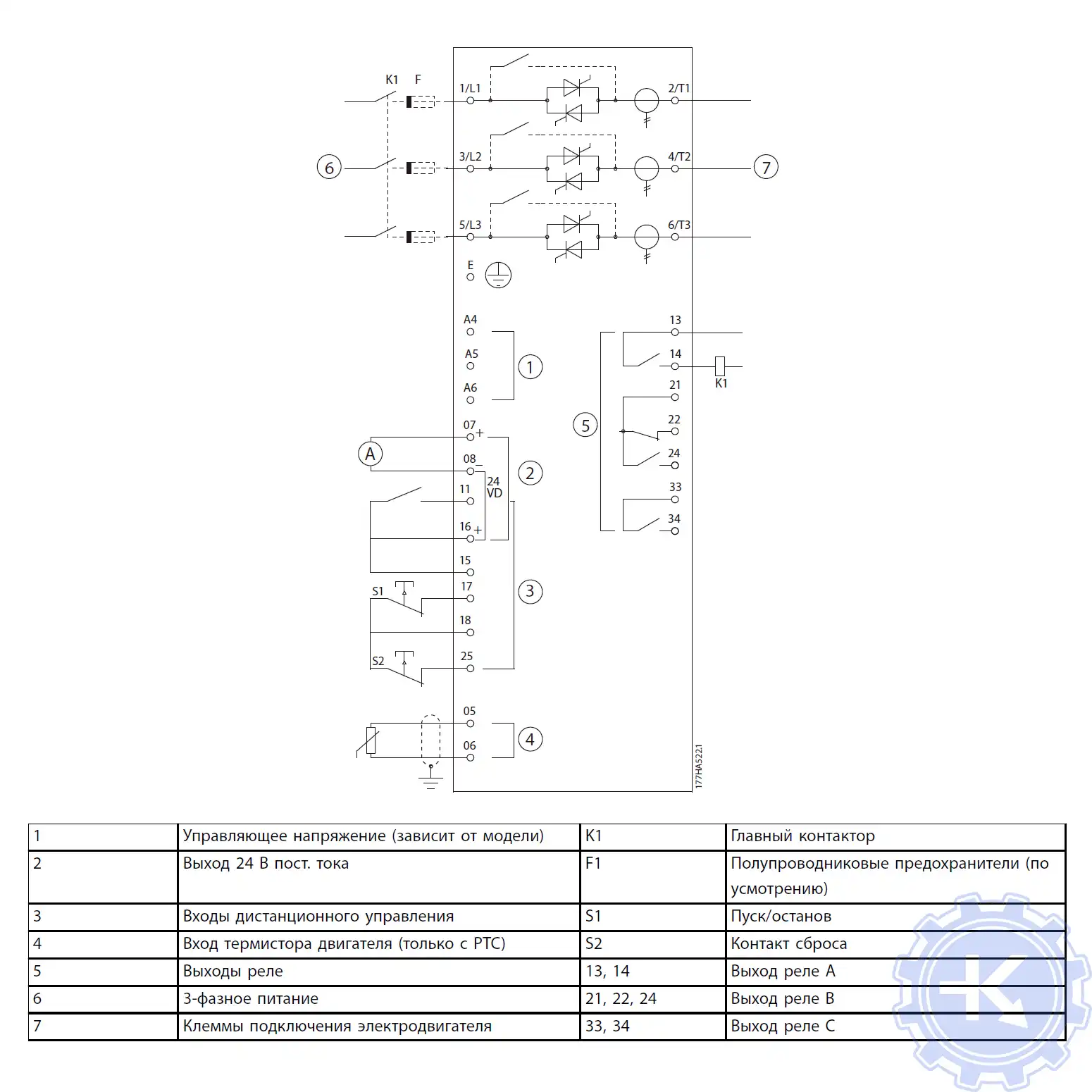
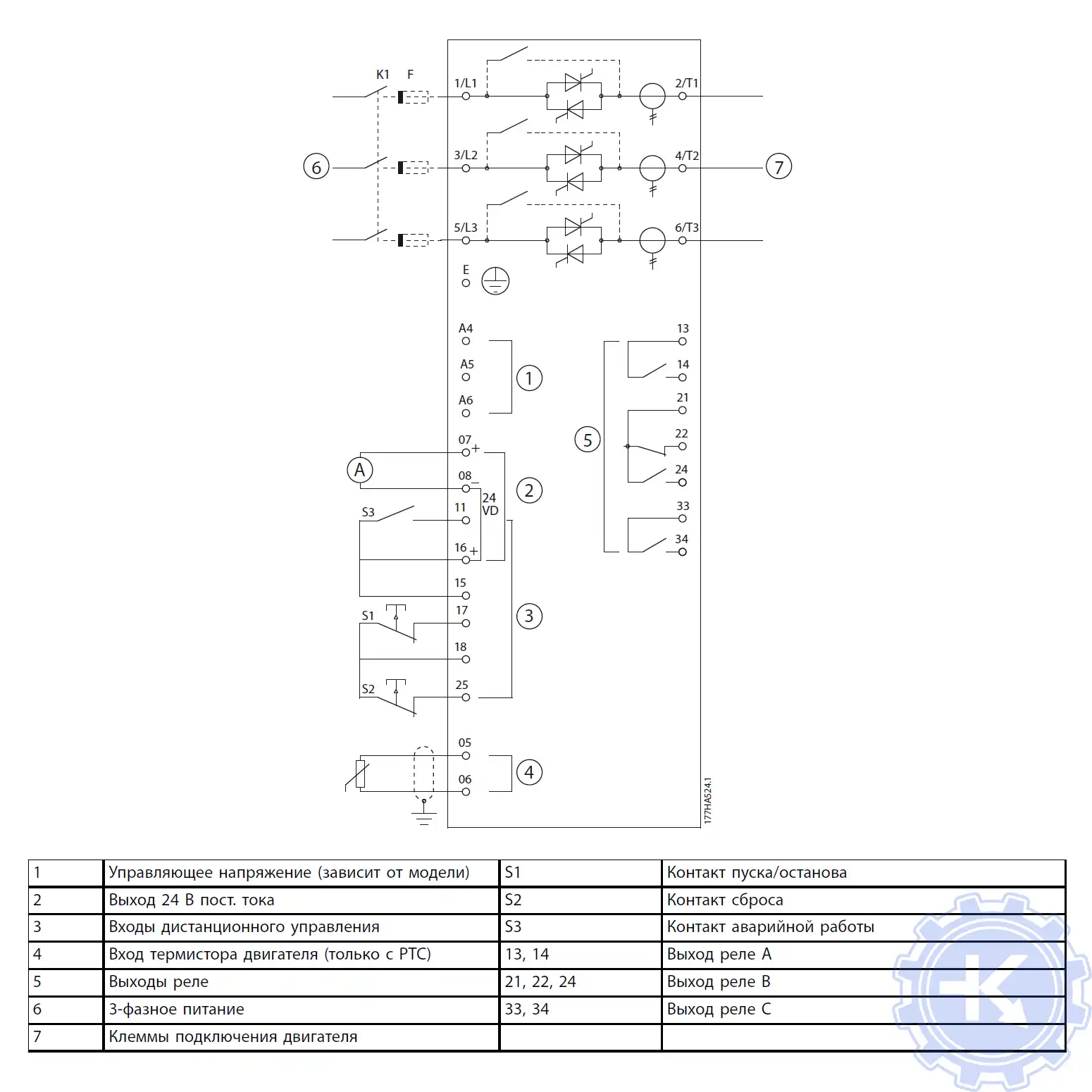
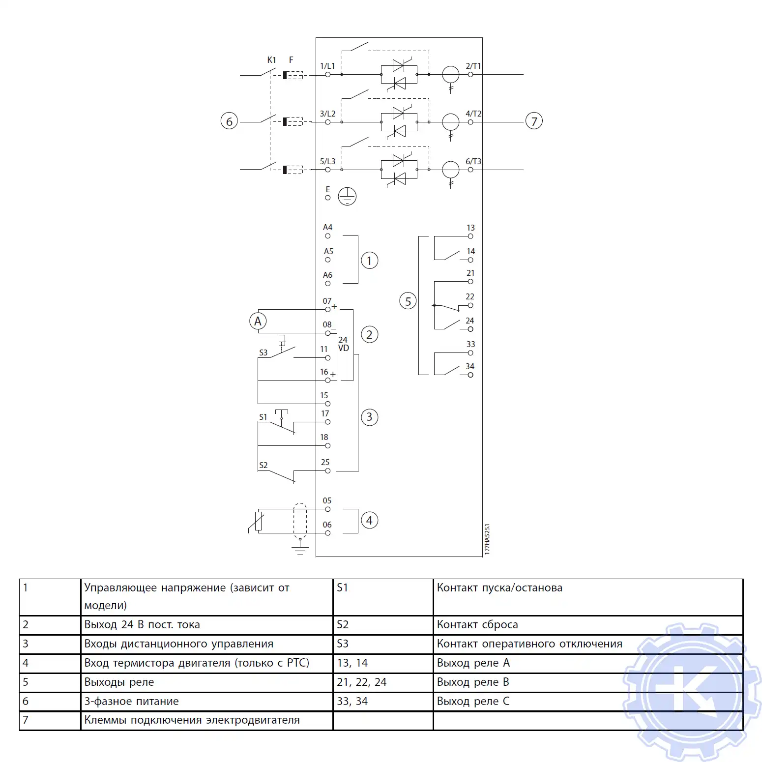
Схемы Danfoss MCD 500 в цепях питания двигателя
|
Схема цепи с плавным контактором УПП MCD 500 |
Схема цепи с обводным контактором УПП MCD 500 |
|
|
|
Схема цепи режима аварийной работы УПП MCD 500 |
Схема цепи оперативного отключения УПП MCD 500 |
|
|
Ошибки УПП Danfoss MCD 500 и их сброс
Некоторые модели устройств плавного пуска для удобства оснащены индикационными панелями, с помощью которых можно программировать УПП, а также увидеть ошибки в случае аварийного останова оборудования. В данной статье мы рассмотрели ошибки MCD 500, а точнее ошибки устройства плавного пуска Danfoss серии MCD 500. УПП в наше время нашли широкое применение в абсолютно всех сферах промышленности защищая ваши электродвигатели и максимально продлевая их безаварийную работу.
Для простоты общения со столь сложной электроникой некоторые устройства оснащены небольшими дисплеями с помощью которых выводятся информационные сообщения с кодами ошибок, расшифровав которые можно сразу же узнать причину ее возникновения. Если учесть распространенность данной промышленной электроники, то появляется острая нужда в расшифровке кодов ошибок плавного пуска. В этой статье мы привели в пример одного из самых известных производителей промышленного оборудования имеющему уважение во всем мире, Danfoss.
Существует несколько видов ошибок, некоторые из них можно устранить автоматически, а некоторые возможно исправить только, обратившись в специализированный сервисный центр. В таблицах ниже приведены коды ошибок УПП Danfoss MCD 500 их расшифровка и методы устранения.
Если ошибки плавного пуска Danfoss самостоятельно исправить невозможно специалисты нашего сервисного центра с радостью придут на помощь. Инженеры компании проведут глубокую диагностику и последующий ремонт а также сделают сброс ошибок УПП в Донецке и все это в максимально сжатые сроки за 20% - 40% от стоимости нового устройства плавного пуска.
Оставьте заявку на ремонт и сброс ошибок УПП Danfoss MCD 500 с помощью формы на сайте или свяжитесь с нашими менеджерами, сделать это можно несколькими способами.
Оставить заявку на ремонт УПП Danfoss
У вас остались вопросы, связанные с ремонтом, сбросом ошибок, программированием и настройкой УПП Danfoss? Оставьте заявку на ремонт УПП Danfoss в Донецке нашим менеджерам. Связаться с ними можно несколькими способами:

- Заполнив форму заявки на ремонт (кнопка в правом верхнем углу сайта)
- Позвонив по номеру телефона:
- +7(8482) 79-78-54;
- +7(8482) 55-96-39;
- +7(917) 121-53-01
- Написав на электронную почту: 89171215301@mail.ru




