Ошибки и ремонт сервопривода MAZAK в Джульфе
Ремонт сервопривода MAZAK

Сервисный центр «Кернел» предлагает выполнить качественный ремонт сервопривода MAZAK в Джульфе на компонентном уровне в максимально сжатые сроки.
Сервопривода относятся к сложной промышленной электронике именно поэтому ремонтом серводрайверов MAZAK, впрочем, как и сервоприводов других производителей должны заниматься специалисты, имеющие не только высшее техническое образование, но и солидный опыт в ремонте подобной промышленной электроники.
Также для восстановления подобного промышленного оборудования понадобится хорошая материально-техническая база. При выполнении этих условий шансы на успешный ремонт сервопривода MAZAK и возрастают в геометрической прогрессии.
Именно поэтому за ремонтом сервоприводов MAZAK или другого производителя лучше всего обращаться в специализированный сервисный центр, который отвечает всем техническим требованиям, такой как Кернел.
Наш цент имеет отличную материально-техническую ремонтную базу, а за время существования с 2002 года специалисты компании накопили бесценный опыт в том числе опыт в ремонте сервоприводов MAZAK.
Инженеры сервисного центра выполняют качественный ремонт сервоприводов MAZAK всех серий, когда-либо выпускаемых компанией.
|
Привод |
Тип |
| MAZAK | MAZAK 93-69-1000; MAZAK 69-1000; MAZAK 93-69-1010; MAZAK GPD515 SPINDLE DRIVE; MAZAK 60 HP; MAZAK 60AMP 93-32-5552E; MAZAK PN 32 4070; MAZAK 29-10071 VECTOR DRIVE; MAZAK 29-0728A REV A 20 HP; MAZAK 65-4054A REV-B 20 HP; MAZAK Magnetek GDP503 DS307 SPINDLE DRIVE; MAZAK 29-10081 Rev B 40 HP; MAZAK 29-10072 Rev B 40 HP; MAZAK 29-0726A Rev A 40 HP; MAZAK VECTOR DRIVE 60HP |
В данной таблице присутствуют далеко не все сервоприводы MAZAK ремонт которых предлагает наш сервисный центр.
Особенности ремонта сервопривода MAZAK

Ремонт сервопривода MAZAK имеет ряд индивидуальных особенностей, это связано с конструктивными особенностями сервоприводов. По аналогии частотными преобразователями, сервопривод состоит из двух частей, это:
- Аппаратная часть;
- Программная часть.
В первую очередь ремонтируется аппаратная часть промышленного сервопривода. После глубокой диагностики неисправного блока выявляются все неисправные компоненты, которые в последствии заменяются на оригинальные запасные части (по возможности), в случае если сервопривод уже давно снят с производства и найти оригинальные запчасти просто невозможно они заменяются на аналоги.
Данный вид ремонта называется компонентным. От других видов его отличает две немаловажные вещи.
- Значительное удешевление ремонта;
- Существенное сокращение времени ремонта.
По завершении ремонта аппаратной части сервопривода наступает очередь программной. В зависимости от серии выбирается программный продукт и зашивается в блок.
Заключительный этап ремонта сервопривода MAZAK в Джульфе это проверка на специализированном стенде, без нагрузки и с нагрузкой максимально приближенна к реальным условиям эксплуатации.
Ошибки сервоприводов MAZAK

В процессе работы выходит из строя даже самое надежное промышленное оборудование. В данной статье мы приведем ошибки сервоприводов MAZAK, а точнее MAZAK IS620P series. Привода в наше время, нашли широкое применение абсолютно во всех сферах промышленности, управляя как мини моторами в оргтехнике, так и гигантскими двигателями в горнодобывающей промышленности.
Для простоты общения со столь сложной электроникой все сервопривода оснащены небольшими дисплеями с помощью которых выводятся информационные сообщения с кодами ошибок, расшифровав которые можно сразу же узнать причину ее возникновения. Если учесть распространенность данной промышленной электроники, то появляется острая нужда в расшифровке кодов ошибок сервопривода. В этой статье мы рассмотрим одного из самых известных производителей промышленной электроники имеющему уважение во всем мире, MAZAK севрво усилители и .
Существует несколько видов ошибок, некоторые из них можно устранить автоматически, а некоторые возможно исправить только, обратившись в специализированный сервисный центр. В таблицах ниже приведены коды ошибок сервоприводов MAZAK MDS-A, MDS-B и MDS-C1 и их расшифровка.
| Код ошибки | Оисание |
|---|---|
| 11 | Axis sewion error. |
| 12 | Memory error. |
| 13 | Software processing error. |
| 16 | Pole position detection error. |
| 17 | AD converter error. |
| 18 | Initial communication error. |
| 1A | Serial detector communication error (SUB). |
| 1B | CPU error (SUB). |
| 1C | LED error (SUB). |
| 1D | Data error (SUB). |
| 1E | Serial detector thermal error (SUB). |
| 1F | Communication error (SUB). |
| 20 | No signal detected 1. |
| 21 | No signal detected 2. |
| 25 | Absolute position lost. |
| 26 | Not used axis error. |
| 27 | Absolute position detection scale CPU error. |
| 28 | Absolute position overspeed. |
| 29 | Absolute position detection circuit error. |
| 2A | Relative position detection circuit error. |
| 2B | Scale CPU error. |
Полный перечень ошибок вы найдете в рководстве пользователя расположенного ниже.
Для более длительной безаварийной работы промышленного оборудования должны соблюдаться все рекомендации, изложенные в инструкции по монтажу и настройке сервопривода.
Сервопривод MAZAK, скачать инструкции по эксплуатации
Ниже вы можете скачать руководства по эксплуатации сервоприводов MAZAK практически для всех серий, когда-либо выпущенных данным производителем.
|
Сервопривод MAZAK MDS-A, MDS-B и MDS-C1 мануал. |
Скачать PDF |
Преимущество ремонта сервоприводов в нашем сервисном центре

- Предварительный осмотр на возможность восстановления бесплатный;
- Мы производим ремонт сервопривода MAZAK в Джульфе на компонентном уровне (экономия бюджета и времени)
- При ремонте ни каких конструктивных изменений не вносим;
- Ремонт блоков с применением оригинальных запасных частей (по возможности).
- Вы платите исключительно за результат - работающий сервопривод;
- Гарантия на ремонт сервопривода MAZAK и запасные части, замененные в процессе ремонта 6 месяцев;
- Сроки ремонта варьируются от 5 до 15 рабочих дней;
За два десятилетия существования сервисного центра нашими специалистами были успешно проведены тысячи подобных ремонтов с каждым разом поднимая квалификацию наших инженеров.В случае выхода из строя промышленного сервопривода на вашем производстве либо появились проблемы с приводом, которые вы не можете решить самостоятельно, мы всегда рады вам помочь.
Специалисты нашего сервисного центра в минимальные сроки проведут глубокую диагностику и последующий ремонт сервопривода MAZAK в Джульфе .
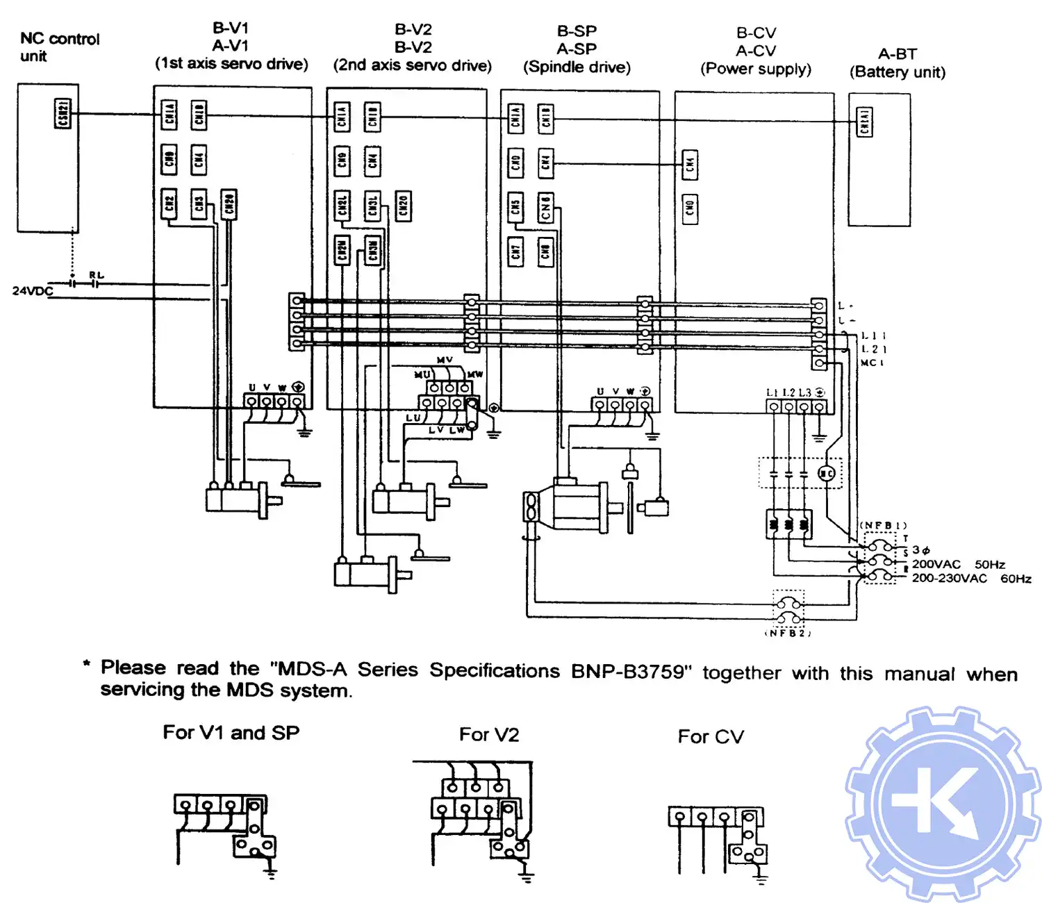
Схемы подключения серво привода MAZAK
В некоторых случает может понадобится схема подключения сервоприводов, ниже мы показаны блок схемы подключения сервоприводов MAZAK.
|
Стандартная схема подключения сервоуселителей |
Стандартная схема подключения сервоуселителей |
|
|
Оставить заявку на ремонт сервопривода MAZAK
У вас есть проблемы с приводом? Вам нужен срочный ремонт, сброс ошибок или программирование и настройка? Оставьте заявку на ремонт сервопривода MAZAK в Джульфе воспользовавшись одноименной кнопкой на сайте либо обратитесь к нашим менеджерам. Связаться с ними можно несколькими способами:

- Заполнив форму заявки на ремонт (кнопка в правом верхнем углу сайта)
- Позвонив по номеру телефона:
- +7(8482) 79-78-54;
- +7(8482) 55-96-39;
- +7(917) 121-53-01
- Написав на электронную почту: 89171215301@mail.ru
Вот далеко не полный список производителей промышленного оборудования, ремонт которого производит наша компания.
Похожие статьи
-
Другие услуги по ремонту промышленной эелектроники и оборудования
- Ремонт сервоприводов в Джульфе
- Сервоконтроллер, программирование, техобслуживание
- Промышленный привод, ремонт
- Ремонт сервопривода Beckhoff в Джульфе
- Ремонт сервоприводов Rexroth в Джульфе
- Ремонт и ошибки сервопривода Lenze в Джульфе
- Ремонт и ошибки сервопривода Siemens в Джульфе
- Компонентный ремонт сервопривода Danfoss в Джульфе
- Ремонт и ошибки сервопривода Schneider Electric в Джульфе
- Ремонт и ошибки сервопривода Omron в Джульфе
- Ремонт и ошибки сервопривода Yaskawa в Джульфе
- Ремонт и ошибки сервопривода Delta в Джульфе
- Ремонт и ошибки сервоусилителя Mitsubishi в Джульфе
- Ремонт и ошибки сервопривода Allen-Bradley в Джульфе
- Ремонт и ошибки сервопривода Emerson (Control-Techniques) в Джульфе
- Ремонт и ошибки сервопривода ABB в Джульфе
- Ремонт и ошибки сервопривода B&R Acopos в Джульфе
- Ремонт и ошибки сервопривода Baumuller в Джульфе
- Ремонт и ошибки сервопривода Beijer в Джульфе
- Ремонт и ошибки сервопривода Ecovario в Джульфе
- Ремонт и ошибки сервопривода Elau в Джульфе
- Ремонт и ошибки сервопривода Deimo - Deimotion в Джульфе
- Ремонт сервопривода Estun в Джульфе
- Ремонт сервопривода BERGER LAHR в Джульфе, ошибки
- Ошибки и ремонт сервопривода HONEYWELL в Джульфе
- Ошибки и ремонт сервопривода PANASONIC MINAS в Джульфе
- Ошибки и ремонт сервопривода INOVANCE в Джульфе
- Ошибки и ремонт сервопривода HAAS в Джульфе
- Ошибки и ремонт сервопривода MAZAK в Джульфе
- Ошибки и ремонт сервопривода GSK в Джульфе
- Ошибки и ремонт сервопривода AXOR в Джульфе
- Ошибки и ремонт сервопривода DUPLOMATIC в Джульфе
- Ошибки и ремонт сервопривода KOMAX в Джульфе
- Все услуги по ремонту промышленной электроники и оборудования

Скачать PDF
