Ошибки и ремонт частотных преобразователей Panasonic в Гёкдепе
Ремонт частотных преобразователей Panasonic Electric

Ремонт частотного преобразователя Panasonic Electric, впрочем, как и ремонт частотников других производителей имеет ряд особенностей в силу своего конструктива. Частотные преобразователи, точнее их начинка делятся на две части:
- Аппаратная часть,
- Программная часть.
Частотники данного производителя не являются исключением из правил, именно поэтому ремонт частотного преобразователя Panasonic Electric имеет точно такой же ряд особенностей, как и у других преобразователей.
Диагностировать ту или иную неисправность помогают коды ошибок частотного преобразователя, которые отображаются на небольшом дисплее, расположенном на лицевой панели привода. Коды ошибок частотного преобразователя Panasonic в зависимости от серии описаны в инструкции, пользователя которые можно скачать с нашего сайта.
Ремонт частотных преобразователей Panasonic в Гёкдепе, как и любых других преобразователей, выпущенных под другими брендами, всегда начинается с аппаратной части, после успешного ремонта аппаратной части наступает очередь программной.
Настройка частотного преобразователя Panasonic также прописана в инструкции завода производителя, для каждой серии частотных преобразователей настройка будет индивидуальной, так как каждая линейка преобразователей решает свои собственные задачи, этим обусловливается широкая номенклатура данного промышленного оборудования.
Ремонт частотных преобразователей Panasonic в сервисном центре

Компания «Кернел» производитремонт частотных преобразователей Panasonic в Гёкдепе с 2002 года. За время существования компании наши сотрудники накопили колоссальный опыт в ремонте преобразователей частоты такого известного производителя как Panasonic Electric. Ремонт подобного промышленного оборудования ответственное и сложное занятие, требующие максимальной отдачи, профессионализма и максимально полной материальной базе.
Специалисты нашего сервисного центра максимальное внимание уделяют качеству исполнения ремонта, программирования и настройке промышленных преобразователей частоты, не зависимо от производителя данного промышленного оборудования. Именно поэтому мы смело даем гарантию на все выполненные работы шесть месяцев.
Ремонт частотных преобразователей Panasonic в Гёкдепе производится исключительно с использованием оригинальных запасных частей, на компонентном уровне с применением высокотехнологичного диагностического оборудования, квалифицированным персоналом с инженерным образованием.
В случае выхода из строя преобразователя частоты на вашем производстве либо появились проблемы с приводом, которые вы не можете решить самостоятельно, мы всегда рады вам помочь. Специалисты нашего сервисного центра в минимальные сроки проведут глубокую диагностику с последующим ремонтом частотного преобразователя Panasonic Electric.
Инженеры сервисного центра выполняют качественный ремонт частотных преобразователей Panasonic Electric всех серий, когда-либо выпускаемых компанией.
| Серия ПЧ | Типы частотных преобразователей Panasonic Electric |
|---|---|
| Panasonic VF-0 | BFV00022DK; BFV00042GK; BFV00042DK; BFV00072GK; BFV00072DK; BFV00152GK; BFV00152DK; BFV00074; BFV00154; BFV00224; BFV00224; |
| Panasonic VF-CE | BFVCE0022A; BFVCE0032A; BFVCE0072A; BFVCE0152A; BFVCE0222A; BFVCE0074A; BFVCE0074A; BFVCE0074A; BFVCE0074A |
| Panasonic VF-7E | BFV70022E; BFV70042E; BFV70072E; BFV70074E; BFV70152E; BFV70154E; BFV70222E; BFV70224E; BFV70372E; BFV70374E; BFV70022EBP; BFV70022EP; BFV70042EBP; BFV70042EP; BFV70072EBP; BFV70072EP; BFV70074EP; BFV70152EBP; BFV70152EP; BFV70154EP; BFV70222EBP; BFV70222EP; BFV70224EP; BFV70372EP; BFV70374EP |
| Panasonic VF-7F | BFV70022F; BFV70042F; BFV70072F; BFV70074F; BFV70152F; BFV70154F; BFV70222F; BFV70224F; BFV70372F; BFV70374F; BFV70022FBP; BFV70042FBP; BFV70072FBP; BFV70074FP; BFV70152FBP; BFV70154FP; BFV70222FBP; BFV70224FP; BFV70374FP |
| Panasonic VF-8X | BFV80552X; BFV80554X; BFV80554XP; BFV80752X; BFV80754X; BFV80754XP; BFV81102X; BFV81104X; BFV81104XP; BFV81502X; BFV81504X; BFV81504XP; BFV81902X; BFV81904X; BFV81904XP; BFV82202X; BFV82204X; BFV82204XP; BFV83002X; BFV83004X; BFV83004XP; BFV83702X; BFV83704X; BFV83704XP |
| Panasonic VF-8Z | BFV80554Z; BFV80754Z; BFV81104Z; BFV81504Z; BFV81904Z; BFV82204Z; BFV83004Z; BFV83704Z |
| Panasonic VF-200 | AVF200-0022; AVF200-0022P; AVF200-0042; AVF200-0042P; AVF200-0072; AVF200-0072P; AVF200-0152; AVF200-0152P; AVF200-0222; AVF200-0222P; AVF200-0074; AVF200-0074P; AVF200-0154; AVF200-0154P; AVF200-0224; AVF200-0224P; AVF200-0374; AVF200-0374P; AVF200-0554; AVF200-0554P; AVF200-0754; AVF200-0754P; AVF200-1104; AVF200-1104P; AVF200-1504; AVF200-1504P |
| Panasonic DV-700T | DV700T400A1; DV700T400B1; DV700T400C1; DV700T400D1; DV700T750A1; DV700T750B1; DV700T750C1; DV700T750D1; DV700T1500A1; DV700T1500B1; DV700T1500C1; DV700T1500D1; DV700T2200A1; DV700T2200B1; DV700T2200C1; DV700T2200D1 |
В данной таблице присутствуют далеко не все частотные преобразователи Panasonic ремонт которых предлагает наш сервисный центр.
Ошибки частотного преобразователя Panasonic Electric

В процессе работы выходит из строя даже самое надежное промышленное оборудование. Частотники в наше время, нашли широкое применение абсолютно во всех сферах промышленности, управляя как мини моторами в оргтехнике, так и гигантскими двигателями в горнодобывающей промышленности.
Для простоты общения со столь сложной электроникой все частотные преобразователи оснащены небольшими дисплеями с помощью которых выводятся информационные сообщения с кодами ошибок, расшифровав которые можно сразу же узнать причину ее возникновения. Если учесть распространенность данной промышленной электроники, то появляется острая нужда в расшифровке кодов ошибок частотных преобразователей. В этой статье мы рассмотрим одного из самых известных производителей промышленной электроники имеющему уважение во всем мире, Panasonic и серию приводов VF-0.
Существует несколько видов ошибок, некоторые из них можно устранить автоматически, а некоторые возможно исправить только, обратившись в специализированный сервисный центр. В руководстве пользователя прописаны все коды ошибок частотного преобразователя Panasonic Electric и их расшифровка.
Коды ошибок частотного преобразователя Panasonic VF-0
| Код ошибки | Описание | Причина |
|---|---|---|
| SC1 |
|
|
| SC2 |
|
|
| SC3 |
|
|
| OC1 |
|
|
| OC2 |
|
|
| OC3 |
|
|
| OU1 |
|
|
| OU2 |
|
|
| OU3 |
|
|
| LU |
|
|
| OL |
|
|
| AU |
|
|
| OP |
|
|
| CPU |
|
|
Полное описание ошибок, предупреждений и блокировок с рекомендациями по их устранению вы найдете в документации ниже.
Документация
|
Руководство по эксплуатации преобразователя частоты Panasonic VF-0 |
Скачать PDF |
|
Руководство по эксплуатации преобразователей частоты Panasonic VF-7E, VF-7F, VF-8X, VF-8Z |
Скачать PDF |
|
Руководство по эксплуатации преобразователя частоты Panasonic VF-200 |
Скачать PDF |
|
Руководство по эксплуатации преобразователя частоты Panasonic DV-700T |
Скачать PDF |
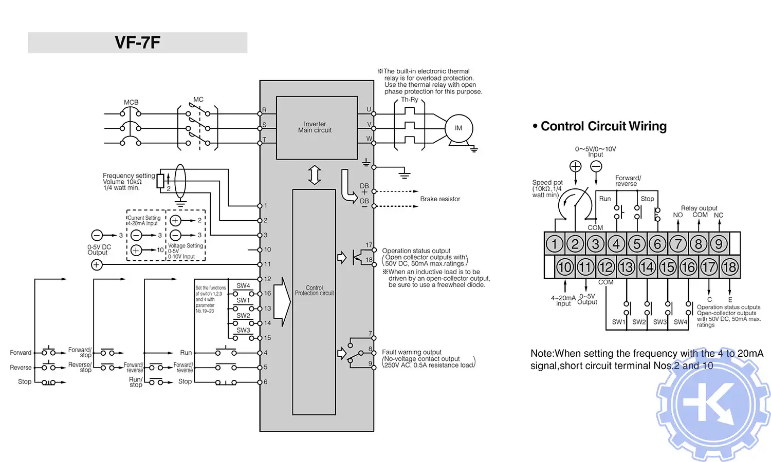
Схемы подключения частотных преобразователей Panasonic Electric
| Схема электрических соединений Panasonic VF-7E, VF-8X, VF-8Z | Схема электрических соединений Panasonic VF-7F |
|
|

Для максимально долгой и безаворийной работы частотных преобразователей важно неукоснительно соблюдать все, что прописано в документации.
Обязательно должны соблюдаться все рекомендации, изложенные в инструкции по монтажу и эксплуатации, в особенности требования по технике безопасности!
Преобразователь частоты разработан таким образом, что он пытается избежать аварийных отключений путем ограничения момента, перенапряжения и т.п.
Появление сбоев при вводе в эксплуатацию или вскоре после него обычно свидетельствует о неверной настройке или неправильном подключении.
Возникновение неисправностей или проблем после длительного режима бесперебойной работы обычно происходит по причине изменений в системе или ее окружении (например, в результате износа).
Дополнительную информацию по частотным преобразователям Panasonic можно посмотреть и скачать на офсайте.
Настройка частотного преобразователя Panasonic Electric, программирование

Настройка частотных преобразователей Panasonic (программирование) происходит в рамках установленных производителем правил, существует общий алгоритм по программированию (настройке частотных преобразователей), относящийся ко всем производителям данного промышленного оборудования. Ниже представлена пошаговая инструкция по настройке частотных преобразователей Panasonic Electric.
- Выбор режима управления приводом Panasonic (управление по показанию датчиков, дистанционное управление, дистанционное управление).
- В случае использования отдельного (выносного) монитора, настраивается вывод на него технической информации.
- Далее определяем конфигурацию подключения серводвигателя. На данной стадии задаются такие параметры как- возможность применения обратной связи либо без ее применения, а в память блока заносятся данные по: величине крутящего момента, мощности потребителей, номинальное значения частоты, напряжение, ток и скорости вращения ротора.

- Программируется минимально допустимая величина напряжения и частоты, а также время ускорения ротора от ноля до номинального значения.
- И в завершении, в программу управления частотным преобразователем Panasonic вносятся функциональные данные со значениями отдельных клемм и особенностями сигналов. Отмечаются действия оборудования, выполняющиеся автоматически при отсутствии информации поступающей в оперативном режиме с датчика.
В некоторых частотниках существует пункт наличия/отсутствия фильтра в цепи питания двигателя. Этот пункт отвечает за подключение различных видов нагрузок, в том случае, когда возможно выбрать нормальное или инверсное изменение частоты при повышении уровня сигнала обратной связи.
Все настройки частотных преобразователей Panasonic Electric приведены в технической документации к частотному преобразователю который можно скачать на свой компьютер, распечатать или просто открыть как на нашем так и на официальном сайте Panasonic Electric.
Оставить заявку на ремонт частотных преобразователей Panasonic Electric
У вас вышел из строя частотник? Вам необходим срочный ремонт частотных преобразователей Panasonic в Гёкдепе? Оставьте заявку на ремонт нажав на одноименную кнопку в верхней правой части экрана либо свяжитесь с нашими менеджерами. Связаться с ними можно несколькими способами:

- Заполнив форму заявки на ремонт (кнопка в правом верхнем углу сайта)
- Позвонив по номеру телефона:
- +7(8482) 79-78-54;
- +7(8482) 55-96-39;
- +7(917) 121-53-01
- Написав на электронную почту: 89171215301@mail.ru
Далеко не полный список производителей промышленной электроники и оборудования, ремонтируемой в нашей компании.
Похожие статьи
-
Другие услуги по ремонту промышленной эелектроники и оборудования
- Ремонт частотных преобразователей в Гёкдепе
- Промышленный привод, ремонт в Гёкдепе
- Ремонт частотных преобразователей Веспер в Гёкдепе
- Ремонт частотного преобразователя Danfoss в Гёкдепе
- Ремонт частотного преобразователя Lenze в Гёкдепе
- Ремонт частотных преобразователей ABB в Гёкдепе
- Ремонт частотных преобразователей Siemens в Гёкдепе
- Ремонт частотного преобразователя INVT в Гёкдепе
- Ремонт частотного преобразователя Schneider Altivar в Гёкдепе
- Частотный преобразователь frenic, ремонт частотников FUJI в Гёкдепе
- Ремонт частотного преобразователя Delta в Гёкдепе
- Частотный преобразователь VACON, ремонт частотника в Гёкдепе
- Ремонт частотных преобразователей KEB в Гёкдепе
- Ремонт частотного преобразователя Omron в Гёкдепе
- Частотный преобразователь Mitsubishi Electric, ремонт привода в Гёкдепе
- Ремонт частотников Emerson - Control techniques, Unidrive - Commander в Гёкдепе
- Ремонт частотного преобразователя Yaskawa в Гёкдепе
- Allen Bradley преобразователи частоты, ремонт Allen Bradley в Гёкдепе
- Ремонт частотника Baumuller в Гёкдепе
- Преобразователи частоты Bosch Rexroth, ремонт Bosch Rexroth в Гёкдепе
- Ремонт Rexroth Indramat в Гёкдепе
- Fanuc, ремонт привода в Гёкдепе
- Ошибки и ремонт частотных преобразователей Emotron в Гёкдепе
- Ремонт частотного преобразователя KONE в Гёкдепе, ошибки
- Ошибки и ремонт частотного преобразователя STOBER POSIDRIVE в Гёкдепе
- Ошибки и ремонт частотного преобразователя ESQ в Гёкдепе
- Ошибки и ремонт частотного преобразователя INNOVERT в Гёкдепе
- Ошибки и ремонт частотных преобразователей BONFIGLIOLI в Гёкдепе
- Ошибки и ремонт частотных преобразователей WILO в Гёкдепе
- Ремонт частотных преобразователей SIRIO и NETTUNO в Гёкдепе, ошибки
- Ошибки и ремонт частотных преобразователей HYUNDAI в Гёкдепе
- Ошибки и ремонт частотных преобразователей IDS-DRIVE в Гёкдепе
- Ошибки и ремонт частотных преобразователей LG LS в Гёкдепе
- Ошибки и ремонт частотных преобразователей HYDROVAR в Гёкдепе
- Ошибки и ремонт частотных преобразователей SEW-EURODRIVE в Гёкдепе
- Ошибки и ремонт частотных преобразователей ОВЕН в Гёкдепе
- Ошибки и ремонт частотных преобразователей HITACHI в Гёкдепе
- Ошибки и ремонт частотных преобразователей TOSHIBA в Гёкдепе
- Ошибки и ремонт частотных преобразователей IEK в Гёкдепе
- Ошибки и ремонт частотных преобразователей PROSTAR в Гёкдепе
- Ошибки и ремонт частотных преобразователей GEFRAN в Гёкдепе
- Ошибки и ремонт частотного преобразователя OTIS в Гёкдепе
- Ошибки и ремонт частотного преобразователя SANTERNO в Гёкдепе
- Ремонт и программирование частотных преобразователей ARKEL A-DRIVE в Гёкдепе
- Ремонт и программирование частотных преобразователей SIEI ARTDrive в Гёкдепе
- Ошибки и ремонт частотных преобразователей Schindler Biodyn в Гёкдепе
- Ошибки и ремонт частотных преобразователей Sigma LG в Гёкдепе
- Ошибки и ремонт частотных преобразователей THYSSEN в Гёкдепе
- Ошибки и ремонт частотных преобразователей Macpuarsa в Гёкдепе
- Ошибки и ремонт частотных преобразователей Canny в Гёкдепе
- Ошибки и ремонт частотных преобразователей ERMAN в Гёкдепе
- Ошибки и ремонт частотных преобразователей EKF в Гёкдепе
- Ошибки и ремонт частотных преобразователей INOVANCE в Гёкдепе
- Ошибки и ремонт частотных преобразователей KUKA в Гёкдепе
- Ошибки и ремонт частотных преобразователей DEMAG в Гёкдепе
- Ошибки и ремонт частотных преобразователей EuraDrives в Гёкдепе
- Ошибки и ремонт частотных преобразователей Parker в Гёкдепе
- Ошибки и ремонт частотных преобразователей NIDEC в Гёкдепе
- Ошибки и ремонт частотных преобразователей NORD в Гёкдепе
- Ошибки и ремонт частотных преобразователей Panasonic в Гёкдепе
- Ошибки и ремонт частотных преобразователей Eurotherm в Гёкдепе
- Ошибки и ремонт частотных преобразователей Berges в Гёкдепе
- Ошибки и ремонт частотных преобразователей Hormann в Гёкдепе
- Все услуги по ремонту промышленной электроники и оборудования

Скачать PDF
