Частотный преобразователь frenic, ремонт частотников FUJI в Ходжавенде
Ремонт частотного преобразователя FUJI
Ремонт частотного преобразователя frenic от знаменитого производителя Fuji Electric, впрочем, как и ремонт частотников других производителей имеет ряд особенностей в силу своего конструктива. Частотные преобразователи, точнее их начинка делятся на две части:
- Аппаратная часть,
- Программная часть.
Частотники данного производителя не являются исключением из правил, именно поэтому ремонт частотного преобразователя FUJI frenic будет иметь точно такой же ряд особенностей, как и у других преобразователей.
Диагностировать ту или иную неисправность помогают коды ошибок частотного преобразователя, которые отображаются на небольшом дисплее, расположенном на лицевой панели привода. У каждого производителя ПЧ свой набор кодов ошибок выводящиеся на информационную панель частотного преобразователя.
Ремонт частотных преобразователей Fuji, впрочем, как и любых других частотников выпущенных под другими брендами всегда начинается с аппаратной части, после успешного ремонта аппаратной части наступает очередь программной.
Настройка частотного преобразователя frenic прописана в инструкции завода производителя, для каждой серии частотных преобразователей настройка будет индивидуальной, так как каждая линейка преобразователей решает свои собственные задачи, этим обусловливается широкая номенклатура данного промышленного оборудования.
Программирование, настройка частотного преобразователя Fuji frenic
Настройка частотных преобразователей frenic (программирование) происходит в рамках установленных производителем правил, существует общий алгоритм по программированию (настройке частотных преобразователей), относящийся ко всем производителям данного промышленного оборудования. Ниже представлена пошаговая инструкция по настройке частотных преобразователей Fuji.
- Выбор режима управления приводом frenic (управление по показанию датчиков, дистанционное управление, дистанционное управление).
- В случае использования отдельного (выносного) монитора, настраивается вывод на него технической информации.
- Далее определяем конфигурацию подключения серводвигателя. На данной стадии задаются такие параметры как- возможность применения обратной связи либо без ее применения, а в память блока заносятся данные по: величине крутящего момента, мощности потребителей, номинальное значения частоты, напряжение, ток и скорости вращения ротора.
- Программируется минимально допустимая величина напряжения и частоты, а также время ускорения ротора от ноля до номинального значения.
- И в завершении, в программу управления частотным преобразователем frenic вносятся функциональные данные со значениями отдельных клемм и особенностями сигналов. Отмечаются действия оборудования, выполняющиеся автоматически при отсутствии информации поступающей в оперативном режиме с датчика.
В некоторых преобразователях частоты существует пункт наличия/отсутствия фильтра в цепи питания двигателя. Этот пункт отвечает за подключение различных видов нагрузок, в том случае, когда возможно выбрать нормальное или инверсное изменение частоты при повышении уровня сигнала обратной связи.
Частотный преобразователь Fuji Electric инструкция на русском, скачать
Компания Fuji выпускает восемь основных линеек преобразователей частоты от компактных до общепромышленных:
- FVR Micro (от 0.2 кВт до 2.2 кВт – 220V и от 0.4 кВт до 3.7 кВт – 380V);
- FRENIC Mini FRN-C2 (от 0.1 кВт до 2.2 кВт – 220V и от 2.2 кВт до 15 кВт – 380V);
- FRENIC Multi (от 0.1 кВт до 2.2 кВт – 220V и от 0.4 кВт до 15 кВт – 380V);
- FRENIC Mega (от 0.4 кВт до 630 кВт – 380V);
- FRENIC Eco (от 0.75 кВт до 500 кВт – 380V);
- FRENIC Aqua (от 37 кВт до 90 кВт – 380V);
- FRENIC Lift (от 4 кВт до 45 кВт – 380V);
- FRENIC FRN-G11S-4EN (от 0.4 кВт до 400 кВт – 380V).
Все настройки частотных преобразователей Fuji Electric серии FRENIC приведены в технической документации ниже в удобном формате (PDF) который можно скачать на свой компьютер, распечатать или просто открыть на нашем сайте.
|
Частотный преобразователь Fuji FVR Micro инструкция на руссокм. |
|
|
Частотный преобразователь Fuji FRENIC Mini FRN-C2 инструкция на руссокм. |
|
|
Частотный преобразователь Fuji FRENIC Multi инструкция на руссокм. |
|
|
Частотный преобразователь FRENIC Mega инструкция на руссокм. |
|
|
Частотный преобразователь FRENIC Eco инструкция на руссокм. |
|
|
Частотный преобразователь FRENIC Aqua инструкция на руссокм. |
|
|
Частотный преобразователь FRENIC Lift инструкция на руссокм. |
|
|
Частотный преобразователь FRENIC FRN-G11S-4EN инструкция на руссокм. |
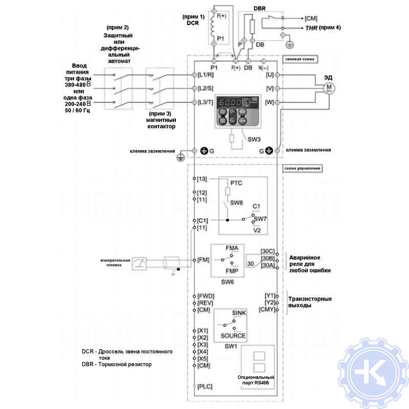
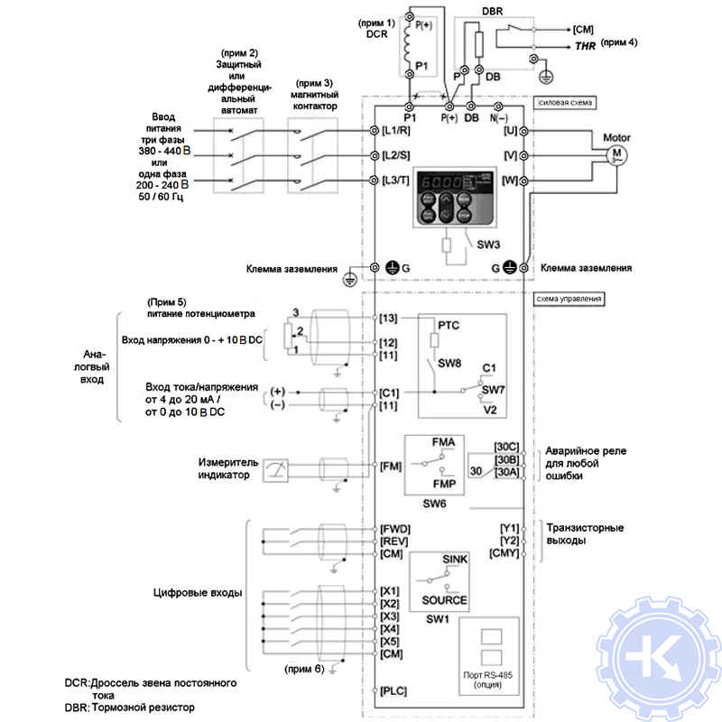
Схемы подключения частотных преобразователей Fuji серии FRENIC
Частотные преобразователи Fuji имеют довольно широкий спектр применения, от управления небольшими двигателями систем вентиляции (FVR Micro) до грузоподъемных механизмов и промышленных конвейерных линий (FRENIC Mega).
Схемы подключений преобразователей частоты отличаются друг от друга в зависимости от модели ПЧ, потребляемой нагрузкой и соответственно схема подключения преобразователя к сети 220V отличается от схемы подключения к промышленной сети 380V.
Ниже приведены схемы подключения частотных преобразователей FRENIC Multi и FRENIC Mega
Ремонт частотных преобразователей Fuji в сервисном центре
Компания «Кернел» производит ремонт частотных преобразователей Fuji Electric в Ходжавенде с 2002 года. За время существования компании наши сотрудники накопили колоссальный опыт в ремонте преобразователей частоты такого известного производителя как Fuji. Ремонт подобного промышленного оборудования ответственное и сложное занятие, требующие максимальной отдачи, профессионализма и максимально полной материальной базе.
Наш сервисный центр выполняет ремонт всей линейки ПЧ Fuji Electric:
- Ремонт частотного преобразователя FVR Micro;
- Ремонт частотного преобразователя FRENIC Mini FRN-C2;
- Ремонт частотного преобразователя FRENIC Multi;
- Ремонт частотного преобразователя FRENIC Mega;
- Ремонт частотного преобразователя FRENIC Eco;
- Ремонт частотного преобразователя FRENIC Aqua;
- Ремонт частотного преобразователя FRENIC Lift;
- Ремонт частотного преобразователя FRENIC FRN-G11S-4EN.
Специалисты нашего сервисного центра максимальное внимание уделяют качеству исполнения ремонта, программирования и настройке промышленных преобразователей частоты, не зависимо от производителя данного промышленного оборудования. Именно поэтому мы смело даем гарантию на все выполненные работы шесть месяцев.
Ремонт частотных преобразователей Fuji Electric в Ходжавенде производится исключительно с использованием оригинальных запасных частей, на компонентном уровне с применением высокотехнологичного оборудования, квалифицированным персоналом с инженерным образованием.
В случае выхода из строя преобразователя частоты на вашем производстве либо появились проблемы с приводом, которые вы не можете решить самостоятельно, мы всегда рады вам помочь. Специалисты нашего сервисного центра в минимальные сроки проведут глубокую диагностику с последующим ремонтом частотного преобразователя Fuji Electric серии FRENIC. Оставьте заказ на ремонт промышленного оборудования используя форму на сайте, либо свяжетесь с нашими менеджерами, сделать это очень просто.
Оставить заявку на ремонт частотного преобразователя FUJI
У вас остались вопросы, связанные с ремонтом частотных преобразователей Fuji Electric в Ходжавенде? Оставьте заявку на ремонт нашим менеджерам. Связаться с ними можно несколькими способами:

- Заполнив форму заявки на ремонт (кнопка в правом верхнем углу сайта)
- Позвонив по номеру телефона:
- +7(8482) 79-78-54;
- +7(8482) 55-96-39;
- +7(917) 121-53-01
- Написав на электронную почту: 89171215301@mail.ru

Скачать PDF

