Коды ошибок частотного преобразователя Lenze

Ошибки частотного преобразователя Lenze SMDЧастотные преобразователи относятся к сложной промышленной электронике достаточно дорогой и в тоже время широко распространенной по всему миру. На сегодняшний день трудно себе даже представить какое-либо производство, на котором бы не работало данное промышленное оборудование.

К сожалению, в процессе эксплуатации выходит из строя даже самое надежное промышленное оборудование. В данной статье мы разберем частотный преобразователь Lenze, а точнее коды ошибок частотного преобразователя Lenze 8200 SMD и TMD, коды ошибок и их расшифровка. Частотники в наше время нашли широкое применения в абсолютно всех сферах промышленности управляя как мини моторами в оргтехнике, так и гигантскими двигателями в горнодобывающей промышленности.

Ошибки частотного преобразователя Lenze TMDДля простоты общения со столь сложной электроникой все частотные преобразователи оснащены небольшими дисплеями с помощью которых выводятся информационные сообщения с кодами ошибок, расшифровав которые можно сразу же узнать причину ее возникновения. Если учесть распространенность данной промышленной электроники, то появляется острая нужда в расшифровке кодов ошибок частотных преобразователей.

Коды ошибок частотных преобразователей у каждого производителя свои при этом коды ошибок могут отличатся даже у одного и того же производителя, разные принципы работы или серия ЧП.

Существует несколько видов ошибок, некоторые из них можно устранить автоматически, а некоторые возможно исправить только, обратившись в специализированный сервисный центр. В таблицах ниже приведены все коды ошибок частотного преобразователя Lenze и их расшифровка, то есть причина по которой возникла та или иная ошибка.

Коды ошибок частотного преобразователя Lenze серии SMD

Коды ошибок частотного преобразователя Lenze SMD, информирующие о состоянии привода.

Сообщение об ошибке

Причина

Исправление

Код ошибки

Описание ошибки

50.0

Выходная частота.

Безаварийная работа.

OFF

Стоп.

На выходных клеммах U,V,W нет напряжения.

Низкий уровень на клемме 28.

Inh

Блокировка преобразователя частоты.

На выходных клеммах U,V,W нет напряжения.

Привод настроен на управление от удаленного пульта или через последовательный порт.

  • Запустите привод через пульт или последовательный порт.

StP

Выходная частота 0Гц.

На выходных клеммах U,V,W нет напряжения.

Заданная частота равна 0 (С31 = 0).

  • Изменить задание отличным от 0.

Активирована функция «Быстрый останов»

  • Деактивировать функцию «Быстрый останов»

br

Торможение постоянным током.

Активирована функция «Торможение DC»

  • Деактивировать функцию «Торможение DC»
  • Дискретный вход = LOW
  • Автоматически по истечению времени с06.

CL

Достигнут предел ограничения тока.

Контролируемая перегрузка.

  • Автоматически.

LU

Недостаточное напряжение.

Слишком низкое напряжение питающей сети.

  • Проверьте напряжение питающей сети.

dEC

Перенапряжение при Торможении.

Слишком интенсивное торможение или большая нагрузка.

  • Если перенапряжение длится более 1 секунды привод переходит в состояние OU.

nEd

Нет доступа к кодам.

Выйти из этого режима можно только остановив привод.

  • Подать на клемму 28 сигнал низкого уровня.

rC

Активен удаленный пульт.

Попытка использовать кнопку на панели контроллера.

  • При использовании удаленного пульта управления кнопки на частотном преобразователе не активны.

В отличии от верхней таблицы коды которой больше показывают состояние привода, в нижней таблице представлены все коды ошибок ЧП Lenze с подробными пояснениями по их устранению.

Коды ошибок частотного преобразователя Lenze SMD и их расшифровка.

Сообщение об ошибке

Причина

Исправление

Код ошибки

Описание ошибки

cF

Ошибка данных

Неверные данные.

  • Откорректируйте данные.
  • Вернитесь к заводским настройкам.

CF

Ошибка данных.

FI

Ошибка EPM

ЕРМ «завис» либо неисправен.

  • Выключите питание и замените ЕРМ

CFG

Неоднозначная конфигурация

Входам E1…E3 присвоены одинаковые функции.

  • Каждая функция может быть назначена только 1 раз

Включена функция или UP или DOWN.

  • Проверьте правильность подключения цепей управления

dF

Ошибка динамического торможения

Перегрев резистора динамического торможения.

  • Увеличьте время замедления.

EEr

Внешняя ошибка

Триггер «Авария» активен СЕ1..3 = 10.

  • Устраните внешнюю ошибку.

F2

FO

Внутренняя ошибка

  • Возвратите частотный преобразователь для диагностики и ремонта.

FС3

Ошибка коммуникации

Вышло время ожидания таймера.

  • Проверьте соединения.

FС5

Ошибка коммуникации

Ошибка последовательного соединения.

  • Возвратите частотный преобразователь для диагностики и ремонта.

JF

Ошибка удаленного пульта

Пульт не подсоединён.

  • Проверьте соединение пульта.

LC

Блокировка автоматического пуска

c42 = 0.

  • Измените потенциал клеммы 28 с LOW на HI.

OC1

Короткое замыкание или перегрузка частотного преобразователя

Короткое замыкание.

  • Устраните причину короткого замыкания и проверьте кабель.

Слишком высокое емкостное сопротивление кабеля двигателя.

  • Используйте более короткий кабель двигателя либо кабель с меньшей погонной емкостью.

Задано слишком малое время

разгона C12.

  • Увеличьте время разгона. Неправильно выбран преобразователь частоты.

Дефекты кабеля двигателя.

  • Замените кабель.

Неисправность двигателя.

  • Замените двигатель.

Частая и длительная перегрузка.

  • Неправильно выбран преобразователь частоты.

OC2

Замыкание на землю

Замыкание на землю на выходе преобразователя частоты.

  • Проверьте кабель двигателя.
  • Проверьте изоляцию обмоток двигателя.

OC6

Перегрузка двигателя

Перегрузка из-за слишком большого значения I2t. Слишком частые или длительные режимы торможения и ускорения.

  • Неправильно выбран частотный преобразователь.
  • Перед повторным пуском охладите двигатель.

OH

Перегрев частотного преобразователя

Повышенная температура преобразователя частоты.

  • Уменьшите нагрузку на частотный преобразователь.
  • Улучшите охлаждение преобразователя частоты.

OU

Перегрузка по цепям постоянного тока

Сетевое напряжение завышено.

  • Проверьте напряжение питания.

Слишком маленькое время торможения.

  • Увеличьте время торможения.

rSt

Невозможен автоматический сброс триггера «Авария»

Более 8 ошибок за 10 мин.

  • В зависимости от сообщений об ошибках

SdS

Потеря сигнала 4-20мА

Сигнал менее 2мА при 4 – 20мА.

  • Проверьте сигнал / сигнальные провода.

SF

Обрыв одной фазы

Обрыв питающей фазы.

  • Проверьте напряжение питания.

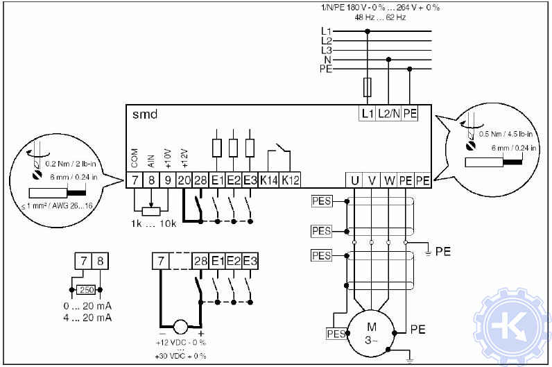
В некоторых случаях могут понадобится принципиальные схемы по подключению частотного преобразователя Lenze это особенно актуально по прошествии определенного времени, когда данное оборудование производитель снимет с производства и в случае отсутствия документации взять информацию буде неоткуда.

Подключение частотного преобразователя Lenze SMD Схема подключения частотного преобразователя Lenze SMD

Коды ошибок частотного преобразователя Lenze серии TMD

Как уже было описано выше коды шибок частотных преобразователей могут отличаться даже у одного и тогоже производителя, в данном случае Lenze и преобразователи отличаются серией, выше была описана серия SMD сейчас мы рассмотрим коды ошибок частотного преобразователя Lenze серии TMD.

Коды ошибок частотного преобразователя Lenze TMD, информирующие о состоянии привода.

Сообщение об ошибке

Причина

Исправление

Код ошибки

Описание ошибки

e.g.50.0

Выходная частота.

Безаварийная работа.

OFF

Стоп.

Низкий уровень на клемме 28.

Inh

Запрет по выходам U,V,W.

Отсутствует установка задания.

StP

Выходная частота 0Гц.

Заданная частота равна 0.

  • Изменить задание отличным от 0.

Активирована функция «Быстрый останов»

  • Деактивировать функцию «Быстрый останов»

FSt

Попытка быстрого рестарта после ошибки.

c42 = 2, 3

br

Торможение постоянным током.

Активирована функция «Торможение DC»

  • Деактивировать функцию «Торможение DC»

CAL

Процесс автонастройки.

с48 = 1 и клемма 28 = HIGH

  • Только при С14 = 4..7

CL, FCL

Достигнут предел ограничения тока.

Контролируемая перегрузка.

  • Автоматически.

LU

Низкое напряжение.

Слишком низкое напряжение питающей сети.

Проверьте напряжение питающей сети.

dEC

Перенапряжение при Торможении.

Слишком интенсивное торможение или большая нагрузка.

  • Если перенапряжение длится более 1 секунды привод переходит в состояние OU.

nEd

Нет доступа к кодам.

Выйти из этого режима можно только остановив привод.

  • Подать на клемму 28 сигнал низкого уровня.

rC

Активен удаленный пульт.

Попытка использовать кнопку на панели контроллера.

  • При использовании удаленного пульта управления кнопки на частотном преобразователе не активны.

В отличии от верхней таблицы коды которой больше показывают состояние привода, в нижней таблице представлены все коды ошибок ЧП Lenze с подробными пояснениями по их устранению.

Коды ошибок частотного преобразователя Lenze TMD и их расшифровка.

Сообщение об ошибке

Причина

Исправление

Код ошибки

Описание ошибки

Ad

Ошибка частотного преобразователя A/D

  • Обратитесь в сервисный ценрт.

bF

Ошибка идентификации.

Данные С93 не соответствуют приводу.

  • Откорректируйте данные.
  • Вернитесь к заводским установкам.

cF

Ошибка данных.

Неверные данные

CF

Ошибка данных

GF

Данные с ПК неверны

FI

Ошибка привода.

Частотный преобразователь «завис» / неисправен.

  • Выключите питание и перезапустите частотный преобразователь.
  • Замените ПЧ (ЕРМ).

CFG

Неоднозначная конфигурация.

Входам E1…E4 присвоены одинаковые функции.

  • Каждая функция может быть назначена только 1 раз.

Включена функция UP или DOWN

  • Проверьте правильность подключения цепей управления.

dF

Ошибка динамического торможения.

Перегрев резистора динамического торможения.

  • Увеличьте время замедления.

LC

Блокировка автоматического пуска

c42 = 0

  • Изменить потенциал клеммы 28 с 0 на 1

EEr

Внешняя ошибка

Триггер «Авария» активен.

  • Устраните внешнюю ошибку.

F2..FO

Внутренняя ошибка

  • Возвратите ПЧ для диагностики и ремонта.

FC3, FC5

Ошибка коммуникации.

  • Проверьте соединения.

JF

Ошибка в удаленной клавиатуре.

Клавиатура не подключена.

  • Проверьте соединение.

nId

Ошибка автонастройки.

Попытка автонастройки перед установкой параметров С86..С91.

  • Вначале устанавливаются параметры С86..С91 а затем производится автонастройка.

OC1

Короткое замыкание или перегрузка частотного преобразователя.

Короткое замыкание.

  • Найдите и устраните причину короткого замыкания.

Задано слишком малое время разгона C12.

  • Увеличьте время разгона. Неправильно выбран частотный преобразователь.

Дефекты кабеля двигателя.

  • Замените кабель.

Неисправность двигателя.

  • Замените двигатель.

Частая и длительная перегрузка.

  • Неправильно выбран частотный преобразователь.

OC2

Замыкание на землю.

Замыкание на землю на выходе преобразователя частоты.

  • Проверьте соединительные кабели между ПЧ и двигателем.
  • Проверьте изоляцию двигателя.

OC6

Перегрузка двигателя.

Перегрузка из-за слишком большого значения I2t.

Слишком частые или длительные режимы торможения и ускорения.

  • Проверьте настройку тепловой защиты и нагрузку двигателя. Перед повторным пуском охладите двигатель.

LP1

Обрыв фазы мотора.

Разомкнутая цепь на выходе привода.

  • Проверьте кабель мотора.

OH

Перегрев частотного преобразователя.

Повышенная температура преобразователя частоты.

  • Уменьшите нагрузку на преобразователь частоты.
  • Улучшите охлаждение частотного преобразователя.

OU

Перегрузка по цепям

Завышенное сетевое напряжение.

  • Проверьте напряжение питания постоянного тока.

Малое время торможения.

  • Увеличьте время торможения.

rF

Ошибка подхвата

Привод не может синхронизироваться с мотором во время подхвата.

  • Проверьте мотор.

rSt

Невозможен автоматический сброс триггера «Авария»

Более 8 ошибок за 10 мин.

  • В зависимости от сообщений об ошибках.

SdS

Ошибка токового задания

Аналоговый сигнал < 2 мА (С34 = 5).

  • Проверьте сигнал/ сигнальный провод.

SF

Обрыв одной фазы

Обрыв фазы питания.

  • Проверьте напряжение питания.

Схема подключения частотного преобразователя Lenze TMD Программирование частотного преобразователя Lenze TMD

Сброс ошибок и Ремонт частотников в сервисном центре

Компания «Кернел» производит ремонт промышленной электроники и оборудования с 2002 года. За это время мы накопили колоссальный опыт в том числе опыт в ремонте частотных преобразователей Lenze серии SMD и TMD. Логотип компании 'Кернел'Ремонт подобной промышленной электроники ответственное и сложное занятие, требующие максимальной отдачи, профессионализма и максимально полной материальной базе.

Специалисты нашего сервисного центра уделяют максимальное внимание к качеству исполнения ремонта, программирования и настройке промышленного преобразователя частоты, не зависимо от производителя данного промышленного оборудования. Именно поэтому мы смело даем гарантию на все выполненные работы шесть месяцев.

Ремонт промышленной электроники производится исключительно с использованием оригинальных запасных частей, на компонентном уровне с применением высокотехнологичного оборудования, квалифицированным персоналом с инженерным образованием.

Если на вашем производстве появились проблемы с частотным преобразователем, которые вы не можете решить самостоятельно, мы всегда рады вам помочь. Обращайтесь в сервисный центр «Кернел». Специалисты нашей компании в минимальные сроки проведут глубокую диагностику и последующий ремонт частотного преобразователя. Оставьте заказ на ремонт оборудования используя форму на сайте, либо свяжетесь с нашими менеджерами, сделать это очень просто.

Как с нами связаться

У вас остались вопросы, связанные с ремонтом, программированием и настройкой частотного преобразователя Lenze? Задайте их нашим менеджерам. Связаться с ними можно несколькими способами:

Наши контакты

  • Заполнив форму заявки на ремонт (кнопка в правом верхнем углу сайта)
  • Позвонив по номеру телефона:
    • +7(8482) 79-78-54;
    • +7(8482) 55-96-39;
    • +7(917) 121-53-01
  • Написав на электронную почту: 89171215301@mail.ru

Похожие статьи