Ошибки Altistart, ремонт и сброс ошибок УПП в Каахке
Сброс ошибок и Ремонт устройства плавного пуска Altistart в сервисном центре
 Компания «Кернел» производит ремонт устройств плавного пуска Altistart в Каахке с 2002 года. За это время мы накопили колоссальный опыт в том числе опыт в ремонте УПП такого известного производителя как Schneider Electric. Ремонт подобной промышленной электроники ответственное и сложное занятие, требующие максимальной отдачи, профессионализма и максимально полной материальной базе.
Компания «Кернел» производит ремонт устройств плавного пуска Altistart в Каахке с 2002 года. За это время мы накопили колоссальный опыт в том числе опыт в ремонте УПП такого известного производителя как Schneider Electric. Ремонт подобной промышленной электроники ответственное и сложное занятие, требующие максимальной отдачи, профессионализма и максимально полной материальной базе.
Устройство плавного пуска Altistart оснащено информационной панелью, призванной сделать общение оператора и УПП максимально легким и комфортным. При вводе в эксплуатацию оборудования с помощью данной панели устройство программируется и настраивается, а в случае непредвиденной ситуации на панель УПП выводится ошибка, вызвавшая аварийную остановку оборудования. В таблицах ниже приведены все возможные ошибки Altistart 22. Устранив причину ошибки и сбросив ее на устройстве плавного пуска позволит в кратчайшие сроки возобновить работу. К сожалению не все ошибки можно исправить самостоятельно, некоторые ошибки возможно исправить только в специализированных сервисных центрах.
Специалисты нашего сервисного центра уделяют максимальное внимание к качеству исполнения ремонта, программирования и настройке УПП в Каахке, не зависимо от производителя данного промышленного оборудования. Именно поэтому мы смело даем гарантию на все выполненные работы шесть месяцев.
Ремонт устройств плавного пуска Altistart производится исключительно с использованием оригинальных запасных частей, на компонентном уровне с применением высокотехнологичного оборудования, квалифицированным персоналом с инженерным образованием.
Если на вашем производстве появились проблемы с плавным пуском, которые вы не можете решить самостоятельно, мы всегда рады вам помочь. Обращайтесь в сервисный центр «Кернел». Специалисты нашей компании в минимальные сроки проведут глубокую диагностику и последующий ремонт УПП Altistart в Каахке. Оставьте заказ на ремонт оборудования используя форму на сайте, либо свяжетесь с нашими менеджерами.
Сообщения, отображаемые на дисплее УПП Altistart – ошибки
| Код ошибки | Описание | Способ устранения | 
| bPF | Неисправность байпасного контактора | 
 | 
| CFF | Некорректная конфигурация при подаче питания | 
 | 
| EtF | Внешняя неисправность | 
 | 
| GrdF | Отключение по току утечки | 
 | 
| InF | Внутренняя неисправность | Выключить и включить питание цепей управления. Если неисправность не исчезла, обратиться в сервисный центр или в Schneider Electric | 
| OCF | Перегрузка по току | 
 | 
| OHF | Перегрев устройства ATS22 | 
 | 
| OLF | Перегрузка электродвигателя | 
 | 
| OSF | Высокое напряжение | 
 | 
| OtF | Перегрев электродвигателя • перегрев обнаруживается датчиками PTC | 
 | 
| PHbd | Асимметрия фаз | 
 | 
| PHF | Обрыв фазы (на стороне питающей сети или двигателя) | 
 | 
| Частота сети вне допустимых пределов Функция защиты конфигурируется в меню PrO | 
 | |
| PIF | Чередование фаз Порядок чередования фаз не соответствует сконфигурированному параметром PHr в меню PrO | 
 | 
| trAP | Код прерывания | 
 | 
| SCF | Короткое замыкание: 
 | 
 | 
| SLF | Тайм-аут Modbus | 
 | 
| SnbF | Слишком большое число пусков | 
 | 
| SSCr | Замыкание тиристоров или неправильное подключение | 
 | 
| StF | Ошибка: несоответствие времени пуска 
 | 
 | 
| tbS | Слишком большое число пусков | 
 tbS появляется после аварийного сообщения SnbF, если предпринята попытка сброса неисправности до истечения времени таймера | 
| UCF | Недогрузка по току | 
 | 
| USF | Низкое напряжение или его отсутствие | 
 | 
Ошибки устройства плавного пуска Altistart 22, отображаемые на дисплее выносного терминала
| Сообщение | Описание | Доп. информация | 
| InIt | Инициализация | Инициализация микроконтроллера Поиск конфигурации соединения | 
| COME | Обрыв связи | Тайм-аут 50 мс Сообщение появляется после 20 попыток установить соединение | 
| A-17 | Некорректная работа клавиши | 
 | 
| CLr | Подтвердить сброс неисправности | Сообщение появляется, если: Была нажата кнопка STOP в то время как устройство ATS22 отключилось по аварийному сигналу | 
| dEUE | Несоответствие с ATS22 | Несоответствие типов выносного терминала и подключаемого устройства | 
| rOME | Неисправность ПЗУ | Неисправность ПЗУ выносного терминала | 
| rAME | Неисправность ОЗУ | Неисправность ОЗУ выносного терминала | 
| CPUE | Неисправность процессора | Неисправность процессора выносного терминала | 
Скачать руководство пользователя для устройства плавного пуска Altistart 22 (Schneider Electric)
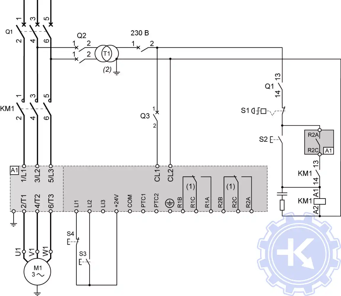
Схемы Altistart 22 в цепях питания двигателя
Ремонт УПП Altistart 22, сброс ошибок в сервиском центре
 Некоторые модели устройств плавного пуска для удобства оснащены индикационными панелями, с помощью которых можно программировать УПП, а также увидеть ошибки в случае аварийного останова оборудования. В данной статье мы рассмотрели ошибки Altistart, а точнее ошибки устройства плавного пуска Schneider Electric серии Altistart 22. УПП в наше время нашли широкое применение в абсолютно всех сферах промышленности защищая ваши электродвигатели и максимально продлевая их безаварийную работу.
Некоторые модели устройств плавного пуска для удобства оснащены индикационными панелями, с помощью которых можно программировать УПП, а также увидеть ошибки в случае аварийного останова оборудования. В данной статье мы рассмотрели ошибки Altistart, а точнее ошибки устройства плавного пуска Schneider Electric серии Altistart 22. УПП в наше время нашли широкое применение в абсолютно всех сферах промышленности защищая ваши электродвигатели и максимально продлевая их безаварийную работу.
Для простоты общения со столь сложной электроникой некоторые устройства оснащены небольшими дисплеями с помощью которых выводятся информационные сообщения с кодами ошибок, расшифровав которые можно сразу же узнать причину ее возникновения. Если учесть распространенность данной промышленной электроники, то появляется острая нужда в расшифровке кодов ошибок плавного пуска. В этой статье мы привели в пример одного из самых известных производителей промышленного оборудования имеющему уважение во всем мире, Schneider Electric.
Существует несколько видов ошибок, некоторые из них можно устранить автоматически, а некоторые возможно исправить только, обратившись в специализированный сервисный центр. В таблицах ниже приведены коды ошибок УПП Altistart 22 их расшифровка и методы устранения.
Если ошибки Altistart самостоятельно исправить невозможно специалисты нашего сервисного центра с радостью придут на помощь, восстановят неисправный блок сделают сброс ошибок УПП Altistart и все это в максимально сжатые сроки за 20% - 40% от стоимости новогого устройства плавного пуска.
Оставьте заявку на ремонт и сброс ошибок УПП Altistart с помощью формы на сайте или свяжитесь с нашими менеджерами, сделать это можно несколькими способами.
Оставить заявку на сброс ошибок и ремонт УПП Altistart
У вас остались вопросы, связанные с ремонтом, сбросом ошибок, программированием и настройкой УПП? Оставьте заявку на сброс ошибок и ремонт УПП Altistart в Каахке нашим менеджерам. Связаться с ними можно несколькими способами:

- Заполнив форму заявки на ремонт (кнопка в правом верхнем углу сайта)
- Позвонив по номеру телефона:
- +7(8482) 79-78-54;
- +7(8482) 55-96-39;
- +7(917) 121-53-01
- Написав на электронную почту: 89171215301@mail.ru
 
     
     
     
     
     
     
     
     
     
    



