Ошибки и ремонт частотных преобразователей HITACHI в Каменск-Уральском
Ремонт частотных преобразователей HITACHI
Ремонт частотного преобразователя HITACHI, впрочем, как и ремонт частотников других производителей имеет ряд особенностей в силу своего конструктива. Частотные преобразователи, точнее их начинка делятся на две части:
- Аппаратная часть,
- Программная часть.
Частотники данного производителя не являются исключением из правил, именно поэтому ремонт частотного преобразователя HITACHI имеет точно такой же ряд особенностей, как и у других преобразователей.
Диагностировать ту или иную неисправность помогают коды ошибок частотного преобразователя, которые отображаются на небольшом дисплее, расположенном на лицевой панели привода. Коды ошибок частотного преобразователя HITACHI в зависимости от серии описаны в инструкции, пользователя которые можно скачать с нашего сайта.
Ремонт частотных преобразователей HITACHI в Каменск-Уральском, как и любых других преобразователей, выпущенных под другими брендами, всегда начинается с аппаратной части, после успешного ремонта аппаратной части наступает очередь программной.
Настройка частотного преобразователя HITACHI также прописана в инструкции завода производителя, для каждой серии частотных преобразователей настройка будет индивидуальной, так как каждая линейка преобразователей решает свои собственные задачи, этим обусловливается широкая номенклатура данного промышленного оборудования.
Ремонт частотных преобразователей HITACHI в сервисном центре
Компания «Кернел» производит ремонт частотных преобразователей HITACHI в Каменск-Уральском с 2002 года. За время существования компании наши сотрудники накопили колоссальный опыт в ремонте преобразователей частоты такого известного производителя как HITACHI. Ремонт подобного промышленного оборудования ответственное и сложное занятие, требующие максимальной отдачи, профессионализма и максимально полной материальной базе.
Специалисты нашего сервисного центра максимальное внимание уделяют качеству исполнения ремонта, программирования и настройке промышленных преобразователей частоты, не зависимо от производителя данного промышленного оборудования. Именно поэтому мы смело даем гарантию на все выполненные работы шесть месяцев.
Ремонт частотных преобразователей HITACHI в Каменск-Уральском производится исключительно с использованием оригинальных запасных частей, на компонентном уровне с применением высокотехнологичного диагностического оборудования, квалифицированным персоналом с инженерным образованием.
В случае выхода из строя преобразователя частоты на вашем производстве либо появились проблемы с приводом, которые вы не можете решить самостоятельно, мы всегда рады вам помочь. Специалисты нашего сервисного центра в минимальные сроки проведут глубокую диагностику с последующим ремонтом частотного преобразователя HITACHI.
Инженеры сервисного центра выполняют качественный ремонт частотных преобразователей HITACHI в Каменск-Уральском всех серий, когда-либо выпускаемых компанией.
|
Hitachi NE-S1 |
NE-S1-002SB, NE-S1-004SB, NE-S1-007SB, NE-S1-015SB, NE-S1-022SB |
|
Hitachi X200 |
X200-002SFEF, X200-005SFEF, X200-011SFE, X200-022SFEF, X200-004HFEF, X200-015HFEF, X200-030HFEF, X200-055HFEF |
|
Hitachi L300P |
L300P 015 HFE, L300P 040 HFE, L300P 075 HFE, L300P 150 HFE, L300P 220 HFE, L300P 370 HFE, L300P 550 HFE, L300P 900 HFE |
|
Hitachi WJ200 |
WJ200-001SF, WJ200-004SF, WJ200-015SF, WJ200-004HF, WJ200-015HF, WJ200-030HF, WJ200-055HF, WJ200-110HF |
|
Hitachi SJ700 |
SJ700-007HFEF2, SJ700-022HFEF2, SJ700-055HFEF2, SJ700-110HFEF2, SJ700-185HFEF2, SJ700-300HFEF2, SJ700-450HFEF2 |
|
Hitachi SJ700B |
SJ700B-075HFF, SJ700B-150HFF, SJ700B-220HFF, SJ700B-370HFF, SJ700B-550HFF, SJ700B-900HFF, SJ700B-1320HFF |
В данной таблице присутствуют далеко не все частотные преобразователи HITACHI ремонт которых предлагает наш сервисный центр.
Коды ошибок частотного преобразователя HITACHI
В процессе работы выходит из строя даже самое надежное промышленное оборудование. В данной статье мы приведем коды ошибок частотного преобразователя HITACHI, а точнее HITACHI серии SJ700. Частотники в наше время, нашли широкое применение абсолютно во всех сферах промышленности, управляя как мини моторами в оргтехнике, так и гигантскими двигателями в горнодобывающей промышленности.
Для простоты общения со столь сложной электроникой все частотные преобразователи оснащены небольшими дисплеями с помощью которых выводятся информационные сообщения с кодами ошибок, расшифровав которые можно сразу же узнать причину ее возникновения. Если учесть распространенность данной промышленной электроники, то появляется острая нужда в расшифровке кодов ошибок частотных преобразователей. В этой статье мы рассмотрим одного из самых известных производителей промышленной электроники имеющему уважение во всем мире, HITACHI.
Существует несколько видов ошибок, некоторые из них можно устранить автоматически, а некоторые возможно исправить только, обратившись в специализированный сервисный центр. В таблицах ниже приведены коды ошибок частотного преобразователя HITACHI и их расшифровка.
Обязательно должны соблюдаться все рекомендации, изложенные в инструкции по монтажу и эксплуатации насосов, в особенности требования по технике безопасности!
Ошибки частотных преобразователей HITACHI SJ700
|
Код ошибки |
наименование |
Описание |
|
|
E01 |
Защита от перегрузки по току. |
Во время работы с постоянной скоростью. |
В случае принудительного торможения или резкого ускорения, или замедления двигателя через преобразователь начнет проходить повышенный ток, что может повредить его. Чтобы не допустить этого, преобразователь отключит выход и выведет на дисплей код ошибки, показанный справа, когда ток превысит указанный урHITACHIь. Для обнаружения перегрузки по току эта функция защиты использует прибор измерения постоянного тока (CT). Когда значение тока составит 220% номинального выходного тока преобразователя, сработает цепь защиты и преобразователь перейдет в режим аварийного отключения. |
|
E02 |
Во время замедления |
||
|
E03 |
Во время ускорения. |
||
|
E04 |
Прочее. |
||
|
E05 |
Защита от перегрузки (*1) |
Эта функция защиты следит за выходным током преобразователя и отключает его выход и выводит на дисплей код ошибки, показанный справа, когда внутренняя цепь защиты от электронной тепловой нагрузки выявляет перегрузку двигателя. В случае возникновения ошибки преобразователь перейдет в режим аварийного отключения в соответствии с настройкой функции электронной тепловой нагрузки. |
|
|
E06 |
Защита от перегрузки резистора торможения. |
Когда коэффициент использования BRD превышает установленный параметр «b090», функция защиты отключает выход преобразователя и отображает код ошибки, показанный справа. |
|
|
E07 |
Защита от перенапряжения |
Если напряжение постоянного тока на клеммах P и N будет слишком высоким, может произойти повреждение преобразователя. Чтобы не допустить этого, защитная функция отключит выход преобразователя и выведет на дисплей код ошибки, показанный справа, когда напряжение постоянного тока на клеммах P и N превысит указанный уровень по причине возрастания рекуперативной энергии двигателя, или входного напряжения (во время работы). Преобразователь перейдет в режим аварийной остановки, если напряжение постоянного тока на клеммах P и N превысит 400 В пост. тока (для моделей класса 200 В) или 800 В пост. тока (для моделей класса 400 В). |
|
|
E08 |
Ошибка ЭСППЗУ (*2) (*3) |
Если ошибка внутреннего ЭСППЗУ произойдет по причине внешних помех или значительного повышения температуры, преобразователь отключит выход и выведет на дисплей код ошибки, показанный справа. Примечание: Ошибка ЭСППЗУ может привести к ошибке ЦП. |
|
|
E09 |
Понижение напряжения. |
При понижении входного напряжения преобразователя нормальное функционирование цепи управления в нем невозможно. Поэтому преобразователь отключает ее выход, когда входное напряжение падает ниже указанного уровня. Преобразователь перейдет в режим аварийной остановки, если напряжение постоянного тока на клеммах P и N превысит 175 В пост. тока (для моделей класса 200 В) или 380 В пост. тока (для моделей класса 400 В). |
|
|
E10 |
Ошибка CT. |
При возникновении ошибки внутренней системы определения тока (СТ) преобразователь выключает ее выход и выводит на дисплей код ошибки, показанный справа. Преобразователь перейдет в режим аварийной остановки, когда при включении питания напряжение на выходах CT превысит 0,6 В. |
|
|
E11 |
Ошибка ЦП (*3). |
При сбоях в работе внутреннего ЦП преобразователь выключает его выход и выводит на дисплей код ошибки, показанный справа. Примечание: Ошибка ЦП может произойти из-за аномалий в данных, полученных от ЭСППЗУ. |
|
|
E12 |
Аварийное отключение по внешним причинам. |
При возникновении ошибки во внешнем оборудовании или устройстве, подключенном к преобразователю, последний выдает сигнал ошибки и отключает выход. (Эта функция защиты активируется при включении функции внешнего аварийного отключения.) |
|
|
E13 |
Ошибка USP. |
включении питания преобразователя в нем сохраняется входной рабочий сигнал. (Эта функция защиты активируется при включении функции USP.) |
|
|
E14 |
Защита от замыкания на землю (*3). |
Эта функция защищает преобразователь при включении питания, выявляя замыкание на землю между цепью выхода преобразователя и двигателем. (Функция не работает, если в двигателе имеется остаточное напряжение.) |
|
|
E15 |
Защита от перенапряжения на входе. |
Эта функция защиты определяет ошибку, если входное напряжение превышает заданный уровень в течение 100 секунд после остановки преобразователя. Преобразователь перейдет в режим аварийной остановки, если напряжение постоянного тока основной цепи будет выше 390 В пост. тока (для моделей класса 200 В) или 780 В пост. тока (для моделей класса 400 В). |
|
|
E16 |
Защита при кратковременном сбое питания. |
Если кратковременный сбой питания длится 15 мс или более, преобразователь отключает выход. При длительном отсутствии питания преобразователь переходит в режим штатного отключения. Если был выбран режим перезапуска и рабочая команда остается в инверторе, преобразователь перезапустится после возобновления подачи питания. |
|
|
E20 |
Ошибка температуры из-за низкой скорости вентилятора охлаждения. |
При возникновении ошибки температуры, описание которой дано ниже, преобразователь выведет код ошибки, показанный справа, если будет выявлено замедление скорости вращения вентилятора охлаждения. |
|
|
E21 |
Ошибка температуры. |
Если температура основной цепи повысится из-за высокой температуры окружающего воздуха или по другим причинам, преобразователь отключит выход. |
|
|
E23 |
Ошибка связи с логической матрицей. |
Если произошла ошибка связи между внутренним ЦП и логической матрицей, преобразователь перейдет в режим аварийного отключения. |
|
|
E24 |
Защита входа от обрыва фазы. |
Если включена защита входа от обрыва фазы (b006 = 01), то при выявлении обрыва фазы, чтобы не допустить повреждений, преобразователь перейдет в режим аварийного отключения. Преобразователь перейдет в режим аварийного отключения, когда обрыв фазы на входе будет продолжаться примерно 1 секунду или дольше. |
|
|
E25 |
Неисправность основной цепи (*4). |
Преобразователь переходит в режим аварийного отключения, если логическая матрица не может подтвердить включенное/отключенное состояние БТИЗ в связи с наличием помех, короткого замыкания или из-за повреждения элементов основной цепи. |
|
|
E30 |
Ошибка БТИЗ. |
Если происходит кратковременная перегрузка по току, аномальное изменение температуры элемента основной цепи или снижение мощности приводов элементов основной цепи, преобразователь отключает выход, чтобы обеспечить защиту этого элемента. (После аварийного отключения, вызванного этой функцией защиты, преобразователь не сможет перезапуститься.) |
|
|
E35 |
Ошибка термистора. |
Преобразователь контролирует сопротивление термистора (в двигателе), который подключен к клемме преобразователя TH, и отключает выход при повышении температуры двигателя. |
|
|
E37 |
Аварийная остановка (*5). |
Если сигнал EMR (на трех клеммах) будет включен, когда скользящий переключатель (SW1) логической платы установлен на включение (ON), аппаратное обеспечение преобразователя отключит его выход и выведет на дисплей код ошибки, показанный справа. Неисправность, обусловленная входящими помехами, когда клемма EMR не установлена на включение (ON). |
|
|
E38 |
Защита от перегрузки при низкой скорости вращения. |
Если при вращении электродвигателя на очень низкой скорости при частоте ниже 0,2 Гц возникает перегрузка, ее обнаруживает цепь защиты от электронной тепловой нагрузки преобразователя, которая отключает выход. (2-й регулятор электронной тепловой нагрузки) (Обратите внимание, что повышенная частота может быть записана в историю ошибочных значений.) |
|
|
E41 |
Ошибка связи через сеть Modbus. |
Если из-за разрыва соединения во время работы в режиме Modbus-RTU будет превышено время ожидания, на дисплее преобразователя выводится код ошибки, показанный справа. (Преобразователь перейдет в режим аварийного отключения в соответствии с настройкой «С076».) |
|
|
E60 – E69 |
Ошибка платы расширения 1. |
Преобразователь определяет ошибку платы расширения, установленной в слот 1. Для получения подробной информации см. техническую документацию к установленной плате расширения. |
|
|
E70 – E79 |
Ошибка платы расширения 2. |
Преобразователь определяет ошибку платы расширения, установленной в слот 1. Для получения подробной информации см. техническую документацию к установленной плате расширения. |
|
|
---- |
Ожидание в состоянии пониженного напряжения. |
При понижении входного напряжения преобразователь отключит выход, выведет на дисплей код ошибки, показанный справа, и будет ожидать восстановления входного напряжения. Преобразователь выведет на дисплей тот же код ошибки, что и при кратковременном сбое питания. (замечание) Преобразователь перейдет в режим аварийного отключения при понижении напряжения, если это состояние будет продолжаться 40 секунд. |
|
|
---- |
Ошибка связи. |
При возникновении проблем связи между цифровой панелью управления и преобразователем, будет выведен код ошибки, показанный справа. |
|
|
оооо |
Ожидание перезапуска. |
Когда активирована функция перезапуска после кратковременного сбоя питания или аварийного отключения, во время ожидания перезапуска после кратковременного сбоя питания или аварийного отключения на дисплее преобразователя будет выведен код, показанный справа. |
|
|
---- |
Отключение питания. |
При отключении питания на дисплее преобразователя будет выведен код, показанный справа. |
|
|
оооо |
Команда ограничения действия. |
Когда направление действия ограничено настройкой «b035», на дисплее преобразователя будет выведен код ошибки, показанный справа, если введена рабочая команда, указывающая ограничение по рабочему направлению. |
|
|
---- |
Отсутствие записей истории аварийных отключений. |
Если преобразователь ранее не переходил в режим аварийного отключения, на дисплее отобразится [ _ _ _ _ ] |
|
|
*1 Преобразователь не будет принимать команды сброса в течение 10 секунд после аварийного отключения (например, после срабатывания функции защиты).
*2 Преобразователь не будет принимать команды сброса после возникновения ошибки ЭСППЗУ с кодом. Отключите питание преобразователя один раз. Если после последующего включения питания преобразователя отображается код ошибки «E08», возможно, произошло повреждение внутреннего запоминающего устройства или параметры были сохранены неправильно. В таких случаях необходимо выполнить инициализацию преобразователя и повторно установить параметры.
*3 Преобразователь не будет принимать команды сброса, которые вводятся через клемму RS или при помощи кнопки STOP/RESET. Поэтому необходимо отключить питание преобразователя.

*4 Преобразователь не будет принимать команды сброса, которые вводятся через клемму RS или при помощи кнопки STOP/RESET. Поэтому необходимо отключить питание преобразователя.
*5 Преобразователь не будет принимать команды сброса, которые вводятся через цифровую панель управления. Поэтому необходимо выполнить сброс преобразователя, включив клемму RS.
Преобразователь частоты разработан таким образом, что он пытается избежать аварийных отключений путем ограничения момента, перенапряжения и т.п.
Появление сбоев при вводе в эксплуатацию или вскоре после него обычно свидетельствует о неверной настройке или неправильном подключении.
Возникновение неисправностей или проблем после длительного режима бесперебойной работы обычно происходит по причине изменений в системе или ее окружении (например, в результате износа).
Дополнительную информацию по частотным преобразователям HITACHI можно посмотреть и скачать в файлах ниже.
Настройка частотного преобразователя HITACHI, программирование
Настройка частотных преобразователей HITACHI (программирование) происходит в рамках установленных производителем правил, существует общий алгоритм по программированию (настройке частотных преобразователей), относящийся ко всем производителям данного промышленного оборудования. Ниже представлена пошаговая инструкция по настройке частотных преобразователей HITACHI.
- Выбор режима управления приводом HITACHI (управление по показанию датчиков, дистанционное управление, дистанционное управление).
- В случае использования отдельного (выносного) монитора, настраивается вывод на него технической информации.
- Далее определяем конфигурацию подключения серводвигателя. На данной стадии задаются такие параметры как- возможность применения обратной связи либо без ее применения, а в память блока заносятся данные по: величине крутящего момента, мощности потребителей, номинальное значения частоты, напряжение, ток и скорости вращения ротора.

- Программируется минимально допустимая величина напряжения и частоты, а также время ускорения ротора от ноля до номинального значения.
- И в завершении, в программу управления частотным преобразователем HITACHI вносятся функциональные данные со значениями отдельных клемм и особенностями сигналов. Отмечаются действия оборудования, выполняющиеся автоматически при отсутствии информации поступающей в оперативном режиме с датчика.
В некоторых частотниках существует пункт наличия/отсутствия фильтра в цепи питания двигателя. Этот пункт отвечает за подключение различных видов нагрузок, в том случае, когда возможно выбрать нормальное или инверсное изменение частоты при повышении уровня сигнала обратной связи.
Все настройки частотных преобразователей HITACHI приведены в технической документации ниже в удобном формате (PDF) который можно скачать на свой компьютер, распечатать или просто открыть на нашем сайте.
Частотный преобразователь HITACHI, скачать инструкции по эксплуатации
Ниже вы можете скачать руководства по эксплуатации частотных преобразователей HITACHI для всех серий, когда-либо выпущенных данным производителем.
|
Частотный преобразователь HITACHI NE-S1 инструкция |
Скачать PDF |
|
Частотный преобразователь HITACHI X200 инструкция |
Скачать PDF |
|
Частотный преобразователь HITACHI L300P инструкция |
Скачать PDF |
|
Частотный преобразователь HITACHI WJ200 инструкция |
Скачать PDF |
|
Частотный преобразователь HITACHI SJ700 инструкция |
Скачать PDF |
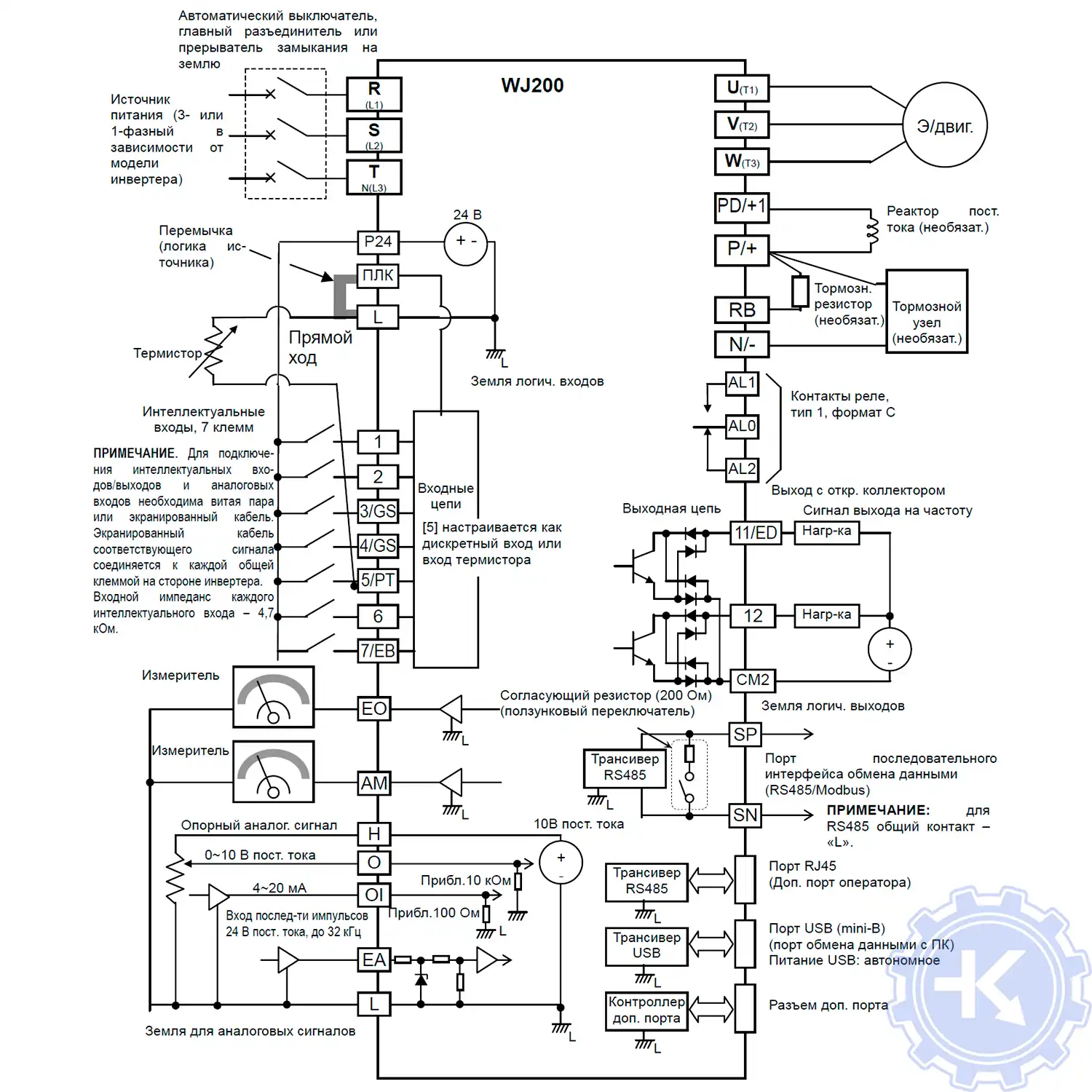
Схемы частотных преобразователей HITACHI
Схемы подключений частотных преобразователей HITACHI могут, отличатся друг от друга даже если эти преобразователи относятся ко одной линейке. Схема подключения преобразователя зависит от многих факторов таких как потребляемая частотным преобразователем нагрузка или питающая сеть к которой подключается частотник 200V – 380V и конечно же зависит от CPU в паре, с которым предполагается работа преобразователя.
|
Схема частотного преобразователя HITACHI SJ700 |
Схема частотного преобразователя HITACHI WJ200 |
|
|
|
|
Другие схемы подключений частотных преобразователей HITACHI вы найдете в руководстве пользователя.
Оставьте заявку на ремонт промышленного оборудования, используя форму на сайте, либо свяжетесь с нашими менеджерами, сделать это очень просто.
Оставить заявку на ремонт частотных преобразователей HITACHI
У вас вышел из строя частотник? Вам необходим срочный ремонт частотных преобразователей HITACHI в Каменск-Уральском? Оставьте заявку на ремонт нажав на одноименную кнопку в верхней правой части экрана либо свяжитесь с нашими менеджерами. Связаться с ними можно несколькими способами:

- Заполнив форму заявки на ремонт (кнопка в правом верхнем углу сайта)
- Позвонив по номеру телефона:
- +7(8482) 79-78-54;
- +7(8482) 55-96-39;
- +7(917) 121-53-01
- Написав на электронную почту: 89171215301@mail.ru
Похожие статьи
-
Другие услуги по ремонту промышленной эелектроники и оборудования
- Ремонт частотных преобразователей в Каменск-Уральском
- Промышленный привод, ремонт в Каменск-Уральском
- Ремонт частотных преобразователей Веспер в Каменск-Уральском
- Ремонт частотного преобразователя Danfoss в Каменск-Уральском
- Ремонт частотного преобразователя Lenze в Каменск-Уральском
- Ремонт частотных преобразователей ABB в Каменск-Уральском
- Ремонт частотных преобразователей Siemens в Каменск-Уральском
- Ремонт частотного преобразователя INVT в Каменск-Уральском
- Ремонт частотного преобразователя Schneider Altivar в Каменск-Уральском
- Частотный преобразователь frenic, ремонт частотников FUJI в Каменск-Уральском
- Ремонт частотного преобразователя Delta в Каменск-Уральском
- Частотный преобразователь VACON, ремонт частотника в Каменск-Уральском
- Ремонт частотных преобразователей KEB в Каменск-Уральском
- Ремонт частотного преобразователя Omron в Каменск-Уральском
- Частотный преобразователь Mitsubishi Electric, ремонт привода в Каменск-Уральском
- Ремонт частотников Emerson - Control techniques, Unidrive - Commander в Каменск-Уральском
- Ремонт частотного преобразователя Yaskawa в Каменск-Уральском
- Allen Bradley преобразователи частоты, ремонт Allen Bradley в Каменск-Уральском
- Ремонт частотника Baumuller в Каменск-Уральском
- Преобразователи частоты Bosch Rexroth, ремонт Bosch Rexroth в Каменск-Уральском
- Ремонт Rexroth Indramat в Каменск-Уральском
- Fanuc, ремонт привода в Каменск-Уральском
- Ошибки и ремонт частотных преобразователей Emotron в Каменск-Уральском
- Ремонт частотного преобразователя KONE в Каменск-Уральском, ошибки
- Ошибки и ремонт частотного преобразователя STOBER POSIDRIVE в Каменск-Уральском
- Ошибки и ремонт частотного преобразователя ESQ в Каменск-Уральском
- Ошибки и ремонт частотного преобразователя INNOVERT в Каменск-Уральском
- Ошибки и ремонт частотных преобразователей BONFIGLIOLI в Каменск-Уральском
- Ошибки и ремонт частотных преобразователей WILO в Каменск-Уральском
- Ремонт частотных преобразователей SIRIO и NETTUNO в Каменск-Уральском, ошибки
- Ошибки и ремонт частотных преобразователей HYUNDAI в Каменск-Уральском
- Ошибки и ремонт частотных преобразователей IDS-DRIVE в Каменск-Уральском
- Ошибки и ремонт частотных преобразователей LG LS в Каменск-Уральском
- Ошибки и ремонт частотных преобразователей HYDROVAR в Каменск-Уральском
- Ошибки и ремонт частотных преобразователей SEW-EURODRIVE в Каменск-Уральском
- Ошибки и ремонт частотных преобразователей ОВЕН в Каменск-Уральском
- Ошибки и ремонт частотных преобразователей HITACHI в Каменск-Уральском
- Ошибки и ремонт частотных преобразователей TOSHIBA в Каменск-Уральском
- Ошибки и ремонт частотных преобразователей IEK в Каменск-Уральском
- Ошибки и ремонт частотных преобразователей PROSTAR в Каменск-Уральском
- Ошибки и ремонт частотных преобразователей GEFRAN в Каменск-Уральском
- Ошибки и ремонт частотного преобразователя OTIS в Каменск-Уральском
- Ошибки и ремонт частотного преобразователя SANTERNO в Каменск-Уральском
- Ремонт и программирование частотных преобразователей ARKEL A-DRIVE в Каменск-Уральском
- Ремонт и программирование частотных преобразователей SIEI ARTDrive в Каменск-Уральском
- Ошибки и ремонт частотных преобразователей Schindler Biodyn в Каменск-Уральском
- Ошибки и ремонт частотных преобразователей Sigma LG в Каменск-Уральском
- Ошибки и ремонт частотных преобразователей THYSSEN в Каменск-Уральском
- Ошибки и ремонт частотных преобразователей Macpuarsa в Каменск-Уральском
- Ошибки и ремонт частотных преобразователей Canny в Каменск-Уральском
- Ошибки и ремонт частотных преобразователей ERMAN в Каменск-Уральском
- Ошибки и ремонт частотных преобразователей EKF в Каменск-Уральском
- Ошибки и ремонт частотных преобразователей INOVANCE в Каменск-Уральском
- Ошибки и ремонт частотных преобразователей KUKA в Каменск-Уральском
- Ошибки и ремонт частотных преобразователей DEMAG в Каменск-Уральском
- Ошибки и ремонт частотных преобразователей EuraDrives в Каменск-Уральском
- Ошибки и ремонт частотных преобразователей Parker в Каменск-Уральском
- Ошибки и ремонт частотных преобразователей NIDEC в Каменск-Уральском
- Ошибки и ремонт частотных преобразователей NORD в Каменск-Уральском
- Ошибки и ремонт частотных преобразователей Panasonic в Каменск-Уральском
- Ошибки и ремонт частотных преобразователей Eurotherm в Каменск-Уральском
- Ошибки и ремонт частотных преобразователей Berges в Каменск-Уральском
- Ошибки и ремонт частотных преобразователей Hormann в Каменск-Уральском
- Все услуги по ремонту промышленной электроники и оборудования


Скачать PDF
