Плавный пуск, устройство плавного пуска.

Ремонт устройства плавного пуска ABBУстройство плавного пуска выполняет роль защиты электродвигателей, как электрической его части, так и механической. Это достигается за счет плавного нарастания тока на обмотках электродвигателя, что позволяет уменьшить пусковые значения тока в два раза избежав перегрева обмоток и посадки напряжения в сети. Также благодаря плавному пуску нарастание крутящего момента при запуске электродвигателя происходит постепенно, продлевая жизнь механической части двигателя.

Устройства плавного пуска нашли широкое применение в промышленности. Самые распространенные УПП в России:

  • Устройство плавного пуска abb;
  • Устройство плавного пуска danfoss;
  • Устройство плавного пуска siemens;
  • Устройство плавного пуска schneider;
  • Устройство плавного пуска altistart.

Принцип работы УПП

Одной из главных проблем асинхронных моторов это то, что момент силы, которую развивает двигатель прямо пропорционален квадрату напряжения, приложенного к нему, именно поэтому при пуске и остановке двигателя создаются резкие рывки ротора, а Ремонт УПП Danfussэто создает большой индуктивный ток, вызывающий перегрев обмоток двигателя.

Устройства плавного пуска двигателя бывают трех видов это:

  • Электронные УПП;
  • Электромеханические УПП;
  • Механические УПП.

УПП позволяет плавно повышать напряжение или ток от минимального (начального) до максимального значения, плавно разгоняя электродвигатель

Устройства плавного пуска делятся на две категории, это амплитудные УПП и фазовые УПП. Они отличаются пусковыми режимами. Амплитудные применяются на слабонагруженном оборудовании, а фазные – запускают электромоторы с тяжёлым пусковым режимом при этом они оснащены встроенным энергосберегающим режимом и способны корректировать коэффициент мощности.

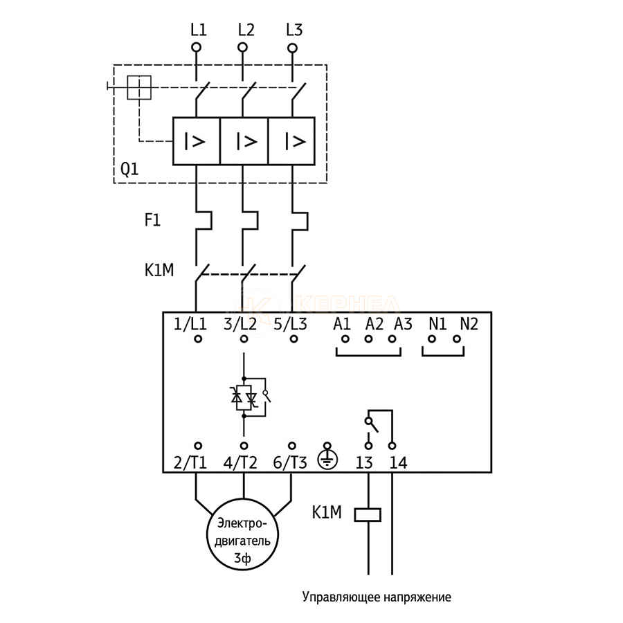
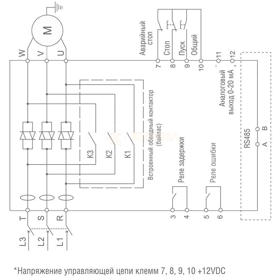
Простейшая схема подключения УПП Схема подключения УПП Instart
Простейшая схема подключения УПП Схема подключения УПП Instart
Схема подключения УПП Овен Схема подключения УПП Eaton
Схема подключения УПП Овен Схема подключения УПП Eaton

Применение устройств плавного пуска

Устройства плавного пуска нашли широкое применение в промышленном оборудовании и на производствах с использованием электродвигателей большой мощности, к примеру:

  • Машиностроение;
  • Металлургия;
  • Строительство;
  • Деревообработка;
  • Добыча и переработка полезных ископаемых.

Конечное список промышленных направлений где успешно применяется устройство плавного пуска далеко не полный, его можно продолжать достаточно долго.

Назначение и преимущества УПП

Ремонт устройства плавного пуска SiemensОсновное назначение плавного пуска — это защита электродвигателя как электрической, так и механической его части, что способствует как описывалось выше, стабилизации питающей цепи. За счет плавного пуска и торможения двигателя достигается снижение пусковых токов к том уже согласовывается крутящий момент и момент нагрузки.

Главное преимущество плавного пуска — это цена которая разительно отличается от стоимости частотного преобразователя. УПП значительно продлевает безаварийный режим работы двигателя и способен максимально быстро срабатывать в аварийной ситуации. И в дополнение, плавный пуск экономит электроэнергию.

Сервисный центр «Кернел» предлагает выполнить качественный ремонт промышленной электроники и оборудования в том числе ремонт устройств плавного пуска абсолютно любого производителя в сжатые сроки и за разумные деньги.

Где заказать ремонт УПП

Если вы заинтересованы в ремонте устройства плавного пуска, оставьте заявку на ремонт нашим менеджерам. Связаться с ними можно несколькими способами:

Наши контакты

  • Заполнив форму заявки на ремонт (кнопка в правом верхнем углу сайта)
  • Позвонив по номеру телефона:
    • +7(8482) 79-78-54;
    • +7(8482) 55-96-39;
    • +7(917) 121-53-01
  • Написав на электронную почту: 89171215301@mail.ru

Похожие статьи