Ошибки и ремонт частотных преобразователей GEFRAN в Коканде
Ремонт частотных преобразователей GEFRAN
Ремонт частотного преобразователя GEFRAN, впрочем, как и ремонт частотников других производителей имеет ряд особенностей в силу своего конструктива. Частотные преобразователи, точнее их начинка делятся на две части:
- Аппаратная часть,
- Программная часть.
Частотники данного производителя не являются исключением из правил, именно поэтому ремонт частотного преобразователя GEFRAN имеет точно такой же ряд особенностей, как и у других преобразователей.
Диагностировать ту или иную неисправность помогают коды ошибок частотного преобразователя, которые отображаются на небольшом дисплее, расположенном на лицевой панели привода. Коды ошибок частотного преобразователя GEFRAN в зависимости от серии описаны в инструкции, пользователя которые можно скачать с нашего сайта.
Ремонт частотных преобразователей GEFRAN в Коканде, как и любых других преобразователей, выпущенных под другими брендами, всегда начинается с аппаратной части, после успешного ремонта аппаратной части наступает очередь программной.
Настройка частотного преобразователя GEFRAN также прописана в инструкции завода производителя, для каждой серии частотных преобразователей настройка будет индивидуальной, так как каждая линейка преобразователей решает свои собственные задачи, этим обусловливается широкая номенклатура данного промышленного оборудования.
Ремонт частотных преобразователей GEFRAN в сервисном центре
Компания «Кернел» производит ремонт частотных преобразователей GEFRAN в Коканде с 2002 года. За время существования компании наши сотрудники накопили колоссальный опыт в ремонте преобразователей частоты такого известного производителя как GEFRAN. Ремонт подобного промышленного оборудования ответственное и сложное занятие, требующие максимальной отдачи, профессионализма и максимально полной материальной базе.
Специалисты нашего сервисного центра максимальное внимание уделяют качеству исполнения ремонта, программирования и настройке промышленных преобразователей частоты, не зависимо от производителя данного промышленного оборудования. Именно поэтому мы смело даем гарантию на все выполненные работы шесть месяцев.
Ремонт частотных преобразователей GEFRAN в Коканде производится исключительно с использованием оригинальных запасных частей, на компонентном уровне с применением высокотехнологичного диагностического оборудования, квалифицированным персоналом с инженерным образованием.
В случае выхода из строя преобразователя частоты на вашем производстве либо появились проблемы с приводом, которые вы не можете решить самостоятельно, мы всегда рады вам помочь. Специалисты нашего сервисного центра в минимальные сроки проведут глубокую диагностику с последующим ремонтом частотного преобразователя GEFRAN.
Инженеры сервисного центра выполняют качественный ремонт частотных преобразователей GEFRAN в Коканде всех серий, когда-либо выпускаемых компанией.
|
GEFRAN ADV200 |
ADV-72000-KXX-4-MS 04-SI, ADV-72000-XXX-4-SL, ADV-72500-KXX-4-MS 05-SI, ADV-72500-XXX-4-SL, ADV-73150-KXX-4-MS 06-SI, ADV-73150-XXX-4-SL, ADV-73150-KXX-4-MS 09-SI, ADV-73150-XXX-4-SL, ADV-73551-KXX-4-MS 10-SI, ADV-73551-XXX-4-SL |
|
GEFRAN ADL300 |
ADL300B-1040 -KBL-4, ADL300B-2075 -KBL-4, ADL300B-3150 -KBL-4, ADL300B-3220 -KBL-4, ADL300B-4370 -KBL-4, ADL300B-5550 -KBL-4, ADL300B-2055-KBL-2T, ADL300B-3110-KBL-2T, ADL300B-4185-KBL-2T, ADL300B-5300-KBL-2T, ADL300B-1011-KBL-2M, ADL300B-2030-KBL-2M |
|
GEFRAN ADP200 |
ADP200-2075-KBP-F-4-C-RS, ADP200-2110-KB P-F-4-C-RS, ADP200-3150-KBP-F-4-C-RS, ADP200-3185-KBP-F-4-C-RS, ADP200-3220-KBP-F-4-C-RS, ADP200-4300-KBP-F-4-C-RS, ADP200-4370-KBP-F-4-C-RS, ADP200-5550-KBP-F-4-C-RS, ADP200-5S750-KBP-F-4-C-RS |
|
GEFRAN BDI50 |
BDI50-1004-KXX-2M-N, BDI50-2022-KXX-2M-N, BDI50-1007-KXX-2M-P-F, BDI50-2015-KXX-2M-P-F, BDI50-2022-KXX-2T-N, BDI50-4075-KBX-2T-NP, BDI50-3037-KBX-4-NP, BDI50-4075-KBX-4-NP, BDI50-2007-KBX-4-P-F, BDI50-3037-KBX-4-NP-F, BDI50-4110-KBX-4-NP-F |
|
GEFRAN ACS-ADL300 |
ICS-ADL300-1040-KBL-4, ICS-ADL300-3150-KBL-4, ICS-ADL300-4370-KBL-4, ICS-ADL300-5750-KXL-4, ICS-ADL300-3110-KBL-2T, ICS-ADL300-4185-KBL-2T, ICS-ADL300-5300-KBL-2T, ICS-ADL300-1011-KBL-2M, ICS-ADL300-2022-KBL-2M, ICS-ADL300-3040-KBL-2M |
|
GEFRAN AVRy |
AVRy-1-2545-KXL-BR4, AVRy-1-1425-KXL-BR-4, AVRy-2-3360-KXL-BR-4 |
|
GEFRAN AGL50-EV |
AGL50-EV-2040-KBL-AC4, AGL50-EV-2055-KBL-AC4, AGL50-EV-2075-KBL-AC4 |
|
GEFRAN AFE200 |
AFE200-3220-KXX-4, AFE200-4450-KXX-4, AFE200-61320-KXX-4, AFE200-71600-KXX-4, AFE200-72000-KXX-4, AFE200-72000-KXX-6-MS 04, AFE200-73150-KXX-4, AFE200-73550-KXX-4, AFE200-73150-KXX-6-MS 06, AFE200-73550-KXX-6-MS 07, AFE200-73550-XXX-6A-SL |
В данной таблице присутствуют далеко не все частотные преобразователи GEFRAN ремонт которых предлагает наш сервисный центр.
Коды ошибок частотного преобразователя GEFRAN
В процессе работы выходит из строя даже самое надежное промышленное оборудование. В данной статье мы приведем ошибки частотного преобразователя GEFRAN, а точнее GEFRAN серии AVD200. Частотники в наше время, нашли широкое применение абсолютно во всех сферах промышленности, управляя как мини моторами в оргтехнике, так и гигантскими двигателями в горнодобывающей промышленности.
Для простоты общения со столь сложной электроникой все частотные преобразователи оснащены небольшими дисплеями с помощью которых выводятся информационные сообщения с кодами ошибок, расшифровав которые можно сразу же узнать причину ее возникновения. Если учесть распространенность данной промышленной электроники, то появляется острая нужда в расшифровке кодов ошибок частотных преобразователей. В этой статье мы рассмотрим одного из самых известных производителей промышленной электроники имеющему уважение во всем мире, GEFRAN.
Существует несколько видов ошибок, некоторые из них можно устранить автоматически, а некоторые возможно исправить только, обратившись в специализированный сервисный центр. В таблицах ниже приведены коды ошибок частотного преобразователя GEFRAN AVD200 и их расшифровка.
Обязательно должны соблюдаться все рекомендации, изложенные в инструкции по монтажу и эксплуатации насосов, в особенности требования по технике безопасности!
Ошибки частотного преобразователя GEFRAN AVD200
|
Код ошибки |
Сообщение об ошибке, отображаемое на экране |
Подкод |
Описание |
|||
|
0 |
Нет аварийных сигналов |
Описание: Нет действующих аварийных сигналов. |
||||
|
1 |
Превышение по напряжению |
Описание: Аварийный сигнал превышения по напряжению в звене постоянного тока из-за энергии, поступающей от двигателя. Напряжение, поступающее в силовую секцию ПЧ, слишком велико по сравнению с максимальным порогом, относящимся к заданию параметра PAR 560 Напряжение сети |
||||
|
Решение: - Увеличьте задачи к интенсивности торможения. - Подсоедините тормозной резистор между клеммами BR1 и BR2, для рассеивания энергии рекуперации. - Используйте функцию Controllo VDC. |
||||||
|
2 |
Низкое напряжение |
Описание: Аварийный сигнал низкого напряжения в звене постоянного тока. Напряжение, поступающее в силовую секцию ПЧ, слишком мало по сравнению с минимальным порогом, относящимся к заданию параметра PAR 560 Напряжение сети, по следующим причинам: - слишком низкое напряжение в сети питания или слишком длительные периоды падения напряжения; - плохой контакт между проводниками (например, недостаточно хорошо затянуты клеммы контактора, дросселя, фильтра и т.п.). |
||||
|
Решение: Проверить соединения, отвечающие за питание привода, и правильность напряжения сети.. |
||||||
|
3 |
Замыкание на землю |
Описание: Аварийный сигнал короткого замыкания на массу. |
||||
|
Решение: - Проверьте кабельные соединения ПЧ и двигателя. - Проверьте, что двигатель не замкнут на массу. |
||||||
|
4 |
Превышение по току |
Описание: Аварийный сигнал срабатывания защиты от мгновенного бросок тока. Причиной может быть неправильное задание параметров регулятора тока или короткое замыкание между фазами либо на землю на выходе ПЧ. |
||||
|
Решение: - Проверьте параметры регулятора тока. - Проверьте кабельные соединения с двигателем. |
||||||
|
5 |
Разнасыщение |
Описание: Аварийный сигнал мгновенного броска тока внутри моста IGBT. |
||||
|
Решение: Отключите и вновь включите ПЧ. Если аварийный сигнал не удалось устранить, обратитесь в центр технической поддержки. |
||||||
|
6 |
Повтор. низкое напряжение |
Описание: Был выполнен ряд попыток автоматического перезапуска после аварийного сигнала Низкого напряжения, и их число превышает значение, заданное в параметре PAR 4650 Число попыток повт. запуска UV в течение интервала времени, заданного в параметре PAR 4652 Задержка для попыток UV. |
||||
|
Решение: Возникло слишком много аварийных сигналов Низкого напряжения. Выполните рекомендации для аварийного сигнала "Низкое напряжение". |
||||||
|
7 |
Множ. превыш. тока |
Описание: Были выполнены 2 попытки автоматического перезапуска после аварийного сигнала Превышение по току в интервале времени 30 секунд. Если после появления аварийного сигнала Превышение по току проходит более 30 секунд, подсчет числа попыток обнуляется. |
||||
|
Решение: Возникло слишком много аварийных сигналов Превышение по току. Выполните рекомендации для аварийного сигнала Превышение по току. |
||||||
|
8 |
Множ. разнасыщ. |
Описание: Были выполнены 2 попытки автоматического перезапуска после аварийного сигнала Разнасыщение в интервале времени 30 секунд. Если после появления аварийного сигнала Разнасыщение проходит более 30 секунд, подсчет числа попыток обнуляется. |
||||
|
Решение: Возникло слишком много аварийных сигналов "Разнасыщение". Выполните рекомендации для аварийного сигнала "Разнасыщение". |
||||||
|
9 |
Перегрев рассеив. |
Описание: Аварийный сигнал слишком высокой температуры рассеивателя |
||||
|
Решение: - Проверьте правильную работу вентилятора охлаждения. - Проверьте рассеиватели на отсутствие засорения. - Проверьте проемы для воздуха охлаждения шкафа на отсутствие засорений. |
||||||
|
10 |
Перегрев лин. рассеив. |
Описание: Аварийный сигнал слишком высокой или слишком низкой температуры модулей IGBT. |
||||
|
Решение: - Проверьте правильную работу вентилятора охлаждения. - Проверьте рассеиватели на отсутствие засорения. - Проверьте проемы для воздуха охлаждения шкафа на отсутствие засорений. |
||||||
|
11 |
Перегрев воздуха |
Описание: Аварийный сигнал слишком высокой температуры воздуха на входе привода. |
||||
|
Решение: - Проверьте работу вентилятора. - Проверьте проемы для воздуха охлаждения шкафа на отсутствие засорений. - Проверьте температуру внутри электрического шкафа |
||||||
|
12 |
Перегрев двигателя |
Описание: Аварийный сигнал перегрева двигателя. Возможные причины: - Слишком тяжелый цикл нагрузки. - Слишком высокая температура в помещении, где установлен двигатель. - Если двигатель оснащен системой принудительной вентиляции: не работает вентилятор. - Если двигатель не оснащен системой принудительной вентиляции: слишком высокая на- грузка на низких скоростях. Вентилятор, установленный на валу двигателя, не обеспечивает достаточного охлаждения для такого цикла нагрузки. - Двигатель эксплуатируется с частотой ниже номинальной, что приводит к дополнительным магнитным потерям. |
||||
|
Решение: - Измените рабочий цикл. - Установите сервовентиляцию двигателя. |
||||||
|
13 |
Перегрузка ПЧ |
Описание: Аварийный сигнал перегрузки ПЧ. Вызван превышением порога перегрузки аккумулятора термограммы I²t ПЧ. |
||||
|
Решение: Проверьте, что типоразмер ПЧ соответствует применению. |
||||||
|
14 |
Перегрузка двигателя |
Описание: Аварийный сигнал перегрузки двигателя. Потребление по току в процессе работы превышает паспортное значение для двигателя. Вызван превышением порога перегрузки аккумулятора термограммы I²t двигателя. |
||||
|
Решение: - Уменьшите нагрузку двигателя. - Выберите двигатель с большим типоразмером. |
||||||
|
15 |
Перегрузка торм. рез. |
Описание: Аварийный сигнал перегрузки тормозного резистора. Ток, потребляемый тормозным резистором, превышает номинальное значение. Вызван превышением порога перегрузки аккумулятора термограммы I²t тормозного резистора. |
||||
|
Решение: Увеличьте мощность тормозного резистора в Вт. |
||||||
|
16 |
Отсутствие фазы |
Описание: Аварийный сигнал отсутствия фазы питания. |
||||
|
Решение: Проверьте напряжение в сети питания и вероятное срабатывание защитных устройств на входе ПЧ. |
||||||
|
17 |
Авария опц. шины |
Описание: Ошибка на этапе конфигурации или ошибка связи. |
||||
|
XXX0H-X |
Если первая цифра слева от символа “H”, представляющая собой подкод аварийного сигнала, равна 0, то ошибка означает проблему связи. |
|||||
|
XXXXH-X |
Если первая цифра слева от символа “H”, представляющая собой подкод аварийного сигнала, не равна 0, то ошибка связана с неправильной конфигурацией. |
|||||
|
Решение: Для ошибок конфигурации: проверьте конфигурацию связи с шиной, тип шины, скорость в бодах, адрес, уставки параметров. Для ошибок связи: проверьте кабельные соединения, оконечные сопротивления, устойчивость к помехам, настройку блокировок по времени. Более подробная информация приводится в руководстве на плату используемой шины. |
||||||
|
18 |
Авария опц. I/O1 |
Описание: Ошибка связи между регулятором и платой расширения входов/выходов в гнезде 1. |
||||
|
Решение: Проверьте, что плата вставлена надлежащим образом, см. главу 10.5. |
||||||
|
19 |
Авария опц. I/O2 |
Описание: Ошибка связи между регулятором и платой расширения входов/выходов в гнезде 2 или 3. |
||||
|
Решение: Проверьте, что плата вставлена надлежащим образом, см. главу 10.5. |
||||||
|
20 |
Авария опц. энк. |
Описание: Ошибка связи между регулятором и платой обратной связи энкодера. |
||||
|
Решение: Проверьте, что плата вставлена надлежащим образом, см. главу 10.5. |
||||||
|
21 |
Внешняя неисправность |
Описание: Имеется внешний аварийный сигнал. Цифровой вход был запрограммирован для внешнего аварийного сигнала, но на клемме отсутствует напряжение +24 В. |
||||
|
Решение: Проверьте надлежащую затяжку винтов клемм. |
||||||
|
22 |
Потеря ОС |
Описание: Аварийный сигнал потери обратной связи по скорости. Энкодер не подсоединен, подсоединен неправильно или на него не подается питание: проверьте работу энкодера, выбрав параметр PAR 260 Скорость двигателя в меню ВИЗУАЛИЗАЦИЯ. |
||||
|
Решение: - Проверьте целостность кабелей энкодера. - Проверьте, что на энкодер подается питание. - При отключенном ПЧ вращайте двигатель по часовой стрелке (если смотреть со стороны вала двигателя). Показываемое значение должно быть положительным. - Если показываемое значение не меняется или появляются случайные значения, проверьте питание и систему кабелей энкодера. - Если появляется отрицательное значение, инвертируйте соединения энкодера. Поменяйте местами каналы A+ и A- или B+ и B-. - Проверьте соответствие электронной системы энкодера и платы расширения. - Генерируется при неисправности энкодера. Каждый тип энкодера генерирует аварийный сигнал "Потеря ОС" различными способами. Для выяснения причины аварийного сигнала см. описание параметра 2172 SpdFbkLoss code и главу 9.1.1 "Аварийный сигнал потери обратной связи". |
||||||
|
23 |
Превышение скорости |
Описание: Аварийный сигнал превышения скорости двигателя. Скорость двигателя выходит за пределы, заданные в параметрах PAR 4540 Overspeed threshold. |
||||
|
Решение: - Ограничьте опорный сигнал скорости. - Проверьте, что двигатель не втягивается в режим превышения скорости в процессе вращения. |
||||||
|
24 |
Потеря опорн.сигн. |
Описание: Аварийный сигнал потери опорного сигнала скорости. Появляется, если разность между опорным сигналом регулятора скорости и текущим сигналом двигателя превышает 100 об/мин. Такая ситуация возникает, потому что ПЧ работает на предельном токе. Предусмотрен только в режимах Flux vector OL и Flux vector CL. |
||||
|
Решение: - Проверьте состояние нагрузки ПЧ. - Проверьте число импульсов энкодера. |
||||||
|
25 |
All stop Emerg (Сигн. авар. остановки) |
Описание: Аварийный сигнал аварийной остановки. Имеется при нажатом состоянии кнопки "Остановка" на клавиатуре при параметре PAR 1008 Stop key mode, установленном в EmgStop&Alarm. В режиме удаленного управления (PAR 1012 =1) активируется с клеммной колодки цифровых входов-выходов, в режиме местного управления (PAR 1012 = 0) – по команде с терминалов. |
||||
|
Решение: Устраните причину, по которой была нажата клавиша STOP на панели с клавиатурой, и выполните сброс ПЧ. |
||||||
|
26 |
Отсутствие питания |
Описание: ПЧ был включен в отсутствие напряжения питания в силовой секции. |
||||
|
Решение: Проверьте питание ПЧ. |
||||||
|
27 |
Авария ExtIO |
Описание: Ошибка связи с внешним модулем. |
||||
|
Решение: см. параграф |
||||||
|
28 |
Авария FastLink |
Описание: Ошибка связи FastLink "8.1.2 Сигнализация “Отказ внешнего ввода-вывода”" стр. 124. |
||||
|
Решение: см. параграф "8.1.3 Тревожная сигнализация “FastLink”" стр. 125. |
||||||
|
29 |
Авария тормоза |
Описание: Неправильное задание параметров функции управления тормозом. |
||||
|
Решение: См. меню FUNCTIONS/BRAKE CONTROL. |
||||||
|
30 |
Motor pre OT (Предупреждение перегрева двигателя) |
Описание: Предупредительная сигнализация превышения температуры двигателя Motor temperature. Относительное значение порога в % задано в PAR 4532 MotorOT thr. |
||||
|
Решение: - Слишком низкое значение для данного цикла нагрузки - Тяжелый нагрузочный цикл |
||||||
|
31 |
Mot phase loss (Потеря фазы питания двигателя |
Описание: Отсутствие одной фазы на выходе. |
||||
|
Решение: Проверьте соединение преобразователь-двигатель. |
||||||
|
32 |
Condensation |
Описание: Возможно наличие конденсата внутри изделия серии ADV200-LC. Условия работы (комбинация температуры среды, влажности и температуры охлаждающей жидкости) не обеспечивают надежность. |
||||
|
Решение: Безопасные условия достигаются, когда рабочая точка расположена под соответствующей кривой на графике, приведенном в главе 22.18 - FUNCTIONS/LC CONTROL. В противном случае необходимо принять надлежащие меры для снижения температуры и/или относительной влажности среды либо для повышения температуры охлаждающей жидкости. |
||||||
|
33 ... 40 |
Авария ПЛК 1 ... Авария ПЛК 8 |
Описание: Активное приложение, разработанное в среде МЭК 61131-3, установило, что условия для генерации этого конкретного аварийного сигнала "истинны". Смысл аварийного сигнала зависит от вида применения. По основным функциям см. документацию, относящуюся к конкретному применению. |
||||
|
XXXXH-X |
Код XXXXH-X указывает причину ошибки: запишите его для обращения в центр технической поддержки за разъяснениями. |
|||||
|
Решение: См. документацию по конкретному применению. |
||||||
|
41 |
Watchdog |
Описание: может появиться во время работы, если активируется сторожевая схема микровыключателя; этот аварийный сигнал вносится в список аварийных сигналов и в архив аварийных сигналов. После появления этого аварийного сигнала: - ПЧ автоматически выполняет сброс; - управление двигателем не активировано. |
||||
|
XXXXH-X |
Код XXXXH-X указывает причину ошибки: запишите его для обращения в центр технической поддержки за разъяснениями. |
|||||
|
Решение: Если аварийный сигнал возник после изменения конфигурации ПЧ (задание параметра, установка опции, выгрузка приложения ПЛК), это изменение нужно отменить. Отключите и вновь включите ПЧ. |
||||||
|
42 |
Ошибка прерыв. |
Описание: может возникнуть во время работы, если активируется защитное прерывание микровыключателем; этот аварийный сигнал вносится в список аварийных сигналов и в архив аварийных сигналов. После появления этого аварийного сигнала: - ПЧ автоматически выполняет сброс; - управление двигателем не активировано. |
||||
|
XXXXH-X |
Код XXXXH-X (SubHandler-Class) указывает причину ошибки: запишите его для обращения в центр технической поддержки за разъяснениями. |
|||||
|
Решение: Если аварийный сигнал возник после изменения конфигурации ПЧ (задание параметра, установка опции, выгрузка приложения ПЛК), это изменение нужно отменить. Отключите и вновь включите ПЧ. |
||||||
В данной таблице приведены далеко не все возникающие ошибки частотного преобразователя GEFRAN AVD200
При возникновении проблем, проведите диагностику в соответствии с приведённой ниже таблицей. Если требуется замена деталей или проблему нельзя решить одним из описанных здесь способов, обратитесь в сервисный центр.
Преобразователь частоты разработан таким образом, что он пытается избежать аварийных отключений путем ограничения момента, перенапряжения и т.п.
Появление сбоев при вводе в эксплуатацию или вскоре после него обычно свидетельствует о неверной настройке или неправильном подключении.
Возникновение неисправностей или проблем после длительного режима бесперебойной работы обычно происходит по причине изменений в системе или ее окружении (например, в результате износа).
Дополнительную информацию по частотным преобразователям GEFRAN можно посмотреть и скачать в файлах ниже.
Настройка частотного преобразователя GEFRAN, программирование
Настройка частотных преобразователей GEFRAN (программирование) происходит в рамках установленных производителем правил, существует общий алгоритм по программированию (настройке частотных преобразователей), относящийся ко всем производителям данного промышленного оборудования. Ниже представлена пошаговая инструкция по настройке частотных преобразователей GEFRAN.
- Выбор режима управления приводом GEFRAN (управление по показанию датчиков, дистанционное управление, дистанционное управление).
- В случае использования отдельного (выносного) монитора, настраивается вывод на него технической информации.
- Далее определяем конфигурацию подключения серводвигателя. На данной стадии задаются такие параметры как- возможность применения обратной связи либо без ее применения, а в память блока заносятся данные по: величине крутящего момента, мощности потребителей, номинальное значения частоты, напряжение, ток и скорости вращения ротора.

- Программируется минимально допустимая величина напряжения и частоты, а также время ускорения ротора от ноля до номинального значения.
- И в завершении, в программу управления частотным преобразователем GEFRAN вносятся функциональные данные со значениями отдельных клемм и особенностями сигналов. Отмечаются действия оборудования, выполняющиеся автоматически при отсутствии информации поступающей в оперативном режиме с датчика.
В некоторых частотниках существует пункт наличия/отсутствия фильтра в цепи питания двигателя. Этот пункт отвечает за подключение различных видов нагрузок, в том случае, когда возможно выбрать нормальное или инверсное изменение частоты при повышении уровня сигнала обратной связи.
Все настройки частотных преобразователей GEFRAN приведены в технической документации ниже в удобном формате (PDF) который можно скачать на свой компьютер, распечатать или просто открыть на нашем сайте.
Частотный преобразователь GEFRAN, скачать инструкции по эксплуатации
Ниже вы можете скачать руководства по эксплуатации частотных преобразователей GEFRAN для всех серий, когда-либо выпущенных данным производителем.
|
Частотный преобразователь GEFRAN ADV200 инструкция, руководство пользователя. |
Скачать PDF |
|
Частотный преобразователь GEFRAN ADL300 инструкция, руководство пользователя. |
Скачать PDF |
|
Частотный преобразователь GEFRAN ADP200 инструкция, руководство пользователя. |
Скачать PDF |
|
Частотный преобразователь GEFRAN BDI50 инструкция, руководство пользователя. |
Скачать PDF |
|
Частотный преобразователь GEFRAN ACS-ADL300 инструкция, руководство пользователя. |
Скачать PDF |
|
Частотный преобразователь GEFRAN AVRy инструкция, руководство пользователя. |
Скачать PDF |
|
Частотный преобразователь GEFRAN AGL50-EV инструкция, руководство пользователя. |
Скачать PDF |
|
Частотный преобразователь GEFRAN AFE200 инструкция, руководство пользователя. |
Скачать PDF |
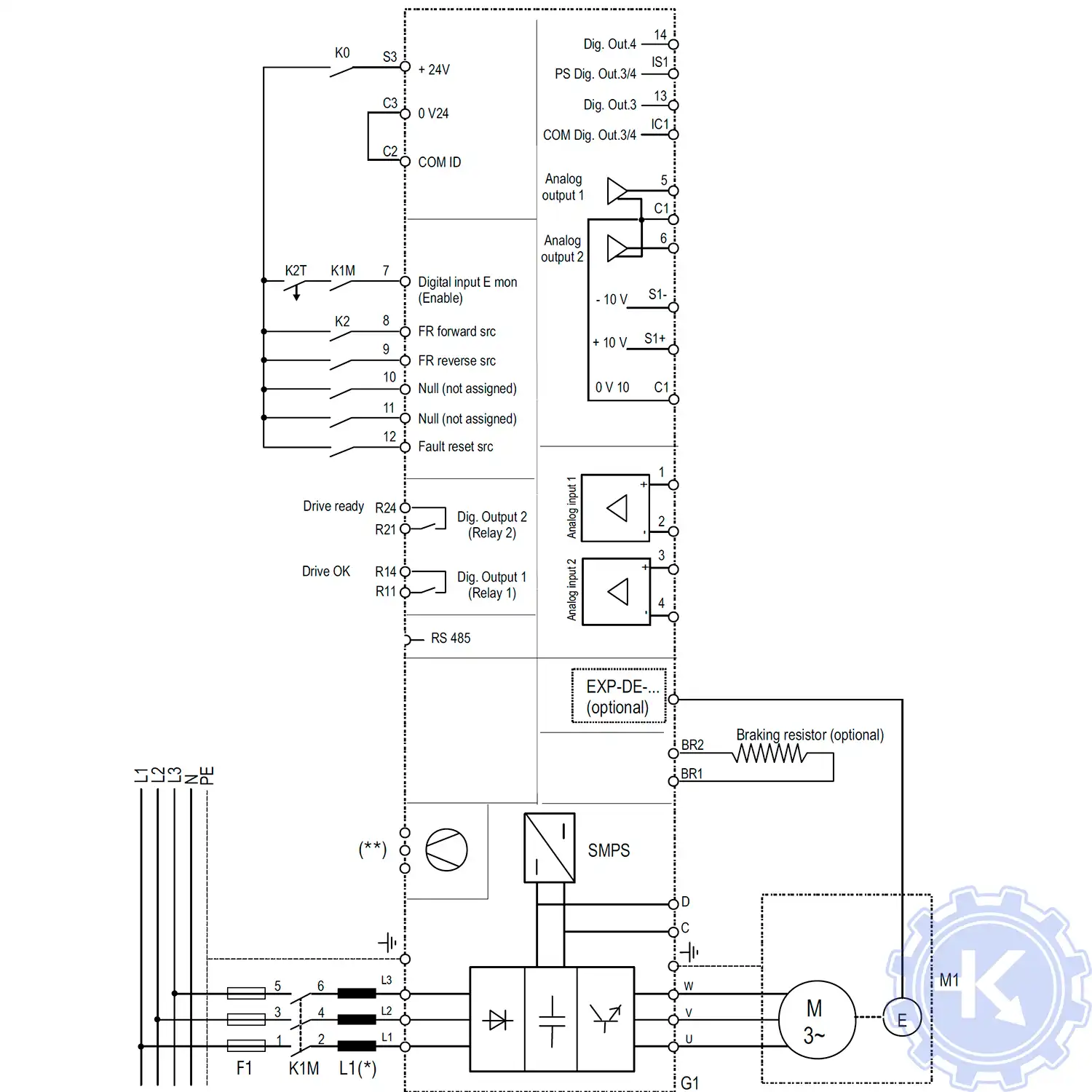
Схемы частотного преобразователя GEFRAN AVD200
Другие схемы частотных преобразователей GEFRAN вы найдете в руководстве пользователя.
Оставьте заявку на ремонт промышленного оборудования, используя форму на сайте, либо свяжетесь с нашими менеджерами, сделать это очень просто.
Оставить заявку на ремонт частотных преобразователей GEFRAN
У вас вышел из строя частотник? Вам необходим срочный ремонт частотных преобразователей GEFRAN в Коканде? Оставьте заявку на ремонт нажав на одноименную кнопку в верхней правой части экрана либо свяжитесь с нашими менеджерами. Связаться с ними можно несколькими способами:

- Заполнив форму заявки на ремонт (кнопка в правом верхнем углу сайта)
- Позвонив по номеру телефона:
- +7(8482) 79-78-54;
- +7(8482) 55-96-39;
- +7(917) 121-53-01
- Написав на электронную почту: 89171215301@mail.ru
Похожие статьи
-
Другие услуги по ремонту промышленной эелектроники и оборудования
- Ремонт частотных преобразователей в Коканде
- Промышленный привод, ремонт в Коканде
- Ремонт частотных преобразователей Веспер в Коканде
- Ремонт частотного преобразователя Danfoss в Коканде
- Ремонт частотного преобразователя Lenze в Коканде
- Ремонт частотных преобразователей ABB в Коканде
- Ремонт частотных преобразователей Siemens в Коканде
- Ремонт частотного преобразователя INVT в Коканде
- Ремонт частотного преобразователя Schneider Altivar в Коканде
- Частотный преобразователь frenic, ремонт частотников FUJI в Коканде
- Ремонт частотного преобразователя Delta в Коканде
- Частотный преобразователь VACON, ремонт частотника в Коканде
- Ремонт частотных преобразователей KEB в Коканде
- Ремонт частотного преобразователя Omron в Коканде
- Частотный преобразователь Mitsubishi Electric, ремонт привода в Коканде
- Ремонт частотников Emerson - Control techniques, Unidrive - Commander в Коканде
- Ремонт частотного преобразователя Yaskawa в Коканде
- Allen Bradley преобразователи частоты, ремонт Allen Bradley в Коканде
- Ремонт частотника Baumuller в Коканде
- Преобразователи частоты Bosch Rexroth, ремонт Bosch Rexroth в Коканде
- Ремонт Rexroth Indramat в Коканде
- Fanuc, ремонт привода в Коканде
- Ошибки и ремонт частотных преобразователей Emotron в Коканде
- Ремонт частотного преобразователя KONE в Коканде, ошибки
- Ошибки и ремонт частотного преобразователя STOBER POSIDRIVE в Коканде
- Ошибки и ремонт частотного преобразователя ESQ в Коканде
- Ошибки и ремонт частотного преобразователя INNOVERT в Коканде
- Ошибки и ремонт частотных преобразователей BONFIGLIOLI в Коканде
- Ошибки и ремонт частотных преобразователей WILO в Коканде
- Ремонт частотных преобразователей SIRIO и NETTUNO в Коканде, ошибки
- Ошибки и ремонт частотных преобразователей HYUNDAI в Коканде
- Ошибки и ремонт частотных преобразователей IDS-DRIVE в Коканде
- Ошибки и ремонт частотных преобразователей LG LS в Коканде
- Ошибки и ремонт частотных преобразователей HYDROVAR в Коканде
- Ошибки и ремонт частотных преобразователей SEW-EURODRIVE в Коканде
- Ошибки и ремонт частотных преобразователей ОВЕН в Коканде
- Ошибки и ремонт частотных преобразователей HITACHI в Коканде
- Ошибки и ремонт частотных преобразователей TOSHIBA в Коканде
- Ошибки и ремонт частотных преобразователей IEK в Коканде
- Ошибки и ремонт частотных преобразователей PROSTAR в Коканде
- Ошибки и ремонт частотных преобразователей GEFRAN в Коканде
- Ошибки и ремонт частотного преобразователя OTIS в Коканде
- Ошибки и ремонт частотного преобразователя SANTERNO в Коканде
- Ремонт и программирование частотных преобразователей ARKEL A-DRIVE в Коканде
- Ремонт и программирование частотных преобразователей SIEI ARTDrive в Коканде
- Ошибки и ремонт частотных преобразователей Schindler Biodyn в Коканде
- Ошибки и ремонт частотных преобразователей Sigma LG в Коканде
- Ошибки и ремонт частотных преобразователей THYSSEN в Коканде
- Ошибки и ремонт частотных преобразователей Macpuarsa в Коканде
- Ошибки и ремонт частотных преобразователей Canny в Коканде
- Ошибки и ремонт частотных преобразователей ERMAN в Коканде
- Ошибки и ремонт частотных преобразователей EKF в Коканде
- Ошибки и ремонт частотных преобразователей INOVANCE в Коканде
- Ошибки и ремонт частотных преобразователей KUKA в Коканде
- Ошибки и ремонт частотных преобразователей DEMAG в Коканде
- Ошибки и ремонт частотных преобразователей EuraDrives в Коканде
- Ошибки и ремонт частотных преобразователей Parker в Коканде
- Ошибки и ремонт частотных преобразователей NIDEC в Коканде
- Ошибки и ремонт частотных преобразователей NORD в Коканде
- Ошибки и ремонт частотных преобразователей Panasonic в Коканде
- Ошибки и ремонт частотных преобразователей Eurotherm в Коканде
- Ошибки и ремонт частотных преобразователей Berges в Коканде
- Ошибки и ремонт частотных преобразователей Hormann в Коканде
- Все услуги по ремонту промышленной электроники и оборудования

Скачать PDF

