Ошибки и ремонт частотного преобразователя SANTERNO в Копейске
Ремонт частотных преобразователей SANTERNO
Ремонт частотного преобразователя SANTERNO, впрочем, как и ремонт частотников других производителей имеет ряд особенностей в силу своего конструктива. Частотные преобразователи, точнее их начинка делятся на две части:
- Аппаратная часть,
 - Программная часть.
 
Частотники данного производителя не являются исключением из правил, именно поэтому ремонт частотного преобразователя SANTERNO имеет точно такой же ряд особенностей, как и у других преобразователей.
Диагностировать ту или иную неисправность помогают коды ошибок частотного преобразователя, которые отображаются на небольшом дисплее, расположенном на лицевой панели привода. Коды ошибок частотного преобразователя SANTERNO в зависимости от серии описаны в инструкции, пользователя которые можно скачать с нашего сайта.
Ремонт частотных преобразователей SANTERNO в Копейске, как и любых других преобразователей, выпущенных под другими брендами, всегда начинается с аппаратной части, после успешного ремонта аппаратной части наступает очередь программной.
Настройка частотного преобразователя SANTERNO также прописана в инструкции завода производителя, для каждой серии частотных преобразователей настройка будет индивидуальной, так как каждая линейка преобразователей решает свои собственные задачи, этим обусловливается широкая номенклатура данного промышленного оборудования.
Ремонт частотных преобразователей SANTERNO в сервисном центре
Компания «Кернел» производит ремонт частотных преобразователей SANTERNO в Копейске с 2002 года. За время существования компании наши сотрудники накопили колоссальный опыт в ремонте преобразователей частоты такого известного производителя как SANTERNO. Ремонт подобного промышленного оборудования ответственное и сложное занятие, требующие полной отдачи, профессионализма и максимально укомплектованной материальной базе.
Специалисты нашего сервисного центра огромное внимание уделяют качеству исполнения ремонта, программирования и настройке промышленных преобразователей частоты, не зависимо от производителя данного промышленного оборудования. Именно поэтому мы смело даем гарантию на ремонт частотного преобразователя SANTERNO и на замененные в процессе ремонта запасные части шесть месяцев.
Ремонт частотных преобразователей SANTERNO в Копейске производится исключительно с использованием оригинальных запасных частей, на компонентном уровне с применением высокотехнологичного диагностического оборудования, квалифицированным персоналом с инженерным образованием.
В случае выхода из строя преобразователя частоты на вашем производстве либо появились проблемы с приводом, которые вы не можете решить самостоятельно, мы всегда рады вам помочь. Специалисты нашего сервисного центра в минимальные сроки проведут глубокую диагностику и последующий ремонт частотного преобразователя SANTERNO.
Инженеры сервисного центра выполняют качественный ремонт частотных преобразователей SANTERNO в Копейске всех серий, когда-либо выпускаемых компанией.
| 
 SINUS K  | 
 SINUS K 0007 2T BA2K2; SINUS K 0010 2T BA2K2; SINUS K 0016 2T BA2K2; SINUS K 0020 2T BA2K2; SINUS K 0025 2T BA2K2; SINUS K 0030 2T BA2K2; SINUS K 0035 2T BA2K2; SINUS K 0023 2T BA2K2; SINUS K 0033 2T BA2K2; SINUS K 0037 2T BA2K2; SINUS K 0038 2T BA2K2; SINUS K 0040 2T BA2K2; SINUS K 0049 2T BA2K2; SINUS K 0060 2T BA2K2; SINUS K 0067 2T BA2K2; SINUS K 0074 2T BA2K2; SINUS K 0086 2T BA2K2; SINUS K 0005 4T BA2K2; SINUS K 0009 4T BA2K2; SINUS K 0014 4T BA2K2; SINUS K 0017 4T BA2K2; SINUS K 0025 4T BA2K2; SINUS K 0035 4T BA2K2; SINUS K 0020 4T BA2K2; SINUS K 0030 4T BA2K2; SINUS K 0034 4T BA2K2; SINUS K 0036 4T BA2K2; SINUS K 0038 4T BA2K2; SINUS K 0040 4T BA2K2; SINUS K 0049 4T BA2K2; SINUS K 0060 4T BA2K2; SINUS K 0060 4T BA2K2; SINUS K 0067 4T BA2K2; SINUS K 0074 4T BA2K2; SINUS K 0086 4T BA2K2  | 
| 
 SINUS M  | 
 SINUS M 0001 2S/T BA2K2; SINUS M 0001 2T BA2K2; SINUS M 0002 2S/T BA2K2; SINUS M 0002 2T BA2K2; SINUS M 0003 2S/T BA2K2; SINUS M 0001 2T BA2K2; SINUS M 0005 2S/T BA2K2; SINUS M 0005 2T BA2K2; SINUS M 0007 2S/T BA2K2; SINUS M 0001 2T BA2K2; SINUS M 0011 2S/T BA2K2; SINUS M 0011 2T BA2K2; SINUS M 0014 2S/T BA2K2; SINUS M 0014 2T BA2K2; SINUS M 0017 2S/T BA2K2; SINUS M 0017 2T BA2K2; SINUS M 0020 2S/T BA2K2; SINUS M 0020 2T BA2K2; SINUS M 0025 2S/T BA2K2; SINUS M 0025 2T BA2K2; SINUS M 0030 2S/T BA2K2; SINUS M 0030 2T BA2K2;  | 
| 
 SINUS N  | 
 SINUS N 0001 2S XBK2, SINUS N 0002 2S XBK2; SINUS N 0003 2S XBK2, SINUS N 0005 2S XBK2  | 
| SINUS PENTA | 
 SINUS PENTA 0007 2T BA2X2; SINUS PENTA 0008 2T BA2X2; SINUS PENTA 0010 2T BA2X2; SINUS PENTA 0013 2T BA2X2; SINUS PENTA 0015 2T BA2X2; SINUS PENTA 0016 2T BA2X2; SINUS PENTA 0020 2T BA2X2; SINUS PENTA 0023 2T BA2X2; SINUS PENTA 0033 2T BA2X2; SINUS PENTA 0037 2T BA2X2; SINUS PENTA 0005 4T BA2X2; SINUS PENTA 0006 4T BA2X2; SINUS PENTA 0009 4T BA2X2; SINUS PENTA 0011 4T BA2X2; SINUS PENTA 0014 4T BA2X2; SINUS PENTA 0016 4T BA2X2; SINUS PENTA 0017 4T BA2X2; SINUS PENTA 0020 4T BA2X2; SINUS PENTA 0025 4T BA2X2; SINUS PENTA 0030 4T BA2X2; SINUS PENTA 0034 4T BA2X2; SINUS PENTA 0036 4T BA2X2  | 
В данной таблице присутствуют далеко не все частотные преобразователи SANTERNO ремонт которых предлагает наш сервисный центр.
Ошибки частотного преобразователя SANTERNO
В процессе работы выходит из строя даже самое надежное промышленное оборудование. В данной статье мы приведем ошибки частотного преобразователя SANTERNO, а точнее SANTERNO серии SINUS N. Частотники в наше время, нашли широкое применение абсолютно во всех сферах промышленности, управляя как мини моторами в оргтехнике, так и гигантскими двигателями в горнодобывающей промышленности.
Для простоты общения со столь сложной электроникой все частотные преобразователи оснащены небольшими дисплеями с помощью которых выводятся информационные сообщения с кодами ошибок, расшифровав которые можно сразу же узнать причину ее возникновения. Если учесть распространенность данной промышленной электроники, то появляется острая нужда в расшифровке кодов ошибок частотных преобразователей. В этой статье мы рассмотрим одного из самых известных производителей промышленной электроники имеющему уважение во всем мире, SANTERNO.
Существует несколько видов ошибок, некоторые из них можно устранить автоматически, а некоторые возможно исправить только, обратившись в специализированный сервисный центр. В таблицах ниже приведены коды ошибок частотного преобразователя SANTERNO SINUS N и их расшифровка.
Обязательно должны соблюдаться все рекомендации, изложенные в инструкции по монтажу и эксплуатации насосов, в особенности требования по технике безопасности!
Коды ошибок частотного преобразователя SANTERNO SINUS N
| 
 Код ошибки  | 
 Ошибка  | 
 Описание  | 
| 
 0CT  | 
 Перегрузка по току.  | 
 Преобразователь отключает выходное напряжение, если выходной ток превышает 200 % от номинального тока преобразователя.  | 
| 
 GFT  | 
 Ток утечки на землю.  | 
 Преобразователь отключает выходное напряжение, если неисправно заземление и ток утечки на землю превышает допустимое значение (внутренний параметр преобразователя).  | 
| 
 10L  | 
 Перегрузка преобразователя.  | 
 Преобразователь отключает выходное напряжение, если выходной ток преобразователя превышает номинальное значение (150% в течение 1 минуты).  | 
| 
 0LT  | 
 Перегрузка.  | 
 Преобразователь отключает выходное напряжение, если выходной ток преобразователя превышает 150% от номинального тока двигателя в течение определенного времени (1 мин).  | 
| 
 0HT  | 
 Перегрев радиаторов.  | 
 Преобразователь отключает выходное напряжение, если радиаторы перегреваются из-за неисправного вентилятора или ухудшения условий охлаждения.  | 
| 
 C0L  | 
 Перегрузка конденсаторов цепи постоянного тока.  | 
 Преобразователь отключает выходное напряжение, если необходимо произвести замену старых конденсаторов цепи постоянного тока на новые.  | 
| 
 P0T  | 
 Потеря фазы на выходе.  | 
 Преобразователь отключает выходное напряжение, если произошел, обрыв одной или нескольких фаз на выходе (U, V, W). Обрыв фазы определяется по значению выходного тока.  | 
| 
 0VT  | 
 Перенапряжение.  | 
 Преобразователь отключает выходное напряжение, если напряжение цепи постоянного тока превысило 400 В при замедлении двигателя. Этот сигнал может появиться и при бросках напряжения в питающей сети.  | 
| 
 LVT  | 
 Пониженное напряжение.  | 
 Преобразователь отключает выходное напряжение, если напряжение цепи постоянного тока упало ниже 200 В из-за перегрузки или перегрева двигателя. Этот сигнал может появиться и при падении напряжения в питающей сети.  | 
| 
 ETH  | 
 Электронная тепловая защита.  | 
 Внутренняя электронная тепловая защита определяет перегрев двигателя. При перегрузке двигателя преобразователь отключает выходное напряжение. Данная защита не работает при использовании двигателей с числом полюсов больше 4 и при параллельном включении двигателей.  | 
| 
 EEP  | 
 Ошибка записи параметров.  | 
 Это сообщение появляется при невозможности записать параметры пользователя в память.  | 
| 
 HWE  | 
 Аппаратная неисправность.  | 
 Это сообщение появляется при появлении сбоев в системе управления преобразователя.  | 
| 
 ERR  | 
 Ошибка связи.  | 
 Это сообщение появляется, если нет связи между преобразователем и пультом управления.  | 
| 
 FAN  | 
 Неисправность вентилятора.  | 
 Это сообщение появляется при неисправности охлаждающего вентилятора.  | 
| 
 EST  | 
 Немедленное отключение.  | 
 Используется для аварийного останова преобразователя. При подаче сигнала на клемму EST преобразователь отключает выходное напряжение.  | 
| 
 * Внимание: Преобразователь вернется к нормальной работе при отключении клеммы BX и наличии сигналов на клеммах FX или RX.  | 
||
| 
 ETA  | 
 Сигнал внешней ошибки на входе А.  | 
 Если многофункциональный вход настроен на ввод сигнала внешней ошибки через нормально открытый контакт (I20-I24 = 18), то при его замыкании преобразователь отключает выходное напряжение.  | 
| 
 ETB  | 
 Сигнал внешней ошибки на входе В.  | 
 Если многофункциональный вход настроен на ввод сигнала внешней ошибки через нормально закрытый контакт (I20-I24 = 19), то при его размыкании преобразователь отключает выходное напряжение.  | 
| 
 _ _ L  | 
 Работа при потере сигнала задания частоты.  | 
 Если преобразователь настроен на работу с сигналом задания, поступающим через аналоговый вход (0-10 В или 0-20 мA) или через интерфейс RS485, то при отсутствии сигнала задания преобразователь переходит к работе в соответствии со значением параметра I62.  | 
Расшифровка кода ошибки, причина и ее устранение
| 
 Код ошибки / расшифровка  | 
 Причина  | 
 Устранение  | 
| 
 0CT Перегрузка по току.  | 
 * Внимание: При появлении перегрузки по току работа может быть возобновлена только после выявления причины перегрузки, в противном случае возможно повреждение модулей IGBT внутри преобразователя.  | 
|
| 
 Мало время разгона / замедления для данной нагрузки. Нагрузка превышает мощность преобразователя. При пуске преобразователя двигатель вращается. Короткое замыкание на выходе или неисправность заземления. Механический тормоз двигателя включается слишком рано.  | 
 Увеличьте время разгона / замедления. Замените преобразователь на более мощный. Подавайте команду пуск при остановленном двигателе или используйте параметр H22 (Определение скорости) в группе FU2. Проверьте выходные цепи. Проверьте механический тормоз.  | 
|
| 
 GFT Ток утечки на землю.  | 
 Неисправность заземления на выходе преобразователя. Изоляция двигателя нарушена из-за перегрева.  | 
 Проверьте выходные цепи. Замените двигатель.  | 
| 
 10L Перегрузка преобразователя.  | 
 Нагрузка превышает мощность преобразователя или двигателя. Мощность преобразователя выбрана неверно. Велик бросок момента.  | 
 Замените преобразователь или двигатель на более мощный или уменьшите нагрузку. Установите преобразователь нужной мощности. Уменьшите бросок момента.  | 
| 
 0HT Перегрев радиаторов.  | 
 Неисправность в системе охлаждения. Вентилятор выработал свой ресурс. Высока окружающая температура.  | 
 Проверьте состояние радиаторов. Замените вентилятор на новый. Не допускайте увеличения окружающей температуры выше 40°C.  | 
| 
 P0T Потеря фазы на выходе.  | 
 Неисправность контактора на выходе преобразователя. Неправильное подключение выходных цепей.  | 
 Обеспечьте корректную работу контактора. Проверьте подключение.  | 
| 
 FAN Неисправность вентилятора.  | 
 Посторонние предметы в вентиляционном канале. Преобразователь работает с неисправным вентилятором.  | 
 Проверьте вентиляционный канал и очистите его. Замените вентилятор.  | 
| 
 0VT Перенапряжение.  | 
 Время замедления слишком мало для данной нагрузки. На выходе преобразователя – активная нагрузка. Велико напряжение сети.  | 
 Увеличьте время замедления. Используйте блок динамического торможения. Проверьте напряжение сети.  | 
| 
 LVT Пониженное напряжение.  | 
 Мало напряжение сети. К сети подключена нагрузка, мощность которой превышает мощность сети (сварочный аппарат, двигатель с большим пусковым током и т.п.). Неисправен магнитный контактор на входе преобразователя.  | 
 Проверьте напряжение сети. Проверьте питающую сеть и соответствие мощностей сети и нагрузки. Замените магнитный контактор.  | 
| 
 ETH Электронная тепловая защита.  | 
 Перегрев двигателя. Нагрузка больше мощности преобразователя. Мал установленный уровень ETH. Мощность преобразователя выбрана неверно. Двигатель долго работает на низкой скорости.  | 
 Уменьшите нагрузку или время работы двигателя. Замените преобразователь на более мощный. Установите ETH в соответствии с характеристиками нагрузки. Установите преобразователь нужной мощности. Установите вентилятор охлаждения двигателя с независимым питанием.  | 
| 
 ETA Сигнал внешней ошибки на входе А.  | 
 Поступил сигнал ошибки на вход с назначением 18 (Внешняя ошибка: Контакт A) или 19 (Внешняя ошибка: Контакт B) в параметрах I20-I24 группы I/O.  | 
 Устраните причину появления сигнала внешней ошибки.  | 
| 
 ETB Сигнал внешней ошибки на входе В.  | 
||
| 
 _ _ L Работа при потере сигнала задания частоты.  | 
 Нет сигнала задания на входах V1 и I.  | 
 Проверьте подключение входов V1 и I и наличие задания частоты на них.  | 
| 
 EEP Ошибка записи параметров.  | 
 Обратитесь в сервисный центр.  | 
|
| 
 HWE Аппаратная неисправность.  | 
||
| 
 ERR Ошибка связи.  | 
||
Преобразователь частоты разработан таким образом, что он пытается избежать аварийных отключений путем ограничения момента, перенапряжения и т.п.
Появление сбоев при вводе в эксплуатацию или вскоре после него обычно свидетельствует о неверной настройке или неправильном подключении.
Возникновение неисправностей или проблем после длительного режима бесперебойной работы обычно происходит по причине изменений в системе или ее окружении (например, в результате износа).
Дополнительную информацию по частотным преобразователям SANTERNO можно посмотреть и скачать в файлах ниже.
Настройка частотного преобразователя SANTERNO, программирование
Настройка частотных преобразователей SANTERNO (программирование) происходит в рамках установленных производителем правил, существует общий алгоритм по программированию (настройке частотных преобразователей), относящийся ко всем производителям данного промышленного оборудования. Ниже представлена пошаговая инструкция по настройке частотных преобразователей SANTERNO.
- Выбор режима управления приводом SANTERNO (управление по показанию датчиков, дистанционное управление, дистанционное управление).
 - В случае использования отдельного (выносного) монитора, настраивается вывод на него технической информации.
 - Далее определяем конфигурацию подключения серводвигателя. На данной стадии задаются такие параметры как- возможность применения обратной связи либо без ее применения, а в память блока заносятся данные по: величине крутящего момента, мощности потребителей, номинальное значения частоты, напряжение, ток и скорости вращения ротора.

 - Программируется минимально допустимая величина напряжения и частоты, а также время ускорения ротора от ноля до номинального значения.
 - И в завершении, в программу управления частотным преобразователем SANTERNO вносятся функциональные данные со значениями отдельных клемм и особенностями сигналов. Отмечаются действия оборудования, выполняющиеся автоматически при отсутствии информации поступающей в оперативном режиме с датчика.
 
В некоторых частотниках существует пункт наличия/отсутствия фильтра в цепи питания двигателя. Этот пункт отвечает за подключение различных видов нагрузок, в том случае, когда возможно выбрать нормальное или инверсное изменение частоты при повышении уровня сигнала обратной связи.
Все настройки частотных преобразователей SANTERNO приведены в технической документации ниже в удобном формате (PDF) который можно скачать на свой компьютер, распечатать или просто открыть на нашем сайте.
Частотный преобразователь SANTERNO, скачать инструкции по эксплуатации
Ниже вы можете скачать руководства по эксплуатации частотных преобразователей SANTERNO для всех серий, когда-либо выпущенных данным производителем.
| 
 Частотный преобразователь SANTERNO SINUS K lift инструкция, руководство пользователя.  | 
  Скачать PDF | 
| 
 Частотный преобразователь SANTERNO SINUS M инструкция, руководство пользователя.  | 
  Скачать PDF | 
| 
 Частотный преобразователь SANTERNO SINUS N инструкция, руководство пользователя.  | 
  Скачать PDF | 
| 
 Частотный преобразователь SANTERNO SINUS PENTA инструкция, руководство пользователя.  | 
  Скачать PDF | 
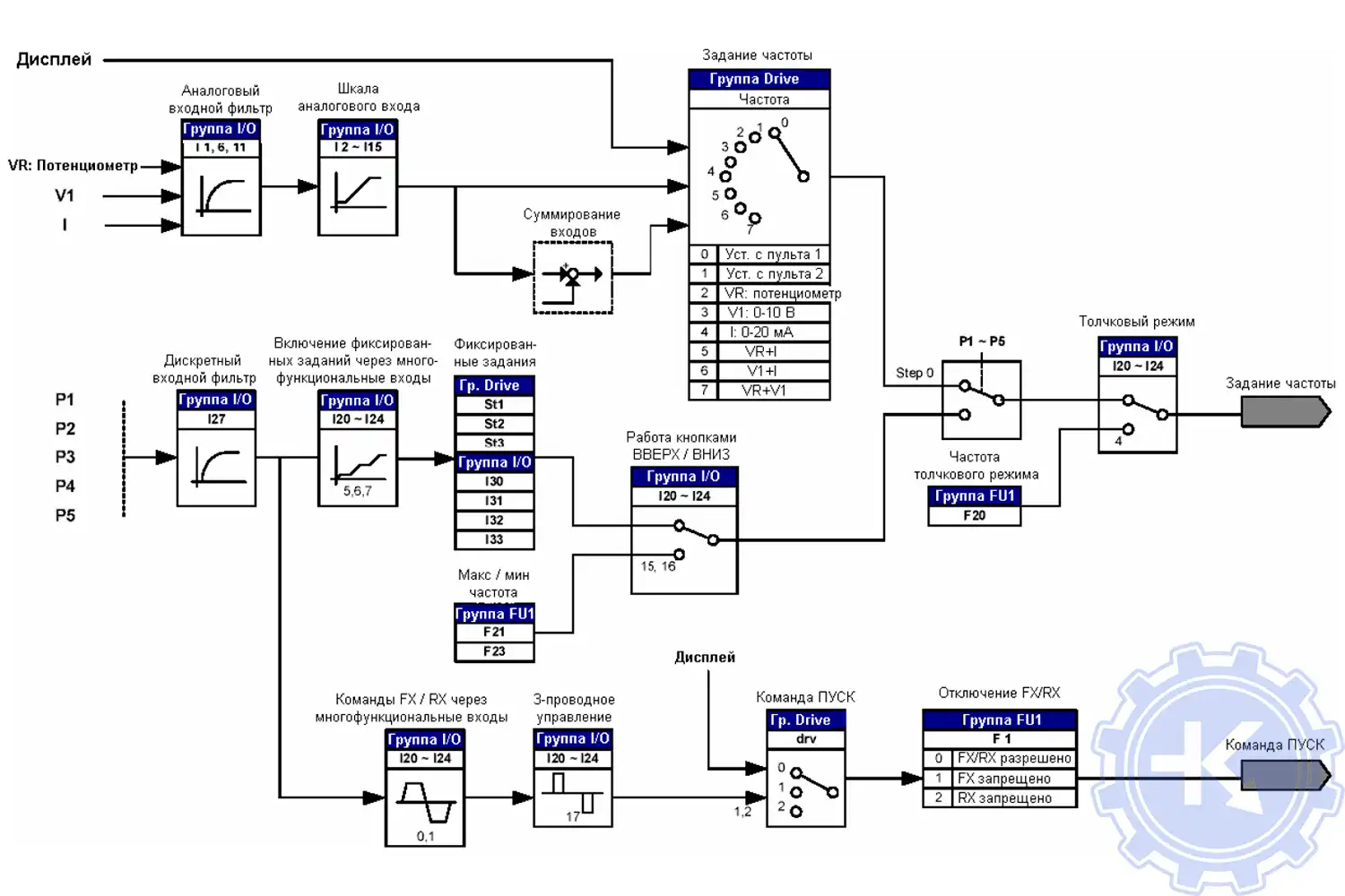
Блок-схемы частотного преобразователя SANTERNO
Другие схемы в том числе схемы подключений частотных преобразователей SANTERNO вы найдете в руководстве пользователя.
Оставьте заказ на ремонт частотного преобразователя SANTERNO, используя форму на сайте, либо свяжетесь с нашими менеджерами, сделать это очень просто.
Оставить заявку на ремонт частотных преобразователей SANTERNO
У вас вышел из строя частотник? Вам необходим срочный ремонт частотных преобразователей SANTERNO в Копейске? Оставьте заявку на ремонт нажав на одноименную кнопку в верхней правой части экрана либо свяжитесь с нашими менеджерами. Связаться с ними можно несколькими способами:

- Заполнив форму заявки на ремонт (кнопка в правом верхнем углу сайта)
 - Позвонив по номеру телефона:
 - +7(8482) 79-78-54;
 - +7(8482) 55-96-39;
 - +7(917) 121-53-01
 - Написав на электронную почту: 89171215301@mail.ru
 
    
    
    
    
    
    
    
    
    
    Похожие статьи
- 
		Другие услуги по ремонту промышленной эелектроники и оборудования
		
- Ремонт частотных преобразователей в Копейске
 - Промышленный привод, ремонт в Копейске
 - Ремонт частотных преобразователей Веспер в Копейске
 - Ремонт частотного преобразователя Danfoss в Копейске
 - Ремонт частотного преобразователя Lenze в Копейске
 - Ремонт частотных преобразователей ABB в Копейске
 - Ремонт частотных преобразователей Siemens в Копейске
 - Ремонт частотного преобразователя INVT в Копейске
 - Ремонт частотного преобразователя Schneider Altivar в Копейске
 - Частотный преобразователь frenic, ремонт частотников FUJI в Копейске
 - Ремонт частотного преобразователя Delta в Копейске
 - Частотный преобразователь VACON, ремонт частотника в Копейске
 - Ремонт частотных преобразователей KEB в Копейске
 - Ремонт частотного преобразователя Omron в Копейске
 - Частотный преобразователь Mitsubishi Electric, ремонт привода в Копейске
 - Ремонт частотников Emerson - Control techniques, Unidrive - Commander в Копейске
 - Ремонт частотного преобразователя Yaskawa в Копейске
 - Allen Bradley преобразователи частоты, ремонт Allen Bradley в Копейске
 - Ремонт частотника Baumuller в Копейске
 - Преобразователи частоты Bosch Rexroth, ремонт Bosch Rexroth в Копейске
 - Ремонт Rexroth Indramat в Копейске
 - Fanuc, ремонт привода в Копейске
 - Ошибки и ремонт частотных преобразователей Emotron в Копейске
 - Ремонт частотного преобразователя KONE в Копейске, ошибки
 - Ошибки и ремонт частотного преобразователя STOBER POSIDRIVE в Копейске
 - Ошибки и ремонт частотного преобразователя ESQ в Копейске
 - Ошибки и ремонт частотного преобразователя INNOVERT в Копейске
 - Ошибки и ремонт частотных преобразователей BONFIGLIOLI в Копейске
 - Ошибки и ремонт частотных преобразователей WILO в Копейске
 - Ремонт частотных преобразователей SIRIO и NETTUNO в Копейске, ошибки
 - Ошибки и ремонт частотных преобразователей HYUNDAI в Копейске
 - Ошибки и ремонт частотных преобразователей IDS-DRIVE в Копейске
 - Ошибки и ремонт частотных преобразователей LG LS в Копейске
 - Ошибки и ремонт частотных преобразователей HYDROVAR в Копейске
 - Ошибки и ремонт частотных преобразователей SEW-EURODRIVE в Копейске
 - Ошибки и ремонт частотных преобразователей ОВЕН в Копейске
 - Ошибки и ремонт частотных преобразователей HITACHI в Копейске
 - Ошибки и ремонт частотных преобразователей TOSHIBA в Копейске
 - Ошибки и ремонт частотных преобразователей IEK в Копейске
 - Ошибки и ремонт частотных преобразователей PROSTAR в Копейске
 - Ошибки и ремонт частотных преобразователей GEFRAN в Копейске
 - Ошибки и ремонт частотного преобразователя OTIS в Копейске
 - Ошибки и ремонт частотного преобразователя SANTERNO в Копейске
 - Ремонт и программирование частотных преобразователей ARKEL A-DRIVE в Копейске
 - Ремонт и программирование частотных преобразователей SIEI ARTDrive в Копейске
 - Ошибки и ремонт частотных преобразователей Schindler Biodyn в Копейске
 - Ошибки и ремонт частотных преобразователей Sigma LG в Копейске
 - Ошибки и ремонт частотных преобразователей THYSSEN в Копейске
 - Ошибки и ремонт частотных преобразователей Macpuarsa в Копейске
 - Ошибки и ремонт частотных преобразователей Canny в Копейске
 - Ошибки и ремонт частотных преобразователей ERMAN в Копейске
 - Ошибки и ремонт частотных преобразователей EKF в Копейске
 - Ошибки и ремонт частотных преобразователей INOVANCE в Копейске
 - Ошибки и ремонт частотных преобразователей KUKA в Копейске
 - Ошибки и ремонт частотных преобразователей DEMAG в Копейске
 - Ошибки и ремонт частотных преобразователей EuraDrives в Копейске
 - Ошибки и ремонт частотных преобразователей Parker в Копейске
 - Ошибки и ремонт частотных преобразователей NIDEC в Копейске
 - Ошибки и ремонт частотных преобразователей NORD в Копейске
 - Ошибки и ремонт частотных преобразователей Panasonic в Копейске
 - Ошибки и ремонт частотных преобразователей Eurotherm в Копейске
 - Ошибки и ремонт частотных преобразователей Berges в Копейске
 - Ошибки и ремонт частотных преобразователей Hormann в Копейске
 - Все услуги по ремонту промышленной электроники и оборудования
 
 


 Скачать PDF

