Колумбус

Ошибки сервопривода Fanuc Alfa и Beta series
ремонт сервопривода Fanuc Alfa и Beta series

в

МЕНЮ

Ошибки и ремонт сервопривода Fanuc Alfa- Beta series в

 

Ремонт сервопривода Fanuc Alfa и Beta series

Ремонт сервопривода Fanuc Alfa- Beta series

Сервисный центр «Кернел» предлагает выполнить качественный ремонт сервопривода Fanuc Alfa и Beta series в на компонентном уровне в максимально сжатые сроки.

Сервопривода относятся к сложной промышленной электронике именно поэтому ремонтом серводрайверов Fanuc Alfa и Beta series, впрочем, как и сервоприводов других производителей должны заниматься специалисты, имеющие не только высшее техническое образование, но и солидный опыт в ремонте подобной промышленной электроники.

Также для восстановления подобного промышленного оборудования понадобится хорошая материально-техническая база. При выполнении этих условий шансы на успешный ремонт сервопривода Fanuc Alfa и Beta series возрастают в геометрической прогрессии.

Именно поэтому за ремонтом сервоприводов Fanuc Alfa и Beta series или другого производителя лучше всего обращаться в специализированный сервисный центр, который отвечает всем техническим требованиям, такой как Кернел.

Наш цент имеет отличную материально-техническую ремонтную базу, а за время существования с 2002 года специалисты компании накопили бесценный опыт в том числе опыт в ремонте сервоприводов Fanuc Alfa и Beta series.

Инженеры сервисного центра выполняют качественный ремонт сервоприводов Fanuc всех серий, когда-либо выпускаемых компанией.

СерияТип сервоусилителя

Fanuc Alfa series

Fanuc Beta series

A06B-6111-H037#H550; A06B-6111-H030#H570/P; A06B-6111-H030#H553; A06B-6111-H030#H550#P; A06B-6111-H030#H550#C; A06B-6111-H026#H570; A06B-6111-H026#H553; A06B-6111-H026#H550#P; A06B-6111-H026#H550#C; A06B-6111-H022#H570/P; A06B-6111-H022#H553; A06B-6111-H022#H550/C; A06B-6164-H244#H580; A06B-6164-H312#H580; A06B-6164-H332#H580; A06B-6165-H201#H560; A06B-6165-H202#H560; A06B-6164-H201#H580; A06B-6165-H311#H560; A06B-6165-H312#H560; A06B-6165-H333#H560; A06B-6165-H343#H560; A06B-6166-H201; A06B-6166-H201#A; A06B-6058-H225; A06B-6200-H011; A06B-6089-H104; A06B-6117-H105; A06B-6114-H205; A06B-6114-H109; A06B-6166-H203; A06B-6050-H103; A06B-6127-H209; A06B-6102-H206#H520; A06B-6121-H006#H550; A06B-6140-H037; A06B-6134-H303#A; A06B-6088-H215; A06B-6082-H222; A06B-6064-H230; A06B-6044-H017; A06B-6064-H201#H520; A06B-6088-H245; A06B-6088-H222; A06B-6057-H204; A06B-6089-H207; A06B-6052-H004; A06B-6117-H208; A06B-6082-H215#H511; A06B-6082-H215#H510; A06B-6082-H211#H512; A06B-6082-H211#H511/EM; A06B-6082-H211#H510; A06B-6082-H206#H511; A06B-6082-H206#H510/EM; A06B-6082-H206#H510; A06B-6082-H202#H512; A06B-6082-H202#H511; A06B-6082-H202#H510; A06B-6080-H307; A06B-6059-H215#H545; A06B-6059-H215#H515; A06B-6059-H212#H759; A06B-6059-H212#H758; A06B-6059-H212#H757; A06B-6059-H212#H713; A06B-6059-H212#H712; A06B-6059-H212#H711; A06B-6059-H212#H611; A06B-6059-H212#H610; A06B-6059-H212#H601; A06B-6059-H212#H590; A06B-6045-H006; A06B-6045-H005; A06B-6045-H002; A06B-6045-H001; A06B-6045-C009; A06B-6045-C006; A06B-6045-C005; A06B-6044-H742; A06B-6044-H736; A06B-6044-H725; A06B-6044-H722; A06B-6044-H712

 

В данной таблице присутствуют далеко не все сервоприводы Fanuc Alfa и Beta series ремонт которых предлагает наш сервисный центр.

Особенности ремонта сервопривода Fanuc Alfa и Beta series

Ремонт сервопривода Fanuc Alfa- Beta seriesРемонт сервопривода Fanuc Alfa и Beta series имеет ряд индивидуальных особенностей, это связано с конструктивными особенностями сервоприводов. По аналогии частотными преобразователями, сервопривод состоит из двух частей, это:

  • Аппаратная часть;
  • Программная часть.

В первую очередь ремонтируется аппаратная часть промышленного сервопривода. После глубокой диагностики неисправного блока выявляются все неисправные компоненты, которые в последствии заменяются на оригинальные запасные части (по возможности), в случае если сервопривод уже давно снят с производства и найти оригинальные запчасти просто невозможно они заменяются на аналоги.

Данный вид ремонта называется компонентным. От других видов его отличает две немаловажные вещи.

  • Значительное удешевление ремонта;
  • Существенное сокращение времени ремонта.

По завершении ремонта аппаратной части сервопривода наступает очередь программной. В зависимости от серии выбирается программный продукт и зашивается в блок.

Заключительный этап ремонта сервопривода Fanuc Alfa и Beta series в это проверка на специализированном стенде, без нагрузки и с нагрузкой максимально приближенна к реальным условиям эксплуатации.

Ошибки сервоприводов Fanuc Alfa и Beta series

Ремонт сервопривода Fanuc Alfa- Beta seriesВ процессе работы выходит из строя даже самое надежное промышленное оборудование. В данной статье мы приведем ошибки сервоприводов Fanuc, а точнее Fanuc Alfa и Beta series. Привода в наше время, нашли широкое применение абсолютно во всех сферах промышленности, управляя как мини моторами в оргтехнике, так и гигантскими двигателями в горнодобывающей промышленности.

Для простоты общения со столь сложной электроникой все сервопривода оснащены небольшими дисплеями с помощью которых выводятся информационные сообщения с кодами ошибок, расшифровав которые можно сразу же узнать причину ее возникновения. Если учесть распространенность данной промышленной электроники, то появляется острая нужда в расшифровке кодов ошибок сервопривода. В этой статье мы рассмотрим одного из самых известных производителей промышленной электроники имеющему уважение во всем мире, Fanuc и севрво усилители Alfa и Beta series.

Существует несколько видов ошибок, некоторые из них можно устранить автоматически, а некоторые возможно исправить только, обратившись в специализированный сервисный центр. В таблицах ниже приведены коды ошибок сервоприводов Fanuc Alfa и Beta series и их расшифровка.

Fanuc Servo Amplifier Beta is 6130 сигналы тревоги (ошибки)

Сигнал тревогиОисание

SV0027 or 027

Неверная настройка параметров цифрового сервопривода

SV0361 or 361

Фазовая ошибка импульсного кодера (встроенная)

SV0364 or 364

Мягкая фазовая сигнализация (встроенная)

SV0365 or 365

Светодиод ошибки (встроенный)

SV0366 or 366

Импульсная ошибка (встроенная)

SV0367 or 367

Ошибка подсчета (встроенная)

SV0368 or 368

Ошибка серийных данных (встроенная)

SV0369 or 369

Ошибка передачи данных (встроенная)

SV0380 or 380

Ошибка светодиода (отдельно)

SV0381 or 381

Фазовая ошибка импульсного кодера (отдельно)

SV0382 or 382

Ошибка подсчета (отдельно)

SV0383 or 383

Ошибка импульса (отдельно)

SV0384 or 384

Мягкая фазовая сигнализация (отдельно)

SV0385 or 385

Ошибка серийных данных (отдельно)

SV0386 or 386

Ошибка передачи данных (отдельно)

SV0387 or 387

Ошибка датчика (отдельно)

SV0417 or 417

Неверный параметр

SV0421 or 421

Чрезмерная полуполная ошибка

SV0430 or 430

Серводвигатель перегревается

SV0432 or 432

Преобразователь: управление пониженным напряжением питания

SV0433 or 433

Преобразователь: пониженное напряжение в звене постоянного тока

SV0436 or 436

Мягкая термальная (OVC)

SV0438 or 438

Инвертор: аварийный сигнал тока двигателя

SV0439 or 439

Преобразователь: перенапряжение в звене постоянного тока

SV0440 or 440

Преобразователь: Чрезмерная мощность торможения

SV0441 or 441

Текущая ошибка смещения

SV0444 or 444

Инвертор: внутренний охлаждающий вентилятор остановлен или неисправна цепь

SV0445 or 445

Сигнализация мягкого отключения

SV0447 or 447

Сигнализация жесткого отключения (отдельно)

SV0448 or 448

Сигнализация несоответствия обратной связи

SV0449 or 449

Инвертор: тревога IPM

SV0453 or 453

Сигнализация мягкого отключения (α Pulsecoder)

SV0601 or 601

Инвертор: вентилятор охлаждения радиатора остановился

SV0603 or 603

Инвертор: Аварийный сигнал IPM (OH)

 

Fanuc Servo Amplifier 400 Коды аварийных сигналов

Код ошибкиСообщениеОписание

400

SERVO ALARM: n–TH AXIS OVERLOAD

Сигнал перегрузки оси n (оси 1–8) включен. Подробную информацию см. на диагностическом дисплее № 201, 720 или 721.

401

SERVO ALARM: n–TH AXIS VRDY OFF

Сработал сигнал ГОТОВНОСТИ (DRDY) сервоусилителя n-й оси (оси 1–8).

402

SERVO ALARM 3, 4TH AXIS OVERLOAD

3-осевой, 4-осевой сигнал перегрузки включен. Подробную информацию см. на диагностическом дисплее 722 или 723.

404

SERVO ALARM: n–TH AXIS VRDY

ON

Несмотря на то, что сигнал ГОТОВНОСТИ (MCON) оси n (оси 1–8) был отключен, сигнал ГОТОВНОСТИ сервоусилителя (DRDY) все еще включен. Или, когда питание было включено, DRDY включился, хотя MCON был выключен.

Убедитесь, что интерфейсный модуль сервопривода и сервоусилитель подключены.

405

SERVO ALARM: (ZERO POINT RETURN FAULT)

Ошибка системы управления положением. Из-за ошибки ЧПУ или сервосистемы при возврате в референтную позицию существует вероятность того, что возврат в референтную позицию не может быть выполнен правильно. Повторите попытку из ручного возврата в референтную позицию.

407

SERVO ALARM: EXCESS ERROR

Разница в отклонении положения синхронной оси превысила установленное значение.

409

SERVO ALARM: n AXIS TORQUE ALM

Обнаружена аномальная нагрузка серводвигателя. Кроме того, в режиме Cs была обнаружена аномальная нагрузка на двигатель шпинделя.

410

SERVO ALARM: n–TH AXIS – EXCESS ERROR

Значение отклонения положения при остановке n–й оси (оси 1–8) больше установленного значения.

411

SERVO ALARM: n–TH AXIS – EXCESS ERROR

Значение отклонения положения при перемещении n–й оси (оси 1–8) больше заданного значения.

413

SERVO ALARM: n–th AXIS – LSI OVERFLOW

Содержимое регистра ошибок для n-й оси (оси 1–8) превышало 231 степень. Эта ошибка обычно возникает в результате неправильно заданных параметров.

414

SERVO ALARM: n–TH AXIS –

DETECTION RELATED ERROR

Неисправность цифровой сервосистемы N–й оси (оси 1–8). Подробности см. в диагностическом дисплее № 200 и № 204. Также посмотрите на сервоусилитель для кода тревоги.

415

SERVO ALARM: n–TH AXIS – EXCESS SHIFT

Была предпринята попытка задать скорость выше 511875 ед/с по оси n–th (оси 1–8). Эта ошибка возникает в результате неправильно настроенного CMR.

416

SERVO ALARM: n–TH AXIS – DISCONNECTION

Неисправность системы определения положения импульсного шифратора n–й оси (оси 1–8) (сигнализация отключения). Подробности см. на дисплее диагностики № 201.

417

SERVO ALARM: n–TH AXIS – PARAMETER INCORRECT

Этот аварийный сигнал возникает, когда n–я ось (ось 1–8) находится в одном из состояний, перечисленных ниже. (Аварийный сигнал цифровой сервосистемы)

  1. Значение параметра № 2020 (форма двигателя) выходит за установленный предел.
  2. В параметре № 2022 (направление вращения двигателя) не установлено правильное значение (111 или –111).
  3. В параметре № 2023 (количество импульсов обратной связи по скорости на оборот двигателя) были установлены недопустимые данные (значение ниже 0 и т. д.).
  4. Недопустимые данные (значение ниже 0 и т. д.) были установлены в параметре № 2024 (количество импульсов обратной связи по положению на оборот двигателя).
  5. Параметры № 2084 и № 2085 (гибкая передаточное отношение) не установлены.
  6. Значение за пределами {от 1 до количества осей управления} или непостоянное значение (параметр 1023 (номер сервооси) содержит значение вне диапазона от 1 до количества осей или изолированное значение (например, 4 без предшествующей 3) был установлен в параметре № 1023 (номер оси сервопривода) 7) Используемый усилитель не поддерживает функцию предотвращения аварийного сигнала HC.

Если вы хотите использовать этот усилитель, сбросьте функциональный бит 2209#4 на 0.

Если вы хотите использовать функцию предотвращения тревоги HC, используйте усилитель, который ее поддерживает.

420

SERVO ALARM: n AXIS SYNC TORQUE (M series)

При простом синхронном управлении разница между командами крутящего момента для ведущей и ведомой осей превысила значение, установленное в параметре № 2031.

421

SERVO ALARM: n AXIS EXCESS ER (D)

Разница между ошибками в полузамкнутом контуре и замкнутом контуре стала чрезмерной во время двойной обратной связи по положению. Проверьте значения коэффициентов преобразования двойной позиции в параметрах № 2078 и 2079.

422

SERVO ALARM: n AXIS

При управлении крутящим моментом управления осью PMC превышена заданная допустимая скорость.

423

SERVO ALARM: n AXIS

При управлении крутящим моментом управления осями PMC было превышено заданное параметром допустимое совокупное расстояние перемещения.

430

n AXIS : SV. MOTOR OVERHEAT

Произошел перегрев серводвигателя.

431

n AXIS : CNV. OVERLOAD

  1. PSM: Произошел перегрев.
  2. СВУ серии β: Произошел перегрев.

432

n AXIS : CNV. LOWVOLT CON.

  1. PSM: Напряжение питания системы управления упало.
  2. PSMR: Напряжение питания системы управления упало.
  3. СВУ серии β: упало напряжение питания управления

434

n AXIS : INV. LOWVOLT CONTROL

SVM: Напряжение питания системы управления упало.

435

n AXIS : INV. LOWVOLT DC LINK

SVM: Напряжение в звене постоянного тока упало.

436

n AXIS : SOFTTHERMAL (OVC)

Программное обеспечение цифрового сервопривода обнаружило мягкое тепловое состояние (OVC).

437

n AXIS : CNV. OVERCURRENT POWER

PSM: Перегрузка по току во входную цепь.

438

n AXIS : INV. ABNORMAL CURRENT

  1. SVM: слишком большой ток двигателя.
  2. SVU серии α: слишком большой ток двигателя.
  3. SVU серии β: слишком большой ток двигателя.

439

n AXIS : CNV. OVERVOLT POWER

  1. PSM: напряжение в звене постоянного тока слишком высокое.
  2. PSMR: Напряжение промежуточного контура слишком высокое.
  3. SVU серии α: слишком высокое напряжение цепи C.
  4. SVU серии β: Слишком высокое напряжение в линии.

440

n AXIS : CNV. EX DECELERATION POWER

  1. PSMR: количество регенеративного разряда слишком велико.
  2. SVU серии α: количество регенеративного разряда слишком велико. В качестве альтернативы, схема регенеративного разряда неисправна.

441

n AXIS : ABNORMAL CURRENT OFFSET

Программное обеспечение цифрового сервопривода обнаружило неисправность в цепи обнаружения тока двигателя.

442

n AXIS : CNV. CHARGE FAILURE

  1. PSM: запасная цепь разряда звена постоянного тока неисправна.
  2. PSMR: запасная цепь разряда звена постоянного тока неисправна.

443

n AXIS : CNV. COOLING FAN FAILURE

  1. PSM: отказал внутренний вентилятор охлаждения.
  2. PSMR: Отказ внутреннего вентилятора охлаждения.
  3. СВУ серии β: Отказ внутреннего вентилятора охлаждения.

444

n AXIS : INV. COOLING FAN FAILURE

SVM: Отказ внутреннего вентилятора охлаждения.

445

n AXIS : SOFT DISCONNECT ALARM

Программное обеспечение цифрового сервопривода обнаружило обрыв провода в импульсном кодере.

446

n AXIS : HARD DISCONNECT ALARM

Обрыв провода во встроенном импульсном кодере был обнаружен аппаратно.

447

n AXIS : HARD DISCONNECT (EXT)

Обрыв провода в отдельном детекторе был обнаружен аппаратно.

448

n AXIS : UNMATCHED FEEDBACK ALARM

Знак данных обратной связи от встроенного импульсного кодера отличается от знака данных обратной связи от отдельного детектора.

449

n AXIS : INV. IPM ALARM

  1. SVM: IPM (интеллектуальный силовой модуль) обнаружил аварийный сигнал.
  2. SVU серии α: IPM (интеллектуальный силовой модуль) обнаружил аварийный сигнал.

453

n AXIS : SPC SOFT DISCONNECT ALARM

Программная сигнализация об отключении импульсного кодера α. Отключите питание ЧПУ, затем отсоедините и вставьте кабель импульсного кодера. Если этот аварийный сигнал появляется снова, замените импульсный шифратор.

456

ILLEGAL CURRENT LOOP

Текущие настройки цикла управления (параметр № 2004, бит 0 параметра № 2003 и бит 0 параметра № 2013) неверны.

Возможные проблемы следующие.

  • Для двух осей, номера сервоосей которых (настройки параметра № 1023) представляют собой нечетное число, за которым следует четное число (например, пара осей 1 и 2 или оси 5 и 6), используется другой текущий цикл управления. устанавливается для каждой из осей.
  • Не соблюдены требования к ведомым устройствам, необходимые для заданного текущего цикла управления, включая их количество, тип и способ подключения.

457

ILLEGAL HI HRV (250US)

Использование высокоскоростного HRV указано, хотя текущий цикл управления составляет 200 мкс.

458

CURRENT LOOP ERROR

Текущая настройка цикла управления не соответствует фактическому текущему циклу управления.

459

HI HRV SETTING ERROR

Из двух осей, имеющих соседние номера сервоосей (параметр № 1023), нечетные и четные номера, высокоскоростное управление HRV может выполняться для одной оси, а не для другой.

460

n AXIS : FSSB DISCONNECT

Связь с ФСБ внезапно прервалась. Возможные причины следующие:

  1. Отсоединен или поврежден кабель связи FSSB.
  2. Внезапно отключилось питание усилителя.
  3. Усилитель подал аварийный сигнал о низком напряжении.

461

n AXIS : ILLEGAL AMP INTERFACE

Оси 2-х осевого усилителя были отнесены к интерфейсу быстрого типа.

462

n AXIS : SEND CNC DATA FAILED

Из-за ошибки связи FSSB ведомое устройство не могло получить правильные данные.

463

n AXIS : SEND SLAVE DATA FAILED

Из-за ошибки связи FSSB ведомое устройство не могло получить правильные данные.

464

n AXIS : WRITE ID DATA FAILED

Была предпринята попытка записать информацию об обслуживании на экране обслуживания усилителя, но она не удалась.

465

n AXIS : READ ID DATA FAILED

При включении питания исходная идентификационная информация усилителя не может быть считана.

466

n AXIS : MOTOR/AMP COMBINATION

Максимальный номинальный ток усилителя не соответствует номинальному току двигателя.

467

n AXIS : ILLEGAL SETTING OF AXIS

Функция сервопривода для следующего не была включена, когда ось, занимающая один DSP (соответствующий двум обычным осям), указана на экране настройки оси.

  1. Управление обучением (бит 5 параметра № 2008 = 1)
  2. Высокоскоростная токовая петля (бит 0 параметра № 2004 = 1)
  3. Ось высокоскоростного интерфейса (бит 4 параметра № 2005 = 1)

468

HI HRV SETTING ERROR(AMP)

Использование высокоскоростной HRV указано для управляемой оси усилителя, которая не поддерживает высокоскоростную HRV.

 

Для более длительной безаварийной работы промышленного оборудования должны соблюдаться все рекомендации, изложенные в инструкции по монтажу и настройке сервопривода.

Сервопривод Fanuc Alfa и Beta series, скачать инструкции по эксплуатации

Ниже вы можете скачать руководства по эксплуатации сервоприводов Fanuc Alfa и Beta series для практически всех серий, когда-либо выпущенных данным производителем.

Сервопривод Fanuc Alfa series мануал.

Скачать PDF

Сервопривод Fanuc Beta series мануал.

Скачать PDF

Преимущество ремонта сервоприводов в нашем сервисном центре

Ремонт сервопривода Fanuc Alfa- Beta series

  • Предварительный осмотр на возможность восстановления бесплатный;
  • Мы производим ремонт сервопривода Fanuc Alfa и Beta series в на компонентном уровне (экономия бюджета и времени)
  • При ремонте ни каких конструктивных изменений не вносим;
  • Ремонт блоков с применением оригинальных запасных частей (по возможности).
  • Вы платите исключительно за результат - работающий сервопривод;
  • Гарантия на ремонт сервопривода Fanuc Alfa и Beta series и запасные части, замененные в процессе ремонта 6 месяцев;
  • Сроки ремонта варьируются от 5 до 15 рабочих дней;

За два десятилетия существования сервисного центра нашими специалистами были успешно проведены тысячи подобных ремонтов с каждым разом поднимая квалификацию наших инженеров.В случае выхода из строя промышленного сервопривода на вашем производстве либо появились проблемы с приводом, которые вы не можете решить самостоятельно, мы всегда рады вам помочь. Специалисты нашего сервисного центра в минимальные сроки проведут глубокую диагностику и последующий ремонт сервопривода Fanuc Alfa и Beta series в .

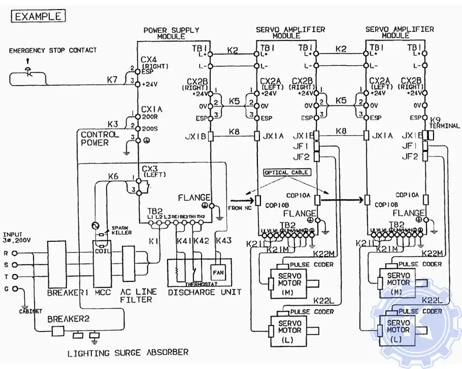
Схемы подключения серво привода Fanuc Alfa series

В некоторых случает может понадобится схема подключения сервоприводов, ниже мы показаны схемы сервопривода Fanuc Alfa series

Блок-схема подключения сервопривода Fanuc Alfa series SVMl-240,360 - вариант (А)

Блок-схема подключения сервопривода Fanuc Alfa series SVMl-240,360 - вариант (В)

Блок-схема подключения сервопривода Fanuc Alfa series SVMl-240,360

Блок-схема подключения сервопривода Fanuc Alfa series SVMl-240,360

 

Оставить заявку на ремонт сервопривода Fanuc Alfa и Beta series

У вас есть проблемы с приводом? Вам нужен срочный ремонт, сброс ошибок или программирование и настройка? Оставьте заявку на ремонт сервопривода Fanuc Alfa и Beta series в воспользовавшись одноименной кнопкой на сайте либо обратитесь к нашим менеджерам. Связаться с ними можно несколькими способами:

Наши контакты

  • Заполнив форму заявки на ремонт (кнопка в правом верхнем углу сайта)
  • Позвонив по номеру телефона:
    • +7(8482) 79-78-54;
    • +7(8482) 55-96-39;
    • +7(917) 121-53-01
  • Написав на электронную почту: 89171215301@mail.ru

Вот далеко не полный список производителей промышленного оборудования, ремонт которого производит наша компания.