Ошибки и ремонт контроллеров SIEMENS SIMATIC S7 300 в Кургане
Ремонт контроллера SIEMENS SIMATIC S7 300
Аббревиатура ПЛК расшифровывается как Программируемый Логический Контроллер, и представляет из себя сложный электронный прибор с программируемой логикой, призванный управлять производственными системами автоматизации. Ремонт контроллера SIEMENS SIMATIC S7 300, как и его программирование требует не только профессионального подхода, но и специального оборудования.
Программируемый контроллер SIEMENS SIMATIC S7 300 в большей своей массе встречается на производствах с агрессивными рабочими средами, такими как грязь, пыль, вибрация, большие температурные перепады. С одной стороны, ПЛК единственное решение, так как другое оборудование просто не сможет работать в таких условиях. С другой стороны, все перечисленные факторы рано или поздно приведут к поломке контроллера.
SIEMENS SIMATIC S7 300 является идеальным решением для работы в промышленных условиях благодаря высокой степени электромагнитной совместимости, высокой устойчивости к вибрационным и ударным нагрузкам.
PLC относится к сложной промышленной электронике, а это говорит о том, что провести ремонт SIEMENS SIMATIC S7 300 своими силами даже не говоря про качество его выполнения просто нереально. Качественный ремонт контроллера SIEMENS SIMATIC S7 300 в Кургане возможен исключительно в специализированном сервисном центре, который не только оснащен по последнему слову техники, но и имеет в штате высококвалифицированных специалистов с богатым опытом работы по ремонту сложнейшей промышленной электроники.
Ошибки SIEMENS SIMATIC S7 300
Большое количество модулей программируемого контроллера S7-300 оснащено набором встроенных интеллектуальных функций, существенно упрощающих эксплуатацию системы управления:
- Мониторинг сбора сигналов (диагностика).
 - Мониторинг сигналов аппаратных прерываний.
 
Диагностика используется для определения работоспособности модулей ввода-вывода дискретных и аналоговых сигналов. Для передачи диагностической информации применяются маскируемые и немаскируемые сообщения:
- Маскируемые диагностические сообщения могут пересылаться только в том случае, если это разрешено соответствующими параметрами настройки.
 - Немаскируемые диагностические сообщения, пересылка которых производится независимо от соответствующих параметров настройки.
 
Диагностика SIEMENS SIMATIC S7 300
Если диагностическое сообщение готово к передаче (например, сообщение об отсутствии напряжения питания датчика), то модуль генерирует диагностическое прерывание (для маскируемых сообщений только в случае определения параметров разрешения передачи). Центральный процессор прерывает выполнение программы пользователя или задач с более низким приоритетом и вызывает соответствующий организационный блок (OB 82). В зависимости от типа модуля диагностические сообщения могут носить различный характер.
| 
 Ошибка  | 
 Возможная причина ошибки  | 
|
| 
 Модули ввода-вывода дискретных сигналов  | 
||
| 
 Отсутствует напряжение питания датчика  | 
 Перегрузка в цепи питания датчика. Короткое замыкание на клемму M.  | 
|
| 
 Отсутствует внешнее вспомогательное напряжение Отсутствует внутреннее вспомогательное напряжение  | 
 Отсутствует напряжение на клемме L+ фронтального соединителя модуля. Отсутствует напряжение на клемме L+ фронтального соединителя модуля. Перегорел внутренний предохранитель модуля. Перегорел внутренний предохранитель модуля.  | 
|
| 
 Перегорание предохранителя Ошибочный параметр Срабатывание сторожевого таймера  | 
 В модуль передан один или несколько ошибочных параметров настройки. Периодическое воздействие сильных электромагнитных полей. Неисправность модуля.  | 
|
| 
 Отказ EPROM  | 
 Периодическое воздействие сильных электромагнитных полей. Неисправность модуля  | 
|
| 
 Отказ RAM  | 
 Периодическое воздействие сильных электромагнитных полей. Неисправность модуля.  | 
|
| 
 Потеря аппаратного прерывания  | 
 Сигналы прерывания следуют с такой частотой, что центральный процессор не успевает их обрабатывать  | 
|
| 
 Модули ввода аналоговых сигналов  | 
||
| 
 Отсутствует внешнее напряжение  | 
 питания Отсутствует напряжение на клемме L+ фронтального соединителя модуля.  | 
|
| 
 Ошибка конфигурации/ настройки  | 
 В модуль загружен один или несколько ошибочных параметров настройки.  | 
|
| 
 Не допустимое значение синфазного сигнала  | 
 Разность потенциалов UCM между входами (M-) общей точкой (MANA) слишком высока.  | 
|
| 
 Обрыв цепи  | 
 Слишком высокое сопротивление цепи подключения датчика. Обрыв провода между датчиком и модулем. Канал не подключен (разомкнут).  | 
|
| 
 Антипереполнение  | 
 Входное напряжение ниже допустимого предела. Возможные причины: в цепях 4…20мА, 1…5В: - неправильная полярность подключения датчика или неправильно выбран предел измерения; для других диапазонов измерения - неправильно выбран предел измерения.  | 
|
| 
 Переполнение  | 
 Входная величина превышает верхний допустимый предел измерения.  | 
|
| 
 Модули вывода аналоговых сигналов  | 
||
| 
 Отсутствует внешнее напряжение питания нагрузки  | 
 Отсутствует напряжение на клемме L+ фронтального соединителя модуля.  | 
|
| 
 Ошибка конфигурации/ настройки  | 
 В модуль загружен один или несколько ошибочных параметров настройки.  | 
|
| 
 Короткое замыкание на землю  | 
 Перегрузка выхода. Короткое замыкание вывода QV на MANA  | 
|
| 
 Обрыв цепи  | 
 Слишком высокое сопротивление цепи подключения исполнительного устройства. Обрыв линии между модулем и исполнительным устройством. Канал не подключен (разомкнут).  | 
|
| 
 Отсутствует внешнее напряжение питания нагрузки  | 
 Отсутствует напряжение на клемме L+ фронтального соединителя модуля.  | 
|
Скачать руководство пользователя SIEMENS SIMATIC S7 300 manual.PDF
Ремонт контроллера SIEMENS SIMATIC S7 300 в сервисном центре
Компания «Кернел» предлагает выполнить качественный ремонт контроллера SIEMENS SIMATIC S7 300 в Кургане в сжатые сроки и по выгодным расценкам. Ремонт контроллера SIEMENS SIMATIC S7 300 значительно сэкономит бюджет, цена вопроса составит 20% - 40% от стоимости нового блока. Если брать в учет стоимость ПЛК, вы увидите очевидную разницу, которая измеряется в денежном эквиваленте.
Именно поэтому наш сервисный центр предлагает такие услуги, как ремонт контроллера SIEMENS SIMATIC S7 300 в Кургане. Зачем платить больше если ваш контроллер PLC будет работать не хуже нового, а сэкономленные средства можно пустить на развитие производства.
Наши специалисты выполняют не только ремонт контроллеров SIEMENS SIMATIC S7 300, но и ремонт контроллеров различных производителей и типов, таких как:
- Ремонт контроллеров на основе простейших микропроцессоров;
 - Ремонт интеллектуальных – программируемых контроллеров;
 - Ремонт встраиваемых, электронных контроллеров;
 - Ремонт стандартных - типовых контроллеров;
 
На ряду с контроллерами, специалисты нашего сервисного центра выполняют ремонт модулей SIEMENS SIMATIC S7 300:
- Модули скоростного счета;
 - Модули позиционирования с ускоренной подачей рабочего органа;
 - Модули позиционирования шаговых двигателей;
 - Модули позиционирования серводвигателей;
 - Модули позиционирования и управления перемещением;
 - Модули обслуживания ультразвуковых датчиков положения;
 - Модули обслуживания синхронно-последовательных (SSI) датчиков абсолютного перемещения;
 - Модули электронных командоконтроллеров;
 - Модули для систем числового программного управления;
 - Модули автоматического регулирования.
 
За два десятилетия существования сервисного центра нашими специалистами было успешно проведено множество сложнейших ремонтов промышленной электроники в том числе и ремонт контроллеров SIEMENS SIMATIC S7 300 с каждым разом поднимая квалификацию наших инженеров.
Заказав ремонт контроллера SIEMENS SIMATIC S7 300 в нашем сервисном центре, вы не только сэкономите приличную сумму в денежном эквиваленте, а также время и нервы. Все что для этого нужно это связаться с нашими менеджерами, оставить заявку на ремонт и доставить неисправный контроллер в сервисный центр.
Программирование SIEMENS SIMATIC S7 300
Конфигурирование и программирование встроенных технологических функций выполняется с помощью опционального программного обеспечения S7-Technology. Это программное обеспечение интегрируется в среду STEP 7 от V5.2 SP1 HF1 и выше. Использоваться как самостоятельный пакет S7-Technology не может.
Пакет содержит диалоговые окна настройки параметров технологических функций, библиотеки PLCopen-совместимых стандартных функциональных блоков, дополнительный инструментарий диагностики систем позиционирования и управления перемещением. Параметры настройки сохраняются в специальном блоке данных.
Программирование SIMATIC S7 300 завершающий этап ремонта контроллера. Сервисный центр Кернел предлагает услуги по программированию контроллеров, как в полном цикле, включая ремонт так и отдельно.
Программирование SIMATIC S7 300, как и других логических контроллеров выполняется на территории сервисного центра с применением оригинального программного обеспечения в сжатые сроки и за разумную цену.
Стоимость программирования контроллера SIMATIC S7 300 в Кургане вы можете уточнить, связавшись с менеджерами сервисного центра.
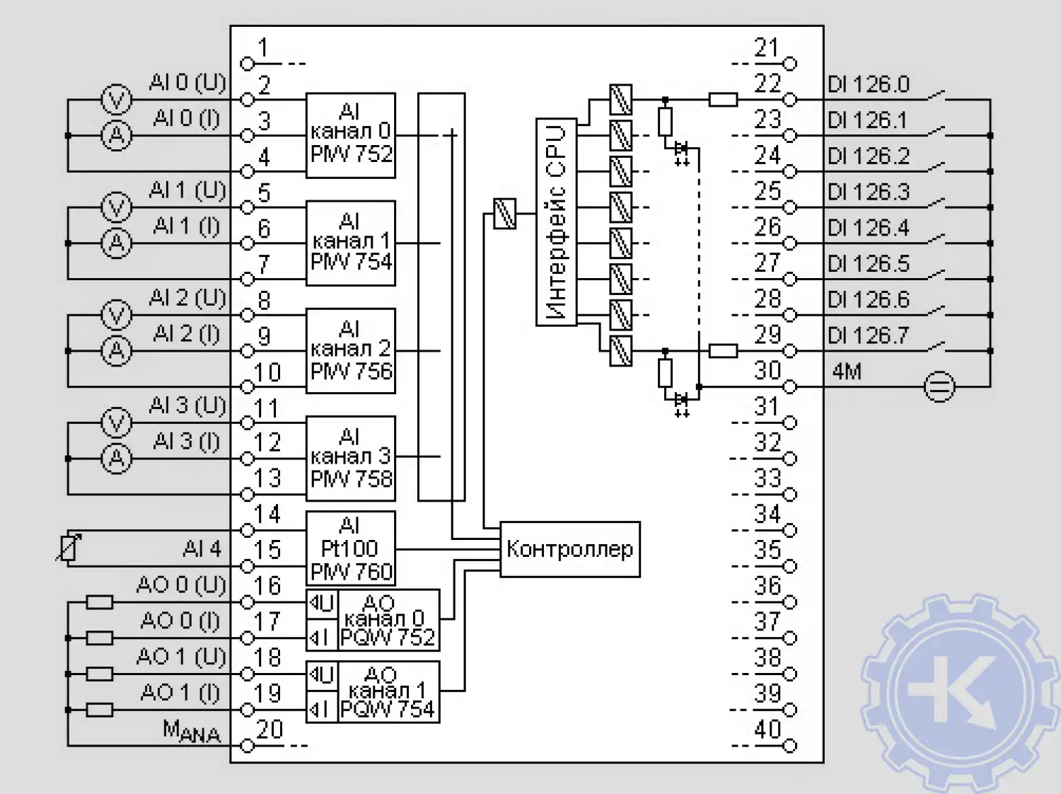
Схемы подключения внешних цепей SIMATIC S7 300
| 
 CPU 312C  | 
 CPU 313C-2 PtP и CPU 313C-2 DP  | 
 
 | 
 
 | 
| 
 CPU 313C, CPU 314C-2 PtP, CPU 314C-2 DP  | 
|
 
 | 
 
 | 
Ремонт контроллера SIEMENS SIMATIC S7 300 порядок проведения
Мы ответственно подходим к процессу восстановления промышленной электроники и поэтапно проводим все необходимые мероприятия для максимально качественного ремонта контроллера, от визуальной диагностики до полного восстановления.
Этапы ремонта контроллера SIEMENS SIMATIC S7 300:
- Чистка неисправного контроллера (пыль, грязь);
 - Диагностика электронных компонентов;
 - Диагностика программного обеспечения;
 - Изменение параметров программного обеспечения (в случае обнаружения ошибки);
 - Ремонт или замена вышедших из строя компонентов;
 - Поверка отремонтированного PLC на специализированном стенде.
 
Повторюсь мы выполняем не только качественный ремонт контроллера SIEMENS SIMATIC S7 300 специалисты сервисного центра восстановят PLC независимо то бренда и года выпуска, а также благодаря накопленному опыту специалисты сервисного центра проведут пемонт контроллера даже без технической документации и электро-схем для данное оборудования.
Ремонт контроллеров SIEMENS SIMATIC S7 300 у нас, преимущества
Компания «Кернел» производит ремонт контроллеров, и подобной промышленной электроники с 2002 года. За это время инженеры нашего сервисного центра накопили колоссальный опыт в данном направлении.
Мы пристально следим за качеством исполнения ремонта, и смело даем гарантию на ремонт контроллера SIEMENS SIMATIC S7 300, а также на запасные части, замененные в процессе ремонта шесть месяцев.
Ремонт контроллера SIEMENS SIMATIC S7 300 в Кургане производится исключительно на компонентном уровне с применением оригинальных запасных частей и высокотехнологичного новейшего диагностического оборудования.
Специалисты нашей компании выполнят ремонт SIEMENS SIMATIC S7 300 в максимально сжатые сроки, мы выполняем все возможные шаги для качественного восстановления сложной промышленной электроники. Обратившись в наш сервисный центр, вы гарантированно получаете:
- Глубокую диагностику PLC с выявлением неисправных компонентов;
 - Замену неисправных компонентов на новые;
 - Ремонт программируемого логического контроллера в максимально сжатые сроки;
 - Проверку отремонтированного ПЛК на специальном стенде;
 - Оригинальные запасные части;
 - Установку и программирование;
 - Экономию от 40% до 80% от покупки нового аналога
 - Гарантию на ремонт контроллера SIEMENS SIMATIC S7 300 и запасные части 6 месяцев;
 
О контроллере SIEMENS SIMATIC S7 300
Контроллер SIEMENS SIMATIC S7 300 – это универсальный модульный программируемый логический контроллер. Благодаря модульной конструкции и естественной вентиляции, а также удобству возможности применения структур распределенного ввода и удобство в обслуживании позволяют применять контроллер SIEMENS SIMATIC S7 300 для решения огромного круга задач автоматизации.
Контроллер SIEMENS SIMATIC S7 300 охватывает следующие области автоматизации:
- Машин специального назначения.
 - Текстильных машин.
 - Упаковочных машин.
 - Систем общего машиностроения.
 - Производства средств автоматизации.
 - Производства инструмента.
 - Электротехнических и электронных производств и т.д.
 
Контроллер SIEMENS SIMATIC S7 300 имеет несколько типов центральных процессоров различной производительности и широкий спектр модулей различного назначения с множеством встроенных функций что позволяет ему выполнять максимальную адаптацию оборудования к требованиям решаемых задач. При модернизации и развитии производства контроллер SIEMENS SIMATIC S7 300 может быть легко дополнен необходимым набором модулей.
| 
 Типы центральных процессоров контроллера SIEMENS SIMATIC S7 300  | 
|
| 
 6ES7312-5BE03-0AB0 SIEMENS SIMATIC S7 300, CPU 312C  | 
 6ES7313-5BF03-0AB0 SIEMENS SIMATIC S7 300, CPU 313C  | 
| 
 6ES7313-6BF03-0AB0 SIEMENS SIMATIC S7 300, CPU 313C-2 PTP  | 
 6ES7313-6CF03-0AB0 SIEMENS SIMATIC S7 300, CPU 313C-2DP  | 
| 
 6ES7314-6BG03-0AB0 SIEMENS SIMATIC S7 300, CPU 314C-2 PTP  | 
 6ES7314-6CG03-0AB0 SIEMENS SIMATIC S7 300, CPU 314C-2 DP  | 
| 
 6ES7312-1AE13-0AB0 SIEMENS SIMATIC S7 300, CPU 312  | 
 6ES7314-1AG13-0AB0 SIEMENS SIMATIC S7 300, CPU 314  | 
| 
 6ES7315-2AG10-0AB0 SIEMENS SIMATIC S7 300, CPU 315-2DP  | 
 6ES7315-2EH13-0AB0 SIEMENS SIMATIC S7 300 CPU 315-2 PN/DP  | 
| 
 6ES7317-2AJ10-0AB0 SIEMENS SIMATIC S7 300, CPU 317-2DP  | 
 6ES7317-2EK13-0AB0 SIEMENS SIMATIC S7 300 CPU 317-2 PN/DP  | 
| 
 6ES7315-6TG10-0AB0 SIEMENS SIMATIC S7 300, CPU 315T-2 DP  | 
 6ES7317-6TJ10-0AB0 SIEMENS SIMATIC S7 300, CPU 317T-2DP CPU 318-2 DP  | 
| 
 6ES7318-3EL00-0AB0 SIEMENS SIMATIC S7 300 CPU 319-3 PN/DP  | 
 6ES7315-6FF01-0AB0 SIEMENS SIMATIC S7 300, CPU 315F  | 
| 
 6ES7315-2FH13-0AB0 SIEMENS SIMATIC S7 300 CPU315F-2 PN/DP  | 
 6ES7317-6FF03-0AB0 SIEMENS SIMATIC S7 300 CPU317F-2 DP  | 
| 
 6ES7317-2FK13-0AB0 SIEMENS SIMATIC S7 300 CPU317F-2 PN/DP  | 
 6ES7318-3FL00-0AB0 SIEMENS SIMATIC S7 300 CPU319F-3 PN/DP  | 
| 
 SIPLUS CPU 312C  | 
 SIPLUS CPU 313C  | 
| 
 SIPLUS CPU 314  | 
|
Заказать ремонт контроллера SIEMENS SIMATIC S7 300
Если на вашем производстве вышел из строя контроллер, обращайтесь в компанию «Кернел», где специалисты компании в минимальные сроки проведут диагностику и последующий ремонт контроллера SIEMENS SIMATIC S7 300 в Кургане. Заявку на ремонт PLC вы можете оставить с помощью специальной формы "Оставить заявку". Связаться с нашими менеджерами очень просто.

- Заполнив форму заявки на ремонт (кнопка в правом верхнем углу сайта)
 - Позвонив по номеру телефона:
 - +7(8482) 79-78-54;
 - +7(8482) 55-96-39;
 - +7(917) 121-53-01
 - Написав на электронную почту: 89171215301@mail.ru
 
    
    
    
    
    
    
    
    
    
    



