Ремонт устройства плавного пуска – УПП в Кызыл-Кия
Ремонт устройств плавного пуска, тонкости и этапы
Компания «Кернел» предлагает выполнить качественный ремонт устройств плавного пуска в Кызыл-Кия любой сложности. Благодаря богатому опыту специалисты нашего сервисного центра выполнят ремонт УПП без электрических схем и даже снятого с производства. Многие современные устройства имеют информационную панель выводящую последнюю ошибку, это значительно упрощает процесс диагностики неисправного оборудования, так как расшифровка выводимой ошибки дает специалисту возможность понять первопричину поломки. Если плавный пуск не оснащен данной панелью, не беда, глубокая диагностика покажет неисправность с точностью до элемента.
Ремонт устройства плавного пуска в Кызыл-Кия проводится на компонентном уровне. Данный вид ремонта позволяет сократить сроки его выполнения и сэкономить приличную сумму в бюджете заказчика. Принцип ремонта УПП сводится к тому, что путем глубокой диагностики выявляется неисправный компонент и меняется на новый, то есть вместо платы целиком меняется только один или несколько элементов на этой плате.
Не маловажная деталь, производя ремонт устройства плавного пуска мы используем исключительно оригинальные запасные части (если оборудование не снято с производства) в случае невозможности заказа оригинальной запасной части у производителя, деталь заменяется на аналог.
Что входит в ремонт устройства плавного пуска:
- Анализ и сброс ошибок;
- Диагностика;
- Ремонт или замена неисправного компонента;
- Удаление электронных сбоев;
- Проверка восстановленного УПП на специальном стенде.
Ремонт УПП известных производителей
Ремонт промышленной электроники, в том числе ремонт устройств плавного пуска производим в максимально сжатые сроки. Цена за восстановление неисправного УПП также достаточно привлекательная и составит от 20% до 40% от стоимости нового оборудования.
Мы берем в ремонт УПП любых производителей, от самых известных и популярных до менее распространенных брендов как:
- АВВ;
- Siemens;
- Schneider Electric;
- Danfoss;
- Mitsubishi Electric;
- Allen-Bradley;
- Altistart;
- ESQ
- Instart
На все ремонтные работы, а также на замененные в процессе восстановления запасные части мы даем гарантию, на ремонт устройства плавного пуска и запасные части замененные в процессе ремонта- 6 месяцев, вне зависимости от сложности выполненных работ.
Восстановлением работоспособности вышедшего из строя оборудования занимается квалифицированный инженерный персонал, именно поэтому мы уверенны в качестве выполненных работ и даем полугодовую гарантию на ремонт УПП.
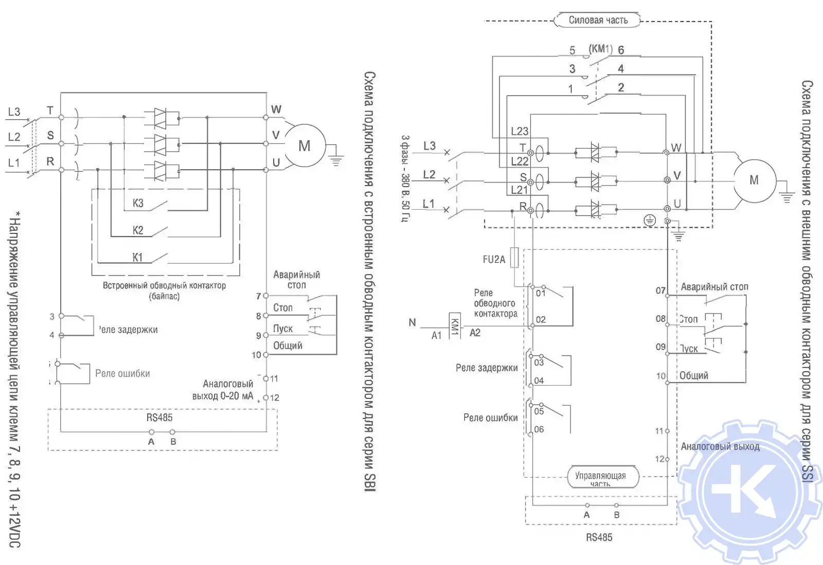
Схемы подключений устройств плавного пуска
|
Схема подключения устройств плавного пуска Siemens Sirius 3RW4 |
Схема подключения устройств плавного пуска Instart серии SSI |
|
|
Коды ошибок устройства плавного пуска PRS 3000 и их устранение
В случае сбоя устройства плавного пуска, срабатывает функция защиты. При этом на мониторе появляется индикация ошибки и ее код. Некоторые ошибки возникаю по нескольким причинам, например, возникает в случае перегрева, превышения потоку, короткого замыкания перегрузки. Поэтому в случае возникновения ошибки необходимо внимательно исследовать систему для выявления действительной причины.
Коды ошибок УПП Prostar PRS 3000
|
Код ошибки |
Расшифровка |
Описание и метод устранения |
|
Err00 |
Ошибка удалена. |
Ошибка по снижению / повышению напряжения, тепловая защита или сработка мгновенного останова была удалена. Необходимо нажать (YES) после загорания лампы для включения мотора. |
|
Err01 |
Размыкание внешнего контура мгновенного останова. |
Проверьте соединения на клеммах 07и10, и соединен ли контакт NC с другим защитным оборудованием. |
|
Err02 |
Перегрев устройства плавного пуска. |
Устройство запускалось слишком часто или мощность мотора не соответствует мощности устройства. |
|
Err03 |
Длительный пуск. |
Неверно установлены параметры пуска или недостаточно мощности в связи с большой нагрузкой на мотор. |
|
Err04 |
Потеря фазы на входе. |
Проверьте наличие напряжения на входных фазах, убедитесь в отсутствии заклинивания обводного контактора и отсутствии короткого замыкания на тиристоре. |
|
Err05 |
Потеря фазы на выходе. |
Проверьте целостность выходного контура и присоединение мотора, убедитесь, что обводной контактор не заклинен, отсутствует короткое замыкание на тиристоре. |
|
Err06 |
Асимметрия фаз. |
Проверьте фазное напряжение сети и сопротивление обмоток. |
|
Err07 |
Превышение пускового тока. |
Проверьте не слишком ли велика нагрузка на двигатель и правильно ли подобрана мощность устройства. |
|
Err08 |
Превышение рабочего тока. |
Проверьте величину нагрузки на двигатель и правильность установки F7. |
|
Err09 |
Низкое входное напряжение. |
Проверьте входное напряжение и правильность установки F9. |
|
Err10 |
Высокое входное напряжение. |
Проверьте входное напряжение и правильность установки FA. |
|
Err11 |
Ошибка установки. |
Исправьте ошибку или нажмите для возврата заводских настроек. |
|
Err12 |
Короткое замыкание. |
Проверьте мотор, отсутствие замыкания на тиристоре. |
|
Err13 |
Авто-перезапуск ошибка подключения. |
Проверьте подключение клемм внешнего пуска и останова в режиме 2-проводного управления. |
|
Err14 |
Ошибка подключения клеммы внешнего останова. |
В режиме подключения внешнего управления клемма внешнего останова отключена и запуск запрещен. |
|
Err15 |
Ошибка при работе двигателя под нагрузкой. |
Проверьте, есть ли какие-либо ошибки с валом двигателя и с сопутствующей нагрузкой. |
Ремонт устройства плавного пуска в нашей компании, преимущества
С момента открытия сервисного центра в 2002 году нашими специалистами были восстановлены тысячи единиц промышленного оборудования и электроники и накоплен бесценный опыт в том числе бесценный опыт в ремонте УПП любых производителей и года выпуска. Отдельное внимание хотим обратить на то, что:

- Все ремонты мы проводим на элементном уровне тем самым сокращая время ремонта и его стоимость;
- При восстановлении плавного пуска применяются исключительно оригинальные запасные части;
- Мы даем гарантию на ремонт УПП 6 месяцев;
- Гарантия на запасные части 3 месяца;
- Инженеры нашей компании постоянно повышают свою квалификацию;
- В нашей команде работают профессионалы.
- Сервисный цент оснащен самым современным оборудованием.
Мы предлагаем не просто квалифицированный ремонт устройства плавного пуска в сжатые сроки, а также дополнительную экономию бюджета от 60% до 80% от стоимости нового УПП. По завершению ремонта все без исключения устройства проверяются на специальном стенде. При ремонте устройства плавного пуска мы используем только оригинальные запасные части. Ремонт проводится на высокотехнологичном оборудовании.
Устройство плавного пуска, применение
Что же это такое, устройство плавного пуска и где оно применяется? Устройство плавного пуска, сокращенно УПП применяется при запуске электродвигателя для ограничения питающего напряжения или импульсного тока и представляет собой тиристорный регулятор напряжения.
Именно за счет тиристорного регулирования напряжения на обмотках статора, достигается бесступенчатый запуск, и остановка серводвигателя, в добавок плавный пуск обеспечивает связь с системами автоматизации, а также защищает двигатели и механизмы.
УПП призвана решать проблемы с посадкой напряжения и перегрева двигателя, тем самым продлевая срок службы агрегата с параллельной экономией электроэнергии.
Применяются УПП в основном на конвейерных линиях, на насосном и компрессорном оборудовании, а также на центробежных механизмах и вентиляторах.
На сегодняшний день устройства плавного пуска производят практически каждая компания, занимающаяся изготовлением систем автоматизации. В их числе такие известные производители как:
- Siemens;
- Danfos;
- ABB;
И многие другие производители промышленной электроники и оборудования.
Заказать ремонт устройства плавного пуска
Оставить заявку на ремонт УПП в Кызыл-Кия можно с помощью специальной формы которая вызывается нажатием одноименной кнопки в верхней части страницы. У вас остались вопросы, связанные с ремонтом устройства плавного пуска в Кызыл-Кия? Закажите ремонт УПП нашим менеджерам. Связаться с ними можно несколькими способами:

- Заполнив форму заявки на ремонт (кнопка в правом верхнем углу сайта)
- Позвонив по номеру телефона:
- +7(8482) 79-78-54;
- +7(8482) 55-96-39;
- +7(917) 121-53-01
- Написав на электронную почту: 89171215301@mail.ru


