Ремонт частотников Emerson - Control techniques, Unidrive - Commander в Луганске
Особенности ремонта частотных преобразователей Emerson
Ремонт частотных преобразователей Emerson и Control techniques, известных европейских производителей, впрочем, как и ремонт частотников выпущенными под другими брендами имеет ряд особенностей в силу своего конструктива. Частотные преобразователи, точнее их начинка делятся на две части:
- Аппаратная часть,
- Программная часть.
Приводы данных производителей не являются исключением из правил, именно поэтому ремонт частотных преобразователей Emerson и Control techniques имеет точно такой же ряд особенностей, как и у других преобразователей.
Диагностировать ту или иную неисправность помогают коды ошибок частотного преобразователя, которые отображаются на небольшом дисплее, расположенном на лицевой панели привода. Ошибки частотного преобразователя Emerson мы уже описывали в одноименной статье на нашем сайте.
Ремонт частотных преобразователей Emerson и Control techniques, впрочем, как и любых других частотников выпущенных под другими брендами всегда начинается с аппаратной части, после успешного ремонта аппаратной части наступает очередь программной.
Настройка частотных преобразователей Emerson и Control techniques прописана в инструкции завода производителя, для каждой серии частотных преобразователей настройка будет индивидуальной, так как каждая линейка преобразователей решает свои собственные задачи, этим обусловливается широкая номенклатура данного промышленного оборудования. Но все же есть определенная последовательность настройки привода, которая относится ко всем частотным преобразователям, любого бренда.
Программирование, настройка частотного преобразователя Unidrive - Commander
Настройка частотных преобразователей Unidrive и Commander происходит в рамках установленных производителем правил, существует общий алгоритм по программированию (настройке частотных преобразователей), относящийся ко всем производителям данного промышленного оборудования. Ниже представлена пошаговая инструкция по настройке частотных преобразователей Emerson и Control techniques серии Unidrive и Commander а также подобного промышленного оборудования других брендов.
- Выбор режима управления приводом (управление по показанию датчиков, дистанционное управление, дистанционное управление).
- В случае использования отдельного (выносного) монитора, настраивается вывод на него технической информации.
- Далее определяем конфигурацию подключения серводвигателя. На данной стадии задаются такие параметры как- возможность применения обратной связи либо без ее применения, а в память блока заносятся данные по: величине крутящего момента, мощности потребителей, номинальное значения частоты, напряжение, ток и скорости вращения ротора.
- Программируется минимально допустимая величина напряжения и частоты, а также время ускорения ротора от ноля до номинального значения.
- И в завершении, в программу управления частотным преобразователем Unidrive и Commander вносятся функциональные данные со значениями отдельных клемм и особенностями сигналов. Отмечаются действия оборудования, выполняющиеся автоматически при отсутствии информации поступающей в оперативном режиме с датчика.
В некоторых преобразователях частоты существует пункт наличия либо отсутствия фильтра в цепи питания двигателя. Этот пункт отвечает за подключение различных видов нагрузок, в том случае, когда возможно выбрать нормальное или инверсное изменение частоты при повышении уровня сигнала обратной связи.
Скачать программное обеспечения для частотных преобразователей Emerson (Control techniques)
|
Скачать программу для настройки панели оператора SM-Keypad Plus String editor |
|
|
Скачать программу для настройки преобразователей частоты Emerson (Control techniques) |
|
|
Скачать программу осциллографа для преобразователей частоты Emerson (Control techniques) |
Частотные преобразователи Emerson - Control techniques инструкции на русском, скачать
Все настройки частотных преобразователей Emerson приведены в технической документации ниже в удобном формате (PDF) который можно скачать на свой компьютер, распечатать или просто открыть на нашем сайте.
Русскоязычные инструкции к частотным преобразователям Emerson и Control techniques скачать в формате PDF.
|
Частотный преобразователь Emerson Commander-SK габарит-1 инструкция на русском, скачать. |
|
|
Частотный преобразователь Emerson Commander-SK габарит 2-6 инструкция на русском, скачать. |
|
|
Частотный преобразователь Emerson Unidrive-M700 инструкция на русском, скачать. |
|
|
Частотный преобразователь Emerson Unidrive-SP габарит 1-9 инструкция на русском, скачать. |
|
|
Частотный преобразователь Emerson Unidrive-SP инструкция по настройке на русском, скачать. |
|
|
Частотный преобразователь Emerson Unidrive-SPM инструкция на русском, скачать. |
|
|
Частотный преобразователь Emerson Unidrive-SP инструкция на русском, скачать. |
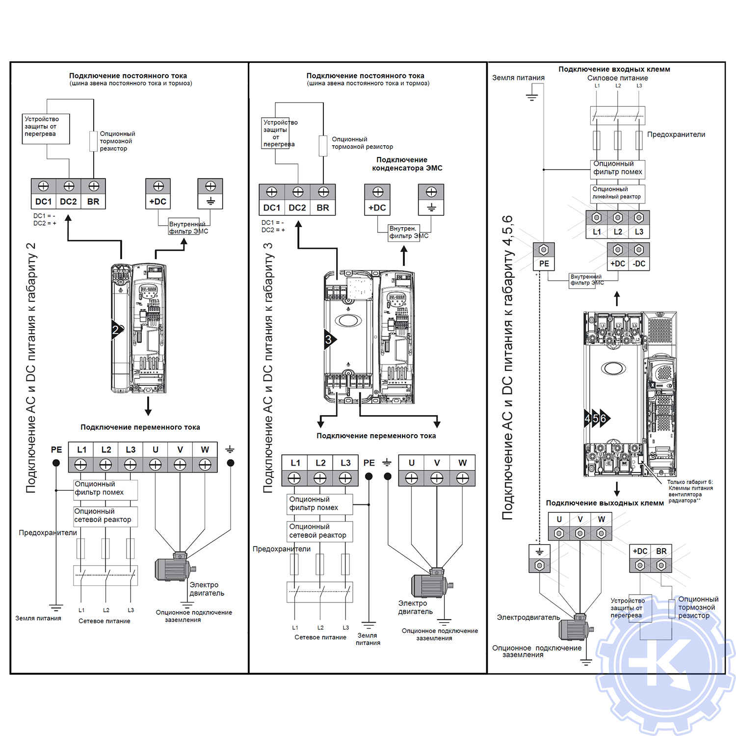
Частотный преобразователь Unidrive и Commander, подключение питания
Схемы подключений частотных преобразователей Emerson и Control techniques могут отличатся друг от друга даже если эти преобразователи относятся ко одной линейке. Схема подключения преобразователя зависит от потребляемой частотным преобразователем нагрузки или питающей сети к которой подключается частотник 200V – 380V, а также от оборудования с которым будет работать данный частотник.
Ниже приведены схемы подключения частотного преобразователя Emerson Unidrive SP и Control techniques Commander SK.
Ремонт частотных преобразователей Unidrive и Commander в сервисном центре
Компания «Кернел» производит ремонт частотных преобразователей Unidrive и Commander в Луганске с 2002 года. За время существования компании наши сотрудники накопили колоссальный опыт в ремонте преобразователей частоты таких известных европейских производителей промышленной электроники как Emerson и Control techniques.
Ремонт подобного промышленного оборудования ответственное и сложное занятие, требующие максимальной отдачи, профессионализма и максимально полной материальной базе.
Специалисты нашего сервисного центра максимальное внимание уделяют качеству исполнения ремонта, программирования и настройке промышленных преобразователей частоты, не зависимо от производителя данного промышленного оборудования. Именно поэтому мы смело даем гарантию на ремонт частотных преобразователей Emerson и Control techniques а также на запасные части замененные в процессе ремонта шесть месяцев.
Ремонт частотных преобразователей Unidrive и Commander в Луганске производится исключительно с использованием оригинальных запасных частей, на компонентном уровне с применением высокотехнологичного оборудования, квалифицированным персоналом с инженерным образованием.
Мы ремонтируем все линейки частотных преобразователей, которые были выпучены за всю историю существования компаний Emerson и Control techniques.
В случае выхода из строя преобразователя частоты на вашем производстве либо появились проблемы с приводом, которые вы не можете решить самостоятельно, мы всегда рады вам помочь. Специалисты нашего сервисного центра в минимальные сроки проведут глубокую диагностику с последующим ремонтом частотных преобразователей Unidrive SP и Commander SK. Оставьте заказ на ремонт промышленного оборудования используя форму на сайте, либо свяжетесь с нашими менеджерами, сделать это очень просто.
Оставить заявку на ремонт частотного преобразователя Emerson
У вас остались вопросы, связанные с ремонтом частотных преобразователей Unidrive и Commander? Оставьте заявку на ремонт частотного преобразователя Emerson в Луганске нашим менеджерам. Связаться с ними можно несколькими способами:

- Заполнив форму заявки на ремонт (кнопка в правом верхнем углу сайта)
- Позвонив по номеру телефона:
- +7(8482) 79-78-54;
- +7(8482) 55-96-39;
- +7(917) 121-53-01
- Написав на электронную почту: 89171215301@mail.ru

Скачать ZIP
Скачать PDF
