Ошибки Altistart, ремонт и сброс ошибок УПП в Луганске
Сброс ошибок и Ремонт устройства плавного пуска Altistart в сервисном центре
Компания «Кернел» производит ремонт устройств плавного пуска Altistart в Луганске с 2002 года. За это время мы накопили колоссальный опыт в том числе опыт в ремонте УПП такого известного производителя как Schneider Electric. Ремонт подобной промышленной электроники ответственное и сложное занятие, требующие максимальной отдачи, профессионализма и максимально полной материальной базе.
Устройство плавного пуска Altistart оснащено информационной панелью, призванной сделать общение оператора и УПП максимально легким и комфортным. При вводе в эксплуатацию оборудования с помощью данной панели устройство программируется и настраивается, а в случае непредвиденной ситуации на панель УПП выводится ошибка, вызвавшая аварийную остановку оборудования. В таблицах ниже приведены все возможные ошибки Altistart 22. Устранив причину ошибки и сбросив ее на устройстве плавного пуска позволит в кратчайшие сроки возобновить работу. К сожалению не все ошибки можно исправить самостоятельно, некоторые ошибки возможно исправить только в специализированных сервисных центрах.
Специалисты нашего сервисного центра уделяют максимальное внимание к качеству исполнения ремонта, программирования и настройке УПП в Луганске, не зависимо от производителя данного промышленного оборудования. Именно поэтому мы смело даем гарантию на все выполненные работы шесть месяцев.
Ремонт устройств плавного пуска Altistart производится исключительно с использованием оригинальных запасных частей, на компонентном уровне с применением высокотехнологичного оборудования, квалифицированным персоналом с инженерным образованием.
Если на вашем производстве появились проблемы с плавным пуском, которые вы не можете решить самостоятельно, мы всегда рады вам помочь. Обращайтесь в сервисный центр «Кернел». Специалисты нашей компании в минимальные сроки проведут глубокую диагностику и последующий ремонт УПП Altistart в Луганске. Оставьте заказ на ремонт оборудования используя форму на сайте, либо свяжетесь с нашими менеджерами.
Сообщения, отображаемые на дисплее УПП Altistart – ошибки
|
Код ошибки |
Описание |
Способ устранения |
|
bPF |
Неисправность байпасного контактора |
|
|
CFF |
Некорректная конфигурация при подаче питания |
|
|
EtF |
Внешняя неисправность |
|
|
GrdF |
Отключение по току утечки |
|
|
InF |
Внутренняя неисправность |
Выключить и включить питание цепей управления. Если неисправность не исчезла, обратиться в сервисный центр или в Schneider Electric |
|
OCF |
Перегрузка по току |
|
|
OHF |
Перегрев устройства ATS22 |
|
|
OLF |
Перегрузка электродвигателя |
|
|
OSF |
Высокое напряжение |
|
|
OtF |
Перегрев электродвигателя • перегрев обнаруживается датчиками PTC |
|
|
PHbd |
Асимметрия фаз |
|
|
PHF |
Обрыв фазы (на стороне питающей сети или двигателя) |
|
|
Частота сети вне допустимых пределов Функция защиты конфигурируется в меню PrO |
|
|
|
PIF |
Чередование фаз Порядок чередования фаз не соответствует сконфигурированному параметром PHr в меню PrO |
|
|
trAP |
Код прерывания |
|
|
SCF |
Короткое замыкание:
|
|
|
SLF |
Тайм-аут Modbus |
|
|
SnbF |
Слишком большое число пусков |
|
|
SSCr |
Замыкание тиристоров или неправильное подключение |
|
|
StF |
Ошибка: несоответствие времени пуска
|
|
|
tbS |
Слишком большое число пусков |
tbS появляется после аварийного сообщения SnbF, если предпринята попытка сброса неисправности до истечения времени таймера |
|
UCF |
Недогрузка по току |
|
|
USF |
Низкое напряжение или его отсутствие |
|
Ошибки устройства плавного пуска Altistart 22, отображаемые на дисплее выносного терминала
|
Сообщение |
Описание |
Доп. информация |
|
InIt |
Инициализация |
Инициализация микроконтроллера Поиск конфигурации соединения |
|
COME |
Обрыв связи |
Тайм-аут 50 мс Сообщение появляется после 20 попыток установить соединение |
|
A-17 |
Некорректная работа клавиши |
|
|
CLr |
Подтвердить сброс неисправности |
Сообщение появляется, если: Была нажата кнопка STOP в то время как устройство ATS22 отключилось по аварийному сигналу |
|
dEUE |
Несоответствие с ATS22 |
Несоответствие типов выносного терминала и подключаемого устройства |
|
rOME |
Неисправность ПЗУ |
Неисправность ПЗУ выносного терминала |
|
rAME |
Неисправность ОЗУ |
Неисправность ОЗУ выносного терминала |
|
CPUE |
Неисправность процессора |
Неисправность процессора выносного терминала |
Скачать руководство пользователя для устройства плавного пуска Altistart 22 (Schneider Electric)
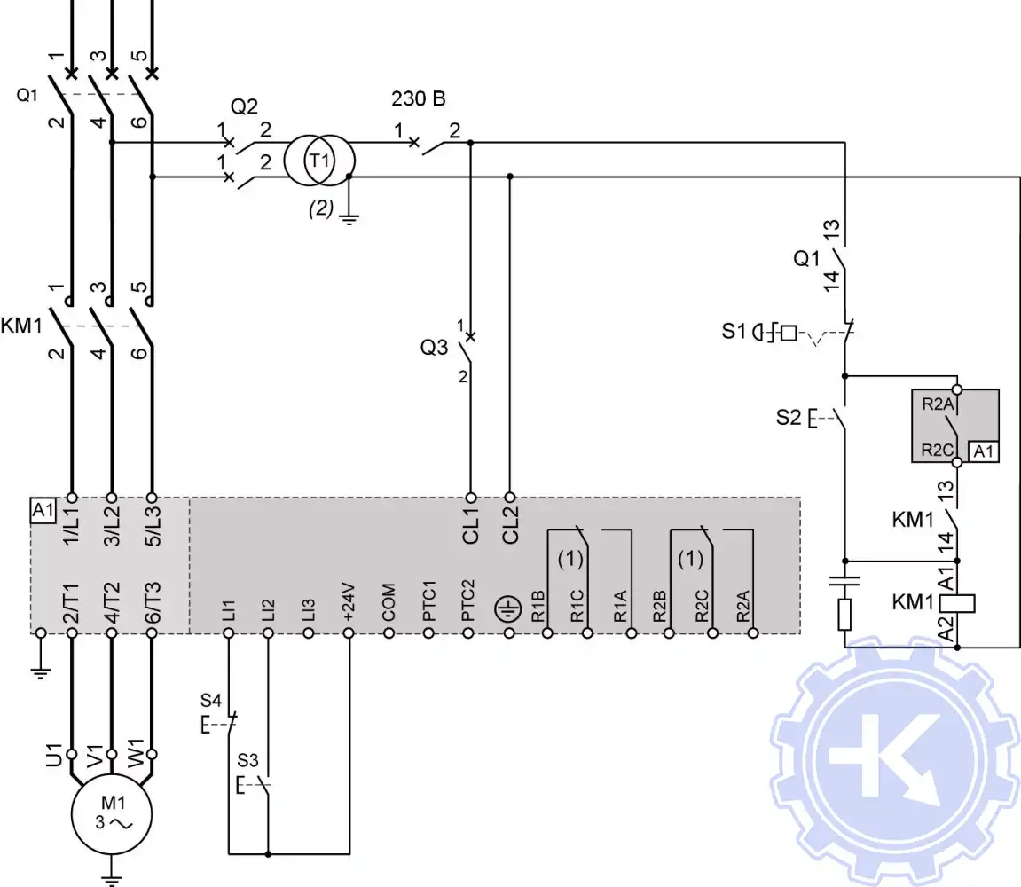
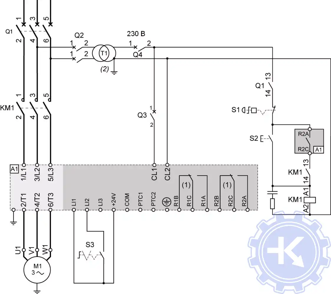
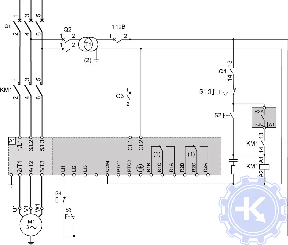
Схемы Altistart 22 в цепях питания двигателя
Ремонт УПП Altistart 22, сброс ошибок в сервиском центре
Некоторые модели устройств плавного пуска для удобства оснащены индикационными панелями, с помощью которых можно программировать УПП, а также увидеть ошибки в случае аварийного останова оборудования. В данной статье мы рассмотрели ошибки Altistart, а точнее ошибки устройства плавного пуска Schneider Electric серии Altistart 22. УПП в наше время нашли широкое применение в абсолютно всех сферах промышленности защищая ваши электродвигатели и максимально продлевая их безаварийную работу.
Для простоты общения со столь сложной электроникой некоторые устройства оснащены небольшими дисплеями с помощью которых выводятся информационные сообщения с кодами ошибок, расшифровав которые можно сразу же узнать причину ее возникновения. Если учесть распространенность данной промышленной электроники, то появляется острая нужда в расшифровке кодов ошибок плавного пуска. В этой статье мы привели в пример одного из самых известных производителей промышленного оборудования имеющему уважение во всем мире, Schneider Electric.
Существует несколько видов ошибок, некоторые из них можно устранить автоматически, а некоторые возможно исправить только, обратившись в специализированный сервисный центр. В таблицах ниже приведены коды ошибок УПП Altistart 22 их расшифровка и методы устранения.
Если ошибки Altistart самостоятельно исправить невозможно специалисты нашего сервисного центра с радостью придут на помощь, восстановят неисправный блок сделают сброс ошибок УПП Altistart и все это в максимально сжатые сроки за 20% - 40% от стоимости новогого устройства плавного пуска.
Оставьте заявку на ремонт и сброс ошибок УПП Altistart с помощью формы на сайте или свяжитесь с нашими менеджерами, сделать это можно несколькими способами.
Оставить заявку на сброс ошибок и ремонт УПП Altistart
У вас остались вопросы, связанные с ремонтом, сбросом ошибок, программированием и настройкой УПП? Оставьте заявку на сброс ошибок и ремонт УПП Altistart в Луганске нашим менеджерам. Связаться с ними можно несколькими способами:

- Заполнив форму заявки на ремонт (кнопка в правом верхнем углу сайта)
- Позвонив по номеру телефона:
- +7(8482) 79-78-54;
- +7(8482) 55-96-39;
- +7(917) 121-53-01
- Написав на электронную почту: 89171215301@mail.ru




