Ошибки и ремонт частотных преобразователей ОВЕН в Маргилане
Ремонт частотных преобразователей ОВЕН
Ремонт частотного преобразователя ОВЕН, впрочем, как и ремонт частотников других производителей имеет ряд особенностей в силу своего конструктива. Частотные преобразователи, точнее их начинка делятся на две части:
- Аппаратная часть,
- Программная часть.
Частотники данного производителя не являются исключением из правил, именно поэтому ремонт частотного преобразователя ОВЕН имеет точно такой же ряд особенностей, как и у других преобразователей.
Диагностировать ту или иную неисправность помогают коды ошибок частотного преобразователя, которые отображаются на небольшом дисплее, расположенном на лицевой панели привода. Коды ошибок частотного преобразователя ОВЕН в зависимости от серии описаны в инструкции, пользователя которые можно скачать с нашего сайта.
Ремонт частотных преобразователей ОВЕН в Маргилане, как и любых других преобразователей, выпущенных под другими брендами, всегда начинается с аппаратной части, после успешного ремонта аппаратной части наступает очередь программной.
Настройка частотного преобразователя ОВЕН также прописана в инструкции завода производителя, для каждой серии частотных преобразователей настройка будет индивидуальной, так как каждая линейка преобразователей решает свои собственные задачи, этим обусловливается широкая номенклатура данного промышленного оборудования.
Ремонт частотных преобразователей ОВЕН в сервисном центре
Компания «Кернел» производит ремонт частотных преобразователей ОВЕН в Маргилане с 2002 года. За время существования компании наши сотрудники накопили колоссальный опыт в ремонте преобразователей частоты такого известного производителя как ОВЕН. Ремонт подобного промышленного оборудования ответственное и сложное занятие, требующие максимальной отдачи, профессионализма и максимально полной материальной базе.
Специалисты нашего сервисного центра максимальное внимание уделяют качеству исполнения ремонта, программирования и настройке промышленных преобразователей частоты, не зависимо от производителя данного промышленного оборудования. Именно поэтому мы смело даем гарантию на все выполненные работы шесть месяцев.
Ремонт частотных преобразователей ОВЕН в Маргилане производится исключительно с использованием оригинальных запасных частей, на компонентном уровне с применением высокотехнологичного диагностического оборудования, квалифицированным персоналом с инженерным образованием.
В случае выхода из строя преобразователя частоты на вашем производстве либо появились проблемы с приводом, которые вы не можете решить самостоятельно, мы всегда рады вам помочь. Специалисты нашего сервисного центра в минимальные сроки проведут глубокую диагностику с последующим ремонтом частотного преобразователя ОВЕН.
Инженеры сервисного центра выполняют качественный ремонт частотных преобразователей ОВЕН всех серий, когда-либо выпускаемых компанией.
|
Серии частотных преобразователей ОВЕН |
Типы частотных преобразователей ОВЕН |
|
ОВЕН ПЧВ1 |
ПЧВ101-К18-А, ПЧВ101-К37-А, ПЧВ101-К75-А, ПЧВ102-1К5-А, ПЧВ103-2К2-А, ПЧВ101-К37-В, ПЧВ101-К75-В, ПЧВ102-1К5-В, ПЧВ102-2К2-В, ПЧВ103-3К0-В, ПЧВ103-4К0-В |
|
ОВЕН ПЧВ2 |
ПЧВ203-5К5-В, ПЧВ203-7К5-В, ПЧВ204-11К-В, ПЧВ204-15К-В, ПЧВ205-18К-В, ПЧВ205-22К-В |
|
ОВЕН ПЧВ3 (IP20) |
ПЧВ3-К37-В, ПЧВ3-К75-В, ПЧВ3-1К5-В, ПЧВ3-2К2-В, ПЧВ3-3К0-В, ПЧВ3-4К0-В, ПЧВ3-5К5-В, ПЧВ3-7К5-В, ПЧВ3-11К-В, ПЧВ3-15К-В, ПЧВ3-18К-В, ПЧВ3-22К-В, ПЧВ3-30К-В, ПЧВ3-37К-В, ПЧВ3-45К-В, ПЧВ3-55К-В, ПЧВ3-75К-В, ПЧВ3-90К-В |
|
ОВЕН ПЧВ3 (IP54) |
ПЧВ3-К75-В-54, ПЧВ3-1К5-В-54, ПЧВ3-2К2-В-54, ПЧВ3-3К0-В-54, ПЧВ3-4К0-В-54, ПЧВ3-5К5-В-54, ПЧВ3-7К5-В-54, ПЧВ3-11К-В-54, ПЧВ3-15К-В-54, ПЧВ3-18К-В-54, ПЧВ3-22К-В-54, ПЧВ3-30К-В-54, ПЧВ3-37К-В-54, ПЧВ3-45К-В-54, ПЧВ3-55К-В-54, ПЧВ3-75К-В-54, ПЧВ3-90К-В-54 |
В данной таблице присутствуют далеко не все частотные преобразователи ОВЕН ремонт которых предлагает наш сервисный центр.
Ошибки частотного преобразователя ОВЕН
В процессе работы выходит из строя даже самое надежное промышленное оборудование. В данной статье мы приведем ошибки частотного преобразователя ОВЕН, а точнее ОВЕН серии ПЧВ1, ПЧВ2 и ПЧВ3. Частотники в наше время, нашли широкое применение абсолютно во всех сферах промышленности, управляя как мини моторами в оргтехнике, так и гигантскими двигателями в горнодобывающей промышленности.
Для простоты общения со столь сложной электроникой все частотные преобразователи оснащены небольшими дисплеями с помощью которых выводятся информационные сообщения с кодами ошибок, расшифровав которые можно сразу же узнать причину ее возникновения. Если учесть распространенность данной промышленной электроники, то появляется острая нужда в расшифровке кодов ошибок частотных преобразователей. В этой статье мы рассмотрим одного из самых известных производителей промышленной электроники имеющему уважение во всем мире, ОВЕН.
Существует несколько видов ошибок, некоторые из них можно устранить автоматически, а некоторые возможно исправить только, обратившись в специализированный сервисный центр. В таблицах ниже приведены коды ошибок частотного преобразователя ОВЕН и их расшифровка.
Обязательно должны соблюдаться все рекомендации, изложенные в инструкции по монтажу и эксплуатации насосов, в особенности требования по технике безопасности!
Ошибки частотных преобразователей ОВЕН серии ПЧВ1, ПЧВ2 и ПЧВ3.
|
Код ошибки |
Описание |
Пр |
Ав |
ОтБ |
Ош |
Причина отказа |
|
2 |
Ошибка действующего нуля |
х |
х |
Сигнал на клемме 53 или 60 ниже 50 % от значения, установленного в пар. 6-10, 6-12 и 6- 22. |
||
|
4 |
Потеря фазы питания |
х |
х |
х |
Потеря фазы, большая асимметрия или искажения напряжения на стороне питания. Рекомендуется установка сетевого дросселя. |
|
|
7 |
Повышенное напряжение постоянного тока |
х |
х |
Напряжение промежуточной цепи превышает предельно допустимое значение. Отказ может быть вызван искажениями сетевого питания. Рекомендуется установка сетевого фильтра. |
||
|
8 |
Пониженное напряжение постоянного тока |
х |
х |
Напряжение промежуточной цепи ниже порога предупреждения о низком напряжении. Отказ может быть вызван искажениями сетевого питания. Рекомендуется установка сетевого дросселя. |
||
|
9 |
Перегружен инвертор |
х |
х |
Слишком длительная нагрузка, превышающая полную (100%). |
||
|
10 |
Повышенная температура ЭТР двигателя |
х |
х |
Перегрев двигателя из-за нагрузки, превышающей полную (100 %) нагрузку, в течение слишком длительного времени. |
||
|
11 |
Повышенная температура термистора двигателя |
х |
х |
Обрыв в термисторе или в цепи его подключения. |
||
|
12 |
Предельный крутящий момент |
х |
Превышен предельный крутящий момент, установленный в пар. 4-16 или 4-17. |
|||
|
13 |
Превышение тока |
х |
х |
х |
Превышен предел пикового тока инвертора. |
|
|
14 |
Замыкание на землю |
х |
х |
Замыкание выходных фаз на землю. |
||
|
16 |
Короткое замыкание |
х |
х |
Короткое замыкание в двигателе или на его клеммах. |
||
|
17 |
Тайм-аут командного слова |
х |
х |
Нет связи с преобразователем частоты. |
||
|
25 |
Короткое замыкание тормозного резистора |
х |
х |
Короткое замыкание тормозного резистора, в связи с чем функция торможения отключается. |
||
|
27 |
Короткое замыкание тормозного прерывателя |
х |
х |
Короткое замыкание тормозного транзистора, в связи с чем функция торможения отключается. |
||
|
28 |
Проверка тормоза |
х |
Тормозной резистор не подключен / не работает. |
|||
|
29 |
Перегрев силовой платы |
х |
х |
х |
Радиатором достигнута температура отключения. |
|
|
30 |
Обрыв фазы U двигателя |
х |
х |
Отсутствует фаза U двигателя. Проверить фазу. |
||
|
31 |
Обрыв фазы V двигателя |
х |
х |
Отсутствует фаза V двигателя. Проверить фазу. |
||
|
32 |
Обрыв фазы W двигателя |
х |
х |
Отсутствует фаза W двигателя. Проверить фазу. |
||
|
38 |
Внутренний отказ |
х |
х |
Обратиться к поставщику оборудования. |
||
|
44 |
Замыкание на землю |
х |
х |
Замыкание выходных фаз на землю. |
||
|
47 |
Сбой управляющего напряжения |
х |
х |
Возможно, перегружен источник питания 24 В. |
||
|
51 |
ААД: проверить Unom и Inom |
х |
Неправильно установлены значения напряжения и тока двигателя. |
|||
|
52 |
ААД: низкое значение Inom |
х |
Слишком мал ток двигателя. Проверить настройки. |
|||
|
59 |
Предел по току |
х |
Превышение выходного тока ПЧВ. |
|||
|
63 |
Мала эффективность механического тормоза |
х |
Фактический ток двигателя не превышает значения тока «от- пускания тормоза» в течение промежутка времени «задержки пуска». |
|||
|
80 |
Привод приведен к значениям по умолчанию |
х |
Установки параметров восстановлены до значений по умолчанию. |
|||
|
84 |
Утрачено соединение между приводом и ЛПО |
х |
Отсутствует связь между ЛПО и преобразователем частоты. |
|||
|
85 |
Кнопка не действует |
х |
См. группу параметров 0-4* ЛПО. |
|||
|
86 |
Копирование не выполнено |
х |
Произошла ошибка при копировании из преобразователя частоты в ЛПО или наоборот. |
|||
|
87 |
Данные ЛПО недопустимы |
х |
Ошибка возникает при копировании из ЛПО в том случае, если ЛПО содержит ошибочные данные или если в ЛПО не за- гружены никакие данные. |
|||
|
88 |
Данные ЛПО несовместимы |
х |
Ошибка возникает при копировании из ЛПО в том случае, если данные перемещают между преобразователями частоты, сильно различающимися версиями программного обеспечения. |
|||
|
89 |
Параметр только для считывания |
х |
Ошибка возникает при перезаписи параметра для считывания. |
|||
|
90 |
Нет доступа к базе данных параметров |
х |
ЛПО и одновременно выполняется попытка обновления пара- метров через разъем RS485. |
|||
|
91 |
В данном режиме значение параметра недействительно |
х |
Ошибка возникает при попытке записи недопустимого значения параметра. |
|||
|
92 |
Значение параметра превышает мин./макс. Пределы |
х |
Ошибка возникает при попытке задать значение вне разрешенного диапазона. |

- Пр – Предупреждение;
- Ав – аварийный сигнал;
- ОтБ – отключение с блокировкой;
- Ош – ошибка.
Преобразователь частоты разработан таким образом, что он пытается избежать аварийных отключений путем ограничения момента, перенапряжения и т.п.
Появление сбоев при вводе в эксплуатацию или вскоре после него обычно свидетельствует о неверной настройке или неправильном подключении.
Возникновение неисправностей или проблем после длительного режима бесперебойной работы обычно происходит по причине изменений в системе или ее окружении (например, в результате износа).
Дополнительную информацию по частотным преобразователям ОВЕН можно посмотреть и скачать в файлах ниже.
Настройка частотного преобразователя ОВЕН, программирование
Настройка частотных преобразователей ОВЕН (программирование) происходит в рамках установленных производителем правил, существует общий алгоритм по программированию (настройке частотных преобразователей), относящийся ко всем производителям данного промышленного оборудования. Ниже представлена пошаговая инструкция по настройке частотных преобразователей ОВЕН.
- Выбор режима управления приводом ОВЕН (управление по показанию датчиков, дистанционное управление, дистанционное управление).
- В случае использования отдельного (выносного) монитора, настраивается вывод на него технической информации.
- Далее определяем конфигурацию подключения серводвигателя. На данной стадии задаются такие параметры как- возможность применения обратной связи либо без ее применения, а в память блока заносятся данные по: величине крутящего момента, мощности потребителей, номинальное значения частоты, напряжение, ток и скорости вращения ротора.

- Программируется минимально допустимая величина напряжения и частоты, а также время ускорения ротора от ноля до номинального значения.
- И в завершении, в программу управления частотным преобразователем ОВЕН вносятся функциональные данные со значениями отдельных клемм и особенностями сигналов. Отмечаются действия оборудования, выполняющиеся автоматически при отсутствии информации поступающей в оперативном режиме с датчика.
В некоторых частотниках существует пункт наличия/отсутствия фильтра в цепи питания двигателя. Этот пункт отвечает за подключение различных видов нагрузок, в том случае, когда возможно выбрать нормальное или инверсное изменение частоты при повышении уровня сигнала обратной связи.
Все настройки частотных преобразователей ОВЕН приведены в технической документации ниже в удобном формате (PDF) который можно скачать на свой компьютер, распечатать или просто открыть на нашем сайте.
Частотный преобразователь ОВЕН, скачать инструкции по эксплуатации
Ниже вы можете скачать руководства по эксплуатации частотных преобразователей ОВЕН для всех серий, когда-либо выпущенных данным производителем.
|
Частотный преобразователь ОВЕН ПЧВ1 инструкция, руководство пользователя. |
Скачать PDF |
|
Частотный преобразователь ОВЕН ПЧВ2 инструкция, руководство пользователя. |
Скачать PDF |
|
Частотный преобразователь ОВЕН ПЧВ3 инструкция, руководство пользователя. |
Скачать PDF |
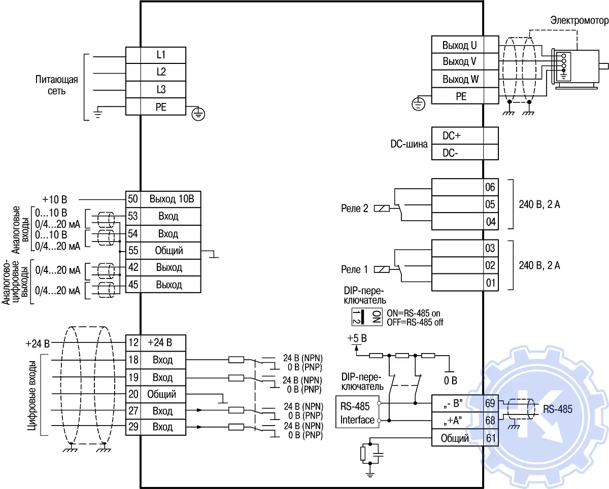
Схемы подключения частотных преобразователей ОВЕН
Схемы подключений частотных преобразователей SEW-EURODRIVE могут, отличатся друг от друга даже если эти преобразователи относятся ко одной линейке. Схема подключения преобразователя зависит от многих факторов таких как потребляемая частотным преобразователем нагрузка или питающая сеть к которой подключается частотник 200V – 380V и конечно же зависит от CPU в паре, с которым предполагается работа преобразователя.
|
Схема подключения частотных преобразователей ОВЕН ПЧВ1 |
Схема подключения частотных преобразователей ОВЕН ПЧВ3 |
|
|
|
|
Другие схемы подключений частотных преобразователей ОВЕН вы найдете в руководстве пользователя.
Оставьте заявку на ремонт промышленного оборудования, используя форму на сайте, либо свяжетесь с нашими менеджерами, сделать это очень просто.
Оставить заявку на ремонт частотных преобразователей ОВЕН
У вас вышел из строя частотник? Вам необходим срочный ремонт частотных преобразователей ОВЕН в Маргилане? Оставьте заявку на ремонт нажав на одноименную кнопку в верхней правой части экрана либо свяжитесь с нашими менеджерами. Связаться с ними можно несколькими способами:

- Заполнив форму заявки на ремонт (кнопка в правом верхнем углу сайта)
- Позвонив по номеру телефона:
- +7(8482) 79-78-54;
- +7(8482) 55-96-39;
- +7(917) 121-53-01
- Написав на электронную почту: 89171215301@mail.ru
Похожие статьи
-
Другие услуги по ремонту промышленной эелектроники и оборудования
- Ремонт частотных преобразователей в Маргилане
- Промышленный привод, ремонт в Маргилане
- Ремонт частотных преобразователей Веспер в Маргилане
- Ремонт частотного преобразователя Danfoss в Маргилане
- Ремонт частотного преобразователя Lenze в Маргилане
- Ремонт частотных преобразователей ABB в Маргилане
- Ремонт частотных преобразователей Siemens в Маргилане
- Ремонт частотного преобразователя INVT в Маргилане
- Ремонт частотного преобразователя Schneider Altivar в Маргилане
- Частотный преобразователь frenic, ремонт частотников FUJI в Маргилане
- Ремонт частотного преобразователя Delta в Маргилане
- Частотный преобразователь VACON, ремонт частотника в Маргилане
- Ремонт частотных преобразователей KEB в Маргилане
- Ремонт частотного преобразователя Omron в Маргилане
- Частотный преобразователь Mitsubishi Electric, ремонт привода в Маргилане
- Ремонт частотников Emerson - Control techniques, Unidrive - Commander в Маргилане
- Ремонт частотного преобразователя Yaskawa в Маргилане
- Allen Bradley преобразователи частоты, ремонт Allen Bradley в Маргилане
- Ремонт частотника Baumuller в Маргилане
- Преобразователи частоты Bosch Rexroth, ремонт Bosch Rexroth в Маргилане
- Ремонт Rexroth Indramat в Маргилане
- Fanuc, ремонт привода в Маргилане
- Ошибки и ремонт частотных преобразователей Emotron в Маргилане
- Ремонт частотного преобразователя KONE в Маргилане, ошибки
- Ошибки и ремонт частотного преобразователя STOBER POSIDRIVE в Маргилане
- Ошибки и ремонт частотного преобразователя ESQ в Маргилане
- Ошибки и ремонт частотного преобразователя INNOVERT в Маргилане
- Ошибки и ремонт частотных преобразователей BONFIGLIOLI в Маргилане
- Ошибки и ремонт частотных преобразователей WILO в Маргилане
- Ремонт частотных преобразователей SIRIO и NETTUNO в Маргилане, ошибки
- Ошибки и ремонт частотных преобразователей HYUNDAI в Маргилане
- Ошибки и ремонт частотных преобразователей IDS-DRIVE в Маргилане
- Ошибки и ремонт частотных преобразователей LG LS в Маргилане
- Ошибки и ремонт частотных преобразователей HYDROVAR в Маргилане
- Ошибки и ремонт частотных преобразователей SEW-EURODRIVE в Маргилане
- Ошибки и ремонт частотных преобразователей ОВЕН в Маргилане
- Ошибки и ремонт частотных преобразователей HITACHI в Маргилане
- Ошибки и ремонт частотных преобразователей TOSHIBA в Маргилане
- Ошибки и ремонт частотных преобразователей IEK в Маргилане
- Ошибки и ремонт частотных преобразователей PROSTAR в Маргилане
- Ошибки и ремонт частотных преобразователей GEFRAN в Маргилане
- Ошибки и ремонт частотного преобразователя OTIS в Маргилане
- Ошибки и ремонт частотного преобразователя SANTERNO в Маргилане
- Ремонт и программирование частотных преобразователей ARKEL A-DRIVE в Маргилане
- Ремонт и программирование частотных преобразователей SIEI ARTDrive в Маргилане
- Ошибки и ремонт частотных преобразователей Schindler Biodyn в Маргилане
- Ошибки и ремонт частотных преобразователей Sigma LG в Маргилане
- Ошибки и ремонт частотных преобразователей THYSSEN в Маргилане
- Ошибки и ремонт частотных преобразователей Macpuarsa в Маргилане
- Ошибки и ремонт частотных преобразователей Canny в Маргилане
- Ошибки и ремонт частотных преобразователей ERMAN в Маргилане
- Ошибки и ремонт частотных преобразователей EKF в Маргилане
- Ошибки и ремонт частотных преобразователей INOVANCE в Маргилане
- Ошибки и ремонт частотных преобразователей KUKA в Маргилане
- Ошибки и ремонт частотных преобразователей DEMAG в Маргилане
- Ошибки и ремонт частотных преобразователей EuraDrives в Маргилане
- Ошибки и ремонт частотных преобразователей Parker в Маргилане
- Ошибки и ремонт частотных преобразователей NIDEC в Маргилане
- Ошибки и ремонт частотных преобразователей NORD в Маргилане
- Ошибки и ремонт частотных преобразователей Panasonic в Маргилане
- Ошибки и ремонт частотных преобразователей Eurotherm в Маргилане
- Ошибки и ремонт частотных преобразователей Berges в Маргилане
- Ошибки и ремонт частотных преобразователей Hormann в Маргилане
- Все услуги по ремонту промышленной электроники и оборудования

Скачать PDF
