Колумбус

РЕМОНТ ЧАСТОТНОГО ПРЕОБОРАЗОВАТЕЛЯ SEW-EURODRIVE
НАСТРОЙКА И ПРОГРАММИРОВАНИЕ ЧАСТОТНОГО ПРЕОБРАЗОВАТЕЛЯ SEW-EURODRIVE

в

МЕНЮ

Ошибки и ремонт частотных преобразователей SEW-EURODRIVE в

Ремонт частотных преобразователей SEW-EURODRIVE

Ремонт частотных преобразователей SEW-EURODRIVEРемонт частотного преобразователя SEW-EURODRIVE, впрочем, как и ремонт частотников других производителей имеет ряд особенностей в силу своего конструктива. Частотные преобразователи, точнее их начинка делятся на две части:

  • Аппаратная часть,
  • Программная часть.

Частотники данного производителя не являются исключением из правил, именно поэтому ремонт частотного преобразователя SEW-EURODRIVE имеет точно такой же ряд особенностей, как и у других преобразователей.

Диагностировать ту или иную неисправность помогают коды ошибок частотного преобразователя, которые отображаются на небольшом дисплее, расположенном на лицевой панели привода. Коды ошибок частотного преобразователя SEW-EURODRIVE в зависимости от серии описаны в инструкции, пользователя которые можно скачать с нашего сайта.

Ремонт частотных преобразователей SEW-EURODRIVE в , как и любых других преобразователей, выпущенных под другими брендами, всегда начинается с аппаратной части, после успешного ремонта аппаратной части наступает очередь программной.

Настройка частотного преобразователя SEW-EURODRIVE также прописана в инструкции завода производителя, для каждой серии частотных преобразователей настройка будет индивидуальной, так как каждая линейка преобразователей решает свои собственные задачи, этим обусловливается широкая номенклатура данного промышленного оборудования.

Ремонт частотных преобразователей SEW-EURODRIVE в сервисном центре

Ремонт частотных преобразователей SEW-EURODRIVEКомпания «Кернел» производит ремонт частотных преобразователей SEW-EURODRIVE в с 2002 года. За время существования компании наши сотрудники накопили колоссальный опыт в ремонте преобразователей частоты такого известного производителя как SEW-EURODRIVE. Ремонт подобного промышленного оборудования ответственное и сложное занятие, требующие максимальной отдачи, профессионализма и максимально полной материальной базе.

Специалисты нашего сервисного центра максимальное внимание уделяют качеству исполнения ремонта, программирования и настройке промышленных преобразователей частоты, не зависимо от производителя данного промышленного оборудования. Именно поэтому мы смело даем гарантию на все выполненные работы шесть месяцев.

Ремонт частотных преобразователей SEW-EURODRIVE в производится исключительно с использованием оригинальных запасных частей, на компонентном уровне с применением высокотехнологичного диагностического оборудования, квалифицированным персоналом с инженерным образованием.

В случае выхода из строя преобразователя частоты на вашем производстве либо появились проблемы с приводом, которые вы не можете решить самостоятельно, мы всегда рады вам помочь. Специалисты нашего сервисного центра в минимальные сроки проведут глубокую диагностику с последующим ремонтом частотного преобразователя SEW-EURODRIVE.

Инженеры сервисного центра выполняют качественный ремонт частотных преобразователей SEW-EURODRIVE всех серий, когда-либо выпускаемых компанией.

Серии частотных преобразователей SEW-EURODRIVE

Типы частотных преобразователей SEW-EURODRIVE

MOVITRAC® LTE-B

MC-LTE-B0004-101-1-00, MC-LTE-B0008-101-1-00, MC-LTE-B0011-101-4-00, MC-LTE-B0004-2B1-1-00, MC-LTE-B0008-2B1-1-00

MOVITRAC® LTE-B+

MC-LTE-B0015-2B1-4-00, MC-LTE-B0022-2B1-4-00, MC-LTE-B0040-2B1-4-00, MC-LTE-B0015-2A3-4-00, MC-LTE-B0015-5A3-1-00

MOVITRAC® LTP-B

MC-LTP-B0008-2B1-4-00, LTP-B MC-LTP-B0015-2B1-4-00, LTP-B MC-LTP-B0022-2B1-4-00, LTP-B MC-LTP-B0015-2A3-4-00

MOVITRAC®B

MC-07B-0003-2B1-4-00, MC-07B-0004-2B1-4-00, MC-07B-0005-2B1-4-00, MC-07B-0008-2B1-4-00, MC-07B-0015-2B1-4-00

MOVIDRIVE®B

MC-07B-0005-2A3-4-00/S0, MC-07B-0008-2A3-4-00/S0, MC-07B-0011-2A3-4-00/S0, MC-07B-0015-2A3-4-00/S0, MC-07B-0022-2A3-4-00/S0

MOVIAXIS®

MD-X60-61B-0005-5A3-4-0, MD-X60-61B-0008-5A3-4-0, MD-X60-61B-0011-5A3-4-0, MD-X61B-0015-5A3-4-0, MD-X61B-0110-5A3-4-0

В данной таблице присутствуют далеко не все частотные преобразователи SEW-EURODRIVE ремонт которых предлагает наш сервисный центр.

Настройка частотного преобразователя SEW-EURODRIVE, программирование

Ремонт частотных преобразователей SEW-EURODRIVEНастройка частотных преобразователей SEW-EURODRIVE (программирование) происходит в рамках установленных производителем правил, существует общий алгоритм по программированию (настройке частотных преобразователей), относящийся ко всем производителям данного промышленного оборудования. Ниже представлена пошаговая инструкция по настройке частотных преобразователей SEW-EURODRIVE.

  • Выбор режима управления приводом SEW-EURODRIVE (управление по показанию датчиков, дистанционное управление, дистанционное управление).
  • В случае использования отдельного (выносного) монитора, настраивается вывод на него технической информации.
  • Далее определяем конфигурацию подключения серводвигателя. На данной стадии задаются такие параметры как- возможность применения обратной связи либо без ее применения, а в память блока заносятся данные по: величине крутящего момента, мощности потребителей, номинальное значения частоты, напряжение, ток и скорости вращения ротора.Ремонт частотных преобразователей SEW-EURODRIVE
  • Программируется минимально допустимая величина напряжения и частоты, а также время ускорения ротора от ноля до номинального значения.
  • И в завершении, в программу управления частотным преобразователем SEW-EURODRIVE вносятся функциональные данные со значениями отдельных клемм и особенностями сигналов. Отмечаются действия оборудования, выполняющиеся автоматически при отсутствии информации поступающей в оперативном режиме с датчика.

В некоторых частотниках существует пункт наличия/отсутствия фильтра в цепи питания двигателя. Этот пункт отвечает за подключение различных видов нагрузок, в том случае, когда возможно выбрать нормальное или инверсное изменение частоты при повышении уровня сигнала обратной связи.

Все настройки частотных преобразователей SEW-EURODRIVE приведены в технической документации ниже в удобном формате (PDF) который можно скачать на свой компьютер, распечатать или просто открыть на нашем сайте.

Коды ошибок частотного преобразователя SEW-EURODRIVE

Ремонт частотных преобразователей SEW-EURODRIVEВ процессе работы выходит из строя даже самое надежное промышленное оборудование. В данной статье мы приведем ошибки частотного преобразователя SEW-EURODRIVE, а точнее SEW-EURODRIVE серии MOVITRAC LTE-B. Частотники в наше время, нашли широкое применение абсолютно во всех сферах промышленности, управляя как мини моторами в оргтехнике, так и гигантскими двигателями в горнодобывающей промышленности.

Для простоты общения со столь сложной электроникой все частотные преобразователи оснащены небольшими дисплеями с помощью которых выводятся информационные сообщения с кодами ошибок, расшифровав которые можно сразу же узнать причину ее возникновения. Если учесть распространенность данной промышленной электроники, то появляется острая нужда в расшифровке кодов ошибок частотных преобразователей. В этой статье мы рассмотрим одного из самых известных производителей промышленной электроники имеющему уважение во всем мире, SEW-EURODRIVE.

Существует несколько видов ошибок, некоторые из них можно устранить автоматически, а некоторые возможно исправить только, обратившись в специализированный сервисный центр. В таблицах ниже приведены коды ошибок частотного преобразователя SEW-EURODRIVE MOVITRAC LTE-B и их расшифровка.

Обязательно должны соблюдаться все рекомендации, изложенные в инструкции по монтажу и эксплуатации насосов, в особенности требования по технике безопасности!

Ошибки частотных преобразователей SEW-EURODRIVE серии MOVITRAC LTE-B

Код ошибки

Значение

Устранение

P-dEF

Загружены установленные на заводе-изготовителе параметры.

Нажать клавишу <стоп>. Теперь преобразователь можно конфигурировать под желаемое применение.

O-I

Избыточный ток на выходе преобразователя к двигателю. Перегрузка в двигателе. Перегрев на радиаторе преобразователя.

Ошибка при постоянной частоте вращения:

  • Проверить на наличие перегрузки или неисправности.

Ошибка при разблокировке преобразователя:

  • Проверить на опрокидывание или блокирование двигателя.
  • Проверить на наличие ошибки соединения двигателя «звезда, треугольник»
  • Проверить соответствует ли длинна кабеля заданным параметрам.

Ошибка во время эксплуатации:

  • Проверить на неожиданную перегрузку или сбой в работе.
  • Проверить кабельное соединение между преобразователем и двигателем.
  • Время ускорения/замедления возможно слишком короткое и требует слишком много мощности. Если вы можете увеличить P-03 или P-04, необходимо использовать более мощный преобразователь.

I.t-trP

Ошибка из-за перегрузки. Возникает, если преобразователь в течении определенного времени подавал более 100% номинального тока. Индикация мигает, чтобы показать перегрузку.

  • Увеличьте темп ускорения P-03 или снизьте нагрузку.
  • Проверить соответствует ли длинна кабеля заданным параметрам.
  • Проверить нагрузку механическим способом, чтобы убедится, что происходит свободное движение и нет блокад или других механических неисправностей.

OI-b

Избыточный ток тормозного канала. Избыточный ток в цепи тормозного резистора.

  • Проверить питающий провод тормозного резистора.
  • Проверить значение тормозного резистора.
  • Необходимо обращать внимание на минимальные значения сопротивления в расчётной таблице.

OL-br

Тормозной резистор перегружен.

  • Повысить время задержки, снизить инерцию нагрузки или параллельно включить другие тормозные резисторы.
  • Необходимо обращать внимание на минимальные значения сопротивления в расчетной таблице.

PS-trP

Внутренняя ошибка выходного каскада.

Ошибка при разблокировке преобразователя:

  • Проверить на наличие ошибки соединения или короткого замыкания.
  • Проверить на наличие короткого замыкания фазы или замыкания на землю.

Ошибка во время эксплуатации:

  • Проверить на неожиданную перегрузку или перегрев.
  • Возможно требуется дополнительное пространство или охлаждение

O.Uolt

Перенапряжение звена постоянного тока.

  • Проверить: напряжение питания слишком высокое или слишком низкое.
  • Если ошибка возникает при замедлении, необходимо повысить время замедления в P-04.
  • Подключить тормозной, резистор если необходимо.
  • Если тормозной резистор уже установлен, необходимо убедится, что P-34 настроен на 1 или 2.

U.Uolt

Пониженное напряжение в цепи постоянного тока.

Возникает обычно при отключении преобразователя. Проверить напряжение электросети, если ошибка возникает при работающем двигателе.

O-hEat

Слишком высокая температура окружающей среды.

  • Проверить охлаждение преобразователя и габаритные размеры корпуса.
  • Возможно требуется дополнительное пространство или охлаждение.
  • Проверить функционирование внутреннего вентилятора1.

O-t

Перегрев радиатора.

  • Проверить охлаждение преобразователя и габаритные размеры корпуса.
  • Возможно требуется дополнительное пространство или охлаждение.
  • Проверить функционирование внутреннего вентилятора1.
  • Уменьшить частоту коммутации.
  • Снизить нагрузку двигателя.

U-t

Пониженная температура.

  • Возникает при температуре окружающей среды -100C.
  • Повысить температуру свыше -100C, чтобы запустить преобразователь.

Th-FIt

Неисправный термистор на радиаторе.

Обратитесь в сервисный центр.

E-triP

Внешняя ошибка (в сочетании с двоичным входом 3).

  • Внешняя ошибка на двоичном входе 3. Открыт нормально замкнутый контакт.
  • Проверить термистор двигателя (если подключён).

SC-trP

Ошибка: сбой обмена данными.

  • Проверить соединение для обмена данными между преобразователем и внешними устройствами.
  • Убедится, что каждому преобразователю присвоен однозначный адрес.

P-LOSS

Ошибка: отказ фазы входа.

  • В предусмотренном для сети трёхфазного тока преобразователе одна фаза отказывает.

SPIn-F

Запуск вращения не удался.

Функция запуска вращения не может определить частоту вращения двигателя.

dAtA-F

Внутренняя ошибка памяти.

Параметры не сохраняются, воспроизводятся заводские настройки.

Попытаться еще раз. Если данная проблема появляется повторно, обратитесь в сервисный центр.

EE-F

Параметры неисправности EEPROM не сохраняются, воспроизводятся заводские настройки.

Параметры неисправности EEPROM не сохраняются, воспроизводятся заводские настройки. При повторной появлении ошибки обратитесь в сервисный центр.

4_20 F

Ток на аналоговом входе за границами установленного диапазона.

Убедиться, что входной ток находится в установленном P-16 диапазоне.

Проверить соединительный кабель.

SC-FLt

Внутренняя ошибка преобразователя.

Обратитесь в сервисный центр.

FAULtY

Prog__

Ремонт частотных преобразователей SEW-EURODRIVE1)Для функционального испытания для преобразователей частоты мощностью свыше 0.75kw нажмите все кнопки встроенной клавишной цепи одновременно.

Преобразователь частоты разработан таким образом, что он пытается избежать аварийных отключений путем ограничения момента, перенапряжения и т.п.

Появление сбоев при вводе в эксплуатацию или вскоре после него обычно свидетельствует о неверной настройке или неправильном подключении.

Возникновение неисправностей или проблем после длительного режима бесперебойной работы обычно происходит по причине изменений в системе или ее окружении (например, в результате износа).

Дополнительную информацию по частотным преобразователям SEW-EURODRIVE можно посмотреть и скачать в файлах ниже.

Частотный преобразователь SEW-EURODRIVE, скачать инструкции по эксплуатации

Ниже вы можете скачать руководства по эксплуатации частотных преобразователей SEW-EURODRIVE для всех серий, когда-либо выпущенных данным производителем.

Частотный преобразователь SEW-EURODRIVE MOVITRAC® LTE-B инструкция, руководство пользователя.

podkategorij Скачать PDF

Частотный преобразователь SEW-EURODRIVE MOVITRAC® LTE-B+ инструкция, руководство пользователя.

podkategorij Скачать PDF

Частотный преобразователь SEW-EURODRIVE MOVITRAC® LTP-B инструкция, руководство пользователя.

podkategorij Скачать PDF

Частотный преобразователь SEW-EURODRIVE MOVITRAC® B инструкция, руководство пользователя.

podkategorij Скачать PDF

Частотный преобразователь SEW-EURODRIVE инструкция, руководство пользователя.

podkategorij Скачать PDF

Частотный преобразователь SEW-EURODRIVE MOVIDRIVE®B инструкция, руководство пользователя.

podkategorij Скачать PDF

Частотный преобразователь SEW-EURODRIVE MOVIAXIS® инструкция, руководство пользователя.

podkategorij Скачать PDF

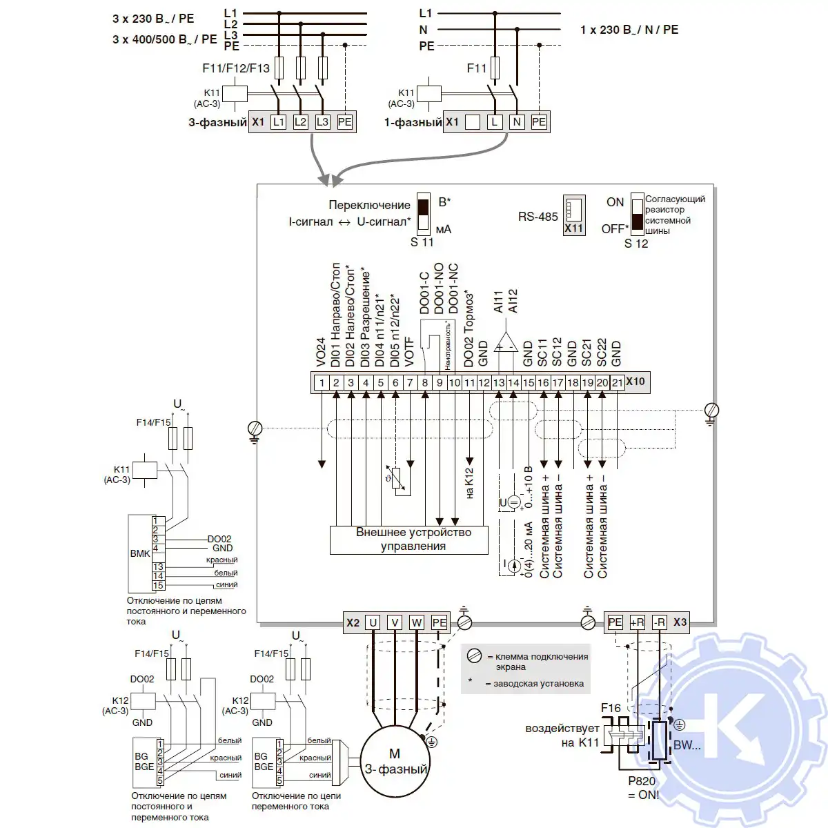
Схемы подключения частотных преобразователей SEW-EURODRIVE

Схемы подключений частотных преобразователей SEW-EURODRIVE могут, отличатся друг от друга даже если эти преобразователи относятся ко одной линейке. Схема подключения преобразователя зависит от многих факторов таких как потребляемая частотным преобразователем нагрузка или питающая сеть к которой подключается частотник 200V – 380V и конечно же зависит от CPU в паре, с которым предполагается работа преобразователя.

Схема подключения частотных преобразователей SEW-EURODRIVE MOVITRAC на 230v (0.37kw…2.2kw) 400v (0.55kw…4.0kw)

Схема подключения частотных преобразователей SEW-EURODRIVE MOVITRAC на 230v (3.7kw…30kw) 400v (5.5kw…30kw)

Схема подключения частотных преобразователей SEW-EURODRIVE MOVITRAC на 230v (0.37kw…2.2kw) 400v (0.55kw…4.0kw)

Схема подключения частотных преобразователей SEW-EURODRIVE MOVITRAC на 230v (3.7kw…30kw) 400v (5.5kw…30kw)

Другие схемы подключений частотных преобразователей SEW-EURODRIVE вы найдете в руководстве пользователя.

Оставьте заказ на ремонт промышленного оборудования, используя форму на сайте, либо свяжетесь с нашими менеджерами, сделать это очень просто.

Оставить заявку на ремонт частотных преобразователей SEW-EURODRIVE

У вас вышел из строя частотник? Вам необходим срочный ремонт частотных преобразователей SEW-EURODRIVE в ? Оставьте заявку на ремонт нажав на одноименную кнопку в верхней правой части экрана либо свяжитесь с нашими менеджерами. Связаться с ними можно несколькими способами:

Наши контакты

  • Заполнив форму заявки на ремонт (кнопка в правом верхнем углу сайта)
  • Позвонив по номеру телефона:
    • +7(8482) 79-78-54;
    • +7(8482) 55-96-39;
    • +7(917) 121-53-01
  • Написав на электронную почту: 89171215301@mail.ru

Похожие статьи