Ошибки и ремонт сервопривода FESTO в Нарыни
Ремонт сервопривода FESTO
Ремонт сервопривода FESTO, впрочем, как и ремонт частотников других производителей имеет ряд особенностей в силу своего конструктива. Приводы, точнее их начинка делятся на две части:
- Аппаратная часть,
- Программная часть.
Приводы данного производителя не являются исключением из правил, именно поэтому ремонт сервопривода FESTO имеет точно такой же ряд особенностей.
Диагностировать ту или иную неисправность помогают коды ошибок сервопривода, которые отображаются с помощью светодиодной индикации. Ошибки сервопривода FESTO в зависимости от серии описаны в инструкции, пользователя которые можно скачать с нашего сайта.
Ремонт сервопривода FESTO, всегда начинается с аппаратной части, и только после успешного ремонта аппаратной наступает очередь программной.
Настройка сервопривода FESTO также прописана в инструкции завода производителя, для каждой серии сервопривода настройка будет индивидуальной, так как каждая линейка решает свои собственные задачи, этим обусловливается широкая номенклатура данного промышленного оборудования.
Ремонт сервопривода FESTO в сервисном центре
Компания «Кернел» производит ремонт сервопривода FESTO в Нарыни с 2002 года. За время существования компании наши сотрудники накопили колоссальный опыт в ремонте сервоприводов такого известного производителя как FESTO. Ремонт подобного промышленного оборудования ответственное и сложное занятие, требующие максимальной отдачи, профессионализма и максимально полной материальной базе.
Специалисты сервисного центра особое внимание уделяют качеству исполнения ремонта, программирования и настройке сервопривода, не зависимо от производителя данного промышленного оборудования. Именно поэтому мы смело даем гарантию на ремонт сервопривода FESTO в Нарыни и на запасные части, замененные в процессе ремонта работы шесть месяцев.
Ремонт сервопривода FESTO производится исключительно с использованием оригинальных запасных частей, на компонентном уровне с применением высокотехнологичного диагностического оборудования, квалифицированным персоналом с инженерным образованием.
В случае выхода из строя подобного промышленного оборудования на вашем производстве либо появились проблемы с приводом, которые вы не можете решить самостоятельно, мы всегда рады вам помочь. Специалисты нашего сервисного центра в минимальные сроки проведут глубокую диагностику и последующий ремонт сервопривода FESTO в Нарыни.
Инженеры сервисного центра выполняют качественный ремонт сервопривода FESTO всех серий, когда-либо выпускаемых компанией.
|
Сервопривод FESTO серии CMMT-AS |
CMMT-AS-C2-3A-EC-S1, CMMT-AS-C4-3A-EC-S1, CMMT-AS-C2-11A-P3-EC-S1, CMMT-AS-C3-11A-P3-EC-S1, CMMT-AS-C5-11A-P3-EC-S1, CMMT-AS-C2-3A-PN-S1, CMMT-AS-C4-3A-PN-S1, CMMT-AS-C2-11A-P3-PN-S1, CMMT-AS-C3-11A-P3-PN-S1, CMMT-AS-C5-11A-P3-PN-S1, CMMT-AS-C2-3A-EP-S1, CMMT-AS-C4-3A-EP-S1, CMMT-AS-C2-11A-P3-EP-S1, CMMT-AS-C3-11A-P3-EP-S1, CMMT-AS-C5-11A-P3-EP-S1 |
|
Сервопривод FESTO серии CMMP-AS |
CMMP-AS-C10-11A-P3-M0, CMMP-AS-C10-11A-P3-M3, CMMP-AS-C15-11A-P3-M3, CMMP-AS-C2-3A-M0, CMMP-AS-C2-3A-M3, CMMP-AS-C5-11A-P3-M0, CMMP-AS-C5-11A-P3-M3, CMMP-AS-C5-3A-M0, CMMP-AS-C5-3A-M3 |
|
Встроенные привода FESTO серии EMCA |
EMCA-EC-67-S-1TE-DIO, EMCA-EC-67-S-1TE-CO, EMCA-EC-67-S-1TE-EC, EMCA-EC-67-S-1TE-PN, EMCA-EC-67-S-1TE-EP, EMCA-EC-67-M-1TE-DIO, EMCA-EC-67-M-1TE-CO, EMCA-EC-67-M-1TE-PN, EMCA-EC-67-S-1TM-DIO, EMCA-EC-67-S-1TM-CO, EMCA-EC-67-M-1TE-EC, EMCA-EC-67-S-1TM-EP, EMCA-EC-67-M-1TM-DIO, EMCA-EC-67-M-1TM-CO, EMCA-EC-67-M-1TE-EP, EMCA-EC-67-M-1TM-EC, EMCA-EC-67-M-1TM-PN, EMCA-EC-67-M-1TM-EP, EMCA-EC-67-S-1TM-EC, EMCA-EC-67-S-1TM-PN |
В данной таблице присутствуют далеко не все сервопривода FESTO ремонт которых предлагает наш сервисный центр.
Ошибки сервопривода FESTO
При включении, сервопривод проходит фазу инициализации, по окончании которой выполнит тестирование светодиодов. В момент тестирования 4 светодиода состояния привода одновременно пройдут следующую цветовую последовательность:
- Красный;
- Желтый;
- Зеленый.
Длительность присутствия каждого цвета соответствует периоду мигания. После прогона последовательности тест завершается. Данный тест оборудования помогает определить наличие ошибок при запуске привода.
Светодиодная индикация ошибок сервопривода FESTO
Светодиод Status, индикация состояния устройства.
|
Ошибка, реакция светодиода |
Пояснение |
|
|
Имеется ошибка. |
|
|
Имеется предупреждение, или сервопривод непосредственно выполняет обновление встроенного ПО. |
|
|
Сервопривод находится в фазе инициализации. |
|
|
Регулятор привода готов, и выходной каскад выключен (Ready). |
|
|
Выходной каскад и серворазблокированы. |
Светодиод Power, состояние электропитания.
|
Ошибка, реакция светодиода |
Пояснение |
|
|
Присутствует подача напряжения логики и переменного тока. Промежуточный контур заряжается. |
|
|
Подача напряжения логики присутствует, но подача переменного тока отсутствует. |
|
|
Подача напряжения логики присутствует, и промежуточный контур заряжается. |
Светодиод Safety, состояние технических средств безопасности.
|
Ошибка, реакция светодиода |
Пояснение |
|
|
Ошибка в элементе обеспечения безопасности, или условие безопасности нарушено. |
|
|
Функция обеспечения безопасности запрошена, но еще не активна. |
|
|
Функция обеспечения безопасности запрошена и активна. |
|
|
Выходной каскад, выходы тормозов и выходы диагностики Safety заблокированы (выполняется параметризация Safety). |
|
|
Ready (готовность), не запрошена ни одна функция обеспечения безопасности. |
Состояние приложения
|
Ошибка, реакция светодиода |
Пояснение |
|
|
Последовательность идентификации активна (для оптической идентификации устройства в сети), можно активировать с помощью программы параметризации. |
|
|
Зарезервировано для расширений в будущем. |
|
|
|
|
|
|
|
|
EtherNet/IP, светодиод MS; состояние модуля.
|
Ошибка, реакция светодиода |
Пояснение |
Устранение |
|
|
Подача питания логики отсутствует. |
Проверить подачу питания логики. |
|
|
Устройство не сконфигурировано. |
Провести конфигурирование. |
|
|
Штатное рабочее состояние. |
|
|
|
Устройство проводит самотестирование. |
|
|
|
Устранимая ошибка, возможно наличие ошибки конфигурации. |
Проверить конфигурацию. |
|
|
Неустранимая ошибка. |
Обратитесь в сервисный центр. |

В данных таблицах приведены далеко не все возникающие ошибки сервопривода FESTO
При возникновении проблем, проведите диагностику в соответствии с приведённой таблицей. Если требуется замена деталей или проблему нельзя решить одним из описанных здесь способов, обратитесь в сервисный центр.
Регулятор привода разработан таким образом, что он пытается избежать аварийных отключений, появление сбоев при вводе в эксплуатацию или вскоре после него обычно свидетельствует о неверной настройке или неправильном подключении.
Возникновение неисправностей или проблем после длительного режима бесперебойной работы обычно происходит по причине изменений в системе или ее окружении (например, в результате износа).
Дополнительную информацию по сервоприводам FESTO можно посмотреть и скачать в файлах ниже.
Настройка сервопривода FESTO, программирование
Настройка сервопривода FESTO (программирование) происходит в рамках установленных производителем правил, существует общий алгоритм по программированию (настройке сервоприводов), относящийся ко всем производителям данного промышленного оборудования. Ниже представлена пошаговая инструкция по настройке сервопривода FESTO.
- Выбор режима управления приводом FESTO (управление по показанию датчиков, дистанционное управление, дистанционное управление).
- В случае использования отдельного (выносного) монитора, настраивается вывод на него технической информации.
- Далее определяем конфигурацию подключения серводвигателя. На данной стадии задаются такие параметры как- возможность применения обратной связи либо без ее применения, а в память блока заносятся данные по: величине крутящего момента, мощности потребителей, номинальное значения частоты, напряжение, ток и скорости вращения ротора.
- Программируется минимально допустимая величина напряжения и частоты, а также время ускорения ротора от ноля до номинального значения.
- И в завершении, в программу управления сервопривода FESTO вносятся функциональные данные со значениями отдельных клемм и особенностями сигналов. Отмечаются действия оборудования, выполняющиеся автоматически при отсутствии информации поступающей в оперативном режиме с датчика.
Все настройки привода FESTO приведены в технической документации ниже в удобном формате (PDF) который можно скачать на свой компьютер, распечатать или просто открыть на нашем сайте.
Скачать инструкции по эксплуатации сервопривода FESTO
Ниже вы можете скачать руководства по эксплуатации сервопривода FESTO для всех серий, когда-либо выпущенных данным производителем.
|
Сервопривод FESTO CMMT-AS-C2-C4-3A-S1 инструкция, руководство пользователя. |
Скачать PDF |
|
Сервопривод FESTO CMMT-AS-C2-C3-C5-11A-P3-S1 инструкция, руководство пользователя. |
Скачать PDF |
|
Сервопривод FESTO CMMP-AS инструкция, руководство пользователя. |
Скачать PDF |
|
Встроенный привод FESTO EMCA-EC инструкция, руководство пользователя. |
Скачать PDF |
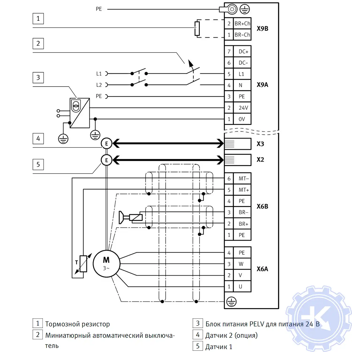
Схемы сервопривода FESTO
|
Схема подключения, 1-фазное подключение к сети сервопривода FESTO |
Схема подключения, 2-фазное подключение к сети сервопривода FESTO |
|
|
|
Перекрестная схема без подключения промежуточного контура. |
|
|
|
Другие схемы сервопривода FESTO вы найдете в руководстве пользователя.
Оставьте заявку на ремонт промышленного оборудования, используя форму на сайте, либо свяжетесь с нашими менеджерами, сделать это очень просто.
Оставить заявку на ремонт сервопривода FESTO
У вас вышло из строя дорогостоящее промышленное оборудование? Вам необходим срочный ремонт сервопривода FESTO в Нарыни? Оставьте заявку на ремонт нажав на одноименную кнопку в верхней правой части экрана либо свяжитесь с нашими менеджерами. Связаться с ними можно несколькими способами:

- Заполнив форму заявки на ремонт (кнопка в правом верхнем углу сайта)
- Позвонив по номеру телефона:
- +7(8482) 79-78-54;
- +7(8482) 55-96-39;
- +7(917) 121-53-01
- Написав на электронную почту: 89171215301@mail.ru
Похожие статьи
- Другие услуги по ремонту промышленной эелектроники и оборудования

Скачать PDF

