Ошибки и ремонт контроллеров SIEMENS SIMATIC S7 300 в Новочебоксарске
Ремонт контроллера SIEMENS SIMATIC S7 300
 Аббревиатура ПЛК расшифровывается как Программируемый Логический Контроллер, и представляет из себя сложный электронный прибор с программируемой логикой, призванный управлять производственными системами автоматизации. Ремонт контроллера SIEMENS SIMATIC S7 300, как и его программирование требует не только профессионального подхода, но и специального оборудования.
Аббревиатура ПЛК расшифровывается как Программируемый Логический Контроллер, и представляет из себя сложный электронный прибор с программируемой логикой, призванный управлять производственными системами автоматизации. Ремонт контроллера SIEMENS SIMATIC S7 300, как и его программирование требует не только профессионального подхода, но и специального оборудования.
Программируемый контроллер SIEMENS SIMATIC S7 300 в большей своей массе встречается на производствах с агрессивными рабочими средами, такими как грязь, пыль, вибрация, большие температурные перепады. С одной стороны, ПЛК единственное решение, так как другое оборудование просто не сможет работать в таких условиях. С другой стороны, все перечисленные факторы рано или поздно приведут к поломке контроллера.
SIEMENS SIMATIC S7 300 является идеальным решением для работы в промышленных условиях благодаря высокой степени электромагнитной совместимости, высокой устойчивости к вибрационным и ударным нагрузкам.
PLC относится к сложной промышленной электронике, а это говорит о том, что провести ремонт SIEMENS SIMATIC S7 300 своими силами даже не говоря про качество его выполнения просто нереально. Качественный ремонт контроллера SIEMENS SIMATIC S7 300 в Новочебоксарске возможен исключительно в специализированном сервисном центре, который не только оснащен по последнему слову техники, но и имеет в штате высококвалифицированных специалистов с богатым опытом работы по ремонту сложнейшей промышленной электроники.
Ошибки SIEMENS SIMATIC S7 300
Большое количество модулей программируемого контроллера S7-300 оснащено набором встроенных интеллектуальных функций, существенно упрощающих эксплуатацию системы управления:
- Мониторинг сбора сигналов (диагностика).
- Мониторинг сигналов аппаратных прерываний.
Диагностика используется для определения работоспособности модулей ввода-вывода дискретных и аналоговых сигналов. Для передачи диагностической информации применяются маскируемые и немаскируемые сообщения:
- Маскируемые диагностические сообщения могут пересылаться только в том случае, если это разрешено соответствующими параметрами настройки.
- Немаскируемые диагностические сообщения, пересылка которых производится независимо от соответствующих параметров настройки.
Диагностика SIEMENS SIMATIC S7 300
Если диагностическое сообщение готово к передаче (например, сообщение об отсутствии напряжения питания датчика), то модуль генерирует диагностическое прерывание (для маскируемых сообщений только в случае определения параметров разрешения передачи). Центральный процессор прерывает выполнение программы пользователя или задач с более низким приоритетом и вызывает соответствующий организационный блок (OB 82). В зависимости от типа модуля диагностические сообщения могут носить различный характер.
| Ошибка | Возможная причина ошибки | |
| Модули ввода-вывода дискретных сигналов | ||
| Отсутствует напряжение питания датчика | Перегрузка в цепи питания датчика. Короткое замыкание на клемму M. | |
| Отсутствует внешнее вспомогательное напряжение Отсутствует внутреннее вспомогательное напряжение | Отсутствует напряжение на клемме L+ фронтального соединителя модуля. Отсутствует напряжение на клемме L+ фронтального соединителя модуля. Перегорел внутренний предохранитель модуля. Перегорел внутренний предохранитель модуля. | |
| Перегорание предохранителя Ошибочный параметр Срабатывание сторожевого таймера | В модуль передан один или несколько ошибочных параметров настройки. Периодическое воздействие сильных электромагнитных полей. Неисправность модуля. | |
| Отказ EPROM | Периодическое воздействие сильных электромагнитных полей. Неисправность модуля | |
| Отказ RAM | Периодическое воздействие сильных электромагнитных полей. Неисправность модуля. | |
| Потеря аппаратного прерывания | Сигналы прерывания следуют с такой частотой, что центральный процессор не успевает их обрабатывать | |
| Модули ввода аналоговых сигналов | ||
| Отсутствует внешнее напряжение | питания Отсутствует напряжение на клемме L+ фронтального соединителя модуля. | |
| Ошибка конфигурации/ настройки | В модуль загружен один или несколько ошибочных параметров настройки. | |
| Не допустимое значение синфазного сигнала | Разность потенциалов UCM между входами (M-) общей точкой (MANA) слишком высока. | |
| Обрыв цепи | Слишком высокое сопротивление цепи подключения датчика. Обрыв провода между датчиком и модулем. Канал не подключен (разомкнут). | |
| Антипереполнение | Входное напряжение ниже допустимого предела. Возможные причины: в цепях 4…20мА, 1…5В: - неправильная полярность подключения датчика или неправильно выбран предел измерения; для других диапазонов измерения - неправильно выбран предел измерения. | |
| Переполнение | Входная величина превышает верхний допустимый предел измерения. | |
| Модули вывода аналоговых сигналов | ||
| Отсутствует внешнее напряжение питания нагрузки | Отсутствует напряжение на клемме L+ фронтального соединителя модуля. | |
| Ошибка конфигурации/ настройки | В модуль загружен один или несколько ошибочных параметров настройки. | |
| Короткое замыкание на землю | Перегрузка выхода. Короткое замыкание вывода QV на MANA | |
| Обрыв цепи | Слишком высокое сопротивление цепи подключения исполнительного устройства. Обрыв линии между модулем и исполнительным устройством. Канал не подключен (разомкнут). | |
| Отсутствует внешнее напряжение питания нагрузки | Отсутствует напряжение на клемме L+ фронтального соединителя модуля. | |
Скачать руководство пользователя SIEMENS SIMATIC S7 300 manual.PDF
Ремонт контроллера SIEMENS SIMATIC S7 300 в сервисном центре
 Компания «Кернел» предлагает выполнить качественный ремонт контроллера SIEMENS SIMATIC S7 300 в Новочебоксарске в сжатые сроки и по выгодным расценкам. Ремонт контроллера SIEMENS SIMATIC S7 300 значительно сэкономит бюджет, цена вопроса составит 20% - 40% от стоимости нового блока. Если брать в учет стоимость ПЛК, вы увидите очевидную разницу, которая измеряется в денежном эквиваленте.
Компания «Кернел» предлагает выполнить качественный ремонт контроллера SIEMENS SIMATIC S7 300 в Новочебоксарске в сжатые сроки и по выгодным расценкам. Ремонт контроллера SIEMENS SIMATIC S7 300 значительно сэкономит бюджет, цена вопроса составит 20% - 40% от стоимости нового блока. Если брать в учет стоимость ПЛК, вы увидите очевидную разницу, которая измеряется в денежном эквиваленте.
Именно поэтому наш сервисный центр предлагает такие услуги, как ремонт контроллера SIEMENS SIMATIC S7 300 в Новочебоксарске. Зачем платить больше если ваш контроллер PLC будет работать не хуже нового, а сэкономленные средства можно пустить на развитие производства.
Наши специалисты выполняют не только ремонт контроллеров SIEMENS SIMATIC S7 300, но и ремонт контроллеров различных производителей и типов, таких как:
- Ремонт контроллеров на основе простейших микропроцессоров;
- Ремонт интеллектуальных – программируемых контроллеров;
- Ремонт встраиваемых, электронных контроллеров;
- Ремонт стандартных - типовых контроллеров;
На ряду с контроллерами, специалисты нашего сервисного центра выполняют ремонт модулей SIEMENS SIMATIC S7 300:
- Модули скоростного счета;
- Модули позиционирования с ускоренной подачей рабочего органа;
- Модули позиционирования шаговых двигателей;
- Модули позиционирования серводвигателей;
- Модули позиционирования и управления перемещением;
- Модули обслуживания ультразвуковых датчиков положения;
- Модули обслуживания синхронно-последовательных (SSI) датчиков абсолютного перемещения;
- Модули электронных командоконтроллеров;
- Модули для систем числового программного управления;
- Модули автоматического регулирования.
За два десятилетия существования сервисного центра нашими специалистами было успешно проведено множество сложнейших ремонтов промышленной электроники в том числе и ремонт контроллеров SIEMENS SIMATIC S7 300 с каждым разом поднимая квалификацию наших инженеров.
Заказав ремонт контроллера SIEMENS SIMATIC S7 300 в нашем сервисном центре, вы не только сэкономите приличную сумму в денежном эквиваленте, а также время и нервы. Все что для этого нужно это связаться с нашими менеджерами, оставить заявку на ремонт и доставить неисправный контроллер в сервисный центр.
Программирование SIEMENS SIMATIC S7 300
Конфигурирование и программирование встроенных технологических функций выполняется с помощью опционального программного обеспечения S7-Technology. Это программное обеспечение интегрируется в среду STEP 7 от V5.2 SP1 HF1 и выше. Использоваться как самостоятельный пакет S7-Technology не может.
Пакет содержит диалоговые окна настройки параметров технологических функций, библиотеки PLCopen-совместимых стандартных функциональных блоков, дополнительный инструментарий диагностики систем позиционирования и управления перемещением. Параметры настройки сохраняются в специальном блоке данных.
Программирование SIMATIC S7 300 завершающий этап ремонта контроллера. Сервисный центр Кернел предлагает услуги по программированию контроллеров, как в полном цикле, включая ремонт так и отдельно.
Программирование SIMATIC S7 300, как и других логических контроллеров выполняется на территории сервисного центра с применением оригинального программного обеспечения в сжатые сроки и за разумную цену.
Стоимость программирования контроллера SIMATIC S7 300 в Новочебоксарске вы можете уточнить, связавшись с менеджерами сервисного центра.
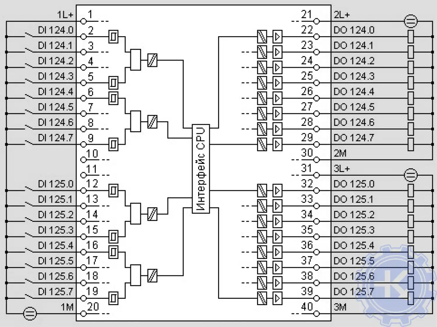
Схемы подключения внешних цепей SIMATIC S7 300
| CPU 312C | CPU 313C-2 PtP и CPU 313C-2 DP | 
|   |   | 
| CPU 313C, CPU 314C-2 PtP, CPU 314C-2 DP | |
|   |   | 
Ремонт контроллера SIEMENS SIMATIC S7 300 порядок проведения
 Мы ответственно подходим к процессу восстановления промышленной электроники и поэтапно проводим все необходимые мероприятия для максимально качественного ремонта контроллера, от визуальной диагностики до полного восстановления.
Мы ответственно подходим к процессу восстановления промышленной электроники и поэтапно проводим все необходимые мероприятия для максимально качественного ремонта контроллера, от визуальной диагностики до полного восстановления.
Этапы ремонта контроллера SIEMENS SIMATIC S7 300:
- Чистка неисправного контроллера (пыль, грязь);
- Диагностика электронных компонентов;
- Диагностика программного обеспечения;
- Изменение параметров программного обеспечения (в случае обнаружения ошибки);
- Ремонт или замена вышедших из строя компонентов;
- Поверка отремонтированного PLC на специализированном стенде.
Повторюсь мы выполняем не только качественный ремонт контроллера SIEMENS SIMATIC S7 300 специалисты сервисного центра восстановят PLC независимо то бренда и года выпуска, а также благодаря накопленному опыту специалисты сервисного центра проведут пемонт контроллера даже без технической документации и электро-схем для данное оборудования.
Ремонт контроллеров SIEMENS SIMATIC S7 300 у нас, преимущества
 Компания «Кернел» производит ремонт контроллеров, и подобной промышленной электроники с 2002 года. За это время инженеры нашего сервисного центра накопили колоссальный опыт в данном направлении.
Компания «Кернел» производит ремонт контроллеров, и подобной промышленной электроники с 2002 года. За это время инженеры нашего сервисного центра накопили колоссальный опыт в данном направлении.
Мы пристально следим за качеством исполнения ремонта, и смело даем гарантию на ремонт контроллера SIEMENS SIMATIC S7 300, а также на запасные части, замененные в процессе ремонта шесть месяцев.
Ремонт контроллера SIEMENS SIMATIC S7 300 в Новочебоксарске производится исключительно на компонентном уровне с применением оригинальных запасных частей и высокотехнологичного новейшего диагностического оборудования.
Специалисты нашей компании выполнят ремонт SIEMENS SIMATIC S7 300 в максимально сжатые сроки, мы выполняем все возможные шаги для качественного восстановления сложной промышленной электроники. Обратившись в наш сервисный центр, вы гарантированно получаете:
- Глубокую диагностику PLC с выявлением неисправных компонентов;
- Замену неисправных компонентов на новые;
- Ремонт программируемого логического контроллера в максимально сжатые сроки;
- Проверку отремонтированного ПЛК на специальном стенде;
- Оригинальные запасные части;
- Установку и программирование;
- Экономию от 40% до 80% от покупки нового аналога
- Гарантию на ремонт контроллера SIEMENS SIMATIC S7 300 и запасные части 6 месяцев;
О контроллере SIEMENS SIMATIC S7 300
 Контроллер SIEMENS SIMATIC S7 300 – это универсальный модульный программируемый логический контроллер. Благодаря модульной конструкции и естественной вентиляции, а также удобству возможности применения структур распределенного ввода и удобство в обслуживании позволяют применять контроллер SIEMENS SIMATIC S7 300 для решения огромного круга задач автоматизации.
Контроллер SIEMENS SIMATIC S7 300 – это универсальный модульный программируемый логический контроллер. Благодаря модульной конструкции и естественной вентиляции, а также удобству возможности применения структур распределенного ввода и удобство в обслуживании позволяют применять контроллер SIEMENS SIMATIC S7 300 для решения огромного круга задач автоматизации.
Контроллер SIEMENS SIMATIC S7 300 охватывает следующие области автоматизации:
- Машин специального назначения.
- Текстильных машин.
- Упаковочных машин.
- Систем общего машиностроения.
- Производства средств автоматизации.
- Производства инструмента.
- Электротехнических и электронных производств и т.д.
Контроллер SIEMENS SIMATIC S7 300 имеет несколько типов центральных процессоров различной производительности и широкий спектр модулей различного назначения с множеством встроенных функций что позволяет ему выполнять максимальную адаптацию оборудования к требованиям решаемых задач. При модернизации и развитии производства контроллер SIEMENS SIMATIC S7 300 может быть легко дополнен необходимым набором модулей.
| Типы центральных процессоров контроллера SIEMENS SIMATIC S7 300 | |
| 6ES7312-5BE03-0AB0 SIEMENS SIMATIC S7 300, CPU 312C | 6ES7313-5BF03-0AB0 SIEMENS SIMATIC S7 300, CPU 313C | 
| 6ES7313-6BF03-0AB0 SIEMENS SIMATIC S7 300, CPU 313C-2 PTP | 6ES7313-6CF03-0AB0 SIEMENS SIMATIC S7 300, CPU 313C-2DP | 
| 6ES7314-6BG03-0AB0 SIEMENS SIMATIC S7 300, CPU 314C-2 PTP | 6ES7314-6CG03-0AB0 SIEMENS SIMATIC S7 300, CPU 314C-2 DP | 
| 6ES7312-1AE13-0AB0 SIEMENS SIMATIC S7 300, CPU 312 | 6ES7314-1AG13-0AB0 SIEMENS SIMATIC S7 300, CPU 314 | 
| 6ES7315-2AG10-0AB0 SIEMENS SIMATIC S7 300, CPU 315-2DP | 6ES7315-2EH13-0AB0 SIEMENS SIMATIC S7 300 CPU 315-2 PN/DP | 
| 6ES7317-2AJ10-0AB0 SIEMENS SIMATIC S7 300, CPU 317-2DP | 6ES7317-2EK13-0AB0 SIEMENS SIMATIC S7 300 CPU 317-2 PN/DP | 
| 6ES7315-6TG10-0AB0 SIEMENS SIMATIC S7 300, CPU 315T-2 DP | 6ES7317-6TJ10-0AB0 SIEMENS SIMATIC S7 300, CPU 317T-2DP CPU 318-2 DP | 
| 6ES7318-3EL00-0AB0 SIEMENS SIMATIC S7 300 CPU 319-3 PN/DP | 6ES7315-6FF01-0AB0 SIEMENS SIMATIC S7 300, CPU 315F | 
| 6ES7315-2FH13-0AB0 SIEMENS SIMATIC S7 300 CPU315F-2 PN/DP | 6ES7317-6FF03-0AB0 SIEMENS SIMATIC S7 300 CPU317F-2 DP | 
| 6ES7317-2FK13-0AB0 SIEMENS SIMATIC S7 300 CPU317F-2 PN/DP | 6ES7318-3FL00-0AB0 SIEMENS SIMATIC S7 300 CPU319F-3 PN/DP | 
| SIPLUS CPU 312C | SIPLUS CPU 313C | 
| SIPLUS CPU 314 | |
Заказать ремонт контроллера SIEMENS SIMATIC S7 300
Если на вашем производстве вышел из строя контроллер, обращайтесь в компанию «Кернел», где специалисты компании в минимальные сроки проведут диагностику и последующий ремонт контроллера SIEMENS SIMATIC S7 300 в Новочебоксарске. Заявку на ремонт PLC вы можете оставить с помощью специальной формы "Оставить заявку". Связаться с нашими менеджерами очень просто.

- Заполнив форму заявки на ремонт (кнопка в правом верхнем углу сайта)
- Позвонив по номеру телефона:
- +7(8482) 79-78-54;
- +7(8482) 55-96-39;
- +7(917) 121-53-01
- Написав на электронную почту: 89171215301@mail.ru
 
     
     
     
     
     
     
     
     
     
    