Ремонт SIMODRIVE 6SN1123 в Новосибирске
Ремонт 6SN1123-1AB00-0AA1
Сервисный центр «Кернел» производит ремонт SIMODRIVE 6SN1123 в Новосибирске с 2002 года. За это время мы накопили колоссальный опыт в том числе опыт в ремонте промышленного оборудования такого известного производителя как SIEMENS. Ремонт подобной промышленной электроники ответственное и сложное занятие, требующие максимальной отдачи, профессионализма и предельно полной материальной базе.
Специалисты нашего сервисного центра уделяют максимальное внимание к качеству исполнения ремонта, в частности такому сложному промышленному оборудованию как силовой блок SIEMENS SIMODRIVE 6SN1123-1AB00-0AA1. Именно поэтому мы смело даем гарантию на все выполненные работы шесть месяцев, также и на замененные в процессе ремонта модуля 6SN1123 запасные части.
Ремонт 6SN1123 в Новосибирске производится исключительно с использованием оригинальных запасных частей, на компонентном уровне с применением высокотехнологичного диагностического оборудования, квалифицированным персоналом с инженерным образованием, имеющим колоссальный опыт в том числе в ремонте 6SN1123-1AB00-0AA1 и подобного промышленного оборудования.
Если на вашем производстве появились проблемы с силовым блоком SIMODRIVE 6SN1123, которые вы не можете решить самостоятельно, мы всегда рады вам помочь. Обращайтесь в сервисный центр «Кернел». Специалисты нашей компании в минимальные сроки проведут глубокую диагностику силового модуля и последующий ремонт SIMODRIVE 6SN1123-1AB00-0AA1. Просто оставьте заказ на ремонт оборудования используя форму на сайте.
Ошибки SIMODRIVE 6SN1123, неисправности
Силовой блок SIMODRIVE 6SN1123 предназначен для управления питания приводов процесс работы заключается в преобразовании переменного тока в постоянный и возврате части энергии обратно в цепь управления, позволяя существенно сэкономить на электроэнергии. Именно по этому силовой блок SIMODRIVE 611 6SN1123 часто называют блоком питания, на самом деле это тоже верно так как на ряду с силовыми клеммами модуль оснащен разъемом для питания управляющих плат.
Постоянно горящий красный светодиод на блоке SIEMENS SIMODRIVE 6SN1123 говорит о его неисправности либо об ошибке модуля. Для избежание повторного выхода из строя силового модуля SIMODRIVE 6SN1123-1AB00-0AA1 требуется найти и устранить причину, повлекшую за собой неисправность блока. Зачастую причина выхода из строя блока питания кроется в приводе именно поэтому перед установкой силового блока следует убедится в том, что привод SIMODRIVE 611 6SN1123 исправен.
Неисправность силового модуля 6SN1123 также может быть вызвана выходом из строя силовых транзисторов (IGBT) что ведет за собой неработоспособность внутреннего сетевого контактора.
Попытки самостоятельно провести ремонт SIMODRIVE 6SN1123-1AB00-0AA1 зачастую приводят к усугублению ситуации и удорожанию ремонта, мы настоятельно рекомендуем не заниматься самостоятельным ремонтом дорогостоящего сложного промышленного оборудования, а доверить подобную работу специалистам сервисного центра. При наличии, специализированного оборудования которое имеется в нашем сервисном центре, опытный специалист за считанные минуты может с точностью до 100% определит причину поломки и в кротчайшие сроки проведет качественный ремонт SIMODRIVE 6SN1123. Сберегите бюджет не занимайтесь самостоятельным ремонтом обращайтесь в сервисный центр.
Светодиодная индикация, ошибки SIMODRIVE 6SN1123
|
Ошибка |
Пояснение |
Описание |
|
1 RED LED Spp error |
Красный светодиод ошибки. |
Повреждение питания электроники ±15 В. |
|
2 RED LED 5V error |
Красный светодиод ошибки. |
Повреждение в питании напряжением 5 В. |
|
3 GREEN LED Ext |
Зеленый светодиод. |
нет внешней деблокировки SIMODRIVE 6SN1123 (клемма 63 и/или клемма 64 отсутствуют). |
|
4 YELLOW LED UNIT |
Желтый светодиод. |
Показывает и предупреждает, что заряжена промежуточная цепь подключения SIMODRIVE. |
|
5 RED LED Netz error code |
Красный светодиод ошибки SIMODRIVE. |
|
|
6 RED LED Uzk, Udc error |
Красный светодиод ошибки. |
Перенапряжение промежуточной цепи постоянного тока. Величина напряжения между шинами P600 и M600 превысила значение 710 / 740 Вольт. Порог срабатывания ошибки выбирается DIP-переключателем S1.1. Описание возможных причин ошибки Simodrive 6SN1123: Выключена рекуперация DIP-переключателем S1.3. (режим рекуперации энергии в сеть имеется только в модулях E/R.) Режим настройки - клемма 112. В режиме настройки рекуперация не работает.
|
Скачать руководство пользователя SIMODRIVE 6SN1123- manual
Схемы SIMODRIVE 6SN1123
|
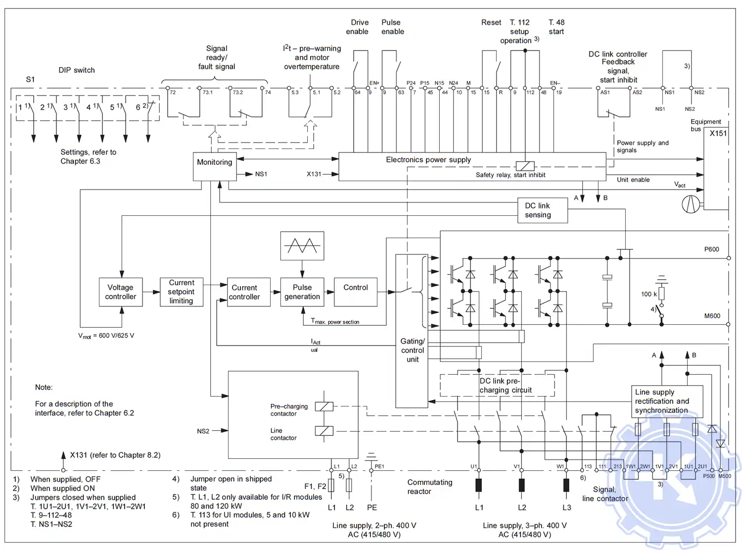
Блок-схема модуля питания от сети (I / R) |
Трехпроводное соединение (стандартная схема) |
|
|
Ремонт SIMODRIVE 611 в сервисном центре, преимущества
Специалисты нашей компании выполнят качественный ремонт SIMODRIVE 6SN1123 в Новосибирске в максимально сжатые сроки, мы выполняем все возможные виды ремонта промышленного оборудования. При восстановлении силового блока SIMODRIVE в нашем сервисном центре вы гарантированно получаете:
- Глубокую диагностику неисправного блока с выявлением неисправных компонентов;
- Замену неисправных компонентов на новые;
- Ремонт SIMODRIVE 6SN1123 в максимально сжатые сроки;
- Проверку отремонтированного блока на специальном стенде;
- Оригинальные запасные части;
- Гарантию на все ремонтные работы 6 месяцев;
- Гарантию на запасные части 6 месяцев.
Компания «Кернел» предлагает квалифицированный ремонт силового блока - SIMODRIVE 6SN1123-1AB00-0AA1 в Новосибирске в сжатые сроки по цене от 20% до 40% от стоимости нового оборудования. За время существования компании, наши инженеры отремонтировали не одну тысячу единиц промышленного оборудования, постоянно повышая свою квалификацию.
К сожалению, от поломок оборудования никто не застрахован, в зависимости от разных факторов, рано или поздно, любое оборудование выходит из строя, силовой модуль Siemens SIMODRIVE 6SN1123-1AB00-0AA1 не исключение. В данной ситуации на помощь придет наша компания, и инженеры, профессионализм которых не ставится под сомнение.
Мы ценим своих клиентов и делаем упор на качество выполненных работ, а также время его выполнения. Ниже представлен не полный список модулей питания – рекуперации SIMODRIVE 6SN1123, ремонтируемые в нашем сервисном центре.
6SN1123-1AB00-0HA1; 6SN1123-1AB00-0CA1; 6SN1123-1FF01-0FA1; 6SN1123-1AB00-0BA1; 6SN1123-1AA00-0BA1; 6SN1123-1AB00-0AA1; 6SN1123-1AA00-0DA1; 6SN1123-1AB00-0CA1; 6SN1123-1AA00-0AA1; 6SN1123-1AA00-0BA1; 6SN1123-1AA00-0HA1; 6SN1123-1AA00-0JA1; 6SN1123-1AA00-0KA1; 6SN1123-1AA01-0FA1; 6SN1123-1AA02-0FA1; 6SN1123-1AB00-0AA1; 6SN1123-1AB00-0BA1; 6SN1123-1AB00-0HA1; 6SN1123-1AA00-0AA0; 6SN1123-1AA00-0AA2; 6SN1123-1AA00-0CA1; 6SN1123-1AA00-0CA0; 6SN1123-1AA00-0CA2; 6SN1123-1AA00-0DA2; 6SN1123-1AA00-0DA1; 6SN1123-1AA00-0DA0; 6SN1123-1AA00-0LA3; 6SN1123-1AA00-0LA2; 6SN1123-1AA00-0LA1; 6SN1123-1AA00-0LA0; 6SN1123-1AA00-0EA1; 6SN1123-1AA00-0EA0; 6SN1123-1AA00-0EA2; 6SN1123-1AA00-0HA0; 6SN1123-1AA00-0HA2; 6SN1123-1AA00-0JA0; 6SN1123-1AA00-0JA2; 6SN1123-1AA00-0KA1; 6SN1123-1AA00-0KA0; 6SN1123-1AA00-0KA2; 6SN1123-1AA01-0FA2; 6SN1123-1AA01-0FA0; 6SN1123-1AA02-0FA2; 6SN1123-1AA02-0FA0; 6SN1123-1AB00-0AA2; 6SN1123-1AB00-0AA0; 6SN1123-1AB00-0CA3; 6SN1123-1AB00-0CA2; 6SN1123-1AB00-0CA1; 6SN1123-1AB00-0CA0; 6SN1123-1AB00-0BA0; 6SN1123-1AB00-0BA2; 6SN1123-1AB00-0HA2; 6SN1123-1AB00-0HA0; 6SN1123-1AB01-0BA1; 6SN1123-1AC01-0AA1; 6SN1123-1AA00-0CA1; 6SN1123-1AB00-0DA1; 6SN1123-1AA01-0JA1; 6SN1123-1AA00-0BA0; 6SN1123-1AA00-0GA0; 6SN1123-1AA00-00A0.
Силовой блок SIMODRIVE 6SN1123 с внутренним теплоотводом, конструкция модулей
Модули линейки приводов SIMODRIVE 611, в зависимости от использования, комплектуются в качестве привода двигателя подачи, привода двигателя главного движения или привода асинхронного двигателя из следующих компонентов: силовой модуль, блок управления, кабель шины привода и при необходимости опционные модули.
Модуль привода — это совокупность составляющих, блока управления и силового модуля, в данном варианте его можно использовать к примеру, как привод подачи либо привод главного движения.
В зависимости от вида теплоотвода выбираются расширенные, согласованные с системой блоки вентиляторов и компоненты воздуховодов.
Благодаря модульной системе возможно реализовывать разнообразные конфигурации приводов. Таким образом, появляется возможность сквозного проектирования для любых установок, от компактного станка до громадной комплексной установки.
Успешная и надежная работа систем приводов достигается в результате использования исключительно оригинальных компонентов системы SIMODRIVE в различных комбинациях, описанных в руководстве пользователя. Для иных комбинаций (возможно совместно с продукцией других изготовителей) потребуется отдельная договорная регламентация.
Купить SIMODRIVE 6SN1123
Мы предлагаем не только выполнить качественный ремонт промышленного оборудования и электроники также у нас вы можете купить SIMODRIVE 6SN1123, на складе нашего сервисного центра в наличии имеются силовые блоки SIMODRIVE 6SN1123, мы предлагаем:
- Купить 6SN1123-1AA00-0EA1
- Купить 6SN1123-1AA00-0BA1
В случае отсутствия оборудования на нашем складе под заказ мы можем поставить вам промышленное оборудование, время ожидания в данном случае составит от 2-ух до 4-ех недель.
Кроме силовых блоков SIMODRIVE 6SN1123 на складе находится около ста позиций промышленного оборудования различных производителей и года выпуска, некоторые из них давно сняты с производства и купить их у производителя просто невозможно.
В случае выхода из строя промышленного оборудования снятого с производства и невозможности или нежелании его ремонта вы можете поискать его в нашем каталоге и при желании купить. Все промышленное оборудование, выставленное на продажу на 100% рабочее, к том уже вместе с покупкой вы получаете 6-и месячную гарантию на приобретенное оборудование.
Оставить заявку на ремонт SIMODRIVE 6SN1123
Оставить заявку на ремонт можно с помощью специальной формы, которая вызывается нажатием одноименной кнопки в верхней части страницы. Все вопросы, связанные с ремонтом SIMODRIVE 6SN1123-1AB00-0AA1 в Новосибирске, вы можете задать нашим менеджерам. Связаться с ними можно несколькими способами:

- Заполнив форму заявки на ремонт (кнопка в правом верхнем углу сайта)
- Позвонив по номеру телефона:
- +7(8482) 79-78-54;
- +7(8482) 55-96-39;
- +7(917) 121-53-01
- Написав на электронную почту: 89171215301@mail.ru


