Ошибки и ремонт частотных преобразователей Berges в Петропавловск-Камчатском
Ремонт частотных преобразователей Berges

Ремонт частотного преобразователя Berges, впрочем, как и ремонт частотников других производителей имеет ряд особенностей в силу своего конструктива. Частотные преобразователи, точнее их начинка делятся на две части:
- Аппаратная часть,
- Программная часть.
Частотники данного производителя не являются исключением из правил, именно поэтому ремонт частотного преобразователя Berges имеет точно такой же ряд особенностей, как и у других преобразователей.
Диагностировать ту или иную неисправность помогают коды ошибок частотного преобразователя, которые отображаются на небольшом дисплее, расположенном на лицевой панели привода. Коды ошибок частотного преобразователя Berges в зависимости от серии описаны в инструкции, пользователя которые можно скачать с нашего сайта.
Ремонт частотных преобразователей Berges в Петропавловск-Камчатском, как и любых других преобразователей, выпущенных под другими брендами, всегда начинается с аппаратной части, после успешного ремонта аппаратной части наступает очередь программной.
Настройка частотного преобразователя Berges также прописана в инструкции завода производителя, для каждой серии частотных преобразователей настройка будет индивидуальной, так как каждая линейка преобразователей решает свои собственные задачи, этим обусловливается широкая номенклатура данного промышленного оборудования.
Ремонт частотных преобразователей Berges в сервисном центре

Компания «Кернел» производитремонт частотных преобразователей Berges в Петропавловск-Камчатском с 2002 года. За время существования компании наши сотрудники накопили колоссальный опыт в ремонте преобразователей частоты такого известного производителя как Berges. Ремонт подобного промышленного оборудования ответственное и сложное занятие, требующие максимальной отдачи, профессионализма и максимально полной материальной базе.
Специалисты нашего сервисного центра максимальное внимание уделяют качеству исполнения ремонта, программирования и настройке промышленных преобразователей частоты, не зависимо от производителя данного промышленного оборудования. Именно поэтому мы смело даем гарантию на все выполненные работы шесть месяцев.
Ремонт частотных преобразователей Berges в Петропавловск-Камчатском производится исключительно с использованием оригинальных запасных частей, на компонентном уровне с применением высокотехнологичного диагностического оборудования, квалифицированным персоналом с инженерным образованием.
В случае выхода из строя преобразователя частоты на вашем производстве либо появились проблемы с приводом, которые вы не можете решить самостоятельно, мы всегда рады вам помочь. Специалисты нашего сервисного центра в минимальные сроки проведут глубокую диагностику с последующим ремонтом частотного преобразователя Berges.
Инженеры сервисного центра выполняют качественный ремонт частотных преобразователей Berges всех серий, когда-либо выпускаемых компанией. Ниже приведен далеко не полный спискок частотников Berges ремонтируемых силами специалистов сервисного центра "Кернел".
| Производитель | Тип частотника |
|---|---|
| BERGES | I-39025; D-51709; ACM-D2; ACM1K40022H; ACM-A-1; ACM-A-0.75; ACM-A-5.5; ACM3K40110H; ACM-D2-15.0; ACM-S2-3.0; ACM-D2-A-2.2; ACM-D2-3.0; ACM1K40030H; ACM-D2-1.1; ACM1K2S022H; ACW 2.2; ACM2K40055H; ACM-D2-0.55; ACM-D2-0.37; ACM-D2A-0.75; ACI-3.0; ACI-5.5; ACI-1.5; ACI-4.0; ACI/P-3.0; ACI-2.2; ACI-15; ACP3600-7B; ACP3604-0B; ACP6007-5CSLV; ACP6002-2CSLV; ACP3301-5B; ACP6004-0C; ACP-3302-2; ACP3601-5B; ACP-3607-5B; ACP6005-5C; ACP3602-2B; ACP6011-0CSLV; ACP3300-7B; ACP6037-0CSLV; ACP-3301-5; ACP3300-5B; ACP3300-3B; ACP6001-5C; ACP6015-0C; ACP6002-2C; ACP6005-5CSLV; ACP6015-0CSLV; WF2K4004-0D1; WF2K4007-5D1; WF2C4007-5D |
В данной таблице присутствуют далеко не все частотные преобразователи Berges ремонт которых предлагает наш сервисный центр.
Ошибки частотного преобразователя Berges ACM-D2 и ACM-S2

Частотные преобразователи Berges являются надежным оборудованием для управления электродвигателями, однако даже они могут выдавать ошибки, требующие профессионального вмешательства. Сервисный центр “Кернел” предлагает профессиональную диагностику и ремонт данных устройств.
Для простоты общения со столь сложной электроникой все частотные преобразователи оснащены небольшими дисплеями с помощью которых выводятся информационные сообщения с кодами ошибок, расшифровав которые можно сразу же узнать причину ее возникновения. Если учесть распространенность данной промышленной электроники, то появляется острая нужда в расшифровке кодов ошибок частотных преобразователей.
В этой статье мы рассмотрим одного из самых известных производителей промышленной электроники имеющему уважение во всем мире, Berges.
Существует несколько видов ошибок, некоторые из них можно устранить автоматически, а некоторые возможно исправить только, обратившись в специализированный сервисный центр.
Предупреждения
| Сообщение | Описание |
|---|---|
| undervol | The mains has been reached the undervoltage limit. |
| overload | The output current has almost reached the type-specific limit. |
| HYST | The set threshold for the output current has been exceeded. The output frequency is reduced step-by-step until the output current falls below the threshold again (see TAB1, SUB IMOT, function S-INT =4). |
| RAMP | The set threshold for the output current has been reached. The acceleration ramp is stopped (see TAB1, SUB IMOT, function S-INT = 3). |
| br_limit | The dynamic braking power is near the programmed limit (configurable by TAB2, func. BrLim). This message can be signalized by the relais or the open-collector outputs. (TAB3, function REL, OC1, OC2). |
| MPtFault | Motorpotentiometer function: it was enabled a preset frequency with a motor rotation sense different of the actual. The output frequency remains unchanged (TAB1 function JOG = MPt). (Only with Softw. D2A-STD). |
| overtemp | The inverter (heat sink) temperature reaches the limit value. (Only with Softw. D2A-STD). |
| ot_motor | The motor temperature reaches the limit value. (Only with Softw. D2A-STD). |
Сообщения об ошибках в работе
| Сообщение | Описание | Примечание |
|---|---|---|
| UNDERVOL | Undervoltage has been detected in the link. | *1) |
| OVERVOLT | The voltage in the link has reached the overvoltage value. | *2) |
| OVERLOAD | The output current has exceeded the type-specific limit value. | *2) |
| OVERTEMP | The inverter (heat sink) temperature is too high. | *5) |
| ILIMIT | The set threshold for the output current has been exceeded (see TAB1, SUBIMOT, S-INT = 1 or 2). | *3) |
| I < 4mA | The speed reference line is interrupted or the setpoint is less than 4 mA. | *1) |
| BR_LIMIT | The dynamic braking power has reached its programmed limit. | *3) |
| OT_MOTOR | The motor temperature has been reaching the limit value for more than 7 seconds. (Only with Softw. D2A-STD). | *4) |
*1) Инвертор остановлен. Автоматический сброс ошибки, как только напряжение звена поднимется выше значения пониженного напряжения.
*2) Инвертор остановлен. Если активирована функция AUTORESET (см. TAB3, SUB XPAR, функция SW3), сброс возможен путем настройки или входа START/STOP, или входа ENABLE, или путем установки уставки на ноль.
*3) Двигатель замедляется с помощью темпа замедления, и преобразователь останавливается. Сброс ошибки можно выполнить, как описано в пункте 2.
*4) Двигатель замедляется с помощью темпа замедления, и преобразователь останавливается до тех пор, пока температура не опустится ниже предельного значения. Если активирована функция AUTORESET (см. TAB3, SUB XPAR, функция SW3), сброс возможен путем настройки или входа START/STOP, или входа ENABLE, или путем установки уставки на ноль.
*5) Поведение с софтом. D2A-STD: см. 4) Поведение с Softw. D2A-1300: см. 2)
Сообщения об аппаратных ошибках
Ошибка, обнаруженная на этапе самодиагностики или во время работы, отображается на дисплее сообщением "ERROR" и номером ошибки. Преобразователь останавливается с помощью защитных
устройствами безопасности.
Чтобы сбросить сообщение об ошибке, отключите питание от сети и снова включите. Если ошибка не устраняется, отправьте прибор в сервисную службу для проверки.
| Код ошибки | Причина | Исправление |
|---|---|---|
| ERROR 1 | Data error | Reprogram parameters. |
| ERROR 2 | Hard- and software is not compatible |
Have unit checked by technical after-sales service. |
| ERROR 3 | CPU error | |
| ERROR 4 | Keypad error | |
| ERROR 5 | Error in ROM | |
| ERROR 6 | Watchdog error | |
| ERROR 7 | Clock error | |
| ERROR 8 | Program error | |
| ERROR 9 | Output stage error |
Рекомендации по предотвращению ошибок
- Для минимизации возникновения ошибок частотного преобразователя Berges рекомендуется:
- Регулярно проводить техническое обслуживание устройства
- Контролировать условия окружающей среды
- Следить за состоянием вентиляционной системы
- Проверять кабельные соединения
- Своевременно реагировать на предупреждающие сигналы
При возникновении любой из перечисленных ошибок с которой вы не можете справиться самостоятельно важно своевременно обратиться к квалифицированным специалистам. Сервисный центр “Кернел” предоставляет полный спектр услуг по диагностике, ремонту и обслуживанию частотных преобразователей Berges. Наши специалисты обладают необходимым опытом и оборудованием для быстрого устранения любых неисправностей.
Для записи на диагностику или получения консультации звоните по телефону или оставьте заявку на сайте. Мы гарантируем качественный ремонт и профессиональную поддержку.
Полное описание ошибок, предупреждений и блокировок с рекомендациями по их устранению вы найдете в документации ниже.
Документация
|
Руководство по эксплуатации преобразователя частоты Berges серии ACM-D2 и ACM-S2 |
Скачать PDF |
|
Руководство по эксплуатации преобразователей частоты Berges серии ACP6000 |
Скачать PDF |
|
Руководство по эксплуатации преобразователя частоты Berges серии ACP Micro 3000 |
Скачать PDF |
|
Руководство по эксплуатации преобразователя частоты Berges серии COMPACT |
Скачать PDF |
|
Руководство по эксплуатации преобразователя частоты Berges серии WF2 |
Скачать PDF |
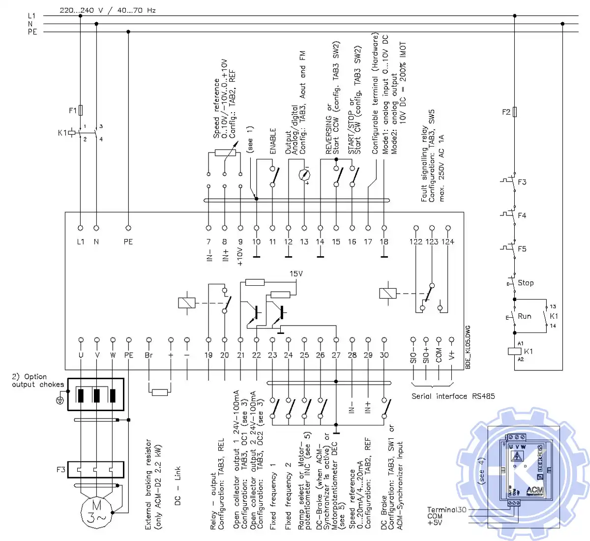
Схемы подключения частотных преобразователей Berges

Для максимально долгой и безаворийной работы частотных преобразователей важно неукоснительно соблюдать все, что прописано в документации.
Обязательно должны соблюдаться все рекомендации, изложенные в инструкции по монтажу и эксплуатации, в особенности требования по технике безопасности!
Преобразователь частоты разработан таким образом, что он пытается избежать аварийных отключений путем ограничения момента, перенапряжения и т.п.
Появление сбоев при вводе в эксплуатацию или вскоре после него обычно свидетельствует о неверной настройке или неправильном подключении.
Возникновение неисправностей или проблем после длительного режима бесперебойной работы обычно происходит по причине изменений в системе или ее окружении (например, в результате износа).
Дополнительную информацию по частотным преобразователям Berges можно посмотреть и скачать на офсайте.
Настройка частотного преобразователя Berges, программирование

Настройка частотных преобразователей Berges (программирование) происходит в рамках установленных производителем правил, существует общий алгоритм по программированию (настройке частотных преобразователей), относящийся ко всем производителям данного промышленного оборудования. Ниже представлена пошаговая инструкция по настройке частотных преобразователей Berges.
- Выбор режима управления приводом Berges (управление по показанию датчиков, дистанционное управление, дистанционное управление).
- В случае использования отдельного (выносного) монитора, настраивается вывод на него технической информации.
- Далее определяем конфигурацию подключения серводвигателя. На данной стадии задаются такие параметры как- возможность применения обратной связи либо без ее применения, а в память блока заносятся данные по: величине крутящего момента, мощности потребителей, номинальное значения частоты, напряжение, ток и скорости вращения ротора.

- Программируется минимально допустимая величина напряжения и частоты, а также время ускорения ротора от ноля до номинального значения.
- И в завершении, в программу управления частотным преобразователем Berges вносятся функциональные данные со значениями отдельных клемм и особенностями сигналов. Отмечаются действия оборудования, выполняющиеся автоматически при отсутствии информации поступающей в оперативном режиме с датчика.
В некоторых частотниках существует пункт наличия/отсутствия фильтра в цепи питания двигателя. Этот пункт отвечает за подключение различных видов нагрузок, в том случае, когда возможно выбрать нормальное или инверсное изменение частоты при повышении уровня сигнала обратной связи.
Все настройки частотных преобразователей Berges приведены в технической документации к частотному преобразователю который можно скачать на свой компьютер, распечатать или просто открыть как на нашем так и на официальном сайте Berges.
Оставить заявку на ремонт частотных преобразователей Berges
У вас вышел из строя частотник? Вам необходим срочный ремонт частотных преобразователей Berges в Петропавловск-Камчатском? Оставьте заявку на ремонт нажав на одноименную кнопку в верхней правой части экрана либо свяжитесь с нашими менеджерами. Связаться с ними можно несколькими способами:

- Заполнив форму заявки на ремонт (кнопка в правом верхнем углу сайта)
- Позвонив по номеру телефона:
- +7(8482) 79-78-54;
- +7(8482) 55-96-39;
- +7(917) 121-53-01
- Написав на электронную почту: 89171215301@mail.ru
Далеко не полный список производителей промышленной электроники и оборудования, ремонтируемой в нашей компании.
Похожие статьи
-
Другие услуги по ремонту промышленной эелектроники и оборудования
- Ремонт частотных преобразователей в Петропавловск-Камчатском
- Промышленный привод, ремонт в Петропавловск-Камчатском
- Ремонт частотных преобразователей Веспер в Петропавловск-Камчатском
- Ремонт частотного преобразователя Danfoss в Петропавловск-Камчатском
- Ремонт частотного преобразователя Lenze в Петропавловск-Камчатском
- Ремонт частотных преобразователей ABB в Петропавловск-Камчатском
- Ремонт частотных преобразователей Siemens в Петропавловск-Камчатском
- Ремонт частотного преобразователя INVT в Петропавловск-Камчатском
- Ремонт частотного преобразователя Schneider Altivar в Петропавловск-Камчатском
- Частотный преобразователь frenic, ремонт частотников FUJI в Петропавловск-Камчатском
- Ремонт частотного преобразователя Delta в Петропавловск-Камчатском
- Частотный преобразователь VACON, ремонт частотника в Петропавловск-Камчатском
- Ремонт частотных преобразователей KEB в Петропавловск-Камчатском
- Ремонт частотного преобразователя Omron в Петропавловск-Камчатском
- Частотный преобразователь Mitsubishi Electric, ремонт привода в Петропавловск-Камчатском
- Ремонт частотников Emerson - Control techniques, Unidrive - Commander в Петропавловск-Камчатском
- Ремонт частотного преобразователя Yaskawa в Петропавловск-Камчатском
- Allen Bradley преобразователи частоты, ремонт Allen Bradley в Петропавловск-Камчатском
- Ремонт частотника Baumuller в Петропавловск-Камчатском
- Преобразователи частоты Bosch Rexroth, ремонт Bosch Rexroth в Петропавловск-Камчатском
- Ремонт Rexroth Indramat в Петропавловск-Камчатском
- Fanuc, ремонт привода в Петропавловск-Камчатском
- Ошибки и ремонт частотных преобразователей Emotron в Петропавловск-Камчатском
- Ремонт частотного преобразователя KONE в Петропавловск-Камчатском, ошибки
- Ошибки и ремонт частотного преобразователя STOBER POSIDRIVE в Петропавловск-Камчатском
- Ошибки и ремонт частотного преобразователя ESQ в Петропавловск-Камчатском
- Ошибки и ремонт частотного преобразователя INNOVERT в Петропавловск-Камчатском
- Ошибки и ремонт частотных преобразователей BONFIGLIOLI в Петропавловск-Камчатском
- Ошибки и ремонт частотных преобразователей WILO в Петропавловск-Камчатском
- Ремонт частотных преобразователей SIRIO и NETTUNO в Петропавловск-Камчатском, ошибки
- Ошибки и ремонт частотных преобразователей HYUNDAI в Петропавловск-Камчатском
- Ошибки и ремонт частотных преобразователей IDS-DRIVE в Петропавловск-Камчатском
- Ошибки и ремонт частотных преобразователей LG LS в Петропавловск-Камчатском
- Ошибки и ремонт частотных преобразователей HYDROVAR в Петропавловск-Камчатском
- Ошибки и ремонт частотных преобразователей SEW-EURODRIVE в Петропавловск-Камчатском
- Ошибки и ремонт частотных преобразователей ОВЕН в Петропавловск-Камчатском
- Ошибки и ремонт частотных преобразователей HITACHI в Петропавловск-Камчатском
- Ошибки и ремонт частотных преобразователей TOSHIBA в Петропавловск-Камчатском
- Ошибки и ремонт частотных преобразователей IEK в Петропавловск-Камчатском
- Ошибки и ремонт частотных преобразователей PROSTAR в Петропавловск-Камчатском
- Ошибки и ремонт частотных преобразователей GEFRAN в Петропавловск-Камчатском
- Ошибки и ремонт частотного преобразователя OTIS в Петропавловск-Камчатском
- Ошибки и ремонт частотного преобразователя SANTERNO в Петропавловск-Камчатском
- Ремонт и программирование частотных преобразователей ARKEL A-DRIVE в Петропавловск-Камчатском
- Ремонт и программирование частотных преобразователей SIEI ARTDrive в Петропавловск-Камчатском
- Ошибки и ремонт частотных преобразователей Schindler Biodyn в Петропавловск-Камчатском
- Ошибки и ремонт частотных преобразователей Sigma LG в Петропавловск-Камчатском
- Ошибки и ремонт частотных преобразователей THYSSEN в Петропавловск-Камчатском
- Ошибки и ремонт частотных преобразователей Macpuarsa в Петропавловск-Камчатском
- Ошибки и ремонт частотных преобразователей Canny в Петропавловск-Камчатском
- Ошибки и ремонт частотных преобразователей ERMAN в Петропавловск-Камчатском
- Ошибки и ремонт частотных преобразователей EKF в Петропавловск-Камчатском
- Ошибки и ремонт частотных преобразователей INOVANCE в Петропавловск-Камчатском
- Ошибки и ремонт частотных преобразователей KUKA в Петропавловск-Камчатском
- Ошибки и ремонт частотных преобразователей DEMAG в Петропавловск-Камчатском
- Ошибки и ремонт частотных преобразователей EuraDrives в Петропавловск-Камчатском
- Ошибки и ремонт частотных преобразователей Parker в Петропавловск-Камчатском
- Ошибки и ремонт частотных преобразователей NIDEC в Петропавловск-Камчатском
- Ошибки и ремонт частотных преобразователей NORD в Петропавловск-Камчатском
- Ошибки и ремонт частотных преобразователей Panasonic в Петропавловск-Камчатском
- Ошибки и ремонт частотных преобразователей Eurotherm в Петропавловск-Камчатском
- Ошибки и ремонт частотных преобразователей Berges в Петропавловск-Камчатском
- Ошибки и ремонт частотных преобразователей Hormann в Петропавловск-Камчатском
- Все услуги по ремонту промышленной электроники и оборудования

Скачать PDF


