Ремонт частотного преобразователя Danfoss в Пскенте
Ремонт частотников Danfoss, тонкости
Ремонт частотного преобразователя Danfoss, впрочем, как и ремонт частотников других производителей имеет ряд особенностей в силу своего конструктива. Частотные преобразователи, точнее их начинка делятся на две части:
- Аппаратная часть,
- Программная часть.
Преобразователи частоты данного производителя не являются исключением из правил, именно поэтому ремонт частотников Danfoss имеет точно такой же ряд особенностей, как и у других преобразователей.
Диагностировать ту или иную неисправность помогают коды ошибок частотного преобразователя, которые отображаются на небольшом дисплее, расположенном на лицевой панели привода. Коды ошибок частотного преобразователя Danfoss мы уже описывали на нашем сайте в статье- «Частотный преобразователь Danfoss, ошибки частотника».
Ремонт частотных преобразователей Danfoss всегда начинается с аппаратной части, после успешного ремонта аппаратной части наступает очередь программной.
Настройка частотного преобразователя Danfoss прописана в инструкции завода производителя, для каждой серии частотных преобразователей настройка будет индивидуальной, так как каждая линейка преобразователей решает свои собственные задачи, этим обусловливается широкая номенклатура данного промышленного оборудования.
Настройка частотного преобразователя Danfoss
Настройка частотных преобразователей Danfoss (программирование) происходит в рамках установленных производителем правил, существует общий алгоритм по программированию и параметрированию одним словом настройке частотных преобразователей, относящийся ко всем производителям данного промышленного оборудования.
- Выбор режима управления частотником (управление по показанию датчиков, дистанционное управление, дистанционное управление).
- В случае использования отдельного (выносного) монитора, настраивается вывод на него технической информации.
- Далее определяем конфигурацию подключения серводвигателя. На данной стадии задаются такие параметры как- возможность применения обратной связи либо без ее применения, а в память блока заносятся данные по: величине крутящего момента, мощности потребителей, номинальное значения частоты, напряжение, ток и скорости вращения ротора.
- Программируется минимально допустимая величина напряжения и частоты, а также время ускорения ротора от ноля до номинального значения.
- И в завершении, в программу управления частотным преобразователем Danfoss вносятся функциональные данные со значениями отдельных клемм и особенностями сигналов. Отмечаются действия оборудования, выполняющиеся автоматически при отсутствии информации поступающей в оперативном режиме с датчика.
В некоторых частотниках существует пункт наличия/отсутствия фильтра в цепи питания двигателя. Этот пункт отвечает за подключение различных видов нагрузок, в том случае, когда возможно выбрать нормальное или инверсное изменение частоты при повышении уровня сигнала обратной связи. Все настройки частотных преобразователей Danfoss приведены в технической документации ниже.
Частотный преобразователь Danfoss инструкции, скачать
|
Руководство по эксплуатации частотного преобразователя Danfoss VLT 5000 (инструкция) |
|
|
Руководство по эксплуатации частотного преобразователя Danfoss VLT AQUA Drive FC 202 Low Harmonic Drive (инструкция) |
|
|
Руководство по эксплуатации частотного преобразователя Danfoss VLT AQUA Drive FC 202 (инструкция) |
|
|
Руководство по эксплуатации частотного преобразователя Danfoss VLT AQUA FC 202 12-Pulse High Power (инструкция) |
|
|
Руководство по эксплуатации частотного преобразователя Danfoss VLT AutomationDrive D-Frame (инструкция) |
|
|
Руководство по эксплуатации частотного преобразователя Danfoss VLT AutomationDrive FC 300 (инструкция) |
|
|
Руководство по эксплуатации частотного преобразователя Danfoss VLT AutomationDrive FC 302 (инструкция) |
|
|
Руководство по эксплуатации частотного преобразователя Danfoss VLT AutomationDrive FC 360 (инструкция) |
|
|
Руководство по эксплуатации частотного преобразователя Danfoss VLT FC 103 Low Harmonic Drive (инструкция) |
|
|
Руководство по эксплуатации частотного преобразователя Danfoss VLT FC 302 Low Harmonic Drive (инструкция) |
|
|
Руководство по эксплуатации частотного преобразователя Danfoss VLT HVAC Basic Drive FC 101 (инструкция) |
|
|
Руководство по эксплуатации частотного преобразователя Danfoss VLT HVAC Drive FC 102 D-frame (инструкция) |
|
|
Руководство по эксплуатации частотного преобразователя Danfoss VLT HVAC Drive FC 102 Low Harmonic Drive (инструкция) |
|
|
Руководство по эксплуатации частотного преобразователя Danfoss VLT HVAC Drive FC 102 (инструкция) |
|
|
Руководство по эксплуатации частотного преобразователя Danfoss VLT Lift Drive LD 302 (инструкция) |
|
|
Руководство по эксплуатации частотного преобразователя Danfoss VLT Micro Drive FC 51 (инструкция) |
|
|
Руководство по эксплуатации частотного преобразователя Danfoss VLT Midi Drive FC 280 (инструкция) |
|
|
Руководство по эксплуатации частотного преобразователя Danfoss VLT Motion Control MCO 305 (инструкция) |
|
|
Руководство по эксплуатации частотного преобразователя Danfoss VLT Refrigeration Drive FC 103 (инструкция) |
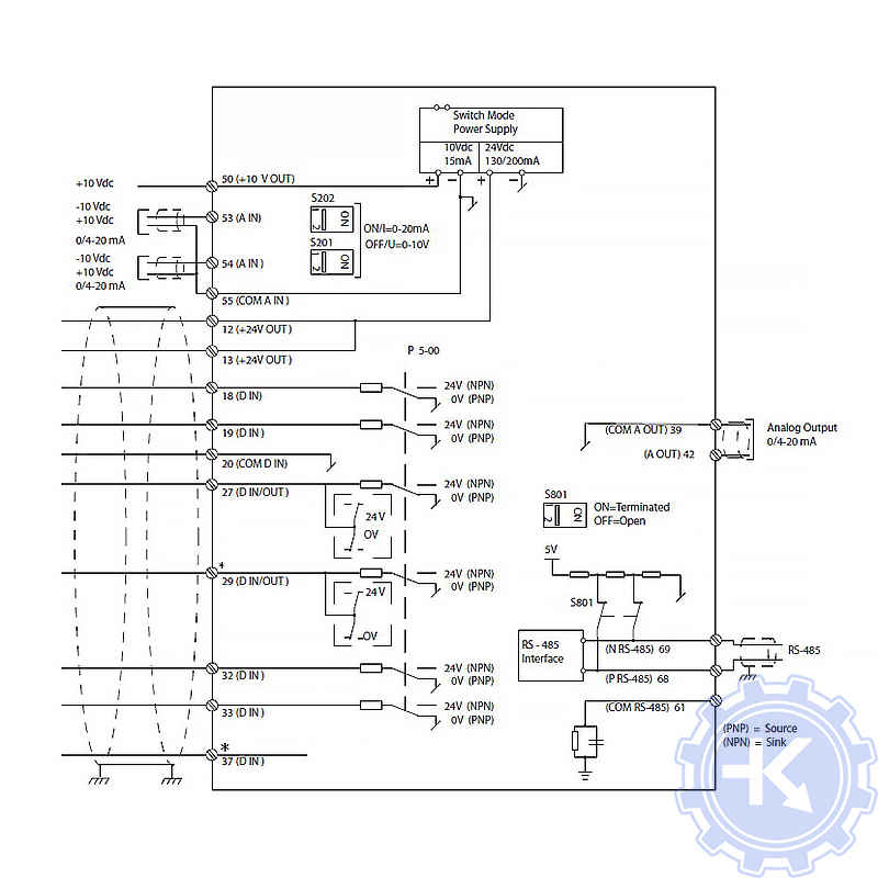
Схема частотного преобразователя Danfoss
Схемы подключений частотных преобразователей Danfoss могут отличатся друг от друга даже если эти преобразователи относятся ко одной линейке. Схема подключения преобразователя зависит от потребляемой частотным преобразователем нагрузки.
Ниже приведена схема подключения частотного преобразователя Danfoss:
Ремонт частотных преобразователей Danfoss в сервисном центре
Компания «Кернел» производит ремонт частотных преобразователей Danfoss в Пскенте с 2002 года. За время существования компании наши сотрудники накопили колоссальный опыт в ремонте преобразователей частоты такого известного производителя как Danfoss.
Ремонт преобразователей частоты Danfoss ответственное и сложное занятие, требующие максимальной отдачи, профессионализма и максимально полной материальной базе.
Специалисты нашего сервисного центра максимальное внимание уделяют качеству исполнения ремонта, программирования и настройке промышленных преобразователей частоты, не зависимо от производителя данного промышленного оборудования. Именно поэтому мы смело даем гарантию на ремонт преобразователей частоты Danfoss и на запасные части замененные в процессе ремонта шесть месяцев.
Ремонт частотных преобразователей Danfoss в Пскенте производится исключительно с использованием оригинальных запасных частей, на компонентном уровне с применением высокотехнологичного оборудования, квалифицированным персоналом с инженерным образованием.
В случае выхода из строя преобразователя частоты на вашем производстве либо появились проблемы с приводом, которые вы не можете решить самостоятельно, мы всегда рады вам помочь. Специалисты нашего сервисного центра в минимальные сроки проведут глубокую диагностику с последующим ремонтом частотного преобразователя Danfoss. Оставьте заказ на ремонт промышленного оборудования используя форму на сайте, либо свяжетесь с нашими менеджерами, сделать это очень просто.
Оставить заявку на ремонт преобразователей частоты Danfoss
У вас остались вопросы, связанные с ремонтом частотных преобразователей Danfoss? Оставьте заявку на профессиональный ремонт частотных преобразователей Danfoss в Пскенте связавшись с нашими менеджерами. Связаться с ними можно несколькими способами:

- Заполнив форму заявки на ремонт (кнопка в правом верхнем углу сайта)
- Позвонив по номеру телефона:
- +7(8482) 79-78-54;
- +7(8482) 55-96-39;
- +7(917) 121-53-01
- Написав на электронную почту: 89171215301@mail.ru



