Плавный пуск, устройство плавного пуска.
Устройство плавного пуска выполняет роль защиты электродвигателей, как электрической его части, так и механической. Это достигается за счет плавного нарастания тока на обмотках электродвигателя, что позволяет уменьшить пусковые значения тока в два раза избежав перегрева обмоток и посадки напряжения в сети. Также благодаря плавному пуску нарастание крутящего момента при запуске электродвигателя происходит постепенно, продлевая жизнь механической части двигателя.
Устройства плавного пуска нашли широкое применение в промышленности. Самые распространенные УПП в России:
- Устройство плавного пуска abb;
- Устройство плавного пуска danfoss;
- Устройство плавного пуска siemens;
- Устройство плавного пуска schneider;
- Устройство плавного пуска altistart.
Принцип работы УПП
Одной из главных проблем асинхронных моторов это то, что момент силы, которую развивает двигатель прямо пропорционален квадрату напряжения, приложенного к нему, именно поэтому при пуске и остановке двигателя создаются резкие рывки ротора, а
это создает большой индуктивный ток, вызывающий перегрев обмоток двигателя.
Устройства плавного пуска двигателя бывают трех видов это:
- Электронные УПП;
- Электромеханические УПП;
- Механические УПП.
УПП позволяет плавно повышать напряжение или ток от минимального (начального) до максимального значения, плавно разгоняя электродвигатель
Устройства плавного пуска делятся на две категории, это амплитудные УПП и фазовые УПП. Они отличаются пусковыми режимами. Амплитудные применяются на слабонагруженном оборудовании, а фазные – запускают электромоторы с тяжёлым пусковым режимом при этом они оснащены встроенным энергосберегающим режимом и способны корректировать коэффициент мощности.
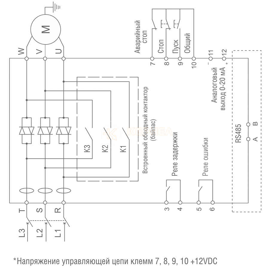
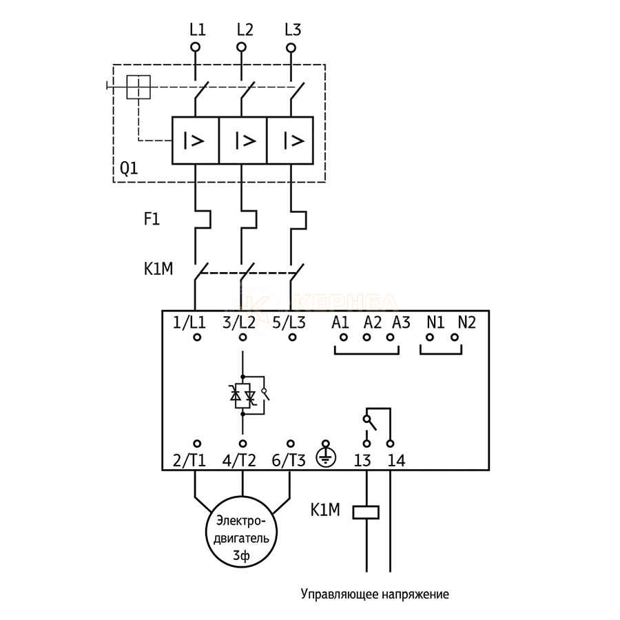
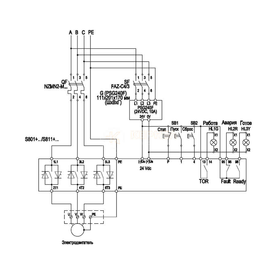
| Простейшая схема подключения УПП | Схема подключения УПП Instart |
|
|
| Схема подключения УПП Овен | Схема подключения УПП Eaton |
|
|
Применение устройств плавного пуска
Устройства плавного пуска нашли широкое применение в промышленном оборудовании и на производствах с использованием электродвигателей большой мощности, к примеру:
- Машиностроение;
- Металлургия;
- Строительство;
- Деревообработка;
- Добыча и переработка полезных ископаемых.
Конечное список промышленных направлений где успешно применяется устройство плавного пуска далеко не полный, его можно продолжать достаточно долго.
Назначение и преимущества УПП
Основное назначение плавного пуска — это защита электродвигателя как электрической, так и механической его части, что способствует как описывалось выше, стабилизации питающей цепи. За счет плавного пуска и торможения двигателя достигается снижение пусковых токов к том уже согласовывается крутящий момент и момент нагрузки.
Главное преимущество плавного пуска — это цена которая разительно отличается от стоимости частотного преобразователя. УПП значительно продлевает безаварийный режим работы двигателя и способен максимально быстро срабатывать в аварийной ситуации. И в дополнение, плавный пуск экономит электроэнергию.
Сервисный центр «Кернел» предлагает выполнить качественный ремонт промышленной электроники и оборудования в том числе ремонт устройств плавного пуска абсолютно любого производителя в сжатые сроки и за разумные деньги.
Где заказать ремонт УПП
Если вы заинтересованы в ремонте устройства плавного пуска, оставьте заявку на ремонт нашим менеджерам. Связаться с ними можно несколькими способами:

- Заполнив форму заявки на ремонт (кнопка в правом верхнем углу сайта)
- Позвонив по номеру телефона:
- +7(8482) 79-78-54;
- +7(8482) 55-96-39;
- +7(917) 121-53-01
- Написав на электронную почту: 89171215301@mail.ru




