Шаговый двигатель (Step motor)

Принцип раоты шагового двигателяДвижение ротора в шаговом двигателе происходит за счет последовательной подачи напряжения на обмотки двигателя, после подачи напряжения на одну из обмоток, ротор фиксируется в определенном положении, а поочередная подача заставляет ротор делать так называемые шаги, именно этот факт определил название - шаговый двигатель (Step motor).

В 30-е годы прошлого столетия появились первые шаговые двигатели и сразу же получили широкое применение во всех отраслях промышленности. Сегодняшние шаговые двигатели претерпли значительные изменения, но принцип работы остался прежним.

Производители шаговых двигателей

Ремонт шагового двигателяПо прошествии практически ста лет шаговый двигатель остается популярным промышленным оборудованием, а его производством занимаются многие известные производители, такие как:

  • Autonics;
  • Ametek;
  • Beckhoff;
  • CMZ;
  • Delta;
  • OMS;
  • SanyoDenki;
  • JVL.

И многие другие производители промышленного оборудования и электроники.

Драйвер шагового двигателя (Stepper driver)

За направление вращения ротора и его скорости отвечает драйвер шагового двигателя, который последовательно подает напряжение на обмотки статора, ток на обмотках определяет угол поворота вала. Драйвер шагового двигателя (Stepper driver) — это силовой модуль в задачу которого входит последовательное формирование тока питания для каждой обмотки двигателя.

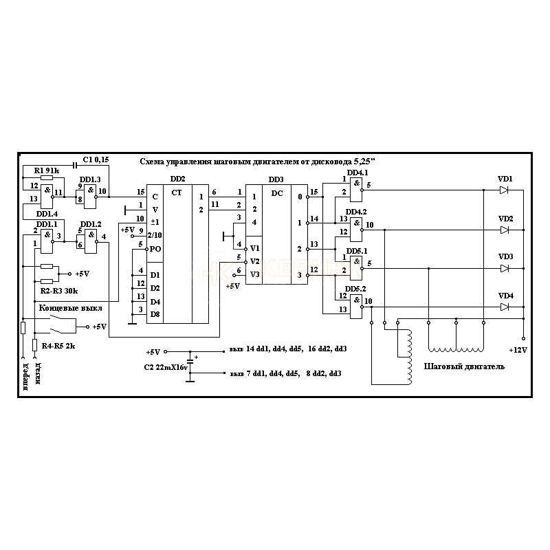
Схема управления шаговым двигателем Схема подключения униполярного шагового двигателя к микроконтроллеру
Схема управления шаговым двигателем Схема подключения униполярного шагового двигателя к микроконтроллеру
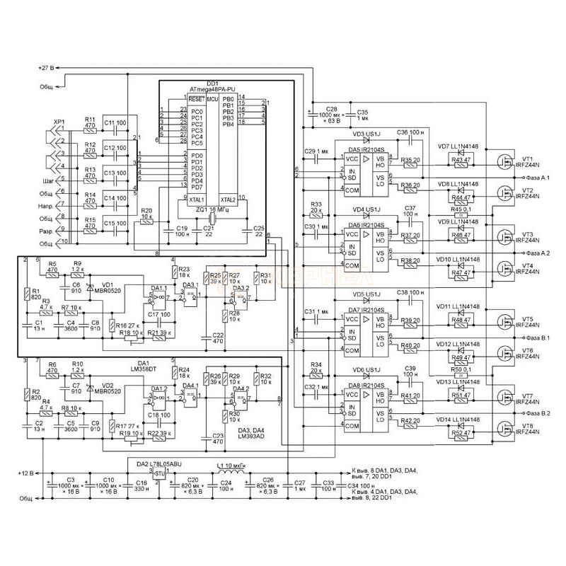
Драйвер шагового двигателя с микрошаговым режимом Схема контроллера биполярного шагового двигателя
Драйвер шагового двигателя с микрошаговым режимом Схема контроллера биполярного шагового двигателя

Ремонт шагового двигателя и драйвера ш.д. в сервисном центре

Ремонт дроайвера шагового двигателяСервисный центр «Кернел» предлагает услуги по ремонту промышленной электроники и оборудования такого как шаговые двигатели и драйвера шаговых двигателей. В виду малого ресурсного запаса драйвера ш.д. не редко выходят из строя, обратившись в нашу компанию вы гарантированно получите глубокую диагностику промышленного оборудования, которая покажет причину выхода из строя оборудования и последующий профессиональный ремонт драйвера шагового двигателя в сжатые сроки.

Наш сервисный центр уделяет максимальное внимание на качество исполнения ремонта. Мы производим ремонт шаговых двигателей и драйверов ш.г. на компонентном уровне с использованием только оригинальных запасных частей, мы уверены в качестве выполненных работ и смело даем гарантию на все ремонтные работы 6 месяцев.

Подключение шагового двигателя, настройка и программирование

Мы ценим наших клиентов и предлагаем ремонт не только на территории сервисного центра, но и с выездом на территорию заказчика, для подключения шагового двигателя его последующую настройку и программирование.

Если вы заинтересованы в ремонте (перемотке) шагового двигателя или в ремонте драйвера шагового двигателя, вы можете оставить заявку на ремонт либо с помощью специальной форме на сайте, либо связавшись с нашими менеджерами несколькими способами:

Наши контакты

  • Заполнив форму заявки на ремонт (кнопка ниже и в правом верхнем углу сайта)
  • Позвонив по номеру телефона:
    • +7(917) 121-53-01
  • Написав на электронную почту: 89171215301@mail.ru

Похожие статьи