Промышленный контроллер, подключение и программирование в Севастополе
Виды и классификация промышленных контроллеров
На сегодняшний день существует поистине огромный выбор промышленных контроллер, и чтобы не запутаться давайте попробуем их классифицировать. В первую очередь ПЛК можно разбить на группы по количеству каналов ввода-вывода – это:
- Нано контроллеры, имеющие менее 16 каналов ввода-вывода;
- Мини контроллеры имеют до 100 каналов ввода-вывода;
- Средние контроллеры имеют уже до 500 каналов;
- Гиганты являются рекордсменами обладая более чем 500 каналами ввода-вывода.
Промышленные ПЛК можно разбить на виды по расположению модулей ввода-вывода.
- Моноблочные- модуль ввода-вывода и контроллер являются единым целым;
- Модульные- собираются в корзину сменными модулями в зависимости от задачи;
- Распределительные- имеют разные корпуса и соединяются контроллером по сети.
Для увеличения общего количества каналов типы контроллеров могут комбинироваться, скажем модульный или моноблочный ПЛК можно дополнить удаленным модулем ввода-вывода сри помощи интерфейса RS-485.
В зависимости от конструктивных особенностей, а также способу их крепления промышленные контроллеры можно разделить на:
- Панельные ПЛК;
- Монтажные ПЛК;
- Настенные ПЛК;
- Стоечные ПЛК;
- Бескаркасные ПЛК.
Область применения промышленных контроллеров также можно классифицировать на:
- Универсальные;
- Робототехника;
- Перемещение и позиционирование;
- Коммуникационные;
- Специализированные;
- ПИД – ПЛК.

И последние два вида классификации это язык программирования промышленных контроллеров и способ программирования.
- Алгоритмические языки- Basic, C#, C++, C.
- Машинный язык программирования МЭК 61131-3.
Классифицировать по способу программирования контроллеров можно так:
- Контроллер программируемый с лицевой стороны;
- Контроллер программируемый специальным программатором;
- Контроллер программируемый с помощью клавиатуры, мыши и дисплея;
- Контроллер программируемый с помощью переносного ПК.
На этом виды и классификация промышленных контроллеров заканчивается.
Неисправности и ошибки ПЛК
К сожалению, по незнанию основных принципов работы ПЛК одна из самых распространенных ошибок на оборудовании –
это подсевшие аккумуляторные батареи, при отключенном питании на ПЛК приводящие к удалению или потере данных находящихся в памяти контроллера. В случае если у заказчика отсутствует копия проекта программы, то придется производить работы по написанию, программированию и отладке программы на оборудовании заказчика, это достаточно долгий процесс, занимающий от 2-ух до 3-ех месяцев.
Отсутствие связи между контроллером ПЛК и панели оператора также является достаточно распространенной ошибкой, которая может быть устранена только в сервисном центре, в лабораторных условиях и в авральном режиме займет от 1 до 2 дней. В процессе ремонта восстанавливается потерянная связь между ПЛК и панелью оператора.
Ошибка питания контроллера, как и ошибка входов требует ремонт ПЛК в сервисном центре, подобные ошибки на территории заказчика исправить не удастся.
Скачать коды ошибок ПЛК Siemens S7-200
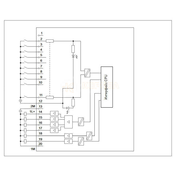
Схема подключения контроллера
Схема контроллера зависит от производителя и типа, сколько существует ПЛК столько же и схем, вот лишь несколько схем ПЛК на примере контроллера Siemens S7-300.
Параметрирование, программирование контроллера
Возможны два варианта программирования контроллеров.
- С выездом на производственную площадку заказчика;
- Программирование ПЛК в сервисном центре.
В каждом ПЛК установлена программа управления промышленным оборудованием, к примеру станком или роботом. Контроллер программируется на заводе изготовителе при покупке станка, линии. В некоторых случаях покупается оборудование с ПЛК без установленного программного обеспечения (ПО). После покупки данного оборудования потребуется квалифицированные специалисты для запуска данного промышленного оборудования.
Для запуска оборудования с контроллером ПЛК потребуется выполнить следующие работы:
- Разработка проекта программы контроллера;
- Написание программы контроллера;
- Запись программы в ПЛК;
- Пуско-наладка контроллера на оборудовании.
При возникновении сбоев на оборудовании может потребоваться редактирование или изменение проекта программы контроллера с записью измененного проекта в ПЛК.
Производители промышленных контроллеров
С момента своего появления ПЛК прочно заняли свое место во всех промышленных отраслях благодаря простоте и способности продолжительно и безаварийно работать в самых агрессивных средах. А как говорится спрос рождает предложение, промышленные контроллеры на сегодняшний день не делает только ленивый. Вот список самых известных производителей ПЛК в России.

- Advantech;
- Delta;
- Bocsh Rexroth;
- Lenze;
- Pilz;
- Jetter;
- Mitsubishi;
- Omron;
- Siemens;
- Hitachi;
- Агава;
- Овен.
Список далеко не полный, продолжать можно еще достаточно долго. Российский производитель также широко представлен на рынке промышленных контроллеров.
Диагностика, ремонт и программирование ПЛК в сервисном центре
Компания «Кернел» производит ремонт промышленной электроники и оборудования в Севастополе с 2002 года. За это время мы накопили колоссальный опыт в том числе опыт в ремонте промышленных контроллеров.
Специалисты нашей компании произведут диагностику с выездом на территорию заказчика. С помощью программатора, подключаемого к ПЛК мы определим код ошибки, а последующая ее расшифровка поможет точно определить неисправный блок или узел на оборудовании.
На ровне с выездной диагностикой ПЛК мы также предлагаем услуги по диагностике в сервисном. В случае если точно известен нерабочий блок производится внутри-блочная поэлементная диагностика. После определения неисправного элемента производится замена на аналогичный, и обязательная проверка на специализированном стенде.
Специалисты нашего сервисного центра уделяют максимальное внимание к качеству исполнения ремонта промышленного оборудования. Именно поэтому мы смело даем гарантию на все выполненные работы шесть месяцев.
Ремонт промышленных контроллеров в Севастополе производится исключительно с использованием оригинальных запасных частей, на компонентном уровне с применением высокотехнологичного оборудования, квалифицированным персоналом с инженерным образованием.
Если на вашем производстве вышел из строя ПЛК, обращайтесь в сервисный центр «Кернел». Специалисты нашей компании в минимальные сроки проведут глубокую диагностику и последующий ремонт промышленного контроллера в Севастополе.
Как с нами связаться
Если вы заинтересованы в ремонте ПЛК в Севастополе, оставьте заявку на ремонт с помощью специальной формы на сайте, либо связавшись с нашими менеджерами несколькими способами:

- Заполнив форму заявки на ремонт (кнопка в правом верхнем углу сайта)
- Позвонив по номеру телефона:
- +7(8482) 79-78-54;
- +7(8482) 55-96-39;
- +7(917) 121-53-01
- Написав на электронную почту: 89171215301@mail.ru




