Ошибки и ремонт MICROMASTER 420 в Шахбузе
Ремонт MICROMASTER 420
Компания «Кернел» производит ремонт частотных преобразователей с 2002 года. За это время мы накопили колоссальный опыт в том числе опыт в ремонте MICROMASTER 420 такого известного производителя как SIEMENS. Ремонт подобной промышленной электроники ответственное и сложное занятие, требующие максимальной отдачи, профессионализма и максимально полной материальной базе.
По причине особой сложности Ремонт MICROMASTER 420 производится исключительно на территории сервисного центра. Частотный преобразователь MICROMASTER 420 является крайне сложной промышленной электроникой соответственно ремонт MICROMASTER 420 можно доверить только настоящим профессионалам своего дела с богатым опытом работы в данном направлении.
Все специалисты нашего сервисного центра имеют высшее техническое образование, огромный опыт и максимально полную материальную базу включая новейшее высокотехнологичное диагностическое оборудование благодаря чему ремонт MICROMASTER 420 проходит максимально эффективно.
Инженеры сервисного центра уделяют максимальное внимание к качеству исполнения ремонта, программирования и настройке частотного преобразователя, не зависимо от производителя данного промышленного оборудования. Именно поэтому мы смело даем гарантию на ремонт MICROMASTER 420 и замененные в процессе ремонта компоненты шесть месяцев.
Особое внимание заслуживает тот факт, что ремонт MICROMASTER 420 в Шахбузе производится исключительно с использованием оригинальных запасных частей, на компонентном уровне с применением высокотехнологичного оборудования, квалифицированным персоналом с инженерным образованием.
Ремонт распространенных частотнрых преобразователей MICROMASTER 420
Если на вашем производстве появились проблемы с частотным преобразователем MICROMASTER 420, ошибка которую вы не можете сбросить самостоятельно, мы всегда рады вам помочь. Обращайтесь в сервисный центр «Кернел». Специалисты нашей компании в минимальные сроки проведут глубокую диагностику частотного преобразователя и последующий ремонт MICROMASTER 420 в Шахбузе. Оставьте заявку на ремонт частотного преобразователя используя форму на сайте.
Ниже приведен далеко не полный список частотных преобразователей MICROMASTER 420 ремонт которых выполняет наш сервисный центр.
|
6SE6420-2UC11-2AA1 6SE6420-2UC12-5AA1 6SE6420-2UC13-7AA1 6SE6420-2UC15-5AA1 6SE6420-2UC17-5AA1 6SE6420-2UC21-1BA1 6SE6420-2UC21-5BA1 6SE6420-2UC22-2BA1 6SE6420-2UC23-0CA1 6SE6420-2AB11-2AA1 |
6SE6420-2AB12-5AA1 6SE6420-2AB13-7AA1 6SE6420-2AB15-5AA1 6SE6420-2AB17-5AA1 6SE6420-2AB21-1BA1 6SE6420-2AB21-5BA1 6SE6420-2AB22-2BA1 6SE6420-2AB23-0CA1 6SE6420-2UC25-5CA1 6SE6420-2UC24-0CA1 |
Ошибки MICROMASTER 420
При появлении неисправности на дисплее частотного преобразователя MICROMASTER 420 отобразится код ошибки, в файле ниже приведены все ошибки MICROMASTER 420 и возможные способы их устранения.
При возникновении ошибки преобразователь отключается и на индикации появляется код ошибки.
УКАЗАНИЕ
Сообщения об ошибках могут квитироваться следующим образом:
- Возможность 1: Отключить преобразователь от сети и снова подключить
- Возможность 2: на AOP или BOP
- Возможность 3: Через цифровой вход 3
Сообщения об ошибках сохраняются в параметре r0947 под своим кодовым номером (к примеру, F0003 = 3). Соответствующее слово ошибки находится в параметре r0949. Если слово ошибки у ошибки отсутствует, то вносится значение 0. Кроме этого, можно запросить момент времени возникновения ошибки (r0948) и число сохраненных в параметре r0947 сообщений об ошибках (P0952). Подробное описание всех сообщений об ошибках можно найти в Списке параметров.
Предупреждения
Предупреждения сохраняются в параметре r2110 под своим кодовым номером (к примеру, A0503 = 503) и могут загружаться оттуда. Подробное описание всех предупреждений можно найти в Списке параметров.
Сброс сообщений об ошибках, предупреждений
Работа без сбоев с точки зрения приложения является решающим критерием приемлемости приводной системы. Но для специальных приложений бесперебойная работа требуется и тогда, когда имеет место перегрузка или внешние обстоятельства вызывают ошибку. В таких приложениях (к примеру, мешалка) бесперебойная работа более важна, чем защита приводной системы. В MICROMASTER 420 можно подавить до 3-х сообщений об ошибках/предупреждений с индексированными параметрами P2100 и P2101. Выбор сообщений об ошибках/предупреждений (см. раздел "Сообщения об ошибках/предупреждения") устанавливается с помощью параметра P2100, а реакция выбирается с помощью параметра P2101. Корреляция между подавлением и реакцией осуществляется через индекс 0 - 2 обоих параметров. Для реакций возможны следующие установки:
- 0 нет реакции, нет индикации
- 1 реакция останова ВЫКЛ1
- 2 реакция останова ВЫКЛ2
- 3 реакция останова ВЫКЛ3
- 4 нет реакции, только предупреждение
Пример:
Предупреждение A0911 указывает на то, что привод увеличивает врем выбега по рампе, чтобы не допустить перенапряжения. Для подавления этого сообщения установить следующие параметры:
p2100[0] = 911 (выбор предупреждения A0911)
P2101[0] = 0 (нет реакции, нет индикации)
Все возможные предупреждения и ошибки MICROMASTER 420 описаны в руководстве пользователя, которое вы можете скачать с нашего сайта в удобном формате- pdf.
Скачать руководство пользователя MICROMASTER 420 мануал.pdf
Устранение причины ошибки частотного преобразователя MICROMASTER 420 и ее сброс позволит в кратчайшие сроки возобновить работу дорогостоящего оборудования. К сожалению не все ошибки можно исправить самостоятельно, некоторые ошибки MICROMASTER 420 возможно исправить только в специализированных сервисных центрах.
MICROMASTER 420 программирование
На ряду с ремонтом, специалисты сервисного центра «Кернел» выполняют программирование MICROMASTER 420 и настройку параметров системы частотного преобразователя. Подобную услугу мы оказываем на территории сервисного центра, также в исключительных случаях инженер компании может выполнить программирование MICROMASTER 420 на территории заказчика.
Настройка параметров, программирование MICROMASTER 420 в Шахбузе является заключительным звеном в процессе ремонта частотного преобразователя и требует профессионального подхода. Именно финальный этап программирования MICROMASTER 420 наглядно покажет качество выполненного ремонта MICROMASTER 420.
К слову, мы уделяем особое внимание качеству и смело даем гарантию на все выполненные ремонтно-восстановительные работы шесть месяцев, гарантия так же распространяется на запасные части, которые были заменены в процессе ремонта.
Хочется обратить внимание на то, что мы стараемся провести ремонт и программирование MICROMASTER 420 в максимально сжатые сроки, тем самым минимизируем простой дорогостоящего промышленного оборудования.
MICROMASTER 420 ввод в эксплуатацию
Инженеры сервисного центра «Кернел» не только выполняют качественный ремонт MICROMASTER 420 и программирование частотного преобразователя. Так же мы предоставляем услугу запуска в эксплуатацию оборудования от стадии проектирования до выпуска первой продукции.
Именно этап запуска в эксплуатацию MICROMASTER 420 отвечает за долгий и безаварийный процесс работы промышленного оборудования, тем самым позволяя получить максимальную прибыль и сэкономить на незапланированном ремонте.
По-настоящему качественный ввод в эксплуатацию MICROMASTER 420 может выполнить только высококвалифицированный специалист с богатым опытом работы в данном направлении. Найти подобного специалиста достаточно сложно, но, если вы обращаетесь в наш сервисный центр вам не придется об этом думать.
ДляпараметрированияпреобразователяВыможетеиспользоватьоднуизоп-ционныхоператорскихпанелей, таких как "Базовая Операторская Панель"(BOP) или "Расширенная Панель Оператора" (AOP). Для более удобного обслуживания и параметрирования преобразователей можно использовать специальный инструмент – Drive Monitor – программу для настройки и документирования.
|
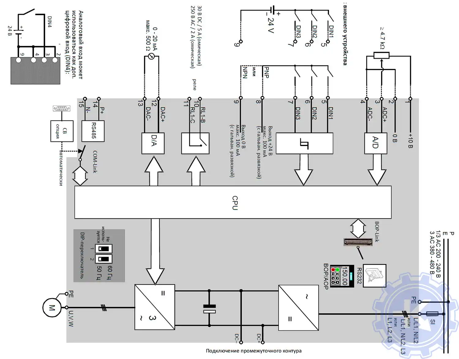
Блок схема MICROMASTER 420 |
|
В нашей команде работают исключительно профессионалы своего дела, а за время существования нашей компании мы ввели в эксплуатацию не одну сотню частотных преобразователей в том числе и MICROMASTER 420, с каждым разом получая и накапливая драгоценный опыт.
О MICROMASTER 420
Частотный преобразователь MICROMASTER 420 снабжен пультом отображения состояния (Status Display Panel) (SDP). Чтобы изменять и устанавливать требуемые параметры, необходимо использовать базовый пульт оператора (Basic Operator Panel) (BOP), расширенный пульт оператора (Advanced Operator Panel) (AOP) или последовательный интерфейс связи.
Базовая панель оператора (BOP), поставляемая как опция, дает возможность доступа к параметрам преобразователя и обеспечивает специфическую пользовательскую настройку MICROMASTER 420. BOP может использоваться для конфигурирования большинства преобразователей MICROMASTER 420. Поэтому нет необходимости покупать свою панель BOP для каждого преобразователя. Панель имеет сегментные индикаторы для чтения и записи параметров преобразователя. Панель не имеет возможности собственного хранения информации и параметров после её снятия.
Линейка промышленной электроники, которую восстанавливают специалисты сервисного центра «Кернел» не имеет ограничений, мы выполняем качественный ремонт промышленной электроники и оборудования абсолютно любых производителей не зависимо от года выпуска и наличия технической документации.
Оставить заявку на ремонт MICROMASTER 420
Оставить заявку на ремонт или программирование MICROMASTER 420 в Шахбузе можно с помощью специальной формы, которая вызывается нажатием одноименной кнопки в верхней части страницы. Все вопросы, связанные с ремонтом MICROMASTER 420 в Шахбузе вы можете задать нашим менеджерам. Связаться с ними можно несколькими способами:

- Заполнив форму заявки на ремонт (кнопка в правом верхнем углу сайта)
- Позвонив по номеру телефона:
- +7(8482) 79-78-54;
- +7(8482) 55-96-39;
- +7(917) 121-53-01
- Написав на электронную почту: 89171215301@mail.ru

