Ошибки и ремонт частотных преобразователей SEW-EURODRIVE в Шерабаде
Ремонт частотных преобразователей SEW-EURODRIVE
Ремонт частотного преобразователя SEW-EURODRIVE, впрочем, как и ремонт частотников других производителей имеет ряд особенностей в силу своего конструктива. Частотные преобразователи, точнее их начинка делятся на две части:
- Аппаратная часть,
- Программная часть.
Частотники данного производителя не являются исключением из правил, именно поэтому ремонт частотного преобразователя SEW-EURODRIVE имеет точно такой же ряд особенностей, как и у других преобразователей.
Диагностировать ту или иную неисправность помогают коды ошибок частотного преобразователя, которые отображаются на небольшом дисплее, расположенном на лицевой панели привода. Коды ошибок частотного преобразователя SEW-EURODRIVE в зависимости от серии описаны в инструкции, пользователя которые можно скачать с нашего сайта.
Ремонт частотных преобразователей SEW-EURODRIVE в Шерабаде, как и любых других преобразователей, выпущенных под другими брендами, всегда начинается с аппаратной части, после успешного ремонта аппаратной части наступает очередь программной.
Настройка частотного преобразователя SEW-EURODRIVE также прописана в инструкции завода производителя, для каждой серии частотных преобразователей настройка будет индивидуальной, так как каждая линейка преобразователей решает свои собственные задачи, этим обусловливается широкая номенклатура данного промышленного оборудования.
Ремонт частотных преобразователей SEW-EURODRIVE в сервисном центре
Компания «Кернел» производит ремонт частотных преобразователей SEW-EURODRIVE в Шерабаде с 2002 года. За время существования компании наши сотрудники накопили колоссальный опыт в ремонте преобразователей частоты такого известного производителя как SEW-EURODRIVE. Ремонт подобного промышленного оборудования ответственное и сложное занятие, требующие максимальной отдачи, профессионализма и максимально полной материальной базе.
Специалисты нашего сервисного центра максимальное внимание уделяют качеству исполнения ремонта, программирования и настройке промышленных преобразователей частоты, не зависимо от производителя данного промышленного оборудования. Именно поэтому мы смело даем гарантию на все выполненные работы шесть месяцев.
Ремонт частотных преобразователей SEW-EURODRIVE в Шерабаде производится исключительно с использованием оригинальных запасных частей, на компонентном уровне с применением высокотехнологичного диагностического оборудования, квалифицированным персоналом с инженерным образованием.
В случае выхода из строя преобразователя частоты на вашем производстве либо появились проблемы с приводом, которые вы не можете решить самостоятельно, мы всегда рады вам помочь. Специалисты нашего сервисного центра в минимальные сроки проведут глубокую диагностику с последующим ремонтом частотного преобразователя SEW-EURODRIVE.
Инженеры сервисного центра выполняют качественный ремонт частотных преобразователей SEW-EURODRIVE всех серий, когда-либо выпускаемых компанией.
|
Серии частотных преобразователей SEW-EURODRIVE |
Типы частотных преобразователей SEW-EURODRIVE |
|
MOVITRAC® LTE-B |
MC-LTE-B0004-101-1-00, MC-LTE-B0008-101-1-00, MC-LTE-B0011-101-4-00, MC-LTE-B0004-2B1-1-00, MC-LTE-B0008-2B1-1-00 |
|
MOVITRAC® LTE-B+ |
MC-LTE-B0015-2B1-4-00, MC-LTE-B0022-2B1-4-00, MC-LTE-B0040-2B1-4-00, MC-LTE-B0015-2A3-4-00, MC-LTE-B0015-5A3-1-00 |
|
MOVITRAC® LTP-B |
MC-LTP-B0008-2B1-4-00, LTP-B MC-LTP-B0015-2B1-4-00, LTP-B MC-LTP-B0022-2B1-4-00, LTP-B MC-LTP-B0015-2A3-4-00 |
|
MOVITRAC®B |
MC-07B-0003-2B1-4-00, MC-07B-0004-2B1-4-00, MC-07B-0005-2B1-4-00, MC-07B-0008-2B1-4-00, MC-07B-0015-2B1-4-00 |
|
MOVIDRIVE®B |
MC-07B-0005-2A3-4-00/S0, MC-07B-0008-2A3-4-00/S0, MC-07B-0011-2A3-4-00/S0, MC-07B-0015-2A3-4-00/S0, MC-07B-0022-2A3-4-00/S0 |
|
MOVIAXIS® |
MD-X60-61B-0005-5A3-4-0, MD-X60-61B-0008-5A3-4-0, MD-X60-61B-0011-5A3-4-0, MD-X61B-0015-5A3-4-0, MD-X61B-0110-5A3-4-0 |
В данной таблице присутствуют далеко не все частотные преобразователи SEW-EURODRIVE ремонт которых предлагает наш сервисный центр.
Настройка частотного преобразователя SEW-EURODRIVE, программирование
Настройка частотных преобразователей SEW-EURODRIVE (программирование) происходит в рамках установленных производителем правил, существует общий алгоритм по программированию (настройке частотных преобразователей), относящийся ко всем производителям данного промышленного оборудования. Ниже представлена пошаговая инструкция по настройке частотных преобразователей SEW-EURODRIVE.
- Выбор режима управления приводом SEW-EURODRIVE (управление по показанию датчиков, дистанционное управление, дистанционное управление).
- В случае использования отдельного (выносного) монитора, настраивается вывод на него технической информации.
- Далее определяем конфигурацию подключения серводвигателя. На данной стадии задаются такие параметры как- возможность применения обратной связи либо без ее применения, а в память блока заносятся данные по: величине крутящего момента, мощности потребителей, номинальное значения частоты, напряжение, ток и скорости вращения ротора.

- Программируется минимально допустимая величина напряжения и частоты, а также время ускорения ротора от ноля до номинального значения.
- И в завершении, в программу управления частотным преобразователем SEW-EURODRIVE вносятся функциональные данные со значениями отдельных клемм и особенностями сигналов. Отмечаются действия оборудования, выполняющиеся автоматически при отсутствии информации поступающей в оперативном режиме с датчика.
В некоторых частотниках существует пункт наличия/отсутствия фильтра в цепи питания двигателя. Этот пункт отвечает за подключение различных видов нагрузок, в том случае, когда возможно выбрать нормальное или инверсное изменение частоты при повышении уровня сигнала обратной связи.
Все настройки частотных преобразователей SEW-EURODRIVE приведены в технической документации ниже в удобном формате (PDF) который можно скачать на свой компьютер, распечатать или просто открыть на нашем сайте.
Коды ошибок частотного преобразователя SEW-EURODRIVE
В процессе работы выходит из строя даже самое надежное промышленное оборудование. В данной статье мы приведем ошибки частотного преобразователя SEW-EURODRIVE, а точнее SEW-EURODRIVE серии MOVITRAC LTE-B. Частотники в наше время, нашли широкое применение абсолютно во всех сферах промышленности, управляя как мини моторами в оргтехнике, так и гигантскими двигателями в горнодобывающей промышленности.
Для простоты общения со столь сложной электроникой все частотные преобразователи оснащены небольшими дисплеями с помощью которых выводятся информационные сообщения с кодами ошибок, расшифровав которые можно сразу же узнать причину ее возникновения. Если учесть распространенность данной промышленной электроники, то появляется острая нужда в расшифровке кодов ошибок частотных преобразователей. В этой статье мы рассмотрим одного из самых известных производителей промышленной электроники имеющему уважение во всем мире, SEW-EURODRIVE.
Существует несколько видов ошибок, некоторые из них можно устранить автоматически, а некоторые возможно исправить только, обратившись в специализированный сервисный центр. В таблицах ниже приведены коды ошибок частотного преобразователя SEW-EURODRIVE MOVITRAC LTE-B и их расшифровка.
Обязательно должны соблюдаться все рекомендации, изложенные в инструкции по монтажу и эксплуатации насосов, в особенности требования по технике безопасности!
Ошибки частотных преобразователей SEW-EURODRIVE серии MOVITRAC LTE-B
|
Код ошибки |
Значение |
Устранение |
|
P-dEF |
Загружены установленные на заводе-изготовителе параметры. |
Нажать клавишу <стоп>. Теперь преобразователь можно конфигурировать под желаемое применение. |
|
O-I |
Избыточный ток на выходе преобразователя к двигателю. Перегрузка в двигателе. Перегрев на радиаторе преобразователя. |
Ошибка при постоянной частоте вращения:
Ошибка при разблокировке преобразователя:
Ошибка во время эксплуатации:
|
|
I.t-trP |
Ошибка из-за перегрузки. Возникает, если преобразователь в течении определенного времени подавал более 100% номинального тока. Индикация мигает, чтобы показать перегрузку. |
|
|
OI-b |
Избыточный ток тормозного канала. Избыточный ток в цепи тормозного резистора. |
|
|
OL-br |
Тормозной резистор перегружен. |
|
|
PS-trP |
Внутренняя ошибка выходного каскада. |
Ошибка при разблокировке преобразователя:
Ошибка во время эксплуатации:
|
|
O.Uolt |
Перенапряжение звена постоянного тока. |
|
|
U.Uolt |
Пониженное напряжение в цепи постоянного тока. |
Возникает обычно при отключении преобразователя. Проверить напряжение электросети, если ошибка возникает при работающем двигателе. |
|
O-hEat |
Слишком высокая температура окружающей среды. |
|
|
O-t |
Перегрев радиатора. |
|
|
U-t |
Пониженная температура. |
|
|
Th-FIt |
Неисправный термистор на радиаторе. |
Обратитесь в сервисный центр. |
|
E-triP |
Внешняя ошибка (в сочетании с двоичным входом 3). |
|
|
SC-trP |
Ошибка: сбой обмена данными. |
|
|
P-LOSS |
Ошибка: отказ фазы входа. |
|
|
SPIn-F |
Запуск вращения не удался. |
Функция запуска вращения не может определить частоту вращения двигателя. |
|
dAtA-F |
Внутренняя ошибка памяти. |
Параметры не сохраняются, воспроизводятся заводские настройки. Попытаться еще раз. Если данная проблема появляется повторно, обратитесь в сервисный центр. |
|
EE-F |
Параметры неисправности EEPROM не сохраняются, воспроизводятся заводские настройки. |
Параметры неисправности EEPROM не сохраняются, воспроизводятся заводские настройки. При повторной появлении ошибки обратитесь в сервисный центр. |
|
4_20 F |
Ток на аналоговом входе за границами установленного диапазона. |
Убедиться, что входной ток находится в установленном P-16 диапазоне. Проверить соединительный кабель. |
|
SC-FLt |
Внутренняя ошибка преобразователя. |
Обратитесь в сервисный центр. |
|
FAULtY |
||
|
Prog__ |
1)Для функционального испытания для преобразователей частоты мощностью свыше 0.75kw нажмите все кнопки встроенной клавишной цепи одновременно.
Преобразователь частоты разработан таким образом, что он пытается избежать аварийных отключений путем ограничения момента, перенапряжения и т.п.
Появление сбоев при вводе в эксплуатацию или вскоре после него обычно свидетельствует о неверной настройке или неправильном подключении.
Возникновение неисправностей или проблем после длительного режима бесперебойной работы обычно происходит по причине изменений в системе или ее окружении (например, в результате износа).
Дополнительную информацию по частотным преобразователям SEW-EURODRIVE можно посмотреть и скачать в файлах ниже.
Частотный преобразователь SEW-EURODRIVE, скачать инструкции по эксплуатации
Ниже вы можете скачать руководства по эксплуатации частотных преобразователей SEW-EURODRIVE для всех серий, когда-либо выпущенных данным производителем.
|
Частотный преобразователь SEW-EURODRIVE MOVITRAC® LTE-B инструкция, руководство пользователя. |
Скачать PDF |
|
Частотный преобразователь SEW-EURODRIVE MOVITRAC® LTE-B+ инструкция, руководство пользователя. |
Скачать PDF |
|
Частотный преобразователь SEW-EURODRIVE MOVITRAC® LTP-B инструкция, руководство пользователя. |
Скачать PDF |
|
Частотный преобразователь SEW-EURODRIVE MOVITRAC® B инструкция, руководство пользователя. |
Скачать PDF |
|
Частотный преобразователь SEW-EURODRIVE инструкция, руководство пользователя. |
Скачать PDF |
|
Частотный преобразователь SEW-EURODRIVE MOVIDRIVE®B инструкция, руководство пользователя. |
Скачать PDF |
|
Частотный преобразователь SEW-EURODRIVE MOVIAXIS® инструкция, руководство пользователя. |
Скачать PDF |
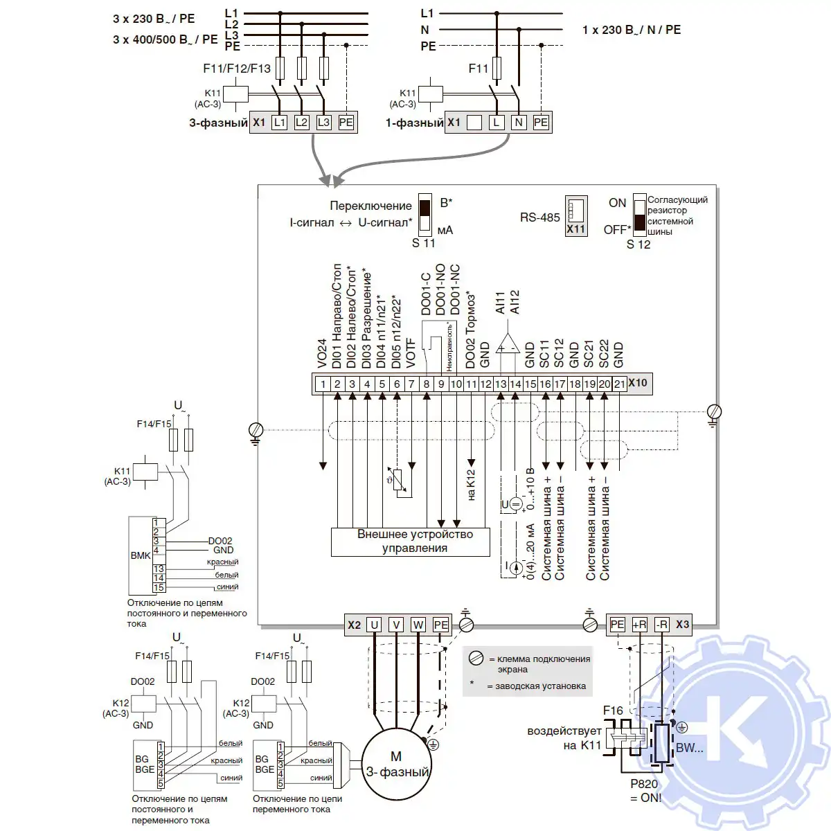
Схемы подключения частотных преобразователей SEW-EURODRIVE
Схемы подключений частотных преобразователей SEW-EURODRIVE могут, отличатся друг от друга даже если эти преобразователи относятся ко одной линейке. Схема подключения преобразователя зависит от многих факторов таких как потребляемая частотным преобразователем нагрузка или питающая сеть к которой подключается частотник 200V – 380V и конечно же зависит от CPU в паре, с которым предполагается работа преобразователя.
Другие схемы подключений частотных преобразователей SEW-EURODRIVE вы найдете в руководстве пользователя.
Оставьте заказ на ремонт промышленного оборудования, используя форму на сайте, либо свяжетесь с нашими менеджерами, сделать это очень просто.
Оставить заявку на ремонт частотных преобразователей SEW-EURODRIVE
У вас вышел из строя частотник? Вам необходим срочный ремонт частотных преобразователей SEW-EURODRIVE в Шерабаде? Оставьте заявку на ремонт нажав на одноименную кнопку в верхней правой части экрана либо свяжитесь с нашими менеджерами. Связаться с ними можно несколькими способами:

- Заполнив форму заявки на ремонт (кнопка в правом верхнем углу сайта)
- Позвонив по номеру телефона:
- +7(8482) 79-78-54;
- +7(8482) 55-96-39;
- +7(917) 121-53-01
- Написав на электронную почту: 89171215301@mail.ru
Похожие статьи
-
Другие услуги по ремонту промышленной эелектроники и оборудования
- Ремонт частотных преобразователей в Шерабаде
- Промышленный привод, ремонт в Шерабаде
- Ремонт частотных преобразователей Веспер в Шерабаде
- Ремонт частотного преобразователя Danfoss в Шерабаде
- Ремонт частотного преобразователя Lenze в Шерабаде
- Ремонт частотных преобразователей ABB в Шерабаде
- Ремонт частотных преобразователей Siemens в Шерабаде
- Ремонт частотного преобразователя INVT в Шерабаде
- Ремонт частотного преобразователя Schneider Altivar в Шерабаде
- Частотный преобразователь frenic, ремонт частотников FUJI в Шерабаде
- Ремонт частотного преобразователя Delta в Шерабаде
- Частотный преобразователь VACON, ремонт частотника в Шерабаде
- Ремонт частотных преобразователей KEB в Шерабаде
- Ремонт частотного преобразователя Omron в Шерабаде
- Частотный преобразователь Mitsubishi Electric, ремонт привода в Шерабаде
- Ремонт частотников Emerson - Control techniques, Unidrive - Commander в Шерабаде
- Ремонт частотного преобразователя Yaskawa в Шерабаде
- Allen Bradley преобразователи частоты, ремонт Allen Bradley в Шерабаде
- Ремонт частотника Baumuller в Шерабаде
- Преобразователи частоты Bosch Rexroth, ремонт Bosch Rexroth в Шерабаде
- Ремонт Rexroth Indramat в Шерабаде
- Fanuc, ремонт привода в Шерабаде
- Ошибки и ремонт частотных преобразователей Emotron в Шерабаде
- Ремонт частотного преобразователя KONE в Шерабаде, ошибки
- Ошибки и ремонт частотного преобразователя STOBER POSIDRIVE в Шерабаде
- Ошибки и ремонт частотного преобразователя ESQ в Шерабаде
- Ошибки и ремонт частотного преобразователя INNOVERT в Шерабаде
- Ошибки и ремонт частотных преобразователей BONFIGLIOLI в Шерабаде
- Ошибки и ремонт частотных преобразователей WILO в Шерабаде
- Ремонт частотных преобразователей SIRIO и NETTUNO в Шерабаде, ошибки
- Ошибки и ремонт частотных преобразователей HYUNDAI в Шерабаде
- Ошибки и ремонт частотных преобразователей IDS-DRIVE в Шерабаде
- Ошибки и ремонт частотных преобразователей LG LS в Шерабаде
- Ошибки и ремонт частотных преобразователей HYDROVAR в Шерабаде
- Ошибки и ремонт частотных преобразователей SEW-EURODRIVE в Шерабаде
- Ошибки и ремонт частотных преобразователей ОВЕН в Шерабаде
- Ошибки и ремонт частотных преобразователей HITACHI в Шерабаде
- Ошибки и ремонт частотных преобразователей TOSHIBA в Шерабаде
- Ошибки и ремонт частотных преобразователей IEK в Шерабаде
- Ошибки и ремонт частотных преобразователей PROSTAR в Шерабаде
- Ошибки и ремонт частотных преобразователей GEFRAN в Шерабаде
- Ошибки и ремонт частотного преобразователя OTIS в Шерабаде
- Ошибки и ремонт частотного преобразователя SANTERNO в Шерабаде
- Ремонт и программирование частотных преобразователей ARKEL A-DRIVE в Шерабаде
- Ремонт и программирование частотных преобразователей SIEI ARTDrive в Шерабаде
- Ошибки и ремонт частотных преобразователей Schindler Biodyn в Шерабаде
- Ошибки и ремонт частотных преобразователей Sigma LG в Шерабаде
- Ошибки и ремонт частотных преобразователей THYSSEN в Шерабаде
- Ошибки и ремонт частотных преобразователей Macpuarsa в Шерабаде
- Ошибки и ремонт частотных преобразователей Canny в Шерабаде
- Ошибки и ремонт частотных преобразователей ERMAN в Шерабаде
- Ошибки и ремонт частотных преобразователей EKF в Шерабаде
- Ошибки и ремонт частотных преобразователей INOVANCE в Шерабаде
- Ошибки и ремонт частотных преобразователей KUKA в Шерабаде
- Ошибки и ремонт частотных преобразователей DEMAG в Шерабаде
- Ошибки и ремонт частотных преобразователей EuraDrives в Шерабаде
- Ошибки и ремонт частотных преобразователей Parker в Шерабаде
- Ошибки и ремонт частотных преобразователей NIDEC в Шерабаде
- Ошибки и ремонт частотных преобразователей NORD в Шерабаде
- Ошибки и ремонт частотных преобразователей Panasonic в Шерабаде
- Ошибки и ремонт частотных преобразователей Eurotherm в Шерабаде
- Ошибки и ремонт частотных преобразователей Berges в Шерабаде
- Ошибки и ремонт частотных преобразователей Hormann в Шерабаде
- Все услуги по ремонту промышленной электроники и оборудования

Скачать PDF
