Ошибки и ремонт сервопривода Schneider Electric в Светлогорске
Ремонт сервопривода Schneider
Сервисный центр «Кернел» предлагает выполнить качественный ремонт сервопривода Schneider Electric в Светлогорске на компонентном уровне в максимально сжатые сроки.
Сервопривод относятся к сложной промышленной электронике именно поэтому ремонтом сервоприводов Schneider, впрочем, как и других производителей должны заниматься специалисты, имеющие не только высшее техническое образование, но и солидный опыт в ремонте подобной промышленной электроники.
Также для восстановления подобного промышленного оборудования понадобится хорошая материально-техническая база. При выполнении всех выше перечисленных условий, шансы на успешный ремонт возрастают в геометрической прогрессии.
Именно поэтому за ремонтом сервоприводов, независимо от производителя лучше всего обращаться в специализированный сервисный центр, который отвечает всем техническим требованиям, такой как Кернел. Наш цент имеет отличную материально-техническую базу, а за время существования с 2002 года специалисты компании накопили бесценный опыт в том числе опыт в ремонте сервоприводов Schneider.
Особенности ремонта сервопривода Schneider Electric
Ремонт сервоприводов имеет ряд индивидуальных особенностей, это связано с конструктивными особенностями данного промышленного оборудования. По аналогии с частотными преобразователями они состоят из двух взаимосвязанных частей, это:
- Аппаратная часть;
- Программная часть.
В первую очередь ремонтируется аппаратная часть промышленного сервопривода. После глубокой диагностики неисправного блока выявляются все неисправные компоненты, которые в последствии заменяются на оригинальные запасные части (по возможности), в случае если сервопривод уже давно снят с производства и найти оригинальные запчасти просто невозможно они заменяются на аналоги.
Данный вид ремонта называется компонентным. От других видов его отличает две немаловажные детали.
- Значительное удешевление ремонта;
- Существенное сокращение времени ремонта.
По завершении ремонта аппаратной части сервопривода наступает очередь программной. В зависимости от серии выбирается программный продукт и зашивается в блок.
Заключительный этап ремонта сервопривода Schneider это проверка на специализированном стенде. Все блоки проверяются без нагрузки и с нагрузкой не менее двух часов.
Ошибки сервопривода Schneider Electric LXM
|
Код ошибки |
Класс |
Бит |
Расшифровка ошибки |
|
E1100 |
0 |
0 |
Параметр вне допустимого диапазона |
|
E 1101 |
0 |
0 |
Параметр не существует |
|
E1102 |
0 |
0 |
Параметр не существует |
|
E1103 |
0 |
0 |
Параметр недоступен для записи (только чтение) |
|
E1104 |
0 |
0 |
Отказ в доступе на запись (доступ не авторизован) |
|
E1106 |
0 |
0 |
Команда недопустима при активном усилителе мощности |
|
E1107 |
0 |
0 |
Доступ через другой интерфейс блокирован |
|
E1108 |
0 |
0 |
Параметр недоступен для чтения (блочная загрузка) |
|
E1109 |
1 |
0 |
Данные, сохраненные после отказа питания, недействительны |
|
E110A |
0 |
0 |
Системная ошибка: отсутствует загрузчик |
|
E110B |
3 |
30 |
Ошибка инициализации (дополнительно=адрес регистра Modbus ) |
|
E1300 |
3 |
4 |
Сработала функция Power Removal (PWRR_A, PWRR_B) |
|
E1301 |
4 |
24 |
На входах PWRR_A и PWRR_B различные уровни |
|
E1310 |
3 |
9 |
Частота опорного сигнала слишком высока |
|
E1603 |
0 |
0 |
Память для захвата занята другой функцией |
|
E1606 |
0 |
0 |
Захват еще активен |
|
E1607 |
0 |
0 |
Запись: триггер не определен |
|
E1608 |
0 |
0 |
Запись: триггер не разрешен |
|
E 1609 |
0 |
0 |
Запись: канал не определен |
|
E160A |
0 |
0 |
Запись: нет данных |
|
E160B |
0 |
0 |
параметр не может быть записан |
|
E160C |
1 |
0 |
Автонастройка: момент инерции вне допустимого диапазона |
|
E160D |
1 |
0 |
Автонастройка: значение параметра 'AT_n_tolerance', возможно, слишком мало для идентифицированной механической системы |
|
E 160E |
1 |
0 |
Автонастройка: Тестовое движение невозможно запустить |
|
E160F |
1 |
0 |
Автонастройка: Усилитель мощности не может быть включен |
|
E 1610 |
1 |
0 |
Автонастройка: Обработка прервана |
|
E 1611 |
1 |
0 |
Системная ошибка: Автонастройка, внутренний доступ на запись |
|
E 1612 |
1 |
0 |
Системная ошибка: Автонастройка, внутренний доступ на запись |
|
E 1613 |
1 |
0 |
Автонастройка: превышен максимально допустимый диапазон по- |
|
E 1614 |
0 |
0 |
Автонастройка: уже действует |
|
E 1615 |
0 |
0 |
Автонастройка: этот параметр нельзя изменить при активной авто- настройке |
|
E 1616 |
1 |
0 |
Автонастройка: статическое трение для выбранной скорости 'AT_n_ref' слишком высоко |
|
E 1617 |
1 |
0 |
Автонастройка: Момент трения или нагрузки слишком велик |
|
E 1618 |
1 |
0 |
Автонастройка: оптимизация прервана |
|
E 1619 |
0 |
0 |
Автонастройка: скорость вращения 'AT_n_ref' слишком низка в сравнении с 'AT_n_tolerance' |
|
E 1A00 |
0 |
0 |
Системная ошибка: переполнение очереди FIFO |
|
E 1A01 |
3 |
19 |
Двигатель был заменен |
Посмотреть все коды ошибок сервопривода Schneider LXM
Схемы подключения сервоприводов Schneider Electric
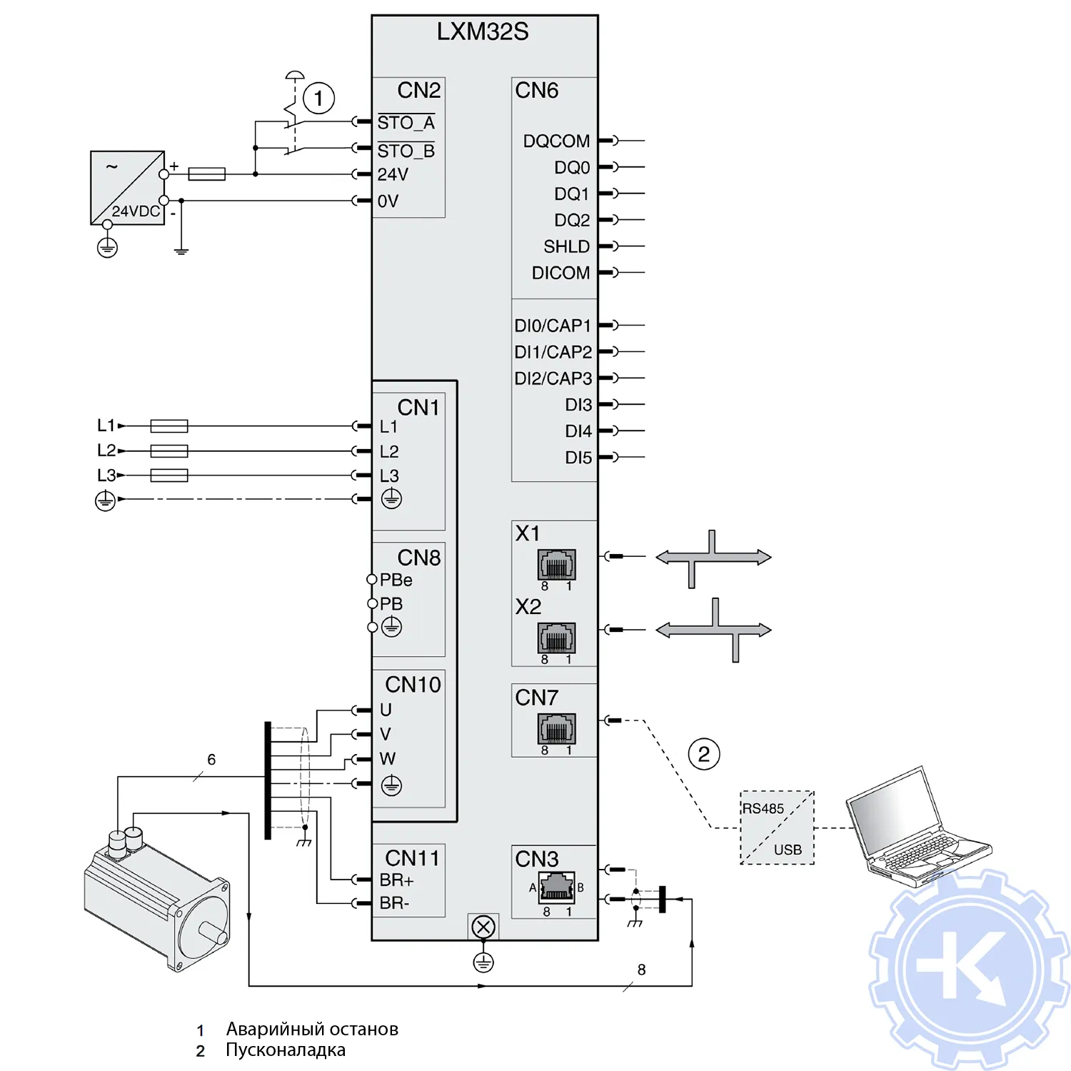
В некоторых случает может понадобится схема подключения сервоприводов, ниже мы показаны схемы трех разных серий сервоприводов Schneider Electric LXM32S, LXM28A и LXM17S.
|
Cхема подключения сервопривода Schneider LXM32S |
Схема подключения сервопривода Schneider LXM28A |
|
|
|
Схема подключения сервопривода Schneider LXM17S |
|
|
|
Преимущество ремонта сервоприводов Schneider в нашем сервисном центре

- Предварительный осмотр на возможность восстановления бесплатный;
- Мы производим ремонт сервопривода Schneider на компонентном уровне (экономия бюджета и времени)
- При ремонте сервоприводов ни каких конструктивных изменений не вносим;
- Ремонт блоков с применением оригинальных запасных частей (по возможности).
- Вы платите исключительно за результат - работающий сервопривод;
- Гарантия на ремонт 6 месяцев;
- Сроки ремонта варьируются от 5 до 15 рабочих дней;
За два десятилетия существования сервисного центра нашими специалистами были успешно проведены тысячи подобных ремонтов с каждым разом поднимая квалификацию наших инженеров.
Оставить заявку на ремонт сервопривода Schneider
У вас остались вопросы, связанные с ремонтом или сбросом ошибок, а также программированием и настройкой сервоприводов Schneider? Оставьте заявку на ремонт сервопривода Schneider в Светлогорске нашим менеджерам. Связаться с ними можно несколькими способами:

- Заполнив форму заявки на ремонт (кнопка в правом верхнем углу сайта)
- Позвонив по номеру телефона:
- +7(8482) 79-78-54;
- +7(8482) 55-96-39;
- +7(917) 121-53-01
- Написав на электронную почту: 89171215301@mail.ru



