Ремонт частотного преобразователя Yaskawa CIMR, CIPR в Таразе
Особенности ремонта частотных преобразователей Yaskawa

Ремонт частотного преобразователя Yaskawa известного японского производителя промышленной электроники, впрочем, как и ремонт частотников выпущенными под другими брендами имеет ряд особенностей в силу своего конструктива. Частотные преобразователи, точнее их начинка делятся на две части:
- Аппаратная часть,
- Программная часть.
Приводы данного производителя не являются исключением из правил, именно поэтому ремонт частотного преобразователя Yaskawa имеет точно такой же ряд особенностей, как и у других преобразователей.
Диагностировать ту или иную неисправность помогают коды ошибок частотного преобразователя, которые отображаются на небольшом дисплее, расположенном на лицевой панели привода.
Ремонт частотных преобразователей Yaskawa, впрочем, как и любых других частотников выпущенных под другими брендами всегда начинается с аппаратной части, после успешного ремонта аппаратной части наступает очередь программной.
Настройка частотного преобразователя Yaskawa прописана в инструкции завода производителя, для каждой серии частотных преобразователей настройка будет индивидуальной, так как каждая линейка преобразователей решает свои собственные задачи, этим обусловливается широкая номенклатура данного промышленного оборудования. Но все же есть определенная последовательность настройки привода, которая относится ко всем частотным преобразователям, любого бренда.
Программирование, настройка частотного преобразователя Yaskawa
Программирование частотных преобразователей Yaskawa (настройка) происходит в рамках установленных производителем правил, существует общий алгоритм по программированию (программирование частотных преобразователей), который относится ко всем производителям данного промышленного оборудования. Ниже представлена пошаговая инструкция по настройке частотных преобразователей Yaskawa и подобного промышленного оборудования других брендов.

- Выбор режима управления приводом (управление по показанию датчиков, дистанционное управление, дистанционное управление).
- В случае использования отдельного (выносного) монитора, настраивается вывод на него технической информации.
- Далее определяем конфигурацию подключения серводвигателя. На данной стадии задаются такие параметры как- возможность применения обратной связи либо без ее применения, а в память блока заносятся данные по: величине крутящего момента, мощности потребителей, номинальное значения частоты, напряжение, ток и скорости вращения ротора.
- Программируется минимально допустимая величина напряжения и частоты, а также время ускорения ротора от ноля до номинального значения.
- И в завершении, в программу управления частотным преобразователем Yaskawa вносятся функциональные данные со значениями отдельных клемм и особенностями сигналов. Отмечаются действия оборудования, выполняющиеся автоматически при отсутствии информации поступающей в оперативном режиме с датчика.
В некоторых преобразователях частоты существует пункт наличия/отсутствия фильтра в цепи питания двигателя. Этот пункт отвечает за подключение различных видов нагрузок, в том случае, когда возможно выбрать нормальное или инверсное изменение частоты при повышении уровня сигнала обратной связи.
Ошибки частотного преобразователя Yaskawa A1000

В процессе работы выходит из строя даже самое надежное промышленное оборудование. Частотники в наше время, нашли широкое применение абсолютно во всех сферах промышленности, управляя как мини моторами в оргтехнике, так и гигантскими двигателями в горнодобывающей промышленности.
Для простоты общения со столь сложной электроникой все частотные преобразователи оснащены небольшими дисплеями с помощью которых выводятся информационные сообщения с кодами ошибок, расшифровав которые можно сразу же узнать причину ее возникновения. Если учесть распространенность данной промышленной электроники, то появляется острая нужда в расшифровке кодов ошибок частотных преобразователей. В этой статье мы рассмотрим одного из самых известных производителей промышленной электроники имеющему уважение во всем мире, Yaskawa и серию частотных преобразователей A1000.
Существует несколько видов ошибок, некоторые из них можно устранить автоматически, а некоторые возможно исправить только, обратившись в специализированный сервисный центр. В руководстве пользователя прописаны все коды ошибок частотного преобразователя Yaskawa A1000 и их расшифровка.
Коды ошибок частотного преобразователя Yaskawa A1000
Ошибка программирования с помощью пульта управления возникает в случае задания неприменимого параметра или неправильной настройки значения отдельного параметра. При отображении ошибки oPE нажмите клавишу ENTER (ввод), чтобы показать параметр U1-18 (константа отказа oPE). Этот монитор отобразит параметр, являющийся причиной ошибки oPE.
| Код ошибки | Причина |
|---|---|
| oPE01 | Не соответствуют мощность привода и значение, заданное в o2-04. |
| oPE02 | Задавались параметры, значения которых находились за пределами допустимого диапазона настройки. |
| oPE03 | Многофункциональным контактным входам H1-01 — H1-08 назначаются противоречащие друг другу настройки.
|
| oPE05 |
|
| oPE07 | Конфликт настроек для многофункциональных аналоговых входов H3-02 и H3-10 и функций PID.
|
| oPE08 | Задана функция, которая не может использоваться в выбранном режиме управления (может появиться после смены режима управления) |
| oPE10 | Настройка характеристики частотного управления неверна. |
| oPE18 | Во время запуска онлайн-настройки в режиме векторного управления без обратной связи (A1-02 = 2) произошла одна из следующих ошибок:
|
| Er-01 | Ошибка в данных двигателя. Входные данные двигателя неверны. (например, основная частота и константа частоты вращения не согласуются). |
| Er-02 | Незначительный отказ
|
| Er-03 | Была нажата кнопка STOP (стоп) -и отменена автонастройка. |
| Er-04 | Отказ резистора
|
| Er-05 |
|
| Er-08 | Ошибка номинального скольжения
|
| Er-09 | Ошибка разгона. Двигатель не разгоняется за отведенный для разгона период времени. |
| Er-11 | Ошибка частоты вращения двигателя. Опорное значение крутящего момента чрезмерно завышено. |
| Er-12 | Ошибка регистрации тока
|
| Er-13 | Ошибка индуктивности рассеяния. Привод не смог выполнить настройку для индуктивности рассеяния в пределах 300 с. |
| End1 | Избыточная уставка для частотного управления
|
| End2 | Предупреждающий сигнал о насыщении ферромагнитного сердечника двигателя
|
| End3 | Предупреждающий сигнал по номинальному току. |
| End4 | Ошибка расчета адаптируемого скольжения. Расчетное скольжение выходит за пределы допустимого диапазона. |
| End5 | Ошибка настройки сопротивлением. Расчетное значение сопротивления выходит за пределы допустимого диапазона. |
| End6 | Предупреждающий сигнал, связанный с индуктивностью рассеяния. Расчетное значение индуктивности рассеяния выходит за пределы допустимого диапазона. |
| End7 | Предупреждающий сигнал, связанный с током холостого хода.
|
Частотный преобразователь Yaskawa инструкция на русском, скачать
Все настройки частотных преобразователей Yaskawa приведены в технической документации ниже в удобном формате (PDF) который можно скачать на свой компьютер, распечатать или просто открыть на нашем сайте.
Промышленный частотный преобразователь Yaskawa серии GA и 1000 инструкции, скачать русскоязычные версии в формате PDF.
|
Частотный преобразователь yaskawa YASKAWA-GA500 инструкция на русском |
|
|
Частотный преобразователь yaskawa YASKAWA-GA700 инструкция на русском |
|
|
Частотный преобразователь yaskawa YASKAWA-A1000 инструкция на русском |
|
|
Частотный преобразователь yaskawa YASKAWA-J1000 инструкция на русском |
|
|
Частотный преобразователь yaskawa YASKAWA-V1000 инструкция на русском |
Промышленный частотный преобразователь Yaskawa с системой рекуперации инструкции, скачать в формате PDF.
|
Частотный преобразователь yaskawa YASKAWA-D1000 инструкция |
|
|
Частотный преобразователь yaskawa YASKAWA-R1000 инструкция |
|
|
Частотный преобразователь yaskawa YASKAWA-U1000 инструкция |
Промышленный частотный преобразователь Yaskawa лифтовой инструкция, скачать русскоязычную версию в формате PDF.
|
Частотный преобразователь yaskawa YASKAWA-L1000V инструкция на русском |
Частотный преобразователь Yaskawa, подключение
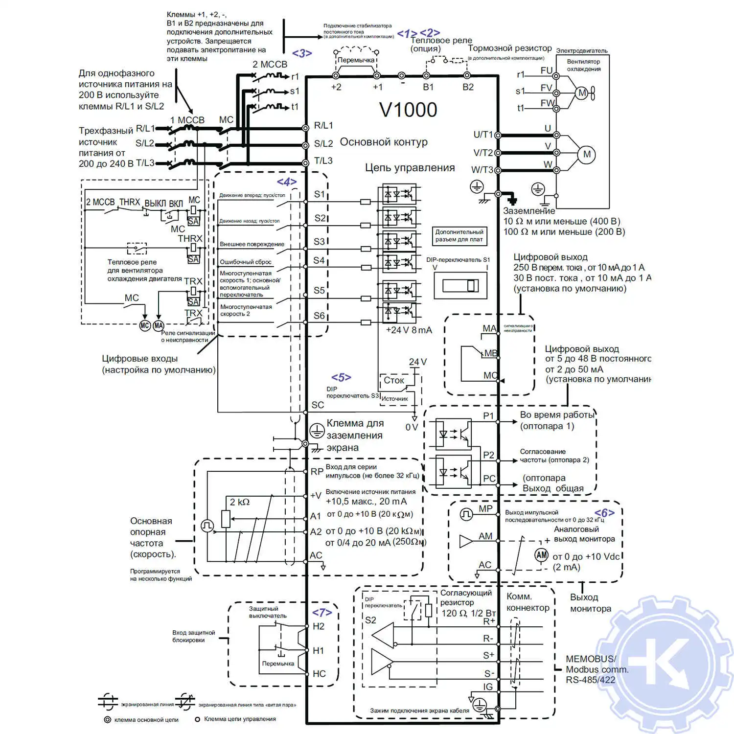
Схемы подключений частотных преобразователей Yaskawa могут отличатся друг от друга даже если эти преобразователи относятся ко одной линейке. Схема подключения преобразователя зависит от потребляемой частотным преобразователем нагрузки или питающей сети к которой подключается частотник 200V – 380V, а также от оборудования с которым предполагается работа данного частотника.
Ниже приведены схемы подключения частотного преобразователя Yaskawa серии 1000.
|
Схема подключения частотного преобразователя Yaskawa A1000 |
Схема подключения частотного преобразователя Yaskawa J1000 |
|
|
|
Схема подключения частотного преобразователя Yaskawa V1000 |
|
|
|
Ремонт частотных преобразователей Yaskawa в сервисном центре

Сервисный центр «Кернел» производит ремонт частотных преобразователей Yaskawa в Таразе с 2002 года. За время существования компании наши сотрудники накопили колоссальный опыт в ремонте преобразователей частоты такого известного производителя как Yaskawa. Ремонт подобного промышленного оборудования ответственное и сложное занятие, требующие максимальной отдачи, профессионализма и максимально полной материальной базе.
Специалисты нашего сервисного центра максимальное внимание уделяют качеству исполнения ремонта, программирования и настройке промышленных преобразователей частоты, не зависимо от производителя данного промышленного оборудования. Именно поэтому мы смело даем гарантию на ремонт частотного преобразователя Yaskawa и на запасные части замененные в процессе ремонта шесть месяцев.
Ремонт частотных преобразователей Yaskawa в Таразе производится исключительно с использованием оригинальных запасных частей, на компонентном уровне с применением высокотехнологичного оборудования, квалифицированным персоналом с инженерным образованием.
Мы ремонтируем все линейки частотных преобразователей, которые были выпучены за всю историю существования компании Yaskawa.
| Серия ПЧ | Типы частотных преобразователей Yaskawa |
|---|---|
| Yaskawa A1000 | CIMR-AC4A0002FAA; CIMR-AC2A0004FAA; CIMR-AC4A0004FAA; CIMR-AC4A0005FAA; CIMR-AC2A0006FAA; CIMR-AC4A0007FAA; CIMR-AC4A0009FAA; CIMR-AC2A0010FAA; CIMR-AC4A0011FAA; CIMR-AC2A0012FAA; CIMR-AC4A0018FAA; CIMR-AC2A0021FAA; CIMR-AC4A0023FAA; CIMR-AC2A0030FAA; CIMR-AC4A0031FAA; CIMR-AC4A0038FAA; CIMR-AC2A0040FAA; CIMR-AC4A0044FAA; CIMR-AC2A0056FAA; CIMR-AC4A0058AAA; CIMR-AC2A0069FAA; CIMR-AC4A0072AAA; CIMR-AC2A0081FAA; CIMR-AC4A0088AAA; CIMR-AC4A0103AAA; CIMR-AC2A0110AAA; CIMR-AC2A0138AAA; CIMR-AC4A0139AAA; CIMR-AC4A0165AAA; CIMR-AC2A0169AAA; CIMR-AC4A0208AAA; CIMR-AC2A0211AAA; CIMR-AC2A0250AAA; CIMR-AC4A0250AAA; CIMR-AC4A0296AAA; CIMR-AC2A0312AAA; CIMR-AC2A0360AAA; CIMR-AC4A0362AAA; CIMR-AC4A0414AAA; CIMR-AC2A0415AAA; CIMR-AC4A0515AAA; CIMR-AC4A0675AAA; CIMR-AC4A0930AAA; CIMR-AC4A1200AAA |
| Yaskawa D1000 | CIMR-DC4A0005BAA; CIMR-DC4A0010BAA; CIMR-DC2A0005BAA; CIMR-DC2A0010BAA; CIMR-DC4A0020BAA; CIMR-DC4A0030AAA; CIMR-DC4A0040AAA; CIMR-DC2A0020BAA; CIMR-DC2A0030BAA; CIMR-DC4A0060AAA; CIMR-DC2A0050BAA; CIMR-DC4A0100AAA; CIMR-DC2A0065BAA; CIMR-DC4A0130AAA; CIMR-DC2A0090BAA; CIMR-DC4A0185AAA; CIMR-DC2A0130BAA; CIMR-DC4A0270AAA; CIMR-DC4A0370AAA; CIMR-DC4A0630AAA |
| Yaskawa U1000 | CIMR-UC4E0011AAA; CIMR-UC4A0011AAA; CIMR-UC4A0014AAA; CIMR-UC4E0014AAA; CIMR-UC4A0021AAA; CIMR-UC4E0021AAA; CIMR-UC4A0027AAA; CIMR-UC4E0027AAA; CIMR-UC2A0028AAA; CIMR-UC2A0028AAA; CIMR-UC4A0034AAA; CIMR-UC4E0034AAA; CIMR-UC4E0040AAA; CIMR-UC4A0040AAA; CIMR-UC2E0042AAA; CIMR-UC2A0042AAA; CIMR-UC4A0052AAA; CIMR-UC4E0052AAA; CIMR-UC2A0054AAA; CIMR-UC2E0054AAA; CIMR-UC4E0065AAA; CIMR-UC4A0065AAA; CIMR-UC2A0068AAA; CIMR-UC2E0068AAA; CIMR-UC4E0077AAA; CIMR-UC4A0077AAA; CIMR-UC2E0081AAA; CIMR-UC2A0081AAA; CIMR-UC4E0096AAA; CIMR-UC4A0096AAA; CIMR-UC2A0104AAA; CIMR-UC2E0104AAA; CIMR-UC4A0124AAA; CIMR-UC4E0124AAA; CIMR-UC2A0130AAA; CIMR-UC2E0130AAA; CIMR-UC2A0154AAA; CIMR-UC2E0154AAA; CIMR-UC4E0156AAA; CIMR-UC4A0156AAA; CIMR-UC4A0180AAA; CIMR-UC4E0180AAA; CIMR-UC2E0192AAA; CIMR-UC2A0192AAA; CIMR-UC4E0216AAA; CIMR-UC4A0216AAA; CIMR-UC4E0240AAA; CIMR-UC4A0240AAA; CIMR-UC2E0248AAA; CIMR-UC2A0248AAA; CIMR-UC4A0302AAA; CIMR-UC4E0302AAA; CIMR-UC4E0361AAA; CIMR-UC4A0361AAA; CIMR-UC4E0414AAA; CIMR-UC4A0414AAA; CIMR-UC4A0477AAB; CIMR-UC4A0590AAB; CIMR-UC4A0720AAB; CIMR-UC4A0900AAB; CIMR-UC4A0930AAB |
| Yaskawa V1000 | CIMR-VC4A0001BAA; CIMR-VC2A0001BAA; CIMR-VC2A0002BAA; CIMR-VCBA0002BAA; CIMR-VC4A0002BAA; CIMR-VC2A0004BAA; CIMR-VC4A0004BAA; CIMR-VC4A0005BAA; CIMR-VCBA0006BAA; CIMR-VC2A0006BAA; CIMR-VC4A0007BAA; CIMR-VC4A0009BAA; CIMR-VC2A0010BAA; CIMR-VCBA0010BAA; CIMR-VC4A0011BAA; CIMR-VC2A0012BAA; CIMR-VCBA0012BAA; CIMR-VC4A0018FAA; CIMR-VC2A0020BAA; CIMR-VC4A0023FAA; CIMR-VC2A0030FAA; CIMR-VC4A0031FAA; CIMR-VC4A0038FAA; CIMR-VC2A0040FAA; CIMR-VC2A0056FAA; CIMR-VC2A0069FAA |
| Yaskawa J1000 | CIMR-JC4A0001BAA; CIMR-JC2A0001BAA; CIMR-JCBA0001BAA; CIMR-JC2A0002BAA; CIMR-JCBA0002BAA; CIMR-JC4A0002BAA; CIMR-JCBA0003BAA; CIMR-JC2A0004BAA; CIMR-JC4A0004BAA; CIMR-JC4A0005BAA; CIMR-JC2A0006BAA; CIMR-JCBA0006BAA; CIMR-JC4A0007BAA; CIMR-JC4A0009BAA; CIMR-JCBA0010BAA; CIMR-JC2A0010BAA; CIMR-JC4A0011BAA; CIMR-JC2A0012BAA; CIMR-JC2A0020BAA |
| Yaskawa GA700 | GA70C4002BBA; GA70C2004BBA; GA70C4004BBA; GA70C4005BBA; GA70C2006BBA; GA70C4009BBA; GA70C2010BBA; GA70C4012BBA; GA70C2012BBA; GA70C4018BBA; GA70C2021BBA; GA70C4023BBA; GA70C2030BBA; GA70C4031BBA; GA70C4038BBA; GA70C2042BBA; GA70C4044BBA; GA70C2056BBA; GA70C4060BBA; GA70C2070BBA; GA70C4075BBA; GA70C2082BBA; GA70C4089BBA; GA70C4103BBA; GA70C2110BBA; GA70C2138BBA; GA70C4140BBA; GA70C4168BBA; GA70C2169BBA; GA70C4208BBA; GA70C2211BBA; GA70C4250BBA; GA70C2257BBA; GA70C4296BBA; GA70C2313BBA; GA70C2360BBA; GA70C4371BBA; GA70C4389BBA; GA70C4453BBA; GA70C4568BBA; GA70C4675BBA |
| Yaskawa GA500 | CIPR-GA50CB001EBA; GA50C4001EBA; GA50C4001ABA; GA50C2001AJA; GA50C2001ABA; GA50C2001EBA; CIPR-GA50CB001ABA; GA50CB002EBA; GA50CB002ABA; GA50C2002ABA; GA50C2002EBA; GA50C2002AJA; GA50C4002EBA; GA50C4002ABA; GA50CB004ABA; GA50C2004ABA; GA50C2004EBA; GA50C2004AJA; GA50CB004EBA; GA50C4004ABA; GA50C4004EBA; GA50C4005ABA; GA50C4005EBA; GA50CB006ABA; GA50CB006EBA; GA50C2006EBA; GA50C2006AJA; GA50C2006ABA; GA50C4007ABA; GA50C4007EBA; GA50C2008AJA; GA50C2008ABA; GA50C2008EBA; GA50C4009ABA; GA50C4009EBA; GA50C2010AJA; GA50CB010ABA; GA50C2010ABA; GA50CB010EBA; GA50C2010EBA; GA50C4012EBA; GA50C4012ABA; GA50CB012ABA; GA50C2012EBA; GA50C2012ABA; GA50C2012AJA; GA50CB012EBA; GA50C4018ABA; GA50C2018ABA; GA50C4018EBA; GA50C2018EBA; GA50C2018AJA; GA50CB018ABA; GA50C2021EBA; GA50C2021AJA; GA50C2021ABA; GA50C4023EBA; GA50C4023ABA; GA50C2030EBA; GA50C2030ABA; GA50C4031EBA; GA50C4031ABA; GA50C4038EBA; GA50C4038ABA; GA50C2042EBA |
| Yaskawa LA500 | LA50C4009EBB; LA50C4009ABB; LA50C4015EBB; LA50C4015ABB; LA50C2018EBB; LA50C2018ABB; LA50C4018EBB; LA50C4018ABB; LA50C4024ABB; LA50C4024EBB; LA50C2025ABB; LA50C2025EBB; LA50C4031EBB; LA50C4031ABB; LA50C2033ABB; LA50C2033EBB; LA50C4039ABB; LA50C4039EBB; LA50C4045ABB; LA50C4045EBB; LA50C2047ABB; LA50C2060ABB; LA50C2060EBB; LA50C2075ABB; LA50C2075EBB |
В таблице указаны далеко не все типы частотных преобразователей Yaskawa ремонт которых выполняет сервисный центр "Кернел".
В случае выхода из строя преобразователя частоты на вашем производстве либо появились проблемы с приводом, которые вы не можете решить самостоятельно, мы всегда рады вам помочь. Специалисты нашего сервисного центра в минимальные сроки проведут глубокую диагностику с последующим ремонтом частотного преобразователя Yaskawa. Оставьте заказ на ремонт промышленного оборудования используя форму на сайте, либо свяжетесь с нашими менеджерами, сделать это очень просто.
Оставить заявку на ремонт частотного преобразователя Yaskawa
У вас остались вопросы, связанные с ремонтом частотных преобразователей Yaskawa? Оставьте заявку на ремонт частотного преобразователя Yaskawa в Таразе нашим менеджерам. Связаться с ними можно несколькими способами:

- Заполнив форму заявки на ремонт (кнопка в правом верхнем углу сайта)
- Позвонив по номеру телефона:
- +7(8482) 79-78-54;
- +7(8482) 55-96-39;
- +7(917) 121-53-01
- Написав на электронную почту: 89171215301@mail.ru

Скачать PDF

