Колумбус

РЕМОНТ ЧАСТОТНОГО ПРЕОБОРАЗОВАТЕЛЯ BONFIGLIOLI
НАСТРОЙКА И ПРОГРАММИРОВАНИЕ ЧАСТОТНОГО ПРЕОБРАЗОВАТЕЛЯ BONFIGLIOLI

в

МЕНЮ

Ошибки и ремонт частотных преобразователей BONFIGLIOLI в

Ремонт частотных преобразователей BONFIGLIOLI

Ремонт частотных преобразователей BONFIGLIOLIРемонт частотного преобразователя BONFIGLIOLI, впрочем, как и ремонт частотников других производителей имеет ряд особенностей в силу своего конструктива. Частотные преобразователи, точнее их начинка делятся на две части:

  • Аппаратная часть,
  • Программная часть.

Частотники данного производителя не являются исключением из правил, именно поэтому ремонт частотного преобразователя BONFIGLIOLI имеет точно такой же ряд особенностей, как и у других преобразователей.

Диагностировать ту или иную неисправность помогают коды ошибок частотного преобразователя, которые отображаются на небольшом дисплее, расположенном на лицевой панели привода. Коды ошибок частотного преобразователя BONFIGLIOLI в зависимости от серии описаны в инструкции, пользователя которые можно скачать с нашего сайта.

Ремонт частотных преобразователей BONFIGLIOLI, как и любых других преобразователей, выпущенных под другими брендами, всегда начинается с аппаратной части, после успешного ремонта аппаратной части наступает очередь программной.

Настройка частотного преобразователя BONFIGLIOLI также прописана в инструкции завода производителя, для каждой серии частотных преобразователей настройка будет индивидуальной, так как каждая линейка преобразователей решает свои собственные задачи, этим обусловливается широкая номенклатура данного промышленного оборудования.

Ремонт частотных преобразователей BONFIGLIOLI в сервисном центре

Ремонт частотных преобразователей BONFIGLIOLIКомпания «Кернел» производит ремонт частотных преобразователей BONFIGLIOLI в с 2002 года. За время существования компании наши сотрудники накопили колоссальный опыт в ремонте преобразователей частоты такого известного производителя как BONFIGLIOLI. Ремонт подобного промышленного оборудования ответственное и сложное занятие, требующие максимальной отдачи, профессионализма и максимально полной материальной базе.

Специалисты нашего сервисного центра максимальное внимание уделяют качеству исполнения ремонта, программирования и настройке промышленных преобразователей частоты, не зависимо от производителя данного промышленного оборудования. Именно поэтому мы смело даем гарантию на все выполненные работы шесть месяцев.

Ремонт частотных преобразователей BONFIGLIOLI в производится исключительно с использованием оригинальных запасных частей, на компонентном уровне с применением высокотехнологичного диагностического оборудования, квалифицированным персоналом с инженерным образованием.

В случае выхода из строя преобразователя частоты на вашем производстве либо появились проблемы с приводом, которые вы не можете решить самостоятельно, мы всегда рады вам помочь. Специалисты нашего сервисного центра в минимальные сроки проведут глубокую диагностику с последующим ремонтом частотного преобразователя BONFIGLIOLI.

Инженеры сервисного центра выполняют качественный ремонт частотных преобразователей BONFIGLIOLI в всех серий, когда-либо выпускаемых компанией.

BONFIGLIOLI ACTIVE Cube

ACU210-01, ACU210-03, ACU210-05, ACU210-07, ACU210-09, ACU210-11, ACU210-13, ACU210-15, ACU210-18, ACU210-21

BONFIGLIOLI ACTIVE Agile

AGL402-02 1, AGL402-03 1, AGL402-05 1, AGL402-07 1, AGL402-09, AGL402-11 1, AGL402-13 1, AGL402-15 2, AGL402-18 2, AGL402-19 2

BONFIGLIOLI ACTIVE ANG

ANG210-11, ANG210-19, ANG410-09, ANG410-18, ANG410-25, ANG410-37, ANG510-55, ANG510-61, ANG610-53, ANG610-59

BONFIGLIOLI ACTIVE Series

ACT401-05, ACT401-07,  ACT401- 09, ACT401- 11, ACT401-12, ACT401- 13, ACT401-15, ACT401-22, ACT401-25, ACT401-33

BONFIGLIOLI LMD

LMD037-Y1 1, LMD037-Y2 1, LMD037-D1 1, LMD037-D2 1, LMD075-Y1 1, LMD075-D2 1, LMD150-Y1 1, LMD300-D1 1

BONFIGLIOLI VCB

VCB400-010, VCB400-014, VCB400-018, VCB400-025, VCB400-034, VCB400-045, VCB400-060, VCB400-075, VCB400-115, VCB400-180

BONFIGLIOLI SYNTHESIS

SYN10 S 220 01 AF, SYN10 S 220 07 AF, SYN10 S 220 09 AF, SYN10 T 400 05 AF, SYN10 T 400 07 AF, SYN10 T 400 09 AF

BONFIGLIOLI SYNPLUS

SPL200-03F, SPL200-07F, SPL200-11F, SPL200-13F, SPL400-11F, SPL400-13F, SPL400-17F, SPL400-19F, SPL400-21F, SPL400-23F

BONFIGLIOLI S2U standard

S2U230S-02 (1), S2U230S-03 (1), S2U230S-07 (1), S2U230S-11 (2), S2U230S-13 (2)

BONFIGLIOLI S2U IP66

S2U230S-07 F IP66 (1), S2U230S-13 F IP66 (2), S2U400T-07 F IP66 (1), S2U400T-18 F IP66 (2), S2U400T-21 F IP66 (3), S2U400T-25 IP66 (3)

BONFIGLIOLI AEC

AEC401-19, AEC401-22, AEC401-25, AEC401-29, AEC401-33, AEC401-37, AEC401-43, AEC401-45, AEC401-47, AEC401-49

В данной таблице присутствуют далеко не все частотные преобразователи и сервопривода BONFIGLIOLI ремонт которых предлагает наш сервисный центр.

Настройка частотного преобразователя BONFIGLIOLI, программирование

Ремонт частотных преобразователей BONFIGLIOLIНастройка частотных преобразователей BONFIGLIOLI (программирование) происходит в рамках установленных производителем правил, существует общий алгоритм по программированию (настройке частотных преобразователей), относящийся ко всем производителям данного промышленного оборудования. Ниже представлена пошаговая инструкция по настройке частотных преобразователей BONFIGLIOLI.

  • Выбор режима управления приводом BONFIGLIOLI (управление по показанию датчиков, дистанционное управление, дистанционное управление).
  • В случае использования отдельного (выносного) монитора, настраивается вывод на него технической информации.
  • Далее определяем конфигурацию подключения серводвигателя. На данной стадии задаются такие параметры как- возможность применения обратной связи либо без ее применения, а в память блока заносятся данные по: величине крутящего момента, мощности потребителей, номинальное значения частоты, напряжение, ток и скорости вращения ротора.Ремонт частотных преобразователей BONFIGLIOLI
  • Программируется минимально допустимая величина напряжения и частоты, а также время ускорения ротора от ноля до номинального значения.
  • И в завершении, в программу управления частотным преобразователем BONFIGLIOLI вносятся функциональные данные со значениями отдельных клемм и особенностями сигналов. Отмечаются действия оборудования, выполняющиеся автоматически при отсутствии информации поступающей в оперативном режиме с датчика.

В некоторых частотниках существует пункт наличия/отсутствия фильтра в цепи питания двигателя. Этот пункт отвечает за подключение различных видов нагрузок, в том случае, когда возможно выбрать нормальное или инверсное изменение частоты при повышении уровня сигнала обратной связи.

Все настройки частотных преобразователей BONFIGLIOLI приведены в технической документации ниже в удобном формате (PDF) который можно скачать на свой компьютер, распечатать или просто открыть на нашем сайте.

Коды ошибок частотного преобразователя BONFIGLIOLI Synplus

Ремонт частотных преобразователей BONFIGLIOLIВ процессе работы выходит из строя даже самое надежное промышленное оборудование. В данной статье мы приведем ошибки частотного преобразователя BONFIGLIOLI, а точнее BONFIGLIOLI Synplus. Частотники в наше время нашли широкое применения в абсолютно всех сферах промышленности управляя как мини моторами в оргтехнике, так и гигантскими двигателями в горнодобывающей промышленности.

Для простоты общения со столь сложной электроникой все частотные преобразователи оснащены небольшими дисплеями с помощью которых выводятся информационные сообщения с кодами ошибок, расшифровав которые можно сразу же узнать причину ее возникновения. Если учесть распространенность данной промышленной электроники, то появляется острая нужда в расшифровке кодов ошибок частотных преобразователей. В этой статье мы рассмотрим одного из самых известных производителей промышленной электроники имеющему уважение во всем мире, BONFIGLIOLI.

Существует несколько видов ошибок, некоторые из них можно устранить автоматически, а некоторые возможно исправить только, обратившись в специализированный сервисный центр. В таблицах ниже приведены коды ошибок частотного преобразователя BONFIGLIOLI и их расшифровка.

Ошибки частотного преобразователя BONFIGLIOLI Synplus которые невозможно сбросить вручную.

Код ошибки

Ошибка

Причина

Устранение

CPF

Программная ошибка

Влияние внешних помех

Установите параллельно катушке магнитного контактора, который вызывает помехи, RC импульсный поглотитель

EPR

Ошибка EEPROM

Дефект внутренней памяти

EEPROM преобразователя

Заменить EEPROM

0V

В состоянии останова напряжение слишком велико

Повреждение внутренней измерительной цепи

Вернуть частотный преобразователь для ремонта

LV

В состоянии останова напряжение слишком мало

  • Напряжение в питающей сети ниже, чем нужно
  • Вышли из строя ограничивающий резистор или внутренние предохранители
  • Повреждение внутренней измерительной цепи
  • Проверить корректность напряжения источника питания
  • Заменить ограничивающий резистор или предохранитель
  • Вернуть частотный преобразователь для ремонта

OH

В состоянии останова частотный преобразователь перегревается

  • Повреждение внутренней измерительной цепи
  • Температура окружающей среды слишком высокая или осуществляется плохая вентиляция
  • Вернуть частотный преобразователь для ремонта
  • Улучшите условия вентиляции

CTER

Токовый датчик сигнализирует ошибку

Ошибка токового датчика или повреждение внутренней цепи

Вернуть частотный преобразователь для ремонта

Ошибки частотного преобразователя BONFIGLIOLI Synplus которые можно сбросить вручную или автоматически.

Код ошибки

Ошибка

Причина

Устранение

OC-S

Перегрузка по току при старте

  • Межвитковое замыкание или замыкание на корпус в двигателе
  • Замыкание фазных контактов с контактом земли в двигателе
  • Повреждения силового IGBT модуля
  • Проверьте двигатель
  • Проверьте кабель
  • Замените транзисторный модуль

OC-D

Перегрузка по току при замедлении

1. Установленное время замедления слишком маленькое

Установите большее время замедления

OC-A

Перегрузка по току при разгоне

  • Установленное время разгона слишком маленькое
  • Мощность двигателя больше мощности частотного преобразователя
  • Межвитковое замыкание или замыкание на корпус в двигателе
  • Замыкание фазных контактов с контактом земли в двигателе
  • Повреждения силового IGBT модуля
  • Установите большее время разгона
  • Замените частотный преобразователь на преобразователь с той же мощностью, что и двигатель
  • Проверьте двигатель
  • Проверьте кабель
  • Замените транзисторный модуль

OC-C

Перегрузка по току при фиксированной скорости

  • Кратковременное изменение нагрузки
  • Кратковременное изменение мощности
  • Увеличьте мощность частотного преобразователя
  • Проведите процедуру авто настройки снова (параметр 0-06= 1)
  • Уменьшите сопротивление статора (параметр 14-0), если вышеприведенные средства не помогли

OV-C

Слишком высокое напряжение при работе/ замедлении

  • Установленное время замедления слишком маленькое или вращаемые массы инерционны
  • Напряжение питания меняется в больших пределах
  • Установите большее время замедления
  • Установите тормозной резистор или тормозной модуль
  • Добавьте линейный дроссель на вход частотного преобразователя
  • Увеличьте мощность частотного преобразователя

OVSP

Превышение скорости при работе

  • Нагрузка двигателя слишком высокая или мощность преобразователя слишком низкая
  • Ошибка в параметре двигателя (при векторном режиме)
  • Слишком большое усиление при векторном режиме управления
  • Повреждение токовой измерительной цепи
  • Увеличьте время разгона/ замедления
  • Введите корректное значение параметра двигателя
  • Измените сопротивление статора и сопротивление ротора (параметры 14-0, 14-1), рекомендуется уменьшение 50~100 до 0
  • Вернуть частотный преобразователь для ремонта

Err4

Внезапная остановка работы ЦПУ

Влияние помех извне

Вернуть частотный преобразователь для ремонта, если данная ошибка часто повторяется.

Ошибки частотного преобразователя BONFIGLIOLI Synplus которые возможно сбросить вручную.

Код ошибки

Ошибка

Причина

Устранение

OC

Перегруз по току в состоянии останова

  • Повреждение внутренней измерительной цепи
  • Плохое соединение кабеля СТ
  • Проверьте уровень взаимных наводок между входной и выходной силовой цепью частотного преобразователя
  • Вернуть частотный преобразователь для ремонта

OL1

Перегрузка двигателя

  • Тяжелая нагрузка
  • Некорректная установка параметров 0-02, 9-08~11
  • Увеличьте мощность двигателя
  • Сделайте корректные уставки параметров 0-02, 9-08~11

OL2

Перегрузка частотного преобразователя

Тяжелая нагрузка

Увеличьте мощность частотного преобразователя

OL3

Перегрузка по моменту

  • Тяжелая нагрузка
  • Некорректная установка параметров 9-14, 9-15
  • Увеличьте мощность частотного преобразователя
  • Сделайте корректные уставки параметров 9-14, 9-15

LV-C

Слишком низкое напряжение при работе

  • Напряжение питания слишком низкое
  • Напряжение питания меняется в больших пределах
  • Улучшите качество источника питания или увеличьте уставку параметра 2-01
  • Установите большее время разгона
  • Увеличьте мощность частотного преобразователя
  • Добавьте линейный дроссель на вход частотного преобразователя

OH-C

При работе температура радиатора слишком высокая

  • Тяжелая нагрузка
  • Температура окружающей среды слишком высокая или плохие условия вентиляции
  • Проверьте, нет ли каких- либо проблем с нагрузкой
  • Увеличьте мощность частотного преобразователя
  • Улучшите условия вентиляции

Преобразователь частоты разработан таким образом, что он пытается избежать аварийных отключений путем ограничения момента, перенапряжения и т.п. Появление сбоев при вводе в эксплуатацию или вскоре после него обычно свидетельствует о неверной настройке или неправильном подключении. Возникновение неисправностей или проблем после длительного режима бесперебойной работы обычно происходит по причине изменений в системе или ее окружении (например, в результате износа).

Полный список всех возможных ошибок частотных преобразователей BONFIGLIOLI можно посмотреть и скачать в файлах ниже.

Частотный преобразователь BONFIGLIOLI, скачать инструкции по эксплуатации

Ниже вы можете скачать руководства по эксплуатации частотных преобразователей BONFIGLIOLI

Частотный преобразователь BONFIGLIOLI LMD инструкция

Скачать PDF

Частотный преобразователь BONFIGLIOLI VCB инструкция

Скачать PDF

Частотный преобразователь BONFIGLIOLI Synplus инструкция

Скачать PDF

Частотный преобразователь BONFIGLIOLI Synthesis инструкция

Скачать PDF

Частотный преобразователь BONFIGLIOLI Actyv agile инструкция

Скачать PDF

Частотный преобразователь BONFIGLIOLI Actyv cube инструкция

Скачать PDF

Сброс ошибок частотных преобразователей BONFIGLIOLI

Ремонт частотных преобразователей BONFIGLIOLIКомпания «Кернел» производит ремонт промышленной электроники и оборудования с 2002 года. За это время мы накопили колоссальный опыт в том числе опыт в ремонте частотных преобразователей BONFIGLIOLI. Ремонт подобной промышленной электроники ответственное и сложное занятие, требующие максимальной отдачи, профессионализма и максимально полной материальной базе.

Специалисты нашего сервисного центра уделяют максимальное внимание к качеству исполнения ремонта, программирования и настройке промышленного преобразователя частоты, не зависимо от производителя данного промышленного оборудования. Именно поэтому мы смело даем гарантию на все выполненные работы шесть месяцев.

Ремонт частотных преобразователей производится исключительно с использованием оригинальных запасных частей, на компонентном уровне с применением высокотехнологичного оборудования, квалифицированным персоналом с инженерным образованием.

Если на вашем производстве появились проблемы с частотным преобразователем, которые вы не можете решить самостоятельно, мы всегда рады вам помочь. Обращайтесь в сервисный центр «Кернел». Специалисты нашей компании в минимальные сроки проведут глубокую диагностику и последующий ремонт частотного преобразователя. Оставьте заказ на ремонт оборудования используя форму на сайте, либо свяжетесь с нашими менеджерами, сделать это очень просто.

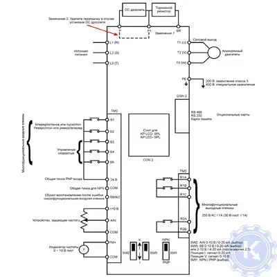
Схемы подключения частотного преобразователя BONFIGLIOLI

Схемы подключений частотных преобразователей BONFIGLIOLI могут отличатся друг от друга даже если эти преобразователи относятся ко одной линейке. Схема подключения преобразователя зависит от многих факторов таких как потребляемая частотным преобразователем нагрузка или питающая сеть к которой подключается частотник 200V – 380V и конечно же зависит от CPU в паре, с которым предполагается работа преобразователя.

Ниже приведены схемы подключения частотных преобразователей BONFIGLIOLI:

Схема подключения частотного преобразователя BONFIGLIOLI Synplus

Схема подключения частотного преобразователя BONFIGLIOLI Synthesis

Схема подключения частотного преобразователя BONFIGLIOLI Synplus

Схема подключения частотного преобразователя BONFIGLIOLI Synthesis

Оставьте заявку на ремонт промышленного оборудования используя форму на сайте, либо свяжетесь с нашими менеджерами, сделать это очень просто.

Оставить заявку на ремонт частотных преобразователей BONFIGLIOLI

У вас вышел из строя частотник? Вам необходим срочный ремонт частотных преобразователей BONFIGLIOLI в ? Оставьте заявку на ремонт нажав на одноименную кнопку в верхней правой части экрана либо свяжитесь с нашими менеджерами. Связаться с ними можно несколькими способами:

Наши контакты

  • Заполнив форму заявки на ремонт (кнопка в правом верхнем углу сайта)
  • Позвонив по номеру телефона:
    • +7(8482) 79-78-54;
    • +7(8482) 55-96-39;
    • +7(917) 121-53-01
  • Написав на электронную почту: 89171215301@mail.ru

Похожие статьи