Ремонт SIMOVERT MASTERDRIVES в Термезе
SIMOVERT MASTERDRIVES 6SE7027-2TP60-Z, ремонт
Ремонт SIMOVERT MASTERDRIVES 6SE7027-2TP60-Z Siemens, впрочем, как и ремонт частотников других производителей имеет ряд особенностей в силу своего конструктива. Частотные преобразователи, точнее их начинка делятся на две части:
- Аппаратная часть,
- Программная часть.
Преобразователи SIMOVERT MASTERDRIVES не являются исключением из правил, именно поэтому ремонт SIMOVERT MASTERDRIVES 6SE7027-2TP60-Z Siemens имеет точно такой же ряд особенностей, как и у других преобразователей.
Диагностировать ту или иную неисправность помогают коды ошибок частотного преобразователя, которые отображаются на небольшом дисплее, расположенном на лицевой панели привода. Коды ошибок SIMOVERT MASTERDRIVES приведены в таблице ниже развернутое описание представлено в PDF документе ссылку на который вы найдете в низу таблице.
Ремонт SIMOVERT MASTERDRIVES 6SE7027-2TP60-Z в Термезе, впрочем, как и любых других частотников выпущенных под другими брендами всегда начинается с аппаратной части, после успешного ремонта аппаратной части SIMOVERT MASTERDRIVES наступает очередь программной.
Настройка частотного преобразователя SIMOVERT MASTERDRIVES 6SE7027-2TP60-Z прописана в инструкции завода производителя, для каждой серии частотных преобразователей настройка будет индивидуальной, так как каждая линейка преобразователей решает свои собственные задачи, этим обусловливается широкая номенклатура данного промышленного оборудования.
Ремонт SIMOVERT MASTERDRIVES преимущества нашей компании
Компания «Кернел» производит ремонт SIMOVERT MASTERDRIVES в Термезе, частотных преобразователей известного производителя промышленной электроники и оборудования Siemens с 2002 года. За время существования компании наши сотрудники накопили колоссальный опыт. Ремонт подобного промышленного оборудования ответственное и сложное занятие, требующие максимальной отдачи, профессионализма и предельно полной материальной базе.
Специалисты нашего сервисного центра максимальное внимание уделяют качеству исполнения ремонта, программирования и настройке промышленных преобразователей частоты, не зависимо от производителя данного промышленного оборудования. Именно поэтому мы смело даем гарантию на все выполненные работы шесть месяцев.
Ремонт SIMOVERT MASTERDRIVES 6SE7027-2TP60-Z в Термезе производится исключительно с использованием оригинальных запасных частей, на компонентном уровне с применением высокотехнологичного оборудования, квалифицированным персоналом с инженерным образованием.
В случае выхода из строя преобразователя частоты на вашем производстве либо появились проблемы с приводом SIMOVERT MASTERDRIVES, которые вы не можете решить самостоятельно, мы всегда рады вам помочь. Специалисты нашего сервисного центра в минимальные сроки проведут глубокую диагностику с последующим ремонтом SIMOVERT MASTERDRIVES.
При заказе ремонта SIMOVERT MASTERDRIVES 6SE7027-2TP60-Z в нашем сервисном центре вы гарантированно получаете:
- Глубокую диагностику неисправного блока с выявлением неисправных компонентов;
- Замену неисправных компонентов на новые;
- Ремонт SIMOVERT MASTERDRIVES в максимально сжатые сроки;
- Проверку отремонтированного блока на специальном стенде;
- Оригинальные запасные части;
- Гарантию на все ремонтные работы 6 месяцев;
- Гарантию на запасные части 6 месяцев.
Компания «Кернел» предлагает квалифицированный ремонт преобразователя частоты с векторным управлением - SIMOVERT MASTERDRIVES 6SE7027-2TP60-Z в Термезе в сжатые сроки по цене от 20% до 40% от стоимости нового частотника. За время существования компании, наши инженеры отремонтировали не одну тысячу единиц промышленного оборудования, постоянно повышая свою квалификацию.
К сожалению, от поломок оборудования никто не застрахован, в зависимости от разных факторов, рано или поздно, любое оборудование выходит из строя, частотные преобразователи SIMOVERT MASTERDRIVES не исключение. В данной ситуации на помощь придет наша компания, и инженеры, профессионализм которых не ставится под сомнение.
Ошибки SIMOVERT MASTERDRIVES
|
Ошибка |
Причина |
Устранение |
|
F001 Обратный сигнал ГК (Главного Контактора). |
При конфигурированноо обратном сигнале главного контактора после команды на включение не происходит обратная сигнализация в течение установленного в P600 времени. У синхронных двигателей с внешним возбуждением (P095 = 12) отсутствует обратная сигнализация для устройства тока возбуждения. |
P591 Проверить И. обрат. сигнал. ГК. Значение параметра должно соответствовать подключению обратной сигнализации главного контактора. Проверить контур обратной связи главного контактора (или для синхронных двигателей обратная сигнализация для устройства тока возбуждения). |
|
F002 Предварительная зарядка. |
Во время предварительной зарядки не достигнуто минимальное напряжение звена постоянного тока (P071 напряжение питания конвертора. 1,34) 80 %. Превышено максимальное время предварительной зарядки 3 с. |
Проверить напряжения сети. Сравнить с напряжение питания конвертора P071 (для устройств постоянного тока P071 сравнить с напряжением звена постоянного тока). Проверить блок питания / обратного питания для устройств постоянного тока. Блок питания / обратного питания должен быть включен перед включением инвертора. |
|
F006 Перенапряжение звена постоянного тока. |
Из-за слишком высокого напряжения звена постоянного тока произошло отключение. Напр.сети Диап.I зв.пост.т I Знач.откл. 200 В - 230 В I 270 В - 310 В I ок. 410 В 380 В - 480 В I 510 В - 650 В I ок. 820 В 500 В - 600 В I 675 В - 810 В I ок. 1020 В 660 В - 690 В I 890 В - 930 В I ок. 1220 В для конверторов с паралл. соединен. (BF L) r949 = 1: Перенапряжение в звене пост. тока главного устройства r949 = 2: Перенапряжение в звене пост. тока подчиненного устройства. |
Проверить напряжение сети или проверить напряжение сети или входное постоянное напряжение. Конвертор работает в регенеративном режиме без возможности обратной связи. При напряжении питания конвертора на верхней границе допуска и режиме работы с полной нагрузкой F006 может быть вызвано также исчезновением фазы сети. Возможно - Увеличить время замедления P464, - Активировать регулятор U(d,макс) P515 (предварительно проверить P071) - Понизить P526 Скор. поиска.Улавл. - Уменьшить P259 Pw(ген, макс) (только для P100 = 3, 4 или 5) |
|
F008 Пониженное напряжение звена постоянного тока. |
Не достигнуто нижнее предельное значение 76 % напряжения звена постоянного тока (P071 напр. питания конверт.). Для разблокированной кинетической буферизации 61 %. Пониженное напряжение в звене пост. Тока в 'нормальном' режиме (т.е. без МОДЕЛИРОВАНИЯ). Пониженное напряжение в звене пост. Тока при активной кинетической буферизации и скорости вращения менее 10 % номинальной скорости вращения двигателя. Это было быстрое исчезновение напряжения сети, которое было обнаружено после восстановления питания сети (маркер автоматического повторного запуска). |
Проверить: - входное постоянное напряжение. - напряжения звена пост. Тока. |
|
F010 Перенапряжение звена постоянного тока. |
Из-за слишком высокого напряжения звена постоянного тока произошло отключение: Напр. сети Диап. зв.пост.тока Знач.откл 380 В - 480 В 510 В - 650 В 740 В Примечание: только для U800 = 1 и f(импульс) > f (снижение ном. значений параметров) Порог ниже чем в F006! |
Проверить напряжения сети. Проверить сопротивление торможения. Конвертор работает в регенеративном режиме без возможности обратной связи. Устройство торможения необходимо установить на нижний порог срабатывания (673 V). |
|
F011 Максимальный ток. |
Произошло отключение по максимальному току. Превышение порога отключения. |
- Проверить выход конвертора на короткое замыкание или короткое замыкание на землю. - Проверить рабочую машину на перегрузку. - Проверить согласование двигателя и конвертора. - Проверить, не слишком ли высокие требования к динамическим характеристикам. |
|
F012 Ток (i) слишком низкий. |
Во время намагничивания асинхронного двигателя ток не поднялся более 12,5 % заданного тока намагничивания для работы на холостом ходу. |
Только для регулирования n/f/m (P100 = 3, 4 или 5) Если двигатель не присоединен: Перейти в режим моделирования P372. Проверить обнаружение тока, проверить силовую часть. |
|
F014 Ток (i) слишком низкий. |
Во время намагничивания двигателя величина тока меньше 25% тока холостого хода двигателя. Примечание: только для U800 = 1 независимо от типа регулирования (в отличие от F012) |
Проверить выходной контактор. Проверить кабель двигателя. |
|
F015 Двигатель опрокинут. |
Двигатель опрокинут или блокирован: - в результате слишком высокой статической нагрузки, - в результате слишком быстрого разгона или замедления, слишком быстрой и слишком большой перемены нагрузки, - в результате неправильной параметризации количества импульсов/об. импульсного датчика P151 или масштабирование аналогового тахометра P138. - в результате неисправных сигналов скорости вращения (не подсоединено экранирование тахометра) Неисправность формируется только после внесенного в P805 времени. Устанавливается бинектор B0156 в слове состояния 2 r553 Бит 28. Идентификация того, блокирован ли привод, зависит от P792 (отклонение между заданным и фактическим значениями) и P794. Для регулирования n/f достижение предельных значений вращающего момента (B0234) является условием для этой ошибки. При регулировании скорости вращения (P100 = 4) и ведущем приводе (ср. P587) неисправность может означать также нарушение кабеля датчика. Этот случай равнозначен блокированию привода. При управлении U/f регулятор I(макс) должен быть активирован (P331). При применении для текстиля U/f (P100 = 2) контроль не работает. Двигатель опрокинут или блокирован: Для синхронных двигателей (P095 = 12,13): при достижении максимальной частоты Для синхронных двигателей с внешним возбуждением (P095 = 12): при отсутствующем или слишком высоком токе возбуждения (слишком низкий или слишком высокий поток). Для синхронных двигателей при достижении максимальной частоты (вкл. резерв регулирования) (B0254) немедленно формируется неисправность. При слишком больших отклонениях в потоке ротора сначала ток конвертора регулируется до нуля, ток возбуждения снижается и только после истечения времени в размере двойной константы времени успокоения (2*r124.1) формируется сообщение о неисправности. Во время этого времени ожидания уже устанавливается бит слова состояния B0156 (r553.28). |
- Снизить нагрузку. - Освободить тормоз. - Увеличить предельные значения тока. - Увеличить время блокирования P805. - Увеличить порог срабатывания P792 для отклонения между заданным и фактическим значениями. Только для регулирования f/n/M (P100 = 3, 4, 5) - Увеличить предельные значения вращающего момента или заданное значение вращающего момента. Только регулирование n/M или управление U/f с регулятором n: (P100 = 0, 4, 5) - Проверить наличие обрыва кабеля тахометра. - Проверить количество импульсов/об. импульсного датчика. - Проверить масштабирование аналогового тахометра. - Установить экранирование кабеля тахометра на двигателе и на стороне конвертора. - Уменьшить сглаживание предварительного регулирования скорости вращения P216 (только рег. n/M) только регулирование f: (P100 = 3). - Замедлить разгон. - Увеличить ток в нижнем диапазоне частоты (P278, P279, P280). - Включить предварительное регулирование регулятора скорости вращения (P471>0) · регулятор ЭДС установить на более динам. значение (P315) на макс. коэффициент 2. - Увеличить частоту переключения на модель ЭДС (P313) · при перемодулированном регуляторе n/f заменить регулированием n с пом. импульсного датчика: - Зад. значение скорости вращения вести по факт. значению скорости вращения, чтобы отклонение между зад. И факт. значениями всегда было меньше установленного в P792. Только для синхронного двигателя: (P095 = 12). - Проверить предельные значения тока устройства возбуждения. - Проверить зад. и факт. значение тока возбуждения (вкл. коммутацию). - Проверить пределы напряжения устройства возбуждения при динамических изменениях тока. - Проверить систему привода на наличие резонансных колебаний |
|
F018 F установлено улавливание. |
Обнаруженная частота установки не могла быть выполнена. Причины: - Слишком высокое доп. зад. значение 2. - Отрицат. факт. знач. скорости вращения в состоянии покоя (пульсация сигнала) и блокировано отрицательное направление вращения. |
- Проверить Дополнит. зад. значение 2. - Разблокировать отрицательное направление вращения на максимальной скорости вращения. |
|
F019 Двигатель не обнаружен |
Двигатель не обнаружен (при улавливании без тахометра). |
Включение после выбега. Возможно, увеличить P525 Улавл. Обнар. тока. |
|
F020 Температура двигателя |
Превышена предельная величина температуры двигателя. r949 = 1 Превышена предельная величина температура двигателя. r949 = 2 Короткое замыкание в питающей линии на датчик температуры двигателя или неисправность датчика. r949 = 4 Обрыв провода в питающей линии на датчик температуры двигателя или неисправность датчика. r949 = 5 Обрыв провода и превышение предельной величины. |
Проверить двигатель (нагрузка, вентиляция и т.д.). Действительную температуру двигателя можно считать в r009 Температура двигателя. Проверить P381 Температуру двигателя. Контроль неисправности на входе KTY84 на разъеме -X103:29,30 на короткое замыкание. |
|
F021 Двигатель I2t |
Превышена параметризованная предельная величина контроля I2t для двигателя. |
Проверить: P383 Темп.Двиг.T1. |
|
F023 Температура инвертора |
Превышена предельная величина температуры инвертора. r949 = 1: Превышена предельная величина температуры инвертора. r949 = 2: Датчик 1: Обрыв провода в кабеле датчика или неисправность датчика. r949 = 18: Датчик 2: Обрыв провода в кабеле датчика или неисправность датчика. r949 = 34: Датчик 3: Обрыв провода в кабеле датчика или неисправность датчика. r949 = 50: Датчик 4: Обрыв провода в кабеле датчика или неисправность датчика. |
Измерить температуру приточного воздуха или окружающей среды. При >40 ºC учитывать кривые снижения номинальных значений параметров. Проверить: - подключен ли вентилятор E1 и правильность направления его вращения. - воздухозаборные и воздуховыпускные отверстия на загрязнение. - датчик температуры на -X30. |
|
F025 UCE Ф. L1 |
В фазе L1 произошло отключение UCE. |
Проверить: - фазу L1 на короткое замыкание или КЗ на землю (-X2:V2 - включая двигатель). - правильность контактов блока управления. Открыт ли переключатель для ‘БЕЗОПАСНОЕ ОТКЛ (X9/5-6) (только в устр. с № заказа ...-11, ...-21,...-31, ...-61) |
|
F026 UCE Ф. L2 |
В фазе L2 произошло отключение UCE. |
Проверить: - фазу L2 на короткое замыкание или КЗ на землю (-X2:V2 - включая двигатель). - правильность контактов блока управления. Открыт ли переключатель для ‘БЕЗОПАСНОЕ ОТКЛ (X9/5-6) (только в устр. с № заказа ...-11, ...-21,...-31, ...-61) |
|
F027 UCE Ф. L3 |
В фазе L3 произошло отключение UCE. |
Проверить: - фазу L3 на короткое замыкание или КЗ на землю (-X2:V2 - включая двигатель). - правильность контактов блока управления. Открыт ли переключатель для ‘БЕЗОПАСНОЕ ОТКЛ (X9/5-6) (только в устр. с № заказа ...-11, ...-21,...-31, ...-61) |
|
F028 Фаза сети. |
Частота и амплитуда пульсации звена пост. тока свидетельствуют об однофазном исчезновение напряжения сети. |
Проверить напряжения сети. |
|
F029 Регистрация результатов измерений. |
Возникла ошибка в регистрации результатов измерений. - (r949 = 1) Коррекция смещения в фазе L1 не возможна. - (r949 = 2) Коррекция смещения в фазе L3 не возможна. - (r949 = 3) Коррекция смещения в фазах L1 и L3 не возможны. - (r949=65) Автом. коррекция аналоговых входов не возможна. |
Неисправность в регистрации результатов измерений. Неисправность в силовой части (вентиль не запирает). Неисправность в CU. |
|
F035 Внешняя ошибка 1. |
Активирован параметрируемый внешний входной сигнал неисправности 1. |
Проверить: - Наличие внешней неисправности. - Нет ли нарушения кабеля к соответствующему цифровому входу. - P575 Нет лт внешн.неиспр.1 |
|
F036 Внешняя ошибка 2. |
Активирован параметрируемый внешний входной сигнал неисправности 2. |
Проверить: - Наличие внешней неисправности. - Нет ли нарушения кабеля к соответствующему цифровому входу. - P575 Нет лт внешн.неиспр.1 |
|
F037 Аналоговый вход. |
Аналоговый вход работает в режиме работы 4..20мА, и имеется обрыв провода. Номер соответствующего аналогового входа находится в значении неисправности (r949). |
Проверить соединение с - аналоговым входом 1 -X102:15, 16. - аналоговым входом 2 -X102: 17, 18. Контроль параметров - P632 CU-AE Конфигурации. - P634 CU-AE Сглаживание. - P631 CU-AE Смещение. |
|
F038 Выключено напряжения при сохранении параметра. |
При задании на параметр произошло исчезновение напряжения на блоке. |
Заново ввести параметр. В значении неисправности r949 стоит номер соответствующего параметра. |
|
F040 AS внутренн. |
Неправильное рабочее состояние. |
Заменить CU (-A10). |
|
F041 Ошибка EEPROM. |
При сохранении значений в EEPROM возникла ошибка. |
Заменить CU (-A10). |
|
F042 Время вычислений. |
Проблемы времени вычислений. |
Уменьшить нагрузку времени вычислений: - Увеличить P357 Время взятия выборки. - Отдельные модули вычислять с более медленным временем взятия выборки. Наблюдать своб. время вычислений r829. |
|
F044 Ошибка Упр. Программа BICO. |
В соединении бинекторов и коннекторов возникла ошибка. |
Значение неисправности r949: >1000 : ошибка в соединении коннектора. >2000 : ошибка в соединении бинектора. - Отключить и включить напряжение. - Заводская настройка и новая параметризация. - Замена блока. |
|
F045 Аппаратный отказ факультативного блока. |
Возник аппаратурный отказ при обращении к факультативному блоку. |
Заменить CU. Проверить и при необходимости заменить соединение держателя блока с факультативным блоком. |
|
F046 Звд. Пар. |
При передаче параметров в процессор управляющей записи возникла ошибка. |
Устройство выключить и снова включить. Заменить CU (-A10). |
|
F047 Время вычислений упр. зап. |
Время вычислений в устройстве обработки управляющей записи недостаточно. |
Заменить CU (-A10). Для синхронных двигателей (P095 = 12): Установлена слишком высокая частота импульсов (P340 > 2кГц). |
|
F048 Част. имп. упр. зап. |
Установленная в P340 частота импульсов недопустима. |
Изменить частоту импульсов P340. |
|
F049 Версия программного обеспечения. |
Различное состояние версий встроенного программного обеспечения в CU. |
Использовать единое встроенное программное обеспечение. |
|
F050 Инициализация TSY. |
Ошибка при инициализации TSY. |
Проверить: - правильно ли вставлен TSY. |
|
F051 Датчик скорости вращения. |
Неисправность сбора данных цифрового или аналогового тахометра. |
Контроль параметров: - P130 И. факт. знач. скорости вращения. - P151 количество имп./об. - P138 норм. анал. тахом. - P109 число пар полюсов двиг. Произведение из P109 и P138 долюно быть 19200. Проверить или заменить тахометр. Проверить соединение с тахометром Заменить CU |
|
F052 Вх. рег. n |
Активирован входной сигнал неисправности на TSY. |
Сбросить тахометр контр. Дорожкой P130 И. факт. знач. скорости вращения. Заменить TSY. Проверить подключение тахометра на TSY. В зависимости от типа тахометра возможны несколько вариантов. |
|
F053 Тахометр dn/dt |
Допустимая величина изменения сигнала датчика скорости вращения P215 dn (факт.,допуст.) превышена более чем вдвое. |
Проверить питающие линии тахометра на наличие обрыва. Проверить заземление экранирования тахометра. - Экранирование должно быть выполнено как на стороне двигателя, так и на стороне конвертора. - Кабель датчика не должен иметь нарушения. - Кабель датчика не должен быть проложен с силовыми кабелями. - Должны использоваться только рекомендованные датчики. - При неисправности сигнала при необх. использовать блок DTI. При необходимости сделать изменения в P215 - С пом. P806 (учитывать описание параметров!) во время работы при необх. можно переключаться на режим без датчика. |
|
F054 Ошибка инициализации блока датчика. |
При инициализации блока датчика возникла ошибка. |
Значение неисправности r949 1: неправильный код блока 2: несовместимый TSY 3: несовместимый SBP 7: блок дублированный 20: блок TSY дублированный 60: внутренний сбой |
|
F056 Отказ телеграммы SIMOLINK. |
Нарушение связи в кольцевой схеме SIMOLINK. |
- Проверить кольцевую схему оптоволоконного кабеля. - Проверить, нет ли в кольцевой схеме SLB без напряжения. - Проверить, нет ли в кольцевой схеме неисправного SLB. - Проверить P741 (SLB Вр. отказа тлгр.) |
|
F057 Тормоз не размыкает. |
Тормоз не разомкнул, выходной ток конвертора превысил параметризованную пороговую величину тока (U840) более чем на одну секунду (ротор двигателя заклинило). Примечание: Только для U800 = 1 |
Проверить тормоз. Проверить I(макс) тормоз (U840). Установленный порог должен составлять не менее 10% выше максимально возможного тока разгона. |
|
F058 Ошибка параметра. |
При обработке задания на параметр возникла ошибка. |
Способа устранения нет. |
|
F059 Ошибка параметра после заводской настройки/ инициализации. |
При расчете параметра в фазе инициализации возникла ошибка. |
В значении неисправности r949 присутствует номер несогласующегося параметра. Исправить этот параметр (ВСЕ индексы) и выключить и снова включить напряжение. Это может касаться нескольких параметров, т.е. процесс повторить. |
|
F060 Отсутствует MLFB. |
Устанавливается, если после выхода из ИНИЦИАЛИЗАЦИИ MLFB = 0 (0.0 кВт). MLFB = номер заказа. |
После квитирования в ИНИЦИАЛИЗАЦИИ ВВЕСТИ подходящий MLFB в параметр P070 MLFB (6SE70..). (Возможно только при соответствующих ступенях доступа обоих параметров доступа). |
|
F061 Ошибочная параметризация. |
Введенный при настройке привода параметр (напр. P107 Частота Двиг. (n), P108 Скор.Вращ.Двиг. (n), P340 Частота Импульсов) находится в недопустимом диапазоне (в зависимости от типа регулирования) |
Квитировать неисправность и изменить соответствующие значение параметра. Неправильный параметр указывается в r949 как значение неисправности. |
|
F062 Мульти параллельная схема. |
Обнаружена неисправность в связи с мульти параллельной схемой или блоком ImPI. |
r949 = 10: Блок обмена данными не отвечает. При записи управляющего слова не активируется BUSY, если дезактивируется CSOUT. Вероятно, не вставлен блок обмена данными. r949 = 11,12: Истечение вр. ожид. при BUSY во время инициализации. BUSY не активируется в течение 1 с. r949 = 15: Истечение вр. ожид. при BUSY во время нормального обмена данными. BUSY не активируется в течение 1 с. r949 = 18: Истечение вр. ожид. при считывании информации о неисправности из ImPIs. В течение одной секунды после активирования ОШИБКИ ImPI не выдал причину неисправности. r949 = 20+i: Конфликт аппаратных средств. Устанавливается, если в слове состояния подчиненного устройства i устанавливается бит HWCONF. (Ошибка в структуре мульти параллельной схемы) r949 = 30+i: Несовместимая версия аппаратных средств ImPI. В i содержится соответствующий номер подчиненного устройства. r949 = 40: Количество подчиненных устройств не совпадает с заданным количеством подчиненных устройств. r949 = 50+i: Противоречивость в количестве подчиненных устройств. Сообщенное от ImPI количество подчиненных устройств не совпадает с количеством слов состояния или с заданным количеством подчиненных устройств MLFB. Способ устранения: - Проверить и при необх. заменить ImPI или блок обмена данными. - Проверить структуру мульти параллельной схемы. Проверить параметризацию. - Заменить CU. - Заменить ImPI. |
|
F065 Отказ телеграммы SST. |
В интерфейсе SST (протокол SST/USS) в течение времени отказа телеграммы не поступала телеграмма. |
Значение неисправности r949: 1 = Интерфейс 1 (SST1) 2 = Интерфейс 2 (SST2) - Проверить соединение CU -X100:1 - 5 или проверить соединение PMU -X300. - Проверить "SST/SCB вр. отказа тлгр." P704.01 (SST1) или P704.02 (SST2) - Заменить CU (-A10). |
|
F070 Ошибка инициализации SCB. |
При инициализации блока SCB возникла ошибка. |
Значение неисправности r949: 1: неправильный код блока 2: несовместимый блок SCB 5: ошибка в данных конфигурации 6: истечение врем. ожид. инициализации 7: блок SCB дублированный 10: сбой в канале |
|
F072 Ошибка инициализации EB. |
При инициализации блока EB возникла ошибка. |
Значение неисправности r949: 2: несовместимый 1-й EB1 3: несовместимый 2-й EB1 4: несовместимый 1-й EB2 5: несовместимый 2-й EB2 21: три блока EB1 22: три блока EB2 110: ошибка 1-й EB1 (Аналоговый вход) 120: ошибка 2-й EB1 (Аналоговый вход) 210: ошибка 1-й EB2 (Аналоговый вход) 220: ошибка 2-й EB2 (Аналоговый вход) |
|
F073 АнВх1 SL1. |
4 мА на аналоговом входе 1, не достигнуто подчиненное устройство 1. |
Проверить связь источника сигнала с SCI1 (подчиненное устройство 1) -X428:4, 5. |
|
F074 АнВх2 SL1. |
4 мА на аналоговом входе 2, не достигнуто подчиненное устройство 1. |
Проверить связь источника сигнала с SCI1 (подчиненное устройство 1) -X428:7, 8. |
|
F075 АнВх3 SL1. |
4 мА на аналоговом входе 3, не достигнуто подчиненное устройство 1. |
Проверить связь источника сигнала с SCI1 (Подчиненное устройство 1) -X428:10, 11. |
|
F076 АнВх1 SL2. |
4 мА на аналоговом входе 1, не достигнуто подчиненное устройство 2. |
Проверить связь источника сигнала с SCI1 (Подчиненное устройство2) -X428:4, 5. |
|
F077 АнВх2 SL2. |
4 мА на аналоговом входе 2, не достигнуто подчиненное устройство 2. |
Проверить связь источника сигнала с SCI1 (подчиненное устройство 2) -X428:7,8. |
|
F078 АнВх3 SL2. |
4 мА на аналоговом входе 3, не достигнуто подчиненное устройство 2. |
Проверить связь источника сигнала с SCI1 (подчиненное устройство 2) -X428:10, 11. |
|
F079 Отказ телеграммы SCB. |
От SCB (USS, Peer-to-Peer, SCI) в течение времени отказа телеграммы не поступала телеграммы. |
- Проверить соединения SCB1(2). - Проверить P704.03"SST/SCB вр. отказа тлгр.". - Заменить SCB1(2). - Заменить CU (-A10). |
|
F080 Ошибка инициализации TB/CB. |
Ошибка при инициализации блока в интерфейсе DPR. |
Значение неисправности r949: 1: неправильный код блока 2: несовместимый блок TB/CB 3: несовместимый блок CB 5: ошибка в данных конфигурации 6: истечение врем. ожид. инициализации 7: блок TB/CB дублированный 10: сбой в канале Проверить блок T300 / CB на правильность контактов, проверить источник питания PSU, проверить блоки CU / CB / T и параметры инициализации CB: - P918.01 адрес шины CB, - P711.01 - P721.01 параметры CB 1 – 11. |
|
F081 Факультативный блок счетчик пульсаций. |
Перестал обрабатываться счетчик пульсаций факультативного блока. |
Значение неисправности r949: 0: счетчик пульсаций TB/CB 1: счетчик пульсаций SCB 2: счетчик пульсаций доп.CB - Квитировать неисправность (при этом автоматически выполняется сброс) - При повторном возникновении ошибки заменить соответствующий блок (см. значение неисправности. - Заменить ADB - Проверить и при необходимости заменить связь держателя блока с факультативным блоком (LBA) |
|
F082 Отказ телеграммы TB/CB. |
От TB или CB в течение времени отказа телеграммы не принимались новые данные обработки. |
Значение неисправности r949: 1 = TB/CB. 2 = дополнительный CB. - Проверить связь с TB/CB. - Проверить von P722 (CB/TB Вр.отказа телеграммы.). - Заменить CB или TB. |
|
F085 Ошибка инициализации доп. CB. |
При инициализации блока CB возникла ошибка. |
Значение неисправности r949: 1: неправильный код блока 2: несовместимый блок TB/CB 3: несовместимый блок CB 5: ошибка в данных конфигурации 6: истечение врем. ожид. инициализации 7: блок TB/CB дублированный 10: сбой в канале Проверить блок T300 / CB на правильность контактов и проверить параметры инициализации CB: - P918.02 адрес шины CB, - P711.02 - P721.02 параметра CB 1- 11 |
|
F087 Ошибка инициализации SIMOLINK. |
При инициализации блок SLB возникла ошибка. |
- Заменить CU - Заменить SLB |
|
F090 Ид. дв. парам. |
При попытке изменить параметр при измерении в состоянии покоя или вращающемся измерении (Ид. Дв.) возникла ошибка. |
Выключить и снова включить. При повторном возникновении заменить CU. |
|
F091 MId Время. |
Состояние измерения вращающегося измерения длится дольше предусмотренного. Возможные причины: · Слишком высокий момент нагрузки. Слишком неустойчивый момент нагрузки. Блокирован датчик разгона. |
Устранить причину и снова запустить измерение (снова включить конвертор). При повторном возникновении заменить CU. |
|
F095 Ид. дв. n (зад.) |
Из-за заданий для - допуст. последоват. чередования фаз. - максимальной частоты. - минимальной скорости вращения. - частоты переключ. между моделью U и I. - частоты ослабления поля возбуждения. - полосы пропускания подавления частоты невозможно определить допустимый диапазон частоты вращающегося измерения. |
Должен иметься 10% -й диапазон частоты, который в 1,1 раза превышает частоту переключения и в 0,9 раза меньше начальной частоты ослабления поля возбуждения. Возможные способы устранения: - Допустить обе последовательности чередования фаз. - Увеличить максимальную частоту. - Понизить минимальную скорость вращения. - Понизить частоту переключения между моделью U и I. - Уменьшить или убрать полосу пропускания подавления частоты. |
|
F096 Ид. дв. Прерывание. |
Вращающееся измерение было прервано из-за недопустимого внешнего вмешательства. |
Значение неисправности в r949 дает пояснение вида вмешательства: 4 блокирование зад. значения 5 переключение канала зад. значения 8 неожиданное изменение состояния конвертора 12 перекл. набора данных двигателя (для выбора функций."полн. Ид.Дв. ") 13 переключение на ведомый привод 14 перекл. набора данных двигателя на набор данных с характ. U/f 15 установлена блокировка регулятора 16 блокирован датчик разгона 17 выбор "Тест тахометра" для регулирования F 18 остановлен датчик разгона. Устранить причину 22 блокировки инвертора: Проверить разблокирование инвертора (P561) |
|
F097 Ид. дв. знач. измерения. |
Слишком большие расхождения значений измерений для номинального времени нарастания при оптимизации регулятора. Причина: очень неустойчивый момент нагрузки. |
При необходимости увеличить предельные значения момента до 100 процентов. |
|
F098 Ид. дв. щш. тахом. |
Вращающееся измерение обнаружило ошибку в сигнале факт. знач. скорости вращения. Значение неисправности дает пояснение вида ошибки. Сообщение о неисправности может сформироваться ошибочно, если имело место принудительное задание на скорость вращения привода извне (напр. Полностью блокированный привод формирует сообщение "отсутствие сигнала") |
Значение неисправности в r949 дает пояснение вида вмешательства 4 отсутствует сигнал скорости вращения 5 неправильный знак сигнала 6 отсутствует сигнал дорожки 7 неправильное усиление 8 неправильное количество имп./об. Проверить измерительные кабели. Контроль параметров: - P130 И. факт. знач. скорости вращения. - P151 количество имп./об. Имп.Дат. |
|
F100 Иниц. заземл. |
При испытании на короткое замыкание на землю измерен ток, не равный нулю, или сработал контроль UCE или максимального тока, хотя вентиль еще не был включен. |
Причину неисправности можно считать в r376 "Результат испытания на короткое замыкание на землю". Проверить выход конвертора на короткое замыкание или замыкание на землю (-X2:U2, V2, W2 - включая двигатель). Проверить правильность контактов блока управления CU. Типоразмер 1 и 2: - Проверить короткое замыкание транзисторные модули на блоке PEU -A23 на. Типоразмер 3 и 4: - Проверить на короткое замыкание транзисторные модули -A100, -A200, -A300 |
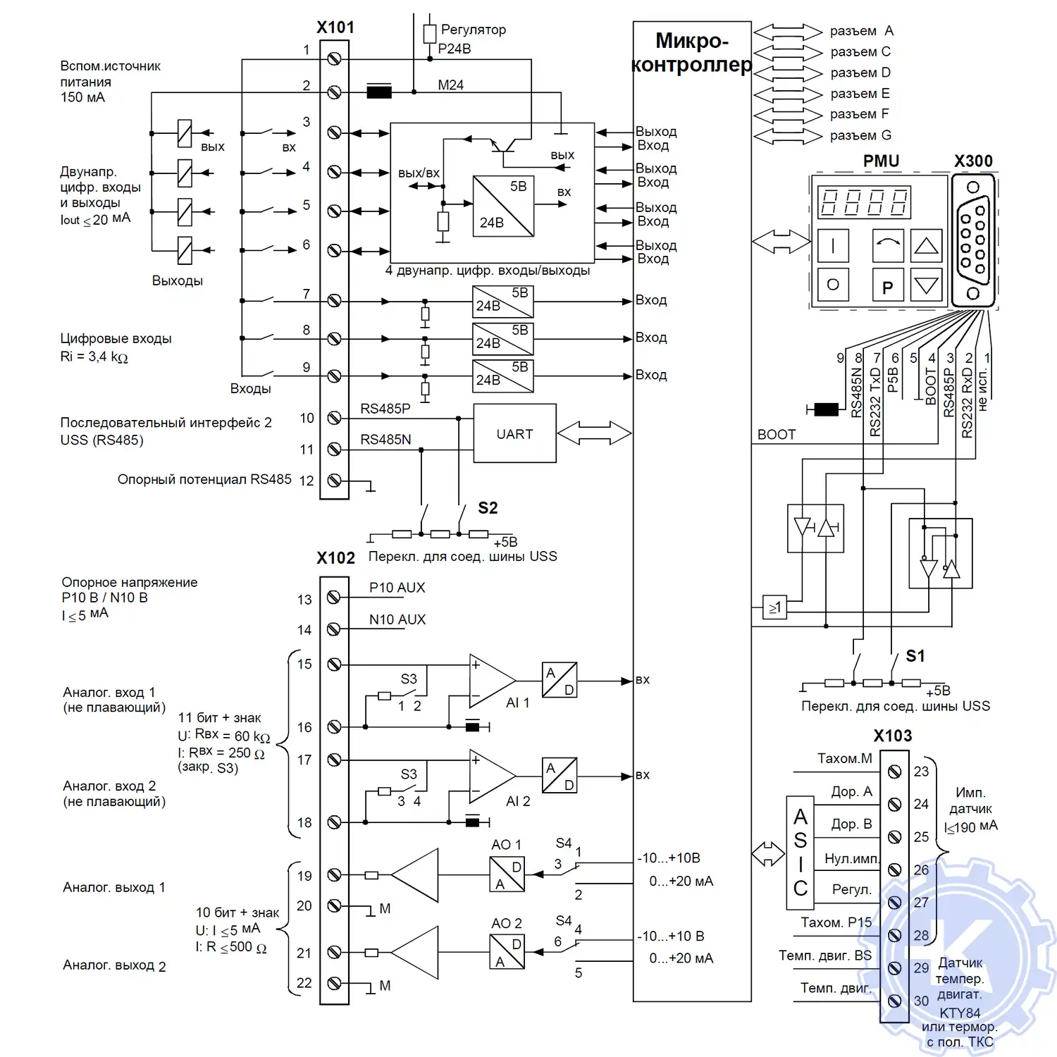
Схемы соединений SIMOVERT MASTERDRIVES
|
Общая схема соединений SIMOVERT MASTERDRIVES для типа E и F |
Общая схема соединений SIMOVERT MASTERDRIVES для типа G |
|
|
|
Общая схема стандартных соединений SIMOVERT MASTERDRIVES |
|
|
|
Ремонт преобразователей SIMOVERT MASTERDRIVES
Мы ценим своих клиентов и делаем упор на качество выполненных работ, а также время его выполнения. Ниже представлен далеко не полный список преобразователей частоты SIMOVERT MASTERDRIVES, ремонтируемые в нашем сервисном центре.
6SE7014-5FB10; 6SE7014-5FB61-Z; 6SE7012-0TP50-Z; 6SE7011-5EP50; 6SE7011-5EP70; 6SE7012-0TP50; 6SE7012-0TP70; 6SE7013-0EP50; 6SE7013-0EP70; 6SE7014-0TP50; 6SE7014-0TP70; 6SE7015-0EP50; 6SE7015-0EP70; 6SE7018-0TA51-Z; 6SE7013-2ES87-2DC0; 6SE7013-0EP70-Z; 6SE7011-5EP60; 6SE7012-0TP60; 6SE7013-0EP60; 6SE7014-0TP60; 6SE7015-0EP60; 6SE7016-1EA61; 6SE7018-0TA31; 6SE7014-5FB61; 6SE7014-5UB61; 6SE7016-1TA61-Z; 6SE7016-1EA51-Z; 6SE7016-1EA61-Z; 6SE7014-0TP70-Z; 6SE7014-5FB20; 6SE7015-0EP70-Z; 6SE7016-0TP50-Z; 6SE7014-0P50-Z; 6SE7016-1TA21; 6SE7014–5FB61; 6SE7016-0TP70-Z; 6SE7016-1EA30; 6SE7016-1EA31; 6SE7011-5EP70-Z; 6SE7016-1TA51-Z; 6SE7013-0EP60-Z-G91; 6SE7016-0TP60-Z; 6SE7016-1EA21; 6SE7011-5EP50-Z; 6SE7011-5EP60-Z-G91; 6SE7012-0TP70-Z; 6SE7012-0EP87-0FB1; 6SE7013-0EP60-Z; 6SE7013-0EP50-Z; 6SE7014-0TP50-Z; 6SE7014-5UB10; 6SE7014-0TP60-Z; 6SE7015-0EP50-Z; 6SE7015-0EP60-Z; 6SE7034–5FK60; 6SE7033–5FK60; 6SE7033–0FK60; 6SE7032–3FG60; 6SE7032–0FG60; 6SE7031–6FG60; 6SE7031–3FG60; 6SE7031–1FF6.
Оставьте заявку на ремонт SIMOVERT MASTERDRIVES используя форму на сайте, либо свяжетесь с нашими менеджерами, сделать это очень просто.
Купить SIMOVERT MASTERDRIVES
Мы предлагаем не только выполнить качественный ремонт промышленного оборудования и электроники также у нас вы можете купить частотный преобразователь SIMOVERT MASTERDRIVES, как со склада компании, так и под заказ.
В случае отсутствия нужного преобразователя на нашем складе, под заказ мы можем поставить вам промышленное оборудование, время ожидания в данном случае составит от 2-ух до 4-ех недель.
Кроме частотных преобразователей SIMOVERT MASTERDRIVES на складе находится около ста позиций промышленного оборудования различных производителей и года выпуска, некоторые из них давно сняты с производства и купить их у производителя просто невозможно.
В случае выхода из строя промышленного оборудования снятого с производства и невозможности или нежелании его ремонта вы можете поискать его в нашем каталоге и при желании купить. Все промышленное оборудование, выставленное на продажу на 100% рабочее, к том уже вместе с покупкой вы получаете 6-и месячную гарантию на приобретенное оборудование.
Вы можете получить консультацию и купить SIMOVERT MASTERDRIVES у наших менеджеров. Мы работаем для вас с 8:00 до 17:00 по Московскому времени без перерывов, суббота и воскресенье выходные дни.
Оставить заявку на ремонт SIMOVERT MASTERDRIVES
Оставить заявку на ремонт можно с помощью специальной формы, которая вызывается нажатием одноименной кнопки в верхней части страницы. Все вопросы, связанные с ремонтом SIMOVERT MASTERDRIVES 6SE7027-2TP60-Z в Термезе, вы можете задать нашим менеджерам. Связаться с ними можно несколькими способами:

- Заполнив форму заявки на ремонт (кнопка в правом верхнем углу сайта)
- Позвонив по номеру телефона:
- +7(8482) 79-78-54;
- +7(8482) 55-96-39;
- +7(917) 121-53-01
- Написав на электронную почту: 89171215301@mail.ru



