Ошибки устройств плавного пуска ABB pst и pstb, ремонт в Туркменгале
Ошибки УПП ABB и их сброс
Некоторые модели устройств плавного пуска для удобства оснащены индикационными панелями, с помощью которых можно программировать УПП, а также увидеть ошибки в случае аварийного останова оборудования. В данной статье мы рассмотрим ошибки устройств плавного пуска ABB серий PST и PSTB. УПП в наше время нашли широкое применение в абсолютно всех сферах промышленности защищая ваши электродвигатели и максимально продлевая их безаварийную работу.
Для простоты общения со столь сложной электроникой некоторые устройства оснащены небольшими дисплеями с помощью которых выводятся информационные сообщения с кодами ошибок, расшифровав которые можно сразу же узнать причину ее возникновения. Если учесть распространенность данной промышленной электроники, то появляется острая нужда в расшифровке кодов ошибок плавного пуска. Приведем в пример одного из самых известных производителей промышленного оборудования имеющему заслуженное уважение во всем мире, ABB.
Существует несколько видов ошибок, некоторые из них сбрасываются автоматически, некоторые устраняются вручную, а некоторые возможно исправить только, обратившись в специализированный сервисный центр. В таблицах ниже приведены коды ошибок УПП ABB их расшифровка и методы устранения.
Если ошибки устройства плавного пуска самостоятельно исправить невозможно специалисты нашего сервисного центра с радостью придут на помощь, восстановят неисправный блок сделают сброс ошибок УПП ABB в Туркменгале и все это в максимально сжатые сроки за 20% - 40% от стоимости нового УПП.
Коды ошибок устройств плавного пуска ABB серии PST/PSTB причины и методы устранения
|
Ошибка |
Причина |
Устранение |
|
Двигатель гудит или пускается без подачи сигнала старта. |
Короткое замыкание тиристора. Шунтирующий контактор залип в замкнутом состоянии. |
Проверьте и замените. Проверьте и устраните причину. |
|
Подозрительные звуки в двигателе при пуске и работе. |
Неправильное включение в соединение треугольником. |
Проверьте и исправьте подключение. |
|
Подозрительные звуки в двигателе при торможении. |
Неправильно задано время торможения. |
Попробуйте установить различные значения времени торможения (для наилучшего результата может потребоваться подстройка). |
|
Двигатель не запускается при подаче команды “Старт” при использовании аппаратных входов. |
Неправильное включение цепи управления. Команды пуска и остановки поданы одновременно. Клавиатура находится в режиме Местного Управления. |
Проверьте подключение цепей пуска и остановки. Убедитесь в том, что команды старта и остановки не подаются одновременно. Убедитесь в том, что клавиатура не находится в режиме местного управления. Убедитесь в том, что для параметра “Упр FB” задано значение No. |
|
Двигатель не запускается при подаче команды Старт при использовании обмена по технологической шине. |
Неправильная настройка параметров технологической шины. |
Убедитесь в том, что для параметра Упр FB задано значение “Да”. Убедитесь в том, что используется бит “Вкл”. Убедитесь в том, что программируемые входы правильно настроены. |
|
Ток, отображаемый на ЖК- индикаторе, не соответствует току двигателя. |
Включение в соединение треугольником. |
Если система плавного пуска включена в соединение треугольником, отображаемый ток составляет 58% (1 ⁄ 1,73205080757) тока двигателя. |
|
Отображение тока на ЖК- индикаторе не стабильно. |
Двигатель слишком маломощный. Нагрузка на двигателе слишком мала (ток выходит за пределы диапазона измерения). |
Убедитесь в том, что типоразмер системы плавного пуска соответствует мощности двигателя. Увеличьте нагрузку, если это возможно. Убедитесь в том, что типоразмер системы плавного пуска и мощность двигателя соответствуют нагрузке. |
|
Загружаемые параметры работают неправильно. |
Настройка технологической шины. |
См. описание используемого типа в разделе "Технологическая шина". |
|
Неисправность "потеря фазы" ОШИБКА ОБРЫВФАЗ |
Выключен главный контактор или автомат защиты. Сгорел предохранитель. Разомкнуто/замкнуто какое-либо устройство. Основной контактор размыкается слишком быстро |
Проверьте и включите контактор/автомат или другой внешний выключатель. Проверьте и замените предохранители во всех трех фазах. Добавьте время задержки до размыкания. |
|
Ошибка подключения ОШИБКАПОДКЛ |
Неправильно подключен двигатель. |
Включение в цепь питания Проверьте, что все провода подключены к двигателю. Проверьте правильность подключения. Проверьте и замените. |
|
Уход частоты НЕПРЧАСТОТА |
Частота вне пределов допустимого диапазона. (47,5 - 52,5 Гц или 57 - 63 Гц) |
Проверьте и откорректируйте частоту. |
|
Неисправность на стороне линии ОШИБКАНАПРЯЖ |
Неисправность основного электропитания на стороне линии. |
Проверьте и исправьте напряжение на стороне линии. |
|
Неисправность "Перегрев радиатора" ПЕРЕГРЕВРАДИАТОР |
Температура радиатора слишком высока. Если неисправность сохраняется после сброса, радиатор еще не остыл. |
Проверьте исправность работы вентиляторов. Убедитесь в том, что вентиляционные отверстия свободны от грязи и пыли. Проверьте не слишком ли высока температура окружающей среды. |
|
Неисправность тока резкого пуска ОШИБКА ПУСК НАПРЯЖ |
Параметр Уст. / ном. слишком малый. |
При включении в линию Задайте значение параметра в соответствии с номинальным током двигателя. При включении в соединение треугольником Задайте это значение равным 58% (1 ⁄ 1,73205080757) от номинального тока двигателя. |
|
Короткое замыкание тиристора ОШИБКА КЗ |
Один или несколько SCR замкнуты накоротко. |
Проверьте и замените. Для качественного ремонта обратитесь в сервисный центр. |
|
Обрыв тиристора ОШИБКА ОТКР |
Один или несколько тиристоров оборваны. |
Проверьте и замените. Для качественного ремонта обратитесь в сервисный центр. |
|
Неисправность технологической шины ОШИБКА ШИНЫ |
Технологическая шина не работает. |
Убедитесь в том, что технологическая шина подключена правильно. Убедитесь в том, что используется правильный тип технологической шины. Убедитесь в том, что в параметре “Тип FB” задан именно тот тип технологической шины, который реально используется. |
|
Шунтирующий контактор не размыкается ОШРАЗМБАЙПАС |
Шунтирующий контактор не размыкается должным образом. |
При работе без шунтирования Убедитесь в том, что параметр “Байпас” имеет значение “Нет”. При работе с шунтированием Проверьте, почему контактор не размыкается или не замыкается и выполните нужные действия. "Убедитесь в том, что параметр “Байпас” имеет значение “Да”. |
|
Шунтирующий контактор не замыкается ОШЗАМБАЙПАС |
Шунтирующий контактор не размыкается должным образом. |
При работе без шунтирования Убедитесь в том, что параметр “Байпас” имеет значение “Нет”. При работе с шунтированием Проверьте, почему контактор не размыкается или не замыкается и выполните нужные действия. "Убедитесь в том, что параметр “Байпас” имеет значение “Да”. |
|
Неисправность линии/звезды ОШЛИНИЯ/ТРЕУГ |
Устройство плавного пуска не может точно определить соединение - в линию или звездой. Наиболее вероятно это происходит по причине нестабильно электроснабжения со стороны линии. |
Перезапустите устройство плавного пуска. Если ошибка не исчезает постарайтесь уменьшить помехи в сети питания. |
|
ВНУТРОШИБКА 1 |
Обнаружена неисправность внутреннего обмена данными в системе плавного пуска. |
Отключите и снова включите напряжение питания (Us) и выполните перезапуск. • Если неисправность осталась, обратитесь в сервисный центр. |
|
ВНУТРОШИБКА 2 |
||
|
ВНУТРОШИБКА 3 |
||
|
ВНУТРОШИБКА 4 |
||
|
ВНУТРОШИБКА 5 |
||
|
Защита двигателя от перегрузки ЗащитаПерегрДвигателя |
Двигатель работает в режиме перегрузки, поскольку ток в течение определенного времени был слишком большим (слишком большая нагрузка на валу двигателя) |
Включение в линию питания При пуске Выясните и устраните причину перегрузки. Убедитесь в том, что порог ограничения тока не задан слишком малым. Убедитесь в том, что время разгона не задано слишком большим. Убедитесь в том, что используется правильный класс перегрузки. Убедитесь в правильности задания параметра “Уст/ном”. Во время работы Выясните и устраните причину перегрузки. Включение в соединение треугольником При пуске Выясните и устраните причину перегрузки. Убедитесь в том, что порог ограничения тока не задан слишком малым. Убедитесь в том, что время разгона не задано слишком большим. Убедитесь в том, что используется правильный класс перегрузки. Убедитесь, что параметр “Уст/ном” задан равным 58% (1 ⁄ 1,73205080757) от номинального тока двигателя. Во время работы Выясните и устраните причину перегрузки |
|
Защита от пониженной нагрузки ЗащНедогрДвигателя |
Ток двигателя ниже заданного уровня и заданного времени. |
Выясните и устраните причину недостаточной нагрузки. Убедитесь в том, что настройки выполнены в соответствии с условиями применения. |
|
Защита от блокировки ротора ЗащБлокирРотороа |
Заедания в работе двигателя по каким-либо причинам. Одной из причин может быть повреждение подшипника или заклинивание нагрузки. |
Проверьте подшипники двигателя и нагрузки. Убедитесь в том, что нагрузка работает без заеданий. |
|
Защита от повышенного тока ЗащВысТок |
Обнаружен чрезмерный ток, более чем в 8 раз превышающий номинальное значение для системы плавного пуска. |
Проверьте все цепи, включая двигатель, на отсутствие повреждений изоляции между фазами и между фазой и землей. |
|
Защита от дисбаланса фаз ЗащПерекосФаз |
Дисбаланс токов фаз. |
Проверьте контура основного электропитания и двигателя. Перезапустите двигатель и проверьте токи фаз |
|
Защита от обратного включения фаз Защита Фазировки |
Неправильная последовательность фаз. |
Измените последовательность подключения фаз на стороне линии на (L1- L2-L3). |
|
Термисторная защита Защита PTC |
Перегрев двигателя обнаружен РТС термистором. |
Убедитесь в том, что контур термистора замкнут и все входы подключены. Выясните и устраните причину перегрева. Дождитесь достаточного охлаждения двигателя и перезапустите систему. |
|
Защита тиристора от перегрузки ЗащитаПерегруз |
Мощность системы плавного пуска слишком мала. Слишком много пусков в час. Слишком долгое время разгона. |
Проверьте и замените систему плавного пуска на соответствующий типоразмер. Проверьте и уменьшите количество пусков в час. Убедитесь в том, что порог ограничения тока не задан слишком низким. Убедитесь в том, что время разгона не выбрано слишком большим. |
ЖК индикация устройств плавного пуска ABB
|
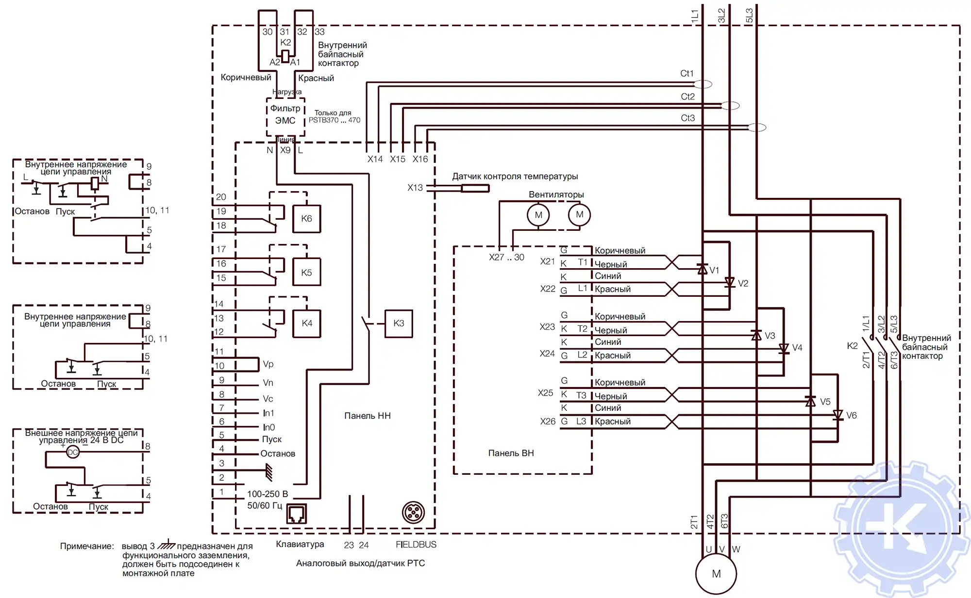
Электрические схемы подключения устройств плавного пуска, тип PST и PSTB
|
Схема подключения устройства плавного пуска, тип PST |
Схема подключения устройства плавного пуска, тип PSTB |
|
|
Ремонт устройств плавного пуска ABB
Компания «Кернел» производит ремонт устройств плавного пуска ABB в Туркменгале с 2002 года. За это время мы накопили колоссальный опыт в том числе опыт в ремонте УПП такого известного производителя. Ремонт подобной промышленной электроники ответственное и сложное занятие, требующие максимальной отдачи, профессионализма и максимально полной материальной базе.
Устройства плавного пуска ABB серий PST и PSTB оснащены информационной панелью, призванной сделать общение оператора и УПП максимально легким и комфортным. При вводе в эксплуатацию оборудования с помощью данной панели устройство программируется и настраивается, а в случае непредвиденной ситуации на панель плавного пуска выводится ошибка, вызвавшая аварийную остановку оборудования. В таблицах выше приведены все возможные ошибки УПП серий PST и PSTB. Устранение причины ошибки и ее сброс на устройстве плавного пуска позволит в кратчайшие сроки возобновить работу. К сожалению не все ошибки можно исправить самостоятельно, некоторые ошибки возможно исправить только в специализированных сервисных центрах.
Специалисты нашего сервисного центра уделяют максимальное внимание к качеству исполнения ремонта, программирования и настройке УПП в Туркменгале, не зависимо от производителя данного промышленного оборудования. Именно поэтому мы смело даем гарантию на все выполненные работы шесть месяцев.
Ремонт устройств плавного пуска ABB серий PST и PSTB производится исключительно с использованием оригинальных запасных частей, на компонентном уровне с применением высокотехнологичного оборудования, квалифицированным персоналом с инженерным образованием.
Если на вашем производстве появились проблемы с плавным пуском, которые вы не можете решить самостоятельно, мы всегда рады вам помочь. Обращайтесь в сервисный центр «Кернел». Специалисты нашей компании в минимальные сроки проведут глубокую диагностику и последующий ремонт УПП ABB в Туркменгале. Оставьте заказ на ремонт оборудования используя форму на сайте, либо свяжетесь с нашими менеджерами.
Сделать заявку на ремонт УПП ABB и сброс ошибок
У вас остались вопросы, связанные с ремонтом, сбросом ошибок, программированием и настройкой УПП в Туркменгале? Задайте их нашим менеджерам. Связаться с ними можно несколькими способами:

- Заполнив форму заявки на ремонт (кнопка в правом верхнем углу сайта)
- Позвонив по номеру телефона:
- +7(8482) 79-78-54;
- +7(8482) 55-96-39;
- +7(917) 121-53-01
- Написав на электронную почту: 89171215301@mail.ru



