Ошибки и ремонт частотных преобразователей TOSHIBA в Волгодонске
Ремонт частотных преобразователей TOSHIBA
Ремонт частотного преобразователя TOSHIBA, впрочем, как и ремонт частотников других производителей имеет ряд особенностей в силу своего конструктива. Частотные преобразователи, точнее их начинка делятся на две части:
- Аппаратная часть,
- Программная часть.
Частотники данного производителя не являются исключением из правил, именно поэтому ремонт частотных преобразователей TOSHIBA имеет точно такой же ряд особенностей, как и у других преобразователей.
Диагностировать ту или иную неисправность помогают коды ошибок частотного преобразователя, которые отображаются на небольшом дисплее, расположенном на лицевой панели привода. Коды ошибок частотного преобразователя TOSHIBA в зависимости от серии описаны в инструкции, пользователя которые можно скачать с нашего сайта.
Ремонт частотных преобразователей TOSHIBA в Волгодонске, как и любых других преобразователей, выпущенных под другими брендами, всегда начинается с аппаратной части, после успешного ремонта аппаратной части наступает очередь программной.
Настройка частотного преобразователя TOSHIBA также прописана в инструкции завода производителя, для каждой серии частотных преобразователей настройка будет индивидуальной, так как каждая линейка преобразователей решает свои собственные задачи, этим обусловливается широкая номенклатура данного промышленного оборудования.
Ремонт частотных преобразователей TOSHIBA в сервисном центре
Компания «Кернел» производит ремонт частотных преобразователей TOSHIBA в Волгодонске с 2002 года. За время существования компании наши сотрудники накопили колоссальный опыт в ремонте преобразователей частоты такого известного производителя как TOSHIBA. Ремонт подобного промышленного оборудования ответственное и сложное занятие, требующие максимальной отдачи, профессионализма и максимально полной материальной базе.
Специалисты нашего сервисного центра максимальное внимание уделяют качеству исполнения ремонта, программирования и настройке промышленных преобразователей частоты, не зависимо от производителя данного промышленного оборудования. Именно поэтому мы смело даем гарантию на все выполненные работы шесть месяцев.
Ремонт частотных преобразователей TOSHIBA в Волгодонске производится исключительно с использованием оригинальных запасных частей, на компонентном уровне с применением высокотехнологичного диагностического оборудования, квалифицированным персоналом с инженерным образованием.
В случае выхода из строя преобразователя частоты на вашем производстве либо появились проблемы с приводом, которые вы не можете решить самостоятельно, мы всегда рады вам помочь. Специалисты нашего сервисного центра в минимальные сроки проведут глубокую диагностику с последующим ремонтом частотного преобразователя TOSHIBA.
Инженеры сервисного центра выполняют качественный ремонт частотных преобразователей TOSHIBA в Волгодонске всех серий, когда-либо выпускаемых компанией.
|
TOSHIBA TOSVERT VF-nC3 |
VFNC3S-1001P, VFNC3S-1004P, VFNC3S-2001PL, VFNC3S-2004PL, VFNC3S-2015PL, VFNC3-2001P, VFNC3-2004P, VFNC3-2015P |
|
TOSHIBA TOSVERT VF-S15 |
VFS15S-2004PL-W, VFS15S-2015PL-W, VFS15-2004PM-W, VFS15-2015PM-W, VFS15-2037PM-W, VFS15-2075PM-W, VFS15-2150PM-W |
|
TOSHIBA TOSVERT VF-MB1 |
VFMB1S-2002PL, VFMB1S-2007PL, VFMB1S-2022PL, VFMB1-4007PL, VFMB1-4022PL, VFMB1-4055PL, VFMB1-4110PL, VFMB1-4150PL |
|
TOSHIBA TOSVERT VF-FS1 |
VFFS1-2007PM, VFFS1-2037PM, VFFS1-2110PM, VFFS1-2220PM, VFFS1-4007PL, VFFS1-4037PL, VFFS1-4110PL, VFFS1-4220PL |
|
TOSHIBA TOSVERT VF-PS1 |
VFPS1-2004PL, VFPS1-2022PL, VFPS1-2150PM, VFPS1-2300PM, VFPS1-2750P, VFPS1-4022PL, VFPS1-4075PL, VFPS1-4150PL |
|
TOSHIBA TOSVERT VF-P9 |
VT130P9U2010, VT130P9U2025, VT130P9U2055, VT130P9U2110, VT130P9U2220, VT130P9U2330, VT130P9U2500, VT130P9U2750 |
|
TOSHIBA TOSVERT VF-AS1 |
VFAS1-2007PL, VFAS1-2022PL, VFAS1-2055PL, VFAS1-2110PM, VFAS1-2185PM, VFAS1-2300PM, VFAS1-2450PM, VFAS1-4037PL-HN |
|
TOSHIBA TOSVERT VF-AS3 |
VFAS3-4004PC, VFAS3-4007PC, VFAS3-4015PC, VFAS3-4022PC, VFAS3-4037PC, VFAS3-4055PC, VFAS3-4075PC, VFAS3-4110PC |
В данной таблице присутствуют далеко не все частотные преобразователи TOSHIBA ремонт которых предлагает наш сервисный центр.
Коды ошибок частотного преобразователя TOSHIBA
В процессе работы выходит из строя даже самое надежное промышленное оборудование. В данной статье мы приведем ошибки частотного преобразователя TOSHIBA, а точнее TOSHIBA серии VF-AS1. Частотники в наше время, нашли широкое применение абсолютно во всех сферах промышленности, управляя как мини моторами в оргтехнике, так и гигантскими двигателями в горнодобывающей промышленности.
Для простоты общения со столь сложной электроникой все частотные преобразователи оснащены небольшими дисплеями с помощью которых выводятся информационные сообщения с кодами ошибок, расшифровав которые можно сразу же узнать причину ее возникновения. Если учесть распространенность данной промышленной электроники, то появляется острая нужда в расшифровке кодов ошибок частотных преобразователей. В этой статье мы рассмотрим одного из самых известных производителей промышленной электроники имеющему уважение во всем мире, TOSHIBA.
Существует несколько видов ошибок, некоторые из них можно устранить автоматически, а некоторые возможно исправить только, обратившись в специализированный сервисный центр. В таблицах ниже приведены коды ошибок частотного преобразователя TOSHIBA VF-AS1 и их расшифровка.
Обязательно должны соблюдаться все рекомендации, изложенные в инструкции по монтажу и эксплуатации насосов, в особенности требования по технике безопасности!
Коды ошибок частотных преобразователей TOSHIBA VF-AS1
Сообщения о аварии
|
Код ошибки (аварии) |
Описание |
Возможная причина |
Меры по устранению |
|
ОС 1 ОС 1Р |
Перегрузка по току во время разгона |
Время разгона АСС слишком мало. Неверно настроена характеристика V/f. Сигнал перезапуска подан на вращающийся двигатель после кратковременного останова. Используется нестандартный двигатель (например, двигатель с небольшим импедансом). Задано слишком большое значение подъема момента (ub). |
Увеличьте время разгона АСС. Проверьте настройку параметров V/f. Используйте режимы UuS (автоперезапуск) и UuC (управление подхватом). Увеличьте величину несущей частоты СF, если ее значение меньше 2 кГц. Снизьте значение параметра ub. Снизьте значение параметра F601 до 130 Увеличьте величину несущей частоты СF. |
|
ОС 2 ОС 2Р |
Перегрузка по току во время торможения |
Время торможения dЕС слишком мало |
Увеличьте время торможения dЕС. |
|
ОС 3 ОС 3Р |
Перегрузка по току во время работы |
Резкие колебания нагрузки. Нагрузка превышает номинальное значение |
Устраните колебания нагрузки. Проверьте нагрузку (исполнительный механизм). |
|
Прим): Для ОС 1Р, ОС 2Р, ОС 3Р: Неисправности, не упомянутые выше |
Неисправны элементы выходной силовой цепи инвертора. Активна внутренняя функция защиты от перегрева. |
Позвоните в сервис-центр. Проверьте охлаждающий вентилятор. Проверьте настройку параметра управления вентилятором F620. |
|
|
OCL |
Перегрузка по току в нагрузке при пуске |
Пробой изоляции в выходном кабеле или обмотках двигателя. Двигатель имеет небольшой импеданс. |
Проверьте кабели и обмотки двигателя на целостность изоляции. Правильно настройте параметры защиты от короткого замыкания на выходе F613. |
|
ОСR 1 |
Перегрузка по току на выходе (фаза U) |
Неисправность выходного ключа (фаза U). |
Проверьте кабели и обмотки двигателя на целостность изоляции. Позвоните в сервис-центр. |
|
ОСR 2 |
Перегрузка по току на выходе (фаза V) |
Неисправность выходного ключа (фаза V). |
Проверьте кабели и обмотки двигателя на целостность изоляции. Позвоните в сервис-центр. |
|
ОСR 3 |
Перегрузка по току на выходе (фаза W) |
Неисправность выходного ключа (фаза W). |
Проверьте кабели и обмотки двигателя на целостность изоляции. Позвоните в сервис-центр. |
|
ОСr |
Перегрузка тормозного транзистора |
Закорочены терминалы РВ и РС/+ Сопротивление подключенного тормозного резистора меньше минимально допустимого. |
Проверьте сопротивление тормозного резистора. Позвоните в сервис-центр. |
|
ОН |
Перегрев |
Охлаждающий вентилятор не работает. Температура окружающей среды выше нормы. Вентиляционные отверстия заблокированы. Рядом с инвертором установлено тепловыделяющее устройство. Встроенный термистор неисправен |
Возобновите работу после того, как инвертор охладился. Замените охлаждающий вентилятор. Освободите достаточно пространства вокруг инвертора Не помещайте тепловыделяющих устройств вблизи инвертора Позвоните в сервис-центр |
|
ОН2 |
Аварийный останов по сигналу перегрева с внешнего устройства |
На входной терминал PTC опциональной платы расширения терминалов поступил сигнал о перегреве с термопары. На входной терминал поступила команда внешнего перегрева (функция терминала 46, 47) |
Двигатель перегрелся, проверьте настройку токоограничивающих параметров. |
|
OL 1 |
Перегрузка инвертора |
Слишком быстрый разгон. Величина постоянного тока торможения слишком велика. Неверно настроена характеристика V/f. Сигнал перезапуска подан на вращающийся двигатель после кратковременной остановки и т.д. Нагрузка слишком велика. |
Увеличьте время разгона АСС Снизьте ток торможения F251 и время торможения F252 Проверьте параметры настройки V/f Используйте режимы UuS (автоперезапуск) и UuC (управление подхватом). Используйте инвертор с большей номинальной мощностью. |
|
OL 2 |
Перегрузка двигателя |
Неверно настроена характеристика V/f. Двигатель заблокирован. Работа происходит постоянно на малой скорости. Во время работы двигатель подвергается чрезмерной нагрузке |
Проверьте параметры настройки V/f Проверьте нагрузку Настройте стартовую частоту снижения нагрузки F606. Снизьте ток торможения F251 и время торможения F252 |
|
OLr |
Перегрузка тормозного резистора |
Слишком быстрое торможение. Величина момента инерции нагрузки слишком велика. |
Увеличьте время торможения dEC. Используйте тормозной резистор с большей мощностью (W) и настройте соответственно параметр PbCP |
|
OР 1 |
Перегрузка по напряжению при разгоне |
Недопустимые колебания входного напряжения Мощность сети питания больше 500кВА. Используется конденсатор, улучшающий коэффициент мощности К той же сети питания подключена тиристорная система Сигнал перезапуска подан на вращающийся двигатель после кратковременной остановки и т.д. |
Подключите соответствующий входной дроссель Используйте режимы UuS (автоперезапуск) и UuC (управление подхватом). |
|
OР 2 |
Перегрузка по напряжению при торможении |
Время торможения dEC слишком мало (слишком велика регенеративная энергия). Сопротивление тормозного резистора слишком велико. Pb (режим динамического торможения) отключен. Функция F305 (ограничение перегрузок по напряжению) отключена. Недопустимые колебания входного напряжения Мощность сети питания больше Используется конденсатор, улучшающий коэффициент мощности. К той же сети питания подключена тиристорная система |
Увеличьте время торможения dEC. Установите подходящий тормозной резистор. Активизируйте Pb (режим динамического торможения) Активизируйте функцию F305 Подключите 500кВА. соответствующий входной дроссель |
|
OР 3 |
Перегрузка по напряжению во время работы на постоянной скорости. |
Недопустимые колебания входного напряжения. Мощность сети питания больше 500кВА. Используется конденсатор, улучшающий коэффициент мощности. К той же сети питания подключена тиристорная система. Двигатель находится в генераторном режиме из-за того, что нагрузка вынуждает двигатель вращаться с частотой более высокой, чем выходная частота инвертора. |
Установите подходящий входной дроссель. Установите тормозной резистор. |
|
* Ot |
Перегрузка по моменту |
Момент нагрузки во время работы превышает уровень обнаружения перегрузки по моменту. Работа функции предотвращения останова продолжается в течение времени, превышающего значение параметра F452. |
Проверьте состояние системы и режимы работы оборудования (растормаживание внешнего тормоза и т.д.). Проверьте, не перегружен ли двигатель. |
|
* Uc |
Недогрузка по току |
Выходной ток снижается до уровня диагностики по минимальному току. |
Проверьте правильность установки уровня диагностики недогрузки (F611). Если ошибок в установках не обнаружено, позвоните в сервисную службу. |
|
* UР 1 |
Пониженное напряжение входной цепи питания. |
Входное напряжение (в силовой цепи) слишком низкое. Произошло кратковременное исчезновение напряжения питания в течение времени, превышающего значение параметра F628. |
Проверьте входное напряжение. Используйте параметр F628 (время детектирования пониженного напряжения) Чтобы не допустить внезапной остановки инвертора из-за пониженного напряжения, используйте F301 (автоперезапуск) и F302 (управление подхватом двигателя). |
|
Е |
Экстренный останов |
Останов кнопкой «STOP» с панели управления при работе в автоматическом режиме или при дистанционном управлении. Команда экстренного останова с входного терминала (функция терминала 20, 21). |
Перезапустите инвертор. |
|
EЕР1 |
Сбой ЕЕРROM 1 |
Ошибка записи данных. |
Выключите и снова включите инвертор. Если ошибка не устранена, позвоните в сервисную службу. |
|
EЕР2 |
Сбой ЕЕРROM 2 |
Ошибка данных пользователя. |
Позвоните в сервис-центр. |
|
EЕР3 |
Сбой ЕЕРROM 3 |
Ошибка чтения данных. |
Позвоните в сервис-центр. |
|
EF 1 EF2 |
Замыкание на “землю” |
В выходном кабеле или обмотке двигателя происходит утечка тока на “землю”. |
Проверьте кабели и обмотки двигателя на целостность изоляции. |
|
*EPHО |
Обрыв выходной фазы |
Произошёл обрыв фазы в выходной силовой цепи. |
Проверьте выходные силовые линии, двигатель и т.д. для выявления обрыва фазы. Проверьте настройку параметра F605 (выявление обрыва фаз). |
|
EPH1 |
Обрыв входной фазы |
Произошёл обрыв фазы во входной силовой цепи. |
Проверьте входные силовые линии на предмет выявления обрыва фазы. |
|
Err2 |
Ошибка RAM |
Неисправность ОЗУ (RAM) основного блока |
ОЗУ (RAM) неисправно |
|
Err3 |
Ошибка RОM |
Неисправность ПЗУ (RОM) основного блока |
ПЗУ (RОM) неисправно |
|
Err4 |
Ошибка ЦПУ |
Сбой ЦПУ |
Неисправность процессора |
|
Err5 |
Ошибка связи |
Связь не установлена в течение времени, превышающего значение параметра F803. |
Проверьте устройства связи в сети, соединительные кабеля. |
|
Err6 |
Ошибка драйвера |
Неисправен драйвер управления силовыми ключами. |
Позвоните в сервис-центр. |
|
Err7 |
Ошибка детектора выходного тока |
Детектор выходного тока неисправен. |
Позвоните в сервис-центр. |
|
Err8 |
Ошибка в опциональном устройстве. |
Что-то произошло с опциональным модулем. (включая модули связи). |
Проверьте правильность подключения опции. См. соответствующее руководство пользователя на опцион. устройство. |
|
Err8 |
Ошибка флэш |
Неисправность флэш-памяти. |
Позвоните в сервис-центр. |
|
Еtn |
Сбой автонастройки на двигатель |
Мощность инвертора в 2 и более раза превышает мощность двигателя. Подключен не трёхфазный асинхронный двигатель. Двигатель вращался во время автонастройки. |
Проверьте правильность подключения двигателя. Проведите автонастройку по новому и, в случае повторения ошибки, задайте параметры двигателя вручную. Убедитесь, что двигатель не вращается. |
|
Еtn 1 |
Сбой автонастройки на двигатель F410 |
Автонастройка с заданным в параметре F410 подъемом момента неосуществима. Мощность инвертора в 2 и более раза превышает мощность двигателя. Подключен не трёхфазный асинхронный двигатель. Двигатель вращался во время автонастройки. Кабель подключения двигателя более 30м в длину. |
Проверьте правильность подключения двигателя. Проведите автонастройку по новому и, в случае повторения ошибки, задайте параметры двигателя вручную. Убедитесь, что двигатель не вращается. |
|
Еtn 2 |
Сбой автонастройки на двигатель F412 |
Автонастройка с заданной в параметре F412 утечкой индуктивности неосуществима. Автонастройка с заданным в параметре F410 подъемом момента неосуществима. Мощность инвертора в 2 и более раза превышает мощность двигателя. Подключен не трёхфазный асинхронный двигатель. Двигатель вращался во время автонастройки. Кабель подключения двигателя более 30м в длину. |
Проверьте правильность подключения двигателя. Проведите автонастройку по новому и, в случае повторения ошибки, задайте параметры двигателя вручную. Убедитесь, что двигатель не вращается. |
|
Еtn 3 |
Ошибка при установке параметров двигателя |
Неверно введен один из параметров двигателя. Базовая частота uL Напряжение на базовой частоте 1 uLu. Номин. мощность двигателя F405. Номин. ток двигателя F406. Номин. число оборотов двигателя F406. |
Убедитесь в правильности ввода всех параметров двигателя. |
|
EtУP |
Ошибка типа инвертора |
Была заменена плата в инверторе (силовая или управления). |
После замены платы выполните настройку tУР = 6 |
|
Е - 10 |
Перенапряже- ние на входном аналоговом терминале |
Повышенный уровень напряжения на входном аналоговом терминале. |
Обеспечьте требуемый уровень напряжения входного сигнала |
|
Е - 11 |
Ошибка последова- тельности |
Ответный сигнал от системы управления не поступил на входной терминал. Не задана функция входного терминала 130 или 131. Если функция ответа от тормоза F630 не используется, а ее значение отлично от 0.0. |
Проверьте правильность последовательности действий системы. Задайте функцию используемого входного терминала 130 или 131. Задайте значение функции поддержания системы F630 равной 0.0, если Вы ее не используете. |
|
Е - 12 |
Ошибка энкодера |
Обрыв датчика скорости. |
Проверьте правильность подключения энкодера. Проверьте правильность выбранного типа энкодера. |
|
Е - 13 |
Ошибка скорости (Превышение скорости) |
Ошибка данных с энкодера. |
Проверьте правильность подключения энкодера. Проверьте правильность выбранного типа энкодера. |
|
Е - 17 |
Ошибка клавиатуры |
Кнопка остается в нажатом состоянии в течение 20 секунд. |
Проверьте панель управления. |
|
Е - 18 |
Ошибка на входе VI/II |
Обрыв кабеля на входе VI/II. Неисправность входного терминала. Перегрузка источника P24. |
Проверьте кабель и уровень сигнала на входе VI/II. Проверьте крепление платы терминалов. Проверьте уровень напряжения на P24. |
|
Е - 19 |
Ошибка связи с ЦПУ2 |
Между ЦПУ произошла ошибка связи |
Позвоните в сервис-центр. |
|
Е - 20 |
Ошибка V/F управления |
Произошел внутренний сбой по управлению частотой. |
Позвоните в сервис-центр. |
|
Е - 21 |
Неисправность ЦПУ 1 |
Программный сбой в управляющем процессоре |
Позвоните в сервис-центр. |
|
Е - 22 |
Аномальный сигнал на входном терминале |
Уровень сигнала на входном контактном терминале превышает допустимое значение. |
Проверьте уровень напряжения на входных контактных терминалах. |
|
Е - 23 |
Ошибка опции 1 |
Неисправность опциональной платы 1. |
Позвоните в сервис-центр. |
|
Е - 24 |
Ошибка опции 2 |
Неисправность опциональной платы 2. |
Позвоните в сервис-центр. |
|
Е - 25 |
Ошибка позиционирова ния при удержании вала |
При удержании вала произошел уход с позиции. Заданный в параметре F381 диапазон удержания позиции слишком узок. Слишком высокая скорость в момент позиционирования вала. |
Проверьте правильность подключения энкодера. |
|
Е - 26 |
Неисправность ЦПУ 2 |
Неисправен процессор управления двигателем |
Позвоните в сервис-центр. |
|
SOUt |
Потеря управления (для ПМ-двигателей) |
Вал двигателя заклинен. Выходная фаза разомкнута. Нагрузка имеет ударный характер. |
Освободите вал двигателя. Проверьте кабели, соединяющие инвертор с двигателем. |

* Примечание-1: Указанный параметр идентификации аварии может быть включен или отключен.
* Примечание-2: ОС 1Р - ОС 3Р и ОСR 1 - ОСR 3 возможен только отключением питания инвертора.
При возникновении проблем, проведите диагностику в соответствии с приведённой ниже таблицей. Если требуется замена деталей или проблему нельзя решить одним из описанных здесь способов, обратитесь в сервисный центр.
Преобразователь частоты разработан таким образом, что он пытается избежать аварийных отключений путем ограничения момента, перенапряжения и т.п.
Появление сбоев при вводе в эксплуатацию или вскоре после него обычно свидетельствует о неверной настройке или неправильном подключении.
Возникновение неисправностей или проблем после длительного режима бесперебойной работы обычно происходит по причине изменений в системе или ее окружении (например, в результате износа).
Дополнительную информацию по частотным преобразователям TOSHIBA можно посмотреть и скачать в файлах ниже.
Настройка частотного преобразователя TOSHIBA, программирование
Настройка частотных преобразователей TOSHIBA (программирование) происходит в рамках установленных производителем правил, существует общий алгоритм по программированию (настройке частотных преобразователей), относящийся ко всем производителям данного промышленного оборудования. Ниже представлена пошаговая инструкция по настройке частотных преобразователей TOSHIBA.
- Выбор режима управления приводом TOSHIBA (управление по показанию датчиков, дистанционное управление, дистанционное управление).
- В случае использования отдельного (выносного) монитора, настраивается вывод на него технической информации.
- Далее определяем конфигурацию подключения серводвигателя. На данной стадии задаются такие параметры как- возможность применения обратной связи либо без ее применения, а в память блока заносятся данные по: величине крутящего момента, мощности потребителей, номинальное значения частоты, напряжение, ток и скорости вращения ротора.

- Программируется минимально допустимая величина напряжения и частоты, а также время ускорения ротора от ноля до номинального значения.
- И в завершении, в программу управления частотным преобразователем TOSHIBA вносятся функциональные данные со значениями отдельных клемм и особенностями сигналов. Отмечаются действия оборудования, выполняющиеся автоматически при отсутствии информации поступающей в оперативном режиме с датчика.
В некоторых частотниках существует пункт наличия/отсутствия фильтра в цепи питания двигателя. Этот пункт отвечает за подключение различных видов нагрузок, в том случае, когда возможно выбрать нормальное или инверсное изменение частоты при повышении уровня сигнала обратной связи.
Все настройки частотных преобразователей TOSHIBA приведены в технической документации ниже в удобном формате (PDF) который можно скачать на свой компьютер, распечатать или просто открыть на нашем сайте.
Частотный преобразователь TOSHIBA, скачать инструкции по эксплуатации
Ниже вы можете скачать руководства по эксплуатации частотных преобразователей TOSHIBA для всех серий, когда-либо выпущенных данным производителем.
|
Частотный преобразователь TOSHIBA VF-AS1 инструкция, руководство по эксплуатации. |
Скачать PDF |
|
Частотный преобразователь TOSHIBA VF-AS3 инструкция, руководство по эксплуатации. |
Скачать PDF |
|
Частотный преобразователь TOSHIBA VF-FS1 инструкция, руководство по эксплуатации. |
Скачать PDF |
|
Частотный преобразователь TOSHIBA VF-MB1 инструкция, руководство по эксплуатации. |
Скачать PDF |
|
Частотный преобразователь TOSHIBA VF-nC3 инструкция, руководство по эксплуатации. |
Скачать PDF |
|
Частотный преобразователь TOSHIBA VF-P7 инструкция, руководство по эксплуатации. |
Скачать PDF |
|
Частотный преобразователь TOSHIBA VF-PS1 инструкция, руководство по эксплуатации. |
Скачать PDF |
|
Частотный преобразователь TOSHIBA VF-S11 инструкция, руководство по эксплуатации. |
Скачать PDF |
|
Частотный преобразователь TOSHIBA VF-S15 инструкция, руководство по эксплуатации. |
Скачать PDF |
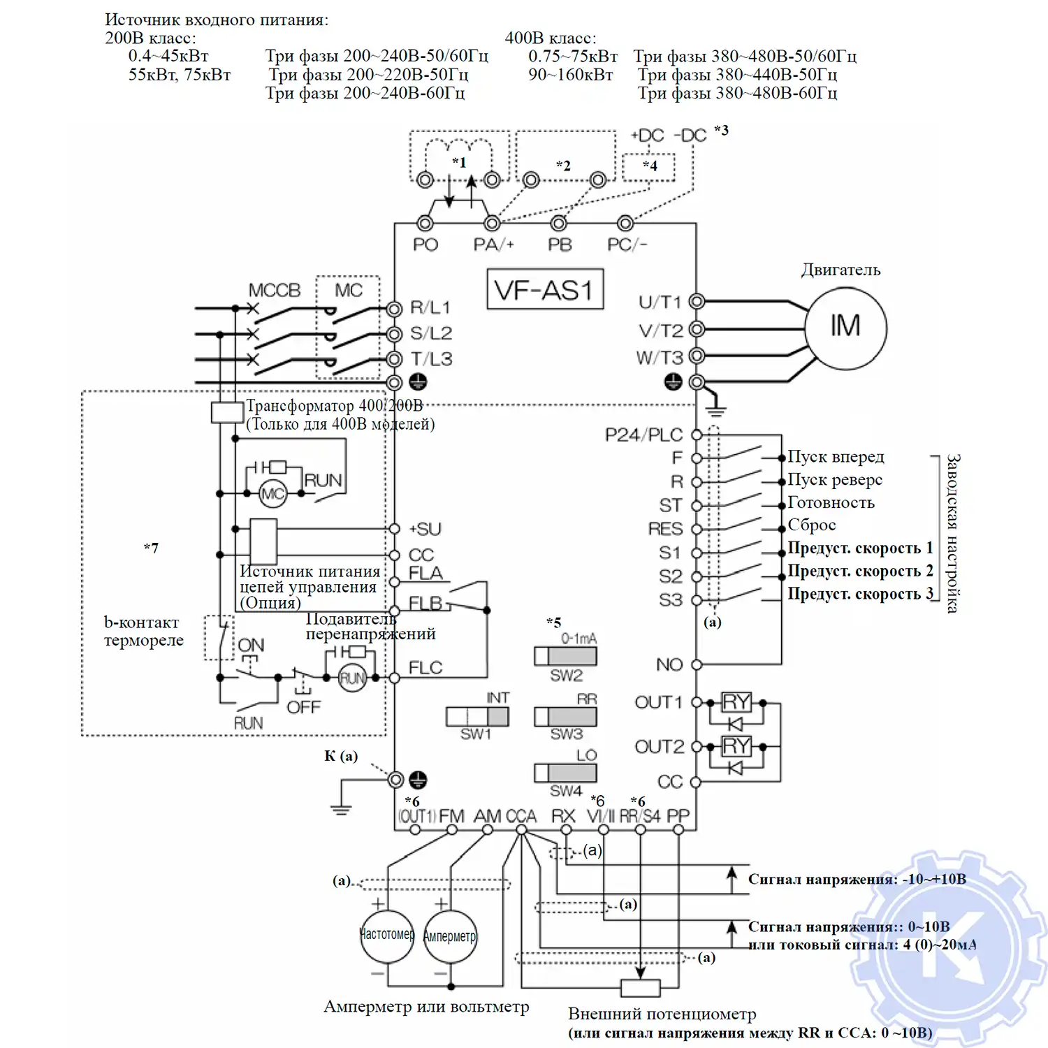
Схемы подключений частотных преобразователей TOSHIBA VF-AS1
Другие схемы подключений частотных преобразователей TOSHIBA вы найдете в руководстве пользователя.
Оставьте заявку на ремонт промышленного оборудования, используя форму на сайте, либо свяжетесь с нашими менеджерами, сделать это очень просто.
Оставить заявку на ремонт частотных преобразователей TOSHIBA
У вас вышел из строя частотник? Вам необходим срочный ремонт частотных преобразователей TOSHIBA в Волгодонске? Оставьте заявку на ремонт нажав на одноименную кнопку в верхней правой части экрана либо свяжитесь с нашими менеджерами. Связаться с ними можно несколькими способами:

- Заполнив форму заявки на ремонт (кнопка в правом верхнем углу сайта)
- Позвонив по номеру телефона:
- +7(8482) 79-78-54;
- +7(8482) 55-96-39;
- +7(917) 121-53-01
- Написав на электронную почту: 89171215301@mail.ru
Похожие статьи
-
Другие услуги по ремонту промышленной эелектроники и оборудования
- Ремонт частотных преобразователей в Волгодонске
- Промышленный привод, ремонт в Волгодонске
- Ремонт частотных преобразователей Веспер в Волгодонске
- Ремонт частотного преобразователя Danfoss в Волгодонске
- Ремонт частотного преобразователя Lenze в Волгодонске
- Ремонт частотных преобразователей ABB в Волгодонске
- Ремонт частотных преобразователей Siemens в Волгодонске
- Ремонт частотного преобразователя INVT в Волгодонске
- Ремонт частотного преобразователя Schneider Altivar в Волгодонске
- Частотный преобразователь frenic, ремонт частотников FUJI в Волгодонске
- Ремонт частотного преобразователя Delta в Волгодонске
- Частотный преобразователь VACON, ремонт частотника в Волгодонске
- Ремонт частотных преобразователей KEB в Волгодонске
- Ремонт частотного преобразователя Omron в Волгодонске
- Частотный преобразователь Mitsubishi Electric, ремонт привода в Волгодонске
- Ремонт частотников Emerson - Control techniques, Unidrive - Commander в Волгодонске
- Ремонт частотного преобразователя Yaskawa в Волгодонске
- Allen Bradley преобразователи частоты, ремонт Allen Bradley в Волгодонске
- Ремонт частотника Baumuller в Волгодонске
- Преобразователи частоты Bosch Rexroth, ремонт Bosch Rexroth в Волгодонске
- Ремонт Rexroth Indramat в Волгодонске
- Fanuc, ремонт привода в Волгодонске
- Ошибки и ремонт частотных преобразователей Emotron в Волгодонске
- Ремонт частотного преобразователя KONE в Волгодонске, ошибки
- Ошибки и ремонт частотного преобразователя STOBER POSIDRIVE в Волгодонске
- Ошибки и ремонт частотного преобразователя ESQ в Волгодонске
- Ошибки и ремонт частотного преобразователя INNOVERT в Волгодонске
- Ошибки и ремонт частотных преобразователей BONFIGLIOLI в Волгодонске
- Ошибки и ремонт частотных преобразователей WILO в Волгодонске
- Ремонт частотных преобразователей SIRIO и NETTUNO в Волгодонске, ошибки
- Ошибки и ремонт частотных преобразователей HYUNDAI в Волгодонске
- Ошибки и ремонт частотных преобразователей IDS-DRIVE в Волгодонске
- Ошибки и ремонт частотных преобразователей LG LS в Волгодонске
- Ошибки и ремонт частотных преобразователей HYDROVAR в Волгодонске
- Ошибки и ремонт частотных преобразователей SEW-EURODRIVE в Волгодонске
- Ошибки и ремонт частотных преобразователей ОВЕН в Волгодонске
- Ошибки и ремонт частотных преобразователей HITACHI в Волгодонске
- Ошибки и ремонт частотных преобразователей TOSHIBA в Волгодонске
- Ошибки и ремонт частотных преобразователей IEK в Волгодонске
- Ошибки и ремонт частотных преобразователей PROSTAR в Волгодонске
- Ошибки и ремонт частотных преобразователей GEFRAN в Волгодонске
- Ошибки и ремонт частотного преобразователя OTIS в Волгодонске
- Ошибки и ремонт частотного преобразователя SANTERNO в Волгодонске
- Ремонт и программирование частотных преобразователей ARKEL A-DRIVE в Волгодонске
- Ремонт и программирование частотных преобразователей SIEI ARTDrive в Волгодонске
- Ошибки и ремонт частотных преобразователей Schindler Biodyn в Волгодонске
- Ошибки и ремонт частотных преобразователей Sigma LG в Волгодонске
- Ошибки и ремонт частотных преобразователей THYSSEN в Волгодонске
- Ошибки и ремонт частотных преобразователей Macpuarsa в Волгодонске
- Ошибки и ремонт частотных преобразователей Canny в Волгодонске
- Ошибки и ремонт частотных преобразователей ERMAN в Волгодонске
- Ошибки и ремонт частотных преобразователей EKF в Волгодонске
- Ошибки и ремонт частотных преобразователей INOVANCE в Волгодонске
- Ошибки и ремонт частотных преобразователей KUKA в Волгодонске
- Ошибки и ремонт частотных преобразователей DEMAG в Волгодонске
- Ошибки и ремонт частотных преобразователей EuraDrives в Волгодонске
- Ошибки и ремонт частотных преобразователей Parker в Волгодонске
- Ошибки и ремонт частотных преобразователей NIDEC в Волгодонске
- Ошибки и ремонт частотных преобразователей NORD в Волгодонске
- Ошибки и ремонт частотных преобразователей Panasonic в Волгодонске
- Ошибки и ремонт частотных преобразователей Eurotherm в Волгодонске
- Ошибки и ремонт частотных преобразователей Berges в Волгодонске
- Ошибки и ремонт частотных преобразователей Hormann в Волгодонске
- Все услуги по ремонту промышленной электроники и оборудования

Скачать PDF


