Ошибки Altistart, ремонт и сброс ошибок УПП в

Сброс ошибок и Ремонт устройства плавного пуска Altistart в сервисном центре

Ошибки AltistartКомпания «Кернел» производит ремонт устройств плавного пуска Altistart в с 2002 года. За это время мы накопили колоссальный опыт в том числе опыт в ремонте УПП такого известного производителя как Schneider Electric. Ремонт подобной промышленной электроники ответственное и сложное занятие, требующие максимальной отдачи, профессионализма и максимально полной материальной базе.

Устройство плавного пуска Altistart оснащено информационной панелью, призванной сделать общение оператора и УПП максимально легким и комфортным. При вводе в эксплуатацию оборудования с помощью данной панели устройство программируется и настраивается, а в случае непредвиденной ситуации на панель УПП выводится ошибка, вызвавшая аварийную остановку оборудования. В таблицах ниже приведены все возможные ошибки Altistart 22. Устранив причину ошибки и сбросив ее на устройстве плавного пуска позволит в кратчайшие сроки возобновить работу. К сожалению не все ошибки можно исправить самостоятельно, некоторые ошибки возможно исправить только в специализированных сервисных центрах.

Специалисты нашего сервисного центра уделяют максимальное внимание к качеству исполнения ремонта, программирования и настройке УПП в , не зависимо от производителя данного промышленного оборудования. Именно поэтому мы смело даем гарантию на все выполненные работы шесть месяцев.

Ремонт устройств плавного пуска Altistart производится исключительно с использованием оригинальных запасных частей, на компонентном уровне с применением высокотехнологичного оборудования, квалифицированным персоналом с инженерным образованием.

Если на вашем производстве появились проблемы с плавным пуском, которые вы не можете решить самостоятельно, мы всегда рады вам помочь. Обращайтесь в сервисный центр «Кернел». Специалисты нашей компании в минимальные сроки проведут глубокую диагностику и последующий ремонт УПП Altistart в . Оставьте заказ на ремонт оборудования используя форму на сайте, либо свяжетесь с нашими менеджерами.

Сообщения, отображаемые на дисплее УПП Altistart – ошибки

Код ошибки

Описание

Способ устранения

bPF

Неисправность байпасного контактора

  • Проверить, что контакты байпасного контактора не приварились и нет короткого замыкания в силовых полупроводниковых элементах
  • При необходимости заменить

CFF

Некорректная конфигурация при подаче питания

  • Вернуться к заводским настройкам, используя Меню сервисных настроек UtIL
  • Переконфигурировать устройство ATS22

EtF

Внешняя неисправность

  • Устранить причину неисправности

GrdF

Отключение по току утечки

  • Проверить изоляцию двигателя
  • Проверить состояние электрических компонентов установки
  • Проверить значения параметров Grdd, Grdt в Меню защиты PrO на стр. 57

InF

Внутренняя неисправность

Выключить и включить питание цепей управления. Если неисправность не исчезла, обратиться в сервисный центр или в Schneider Electric

OCF

Перегрузка по току

  • Проверить значения параметров OId и OIt в Меню защиты PrO на стр. 56

OHF

Перегрев устройства ATS22

  • Проверить соответствие типоразмера устройства ATS22 двигателю и механизму
  • Проверить работу вентилятора (если Altistart 22 им оснащен), убедиться в достаточном количестве охлаждающего воздуха и чистоте радиатора. Убедиться в соблюдении рекомендаций по установке
  • Перед повторным пуском дождаться охлаждения устройства ATS22

OLF

Перегрузка электродвигателя

  • Проверить механизм (выработка, люфты, смазка, подклинивание, и т.д.)
  • Проверить соответствие типоразмера устройства ATS 22 двигателю и механизму
  • Проверить значение параметра tHP в Меню настроек SEt на стр. 52 и параметра In в Меню конфигурации conF на стр. 50
  • Перед повторным пуском дождаться охлаждения электродвигателя

OSF

Высокое напряжение

  • Проверить значение параметра ULn в Меню конфигурации conF
  • Проверить напряжение питания силовых цепей
  • Проверить параметры OSd и OSt в Меню защиты PrO

OtF

Перегрев электродвигателя

•  перегрев обнаруживается датчиками

PTC

  • Проверить механизм (выработка, люфты, смазка, подклинивание, и т.д.)
  • Проверить соответствие типоразмера устройства ATS 22 двигателю и механизму
  • Проверить значение параметра PtC в Меню защиты PrO на стр. 59
  • Перед повторным пуском дождаться охлаждения электродвигателя

PHbd

Асимметрия фаз

  • Проверить линейное напряжение
  • Проверить значения параметров Ubd, Ubt в Меню защиты PrO на стр. 57

PHF

Обрыв фазы (на стороне питающей сети или двигателя)

  • Проверить напряжение питающей сети, подключение устройства ATS22 и любых устройств изолирования, установленных между питающей сетью и устройством ATS22 (контакторов, предохранителей, автоматических выключателей, и т.д.)
  • Проверить подключение двигателя и любых устройств изолирования, расположенных между устройством ATS22  и двигателем (контакторов, разъединителей, и т.д.)
  • Проверить состояние двигателя

Частота сети вне допустимых пределов Функция защиты конфигурируется в меню PrO

  • Проверить частоту питающей сети
  • Проверить конфигурацию параметра PHL

PIF

Чередование фаз

Порядок чередования фаз не соответствует сконфигурированному параметром PHr в меню PrO

  • Поменять местами две фазы питающей сети или назначить PHr = oFF

trAP

Код прерывания

  • Выключить и включить питание цепей управления. Если неисправность не исчезла, обратиться в сервисный центр или в Schneider Electric

SCF

Короткое замыкание:

  • короткое замыкание на выходе устройства ATS22
  • Снять питание с устройства ATS22
  • Проверить подключение кабелей и изоляцию двигателя
  • Проверить тиристоры
  • Проверить байпасный контактор (приваривание контактов)

SLF

Тайм-аут Modbus

  • Неисправность канала последовательной связи. Проверить соединение RS485

SnbF

Слишком большое число пусков

  • Количество пусков превысило значение, установленное параметром Snb, за период времени SLG.

SSCr

Замыкание тиристоров или неправильное подключение

  • Проверить тиристоры
  • Проверить байпасный контактор (приваривание контактов)
  • Проверить подключение двигателя

StF

Ошибка: несоответствие времени пуска

  • затянутый пуск
  • Проверить механизм (выработка, люфты, смазка, подклинивание, и т.д.)
  • Убедиться, что tLS (Максимальное время пуска) больше, чем ACC (Время разгона). См. Меню настройки SEt на стр. 51
  • Проверить соответствие типоразмера устройства ATS22 двигателю и механизму
  • Проверить настройку ILt: при слишком низком значении двигатель может не разогнаться до номинальной скорости

tbS

Слишком большое число пусков

  • Необходимо подождать 5 минут для габарита А
  • Необходимо подождать 15 минут для габаритов B, C, D и E

tbS появляется после аварийного сообщения SnbF, если предпринята попытка сброса неисправности до истечения времени таймера

UCF

Недогрузка по току

  • Проверить значение параметров UId и UIt в Меню защиты PrO на стр. 57

USF

Низкое напряжение или его отсутствие

  • Проверить значение параметров UIn, USd и USt в Меню защиты PrO на стр. 57
  • Проверить линейное напряжение

 

Ошибки устройства плавного пуска Altistart 22, отображаемые на дисплее выносного терминала

Сообщение

Описание

Доп. информация

InIt

Инициализация

Инициализация микроконтроллера Поиск конфигурации соединения

COME

Обрыв связи

Тайм-аут 50 мс

Сообщение появляется после 20 попыток установить соединение

A-17

Некорректная работа клавиши

  • Клавиша постоянно нажата более чем 10 секунд
  • Обрыв мембранного переключателя
  • Терминал находится в состоянии инициализации, а клавиша уже нажата

CLr

Подтвердить сброс неисправности

Сообщение появляется, если:

Была нажата кнопка STOP в то время как устройство ATS22 отключилось по аварийному сигналу

dEUE

Несоответствие с ATS22

Несоответствие типов выносного терминала и подключаемого устройства

rOME

Неисправность ПЗУ

Неисправность ПЗУ выносного терминала

rAME

Неисправность ОЗУ

Неисправность ОЗУ выносного терминала

CPUE

Неисправность процессора

Неисправность процессора выносного терминала

 

Скачать руководство пользователя для устройства плавного пуска Altistart 22 (Schneider Electric)

 

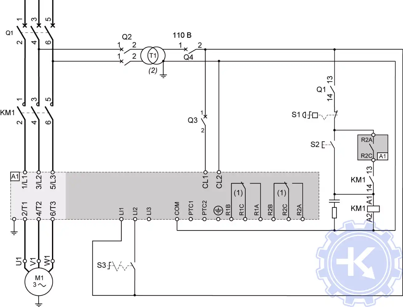
Схемы Altistart 22 в цепях питания двигателя

ATS22•••Q и ATS22•••S6: цепи управления 230 В АС, дискретные входы (LI) 24 В DC,

трехпроводное управление

ATS22•••Q и ATS22•••S6: цепи управления 230 В АС, дискретные входы (LI) 24 В DC,

двухпроводное управление, остановка на выбеге

ATS22•••Q и ATS22•••S6: цепи управления 230 В АС, дискретные входы (LI) 24 В DC, трехпроводное управление

ATS22•••Q и ATS22•••S6: цепи управления 230 В АС, дискретные входы (LI) 24 В DC, двухпроводное управление, остановка на выбеге

ATS22•••S6U: цепи управления 110 В АС, дискретные входы (LI) 110 В АС, трехпроводное

управление

ATS22•••S6U: цепи управления 110 В АС, дискретные входы (LI) 110 В АС, двухпроводное

управление, остановка на выбеге

IndraDrive CSB02-BASIC - Одноосевой сервоконтроллер

ATS22•••S6U: цепи управления 110 В АС, дискретные входы (LI) 110 В АС, двухпроводное управление, остановка на выбеге

 

Ремонт УПП Altistart 22, сброс ошибок в сервиском центре

Коды ошибок Altistart 22Некоторые модели устройств плавного пуска для удобства оснащены индикационными панелями, с помощью которых можно программировать УПП, а также увидеть ошибки в случае аварийного останова оборудования. В данной статье мы рассмотрели ошибки Altistart, а точнее ошибки устройства плавного пуска Schneider Electric серии Altistart 22. УПП в наше время нашли широкое применение в абсолютно всех сферах промышленности защищая ваши электродвигатели и максимально продлевая их безаварийную работу.

Для простоты общения со столь сложной электроникой некоторые устройства оснащены небольшими дисплеями с помощью которых выводятся информационные сообщения с кодами ошибок, расшифровав которые можно сразу же узнать причину ее возникновения. Если учесть распространенность данной промышленной электроники, то появляется острая нужда в расшифровке кодов ошибок плавного пуска. В этой статье мы привели в пример одного из самых известных производителей промышленного оборудования имеющему уважение во всем мире, Schneider Electric.

Существует несколько видов ошибок, некоторые из них можно устранить автоматически, а некоторые возможно исправить только, обратившись в специализированный сервисный центр. В таблицах ниже приведены коды ошибок УПП Altistart 22 их расшифровка и методы устранения.

Если ошибки Altistart самостоятельно исправить невозможно специалисты нашего сервисного центра с радостью придут на помощь, восстановят неисправный блок сделают сброс ошибок УПП Altistart и все это в максимально сжатые сроки за 20% - 40% от стоимости новогого устройства плавного пуска.

Оставьте заявку на ремонт и сброс ошибок УПП Altistart с помощью формы на сайте или свяжитесь с нашими менеджерами, сделать это можно несколькими способами.

Оставить заявку на сброс ошибок и ремонт УПП Altistart

У вас остались вопросы, связанные с ремонтом, сбросом ошибок, программированием и настройкой УПП? Оставьте заявку на сброс ошибок и ремонт УПП Altistart в нашим менеджерам. Связаться с ними можно несколькими способами:

Наши контакты

  • Заполнив форму заявки на ремонт (кнопка в правом верхнем углу сайта)
  • Позвонив по номеру телефона:
    • +7(8482) 79-78-54;
    • +7(8482) 55-96-39;
    • +7(917) 121-53-01
  • Написав на электронную почту: 89171215301@mail.ru

Похожие статьи