Колумбус

РЕМОНТ ЧАСТОТНОГО ПРЕОБОРАЗОВАТЕЛЯ EuraDrives
НАСТРОЙКА И ПРОГРАММИРОВАНИЕ ЧАСТОТНОГО ПРЕОБРАЗОВАТЕЛЯ EuraDrives

в

МЕНЮ

Ошибки и ремонт частотных преобразователей EuraDrives в

 

Ремонт частотных преобразователей EuraDrives

Ремонт частотных преобразователей EuraDrives

Ремонт частотного преобразователя EuraDrives, впрочем, как и ремонт частотников других производителей имеет ряд особенностей в силу своего конструктива. Частотные преобразователи, точнее их начинка делятся на две части:

  • Аппаратная часть,
  • Программная часть.

Частотники данного производителя не являются исключением из правил, именно поэтому ремонт частотного преобразователя EuraDrives имеет точно такой же ряд особенностей, как и у других преобразователей.

Диагностировать ту или иную неисправность помогают коды ошибок частотного преобразователя, которые отображаются на небольшом дисплее, расположенном на лицевой панели привода. Коды ошибок частотного преобразователя EuraDrives в зависимости от серии описаны в инструкции, пользователя которые можно скачать с нашего сайта.

Ремонт частотных преобразователей EuraDrives в , как и любых других преобразователей, выпущенных под другими брендами, всегда начинается с аппаратной части, после успешного ремонта аппаратной части наступает очередь программной.

Настройка частотного преобразователя EuraDrives также прописана в инструкции завода производителя, для каждой серии частотных преобразователей настройка будет индивидуальной, так как каждая линейка преобразователей решает свои собственные задачи, этим обусловливается широкая номенклатура данного промышленного оборудования.

Ремонт частотных преобразователей EuraDrives в сервисном центре

Ремонт частотных преобразователей EuraDrives

Компания «Кернел» производитремонт частотных преобразователей EuraDrives в с 2002 года. За время существования компании наши сотрудники накопили колоссальный опыт в ремонте преобразователей частоты такого известного производителя как EuraDrives. Ремонт подобного промышленного оборудования ответственное и сложное занятие, требующие максимальной отдачи, профессионализма и максимально полной материальной базе.

Специалисты нашего сервисного центра максимальное внимание уделяют качеству исполнения ремонта, программирования и настройке промышленных преобразователей частоты, не зависимо от производителя данного промышленного оборудования. Именно поэтому мы смело даем гарантию на все выполненные работы шесть месяцев.

Ремонт частотных преобразователей EuraDrives в производится исключительно с использованием оригинальных запасных частей, на компонентном уровне с применением высокотехнологичного диагностического оборудования, квалифицированным персоналом с инженерным образованием.

В случае выхода из строя преобразователя частоты на вашем производстве либо появились проблемы с приводом, которые вы не можете решить самостоятельно, мы всегда рады вам помочь. Специалисты нашего сервисного центра в минимальные сроки проведут глубокую диагностику с последующим ремонтом частотного преобразователя EuraDrives.

Инженеры сервисного центра выполняют качественный ремонт частотных преобразователей EuraDrives всех серий, когда-либо выпускаемых компанией.

Серия ПЧТипы частотных преобразователей EuraDrives
EuraDrives E800 E800-0004S2F2; E800-0007S2F2; E800-0015S2F2; E800-0022S2F2; E800-0007T3F2; E800-0015T3F2; E800-0022T3F2; E800-0030T3F2; E800-0040T3F2; E800-0055T3F2; E800-0075T3F2; E800-0110T3F2
EuraDrives E1000 E1000-0004S2F1KB; E1000-0007S2F1KB; E1000-0022S2F1KB; E1000-0015S2F1KB; E1000-0007T3F1KB; E1000-0015T3F1KB; E1000-0022T3F1KB; E1000-0037T3F1KB; E1000-0040T3F1KB; E1000-0055T3F1KB; E1000-0075T3F1KB; E1000-0110T3F1KB; E1000-0150T3F1KB; E1000-0185T3F1KY; E1000-0220T3F1KY; E1000-0300T3F1KY; E1000-0370T3F1KY; E1000-0450T3F1KY; E1000-0550T3F1KY; E1000-0750T3F1KY; E1000-0900T3F1KY; E1000-1100T3F1KY; E1000-1320T3F1KY; E1000-1600T3F1KY; E1000-1100T3DF1KY; E1000-1320T3DF1KY; E1000-1600T3DF1KY; E1000-1800T3DF1KY; E1000-2000T3DF1KY; E1000-2200T3DF1KY; E1000-2500T3DF1KY; E1000-2800T3DF1KY; E1000-3150T3DF1KY; E1000-3550T3DF1KY; E1000-4000T3DF1KY; E1000-4500T3DF1KY; E1000-5000T3DF1KY
EuraDrives E2000 E2000-0004S2F2KB; E2000-0007S2F2KB; E2000-0015S2F2KB; E2000-0022S2F2KB; E2000-0007T3F2KB; E2000-0015T3F2KB; E2000-0022T3F2KB; E2000-0030T3F2KB; E2000-0040T3F2KB; E2000-0055T3F2KB; E2000-0075T3F2KB; E2000-0110T3F2KB; E2000-0150T3F2KB; E2000-0185T3F2KY; E2000-0220T3F2KY; E2000-0300T3F2KY; E2000-0370T3F2KY; E2000-0450T3F2KY; E2000-0550T3F2KY; E2000-0750T3F2KY; E2000-0900T3F2KY; E2000-1100T3F2KY; E2000-1320T3F2KY; E2000-1600T3F2KY; E2000-1100T3DF2KY; E2000-1320T3DF2KY; E2000-1600T3DF2KY; E2000-1800T3DF2KY; E2000-2000T3DF2KY; E2000-2200T3DF2KY; E2000-2500T3DF2KY; E2000-2800T3DF2KY; E2000-3150T3DF2KY; E2000-3550T3DF2KY; E2000-4000T3DF2KY; E2000-4500T3DF2KY; E2000-5000T3DF2KY; E2000-5600T3DF2KY; E2000-6300T3DF2KY; E2000-7100T3DF2KY; E2000-8000T3DF2KY
EuraDrives F1000-G F1000-G0004XS2B; F1000-G0007XS2B; F1000-G0015XS2B; F1000-G0004S2B; F1000-G0007S2B; F1000-G0015S2B; F1000-G0022S2B; F1000-G0007T3B; F1000-G0015T3B; F1000-G0022T3B; F1000-G0037T3B; F1000-G0040T3B; F1000-G0055T3B; F1000-G0075T3B; F1000-G0110T3C; F1000-G0150T3C; F1000-G0185T3C; F1000-G0220T3C; F1000-G0300T3C; F1000-G0370T3C; F1000-G0450T3C; F1000-G0550T3C; F1000-G0750T3C; F1000-G0900T3C; F1000-G1100T3C; F1000-G1320T3C; F1000-G1600T3C; F1000-G1100T3D; F1000-G1320T3D; F1000-G1600T3D; F1000-G1800T3D; F1000-G2000T3D; F1000-G2200T3D; F1000-G2500T3D; F1000-G2800T3D; F1000-G3150T3D; F1000-G3550T3D; F1000-G4000T3D
EuraDrives F1500-G F1500-G0002XS2B; F1500-G0004XS2B; F1500-G0007XS2B; F1500-G0015XS2B; F1500-G0022XS2B; F1500-G0037XS2B; F1500-G0002XT2B; F1500-G0004XT2B; F1500-G0007XT2B; F1500-G0015XT2B; F1500-G0022XT2B; F1500-G0037XT2B; F1500-G0002S2B; F1500-G0004S2B; F1500-G0007S2B; F1500-G0015S2B; F1500-G0022S2B; F1500-G0004T3B; F1500-G0007T3B; F1500-G0015T3B; F1500-G0022T3B; F1500-G0037T3B; F1500-G0040T3B; F1500-G0055T3B; F1500-G0075T3B; F1500-G0110T3C; F1500-G0150T3C; F1500-G0185T3C; F1500-G0220T3C; F1500-G0300T3C; F1500-G0370T3C; F1500-G0450T3C; F1500-G0550T3C; F1500-G0750T3C; F1500-G0900T3D; F1500-G1100T3D; F1500-G1320T3D; F1500-G1600T3D
EuraDrives F2000-G F2000-G0004S2B; F2000-G0004XS2B; F2000-G0007S2B; F2000-G0007XS2B; F2000-G0015S2B; F2000-G0015XS2B; F2000-G0022S2B; F2000-G0007T3B; F2000-G0015T3B; F2000-G0022T3B; F2000-G0037T3B; F2000-G0040T3B; F2000-G0055T3B

 

В данной таблице присутствуют далеко не все частотные преобразователи EuraDrives ремонт которых предлагает наш сервисный центр.

Ошибки частотного преобразователя EuraDrives

Ремонт частотных преобразователей EuraDrives

В процессе работы выходит из строя даже самое надежное промышленное оборудование. Частотники в наше время, нашли широкое применение абсолютно во всех сферах промышленности, управляя как мини моторами в оргтехнике, так и гигантскими двигателями в горнодобывающей промышленности.

Для простоты общения со столь сложной электроникой все частотные преобразователи оснащены небольшими дисплеями с помощью которых выводятся информационные сообщения с кодами ошибок, расшифровав которые можно сразу же узнать причину ее возникновения. Если учесть распространенность данной промышленной электроники, то появляется острая нужда в расшифровке кодов ошибок частотных преобразователей. В этой статье мы рассмотрим одного из самых известных производителей промышленной электроники имеющему уважение во всем мире, EuraDrives и серию приводов E800.

Существует несколько видов ошибок, некоторые из них можно устранить автоматически, а некоторые возможно исправить только, обратившись в специализированный сервисный центр. В руководстве пользователя прописаны все коды ошибок частотного преобразователя EuraDrives и их расшифровка.

Коды ошибок частотного преобразователя EuraDrives E800

Код ошибкиОписаниеПричина
O.C. Высокий ток.
  • Короткое время разгона;
  • Короткое замыкание на выходе;
  • Блокировка ротора мотора.
OC1 Высокий ток 1.
  • Короткое время разгона;
  • Короткое замыкание на выходе;
  • Блокировка ротора мотора.
3: O.E. Высокое напряжение.
  • Высокое напряжение питания;
  • Высокая инерция нагрузки;
  • Короткое время торможения;
  • Высокий момент инерции мотора;
  • Плохой эффект динамического торможения;
  • Параметр ПИД-регулятора скорости вращения выставлен неверно.
4: P.F1 Обрыв фазы питания.
  • Обрыв фазы питания.
5: O.L1 Перегрузка инвертора.
  • Слишком большая нагрузка.
6: L.U. Пониженное напряжение.
  • Пропадание напряжения.
7: O.H. Перегрев радиатора.
  • Высокая температура окружающей среды;
  • Загрязнение радиатора;
  • Плохая вентиляция в месте установки;
  • Вентилятор поврежден;
  • Частота несущей волны слишком высокая.
8: O.L2 Перегрузка мотора.
  • Нагрузка слишком большая.
11: ESP Внешняя ошибка.
  • Активен терминал внешней аварийной остановки.
12: Err3 Неисправность до запуска.
  • Неисправность до запуска.
13: Err2 Неправильная настройка параметров.
  • Электродвигатель не подключен при измерении параметров.
15: Err4 Нулевой ток.
  • Неисправен плоский кабель.
  • Неисправен датчик тока.
18: AErr Нет соединения.
  • Нет соединения с аналоговым сигналом.
  • Неисправен источник сигнала.
23: Err5 Неправильные параметры PID.
  • Неправильные параметры PID.
45: CE Ошибка связи, таймаут.
  • Пропадание связи.
49: Err6 Watchdog fault.
  • Watchdog timeout

Неисправности мотора и способы устранения

НеисправностьПричина
Мотор не запускается.
  • Нет питания.
  • Неверные параметры.
  • Большая нагрузка.
  • Мотор неисправен.
  • Сработала защита.
Неправильное направление вращения.
  • Неправильное подключение U, V, W.
  • Неправильные параметры.
Электродвигател ь вращается, но скорость изменить невозможно.
  • Неправильное подключение.
  • Неправильное программирование.
  • Большая нагрузка.
Скорость электродвигател я слишком высокая или низкая.
  • Неправильные параметры мотора.
  • Неправильное программирование.
  • Напряжение на выходе инвертора.
Мотор работает не стабильно.
  • Большая нагрузка.
  • Большие скачки нагрузки.
  • Обрыв фазы.
  • Неисправность мотора.
Отключение питания.
  • Слишком высокий ток на входе.

 

Документация

Руководство по эксплуатации преобразователя частоты EuraDrives E800

Скачать PDF

Руководство по эксплуатации преобразователей частоты EuraDrives E1000

Скачать PDF

Руководство по эксплуатации преобразователя частоты EuraDrives E2000

Скачать PDF

Руководство по эксплуатации преобразователей частоты EuraDrives F1000-G

Скачать PDF

Руководство по эксплуатации преобразователя частоты EuraDrives F1500-G

Скачать PDF

Руководство по эксплуатации преобразователей частоты EuraDrives F2000-G

Скачать PDF

 

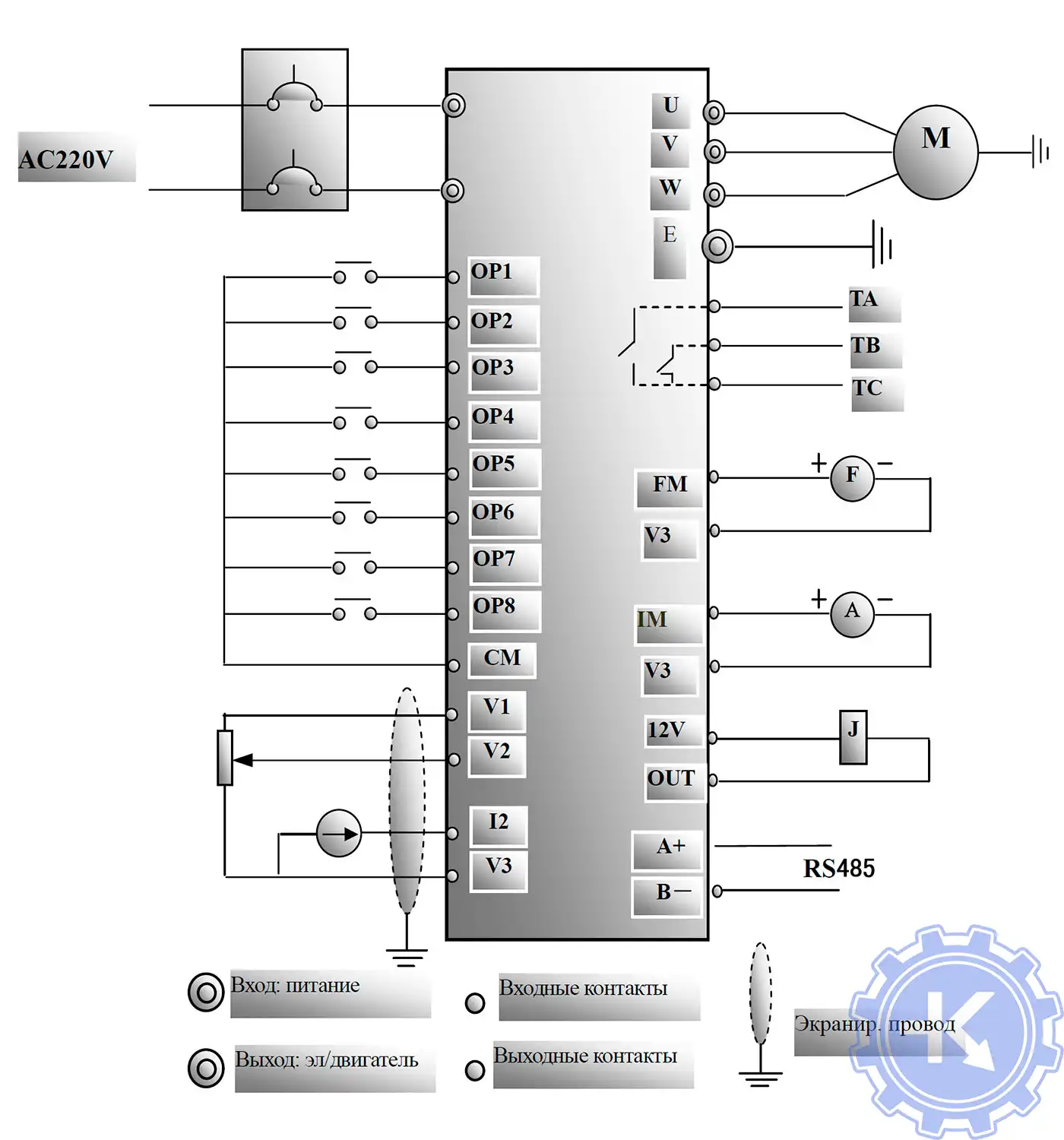
Схемы подключения частотных преобразователей EuraDrives

Стандартная блок-схема подключения преобразователей частоты EuraDrives F2000-G 220V Стандартная блок-схема подключения преобразователей частоты EuraDrives F2000-G 380V

Стандартная блок-схема подключения преобразователей частоты EuraDrives F2000-G 220V

Стандартная блок-схема подключения преобразователей частоты EuraDrives F2000-G 380V

Стандартная блок-схема подключения преобразователей частоты EuraDrives F1500-G 220V Стандартная блок-схема подключения преобразователей частоты EuraDrives F1500-G 380V
Стандартная блок-схема подключения преобразователей частоты EuraDrives F1500-G 220V

Стандартная блок-схема подключения преобразователей частоты EuraDrives F1500-G 380V

Стандартная блок-схема подключения преобразователей частоты EuraDrives F1000-G 220V Стандартная блок-схема подключения преобразователей частоты EuraDrives F1000-G 380V
Стандартная блок-схема подключения преобразователей частоты EuraDrives F1000-G 220V

Стандартная блок-схема подключения преобразователей частоты EuraDrives F1000-G 380V

 

Ремонт частотных преобразователей EuraDrives

Для максимально долгой и безаворийной работы частотных преобразователей важно неукоснительно соблюдать все, что прописано в документации.

Обязательно должны соблюдаться все рекомендации, изложенные в инструкции по монтажу и эксплуатации, в особенности требования по технике безопасности!

Преобразователь частоты разработан таким образом, что он пытается избежать аварийных отключений путем ограничения момента, перенапряжения и т.п.

Появление сбоев при вводе в эксплуатацию или вскоре после него обычно свидетельствует о неверной настройке или неправильном подключении.

Возникновение неисправностей или проблем после длительного режима бесперебойной работы обычно происходит по причине изменений в системе или ее окружении (например, в результате износа).

Дополнительную информацию по частотным преобразователям EuraDrives можно посмотреть и скачать на офсайте.

Настройка частотного преобразователя EuraDrives, программирование

Ремонт частотных преобразователей EuraDrives

Настройка частотных преобразователей EuraDrives (программирование) происходит в рамках установленных производителем правил, существует общий алгоритм по программированию (настройке частотных преобразователей), относящийся ко всем производителям данного промышленного оборудования. Ниже представлена пошаговая инструкция по настройке частотных преобразователей EuraDrives.

  • Выбор режима управления приводом EuraDrives (управление по показанию датчиков, дистанционное управление, дистанционное управление).
  • В случае использования отдельного (выносного) монитора, настраивается вывод на него технической информации.
  • Далее определяем конфигурацию подключения серводвигателя. На данной стадии задаются такие параметры как- возможность применения обратной связи либо без ее применения, а в память блока заносятся данные по: величине крутящего момента, мощности потребителей, номинальное значения частоты, напряжение, ток и скорости вращения ротора.Ремонт частотных преобразователей EuraDrives
  • Программируется минимально допустимая величина напряжения и частоты, а также время ускорения ротора от ноля до номинального значения.
  • И в завершении, в программу управления частотным преобразователем EuraDrives вносятся функциональные данные со значениями отдельных клемм и особенностями сигналов. Отмечаются действия оборудования, выполняющиеся автоматически при отсутствии информации поступающей в оперативном режиме с датчика.

В некоторых частотниках существует пункт наличия/отсутствия фильтра в цепи питания двигателя. Этот пункт отвечает за подключение различных видов нагрузок, в том случае, когда возможно выбрать нормальное или инверсное изменение частоты при повышении уровня сигнала обратной связи.

Все настройки частотных преобразователей EuraDrives приведены в технической документации к частотному преобразователю который можно скачать на свой компьютер, распечатать или просто открыть как на нашем так и на официальном сайте EuraDrives.

Оставить заявку на ремонт частотных преобразователей EuraDrives

У вас вышел из строя частотник? Вам необходим срочный ремонт частотных преобразователей EuraDrives в ? Оставьте заявку на ремонт нажав на одноименную кнопку в верхней правой части экрана либо свяжитесь с нашими менеджерами. Связаться с ними можно несколькими способами:

Наши контакты

  • Заполнив форму заявки на ремонт (кнопка в правом верхнем углу сайта)
  • Позвонив по номеру телефона:
    • +7(8482) 79-78-54;
    • +7(8482) 55-96-39;
    • +7(917) 121-53-01
  • Написав на электронную почту: 89171215301@mail.ru

Далеко не полный список производителей промышленной электроники и оборудования, ремонтируемой в нашей компании.

Похожие статьи