Ошибки и ремонт частотных преобразователей BONFIGLIOLI в
Ремонт частотных преобразователей BONFIGLIOLI
Ремонт частотного преобразователя BONFIGLIOLI, впрочем, как и ремонт частотников других производителей имеет ряд особенностей в силу своего конструктива. Частотные преобразователи, точнее их начинка делятся на две части:
- Аппаратная часть,
- Программная часть.
Частотники данного производителя не являются исключением из правил, именно поэтому ремонт частотного преобразователя BONFIGLIOLI имеет точно такой же ряд особенностей, как и у других преобразователей.
Диагностировать ту или иную неисправность помогают коды ошибок частотного преобразователя, которые отображаются на небольшом дисплее, расположенном на лицевой панели привода. Коды ошибок частотного преобразователя BONFIGLIOLI в зависимости от серии описаны в инструкции, пользователя которые можно скачать с нашего сайта.
Ремонт частотных преобразователей BONFIGLIOLI, как и любых других преобразователей, выпущенных под другими брендами, всегда начинается с аппаратной части, после успешного ремонта аппаратной части наступает очередь программной.
Настройка частотного преобразователя BONFIGLIOLI также прописана в инструкции завода производителя, для каждой серии частотных преобразователей настройка будет индивидуальной, так как каждая линейка преобразователей решает свои собственные задачи, этим обусловливается широкая номенклатура данного промышленного оборудования.
Ремонт частотных преобразователей BONFIGLIOLI в сервисном центре
Компания «Кернел» производит ремонт частотных преобразователей BONFIGLIOLI в с 2002 года. За время существования компании наши сотрудники накопили колоссальный опыт в ремонте преобразователей частоты такого известного производителя как BONFIGLIOLI. Ремонт подобного промышленного оборудования ответственное и сложное занятие, требующие максимальной отдачи, профессионализма и максимально полной материальной базе.
Специалисты нашего сервисного центра максимальное внимание уделяют качеству исполнения ремонта, программирования и настройке промышленных преобразователей частоты, не зависимо от производителя данного промышленного оборудования. Именно поэтому мы смело даем гарантию на все выполненные работы шесть месяцев.
Ремонт частотных преобразователей BONFIGLIOLI в производится исключительно с использованием оригинальных запасных частей, на компонентном уровне с применением высокотехнологичного диагностического оборудования, квалифицированным персоналом с инженерным образованием.
В случае выхода из строя преобразователя частоты на вашем производстве либо появились проблемы с приводом, которые вы не можете решить самостоятельно, мы всегда рады вам помочь. Специалисты нашего сервисного центра в минимальные сроки проведут глубокую диагностику с последующим ремонтом частотного преобразователя BONFIGLIOLI.
Инженеры сервисного центра выполняют качественный ремонт частотных преобразователей BONFIGLIOLI в всех серий, когда-либо выпускаемых компанией.
BONFIGLIOLI ACTIVE Cube |
ACU210-01, ACU210-03, ACU210-05, ACU210-07, ACU210-09, ACU210-11, ACU210-13, ACU210-15, ACU210-18, ACU210-21 |
BONFIGLIOLI ACTIVE Agile |
AGL402-02 1, AGL402-03 1, AGL402-05 1, AGL402-07 1, AGL402-09, AGL402-11 1, AGL402-13 1, AGL402-15 2, AGL402-18 2, AGL402-19 2 |
BONFIGLIOLI ACTIVE ANG |
ANG210-11, ANG210-19, ANG410-09, ANG410-18, ANG410-25, ANG410-37, ANG510-55, ANG510-61, ANG610-53, ANG610-59 |
BONFIGLIOLI ACTIVE Series |
ACT401-05, ACT401-07, ACT401- 09, ACT401- 11, ACT401-12, ACT401- 13, ACT401-15, ACT401-22, ACT401-25, ACT401-33 |
BONFIGLIOLI LMD |
LMD037-Y1 1, LMD037-Y2 1, LMD037-D1 1, LMD037-D2 1, LMD075-Y1 1, LMD075-D2 1, LMD150-Y1 1, LMD300-D1 1 |
BONFIGLIOLI VCB |
VCB400-010, VCB400-014, VCB400-018, VCB400-025, VCB400-034, VCB400-045, VCB400-060, VCB400-075, VCB400-115, VCB400-180 |
BONFIGLIOLI SYNTHESIS |
SYN10 S 220 01 AF, SYN10 S 220 07 AF, SYN10 S 220 09 AF, SYN10 T 400 05 AF, SYN10 T 400 07 AF, SYN10 T 400 09 AF |
BONFIGLIOLI SYNPLUS |
SPL200-03F, SPL200-07F, SPL200-11F, SPL200-13F, SPL400-11F, SPL400-13F, SPL400-17F, SPL400-19F, SPL400-21F, SPL400-23F |
BONFIGLIOLI S2U standard |
S2U230S-02 (1), S2U230S-03 (1), S2U230S-07 (1), S2U230S-11 (2), S2U230S-13 (2) |
BONFIGLIOLI S2U IP66 |
S2U230S-07 F IP66 (1), S2U230S-13 F IP66 (2), S2U400T-07 F IP66 (1), S2U400T-18 F IP66 (2), S2U400T-21 F IP66 (3), S2U400T-25 IP66 (3) |
BONFIGLIOLI AEC |
AEC401-19, AEC401-22, AEC401-25, AEC401-29, AEC401-33, AEC401-37, AEC401-43, AEC401-45, AEC401-47, AEC401-49 |
В данной таблице присутствуют далеко не все частотные преобразователи и сервопривода BONFIGLIOLI ремонт которых предлагает наш сервисный центр.
Настройка частотного преобразователя BONFIGLIOLI, программирование
Настройка частотных преобразователей BONFIGLIOLI (программирование) происходит в рамках установленных производителем правил, существует общий алгоритм по программированию (настройке частотных преобразователей), относящийся ко всем производителям данного промышленного оборудования. Ниже представлена пошаговая инструкция по настройке частотных преобразователей BONFIGLIOLI.
- Выбор режима управления приводом BONFIGLIOLI (управление по показанию датчиков, дистанционное управление, дистанционное управление).
- В случае использования отдельного (выносного) монитора, настраивается вывод на него технической информации.
- Далее определяем конфигурацию подключения серводвигателя. На данной стадии задаются такие параметры как- возможность применения обратной связи либо без ее применения, а в память блока заносятся данные по: величине крутящего момента, мощности потребителей, номинальное значения частоты, напряжение, ток и скорости вращения ротора.
- Программируется минимально допустимая величина напряжения и частоты, а также время ускорения ротора от ноля до номинального значения.
- И в завершении, в программу управления частотным преобразователем BONFIGLIOLI вносятся функциональные данные со значениями отдельных клемм и особенностями сигналов. Отмечаются действия оборудования, выполняющиеся автоматически при отсутствии информации поступающей в оперативном режиме с датчика.
В некоторых частотниках существует пункт наличия/отсутствия фильтра в цепи питания двигателя. Этот пункт отвечает за подключение различных видов нагрузок, в том случае, когда возможно выбрать нормальное или инверсное изменение частоты при повышении уровня сигнала обратной связи.
Все настройки частотных преобразователей BONFIGLIOLI приведены в технической документации ниже в удобном формате (PDF) который можно скачать на свой компьютер, распечатать или просто открыть на нашем сайте.
Коды ошибок частотного преобразователя BONFIGLIOLI Synplus
В процессе работы выходит из строя даже самое надежное промышленное оборудование. В данной статье мы приведем ошибки частотного преобразователя BONFIGLIOLI, а точнее BONFIGLIOLI Synplus. Частотники в наше время нашли широкое применения в абсолютно всех сферах промышленности управляя как мини моторами в оргтехнике, так и гигантскими двигателями в горнодобывающей промышленности.
Для простоты общения со столь сложной электроникой все частотные преобразователи оснащены небольшими дисплеями с помощью которых выводятся информационные сообщения с кодами ошибок, расшифровав которые можно сразу же узнать причину ее возникновения. Если учесть распространенность данной промышленной электроники, то появляется острая нужда в расшифровке кодов ошибок частотных преобразователей. В этой статье мы рассмотрим одного из самых известных производителей промышленной электроники имеющему уважение во всем мире, BONFIGLIOLI.
Существует несколько видов ошибок, некоторые из них можно устранить автоматически, а некоторые возможно исправить только, обратившись в специализированный сервисный центр. В таблицах ниже приведены коды ошибок частотного преобразователя BONFIGLIOLI и их расшифровка.
Ошибки частотного преобразователя BONFIGLIOLI Synplus которые невозможно сбросить вручную.
Код ошибки |
Ошибка |
Причина |
Устранение |
CPF |
Программная ошибка |
Влияние внешних помех |
Установите параллельно катушке магнитного контактора, который вызывает помехи, RC импульсный поглотитель |
EPR |
Ошибка EEPROM |
Дефект внутренней памяти EEPROM преобразователя |
Заменить EEPROM |
0V |
В состоянии останова напряжение слишком велико |
Повреждение внутренней измерительной цепи |
Вернуть частотный преобразователь для ремонта |
LV |
В состоянии останова напряжение слишком мало |
|
|
OH |
В состоянии останова частотный преобразователь перегревается |
|
|
CTER |
Токовый датчик сигнализирует ошибку |
Ошибка токового датчика или повреждение внутренней цепи |
Вернуть частотный преобразователь для ремонта |
Ошибки частотного преобразователя BONFIGLIOLI Synplus которые можно сбросить вручную или автоматически.
Код ошибки |
Ошибка |
Причина |
Устранение |
OC-S |
Перегрузка по току при старте |
|
|
OC-D |
Перегрузка по току при замедлении |
1. Установленное время замедления слишком маленькое |
Установите большее время замедления |
OC-A |
Перегрузка по току при разгоне |
|
|
OC-C |
Перегрузка по току при фиксированной скорости |
|
|
OV-C |
Слишком высокое напряжение при работе/ замедлении |
|
|
OVSP |
Превышение скорости при работе |
|
|
Err4 |
Внезапная остановка работы ЦПУ |
Влияние помех извне |
Вернуть частотный преобразователь для ремонта, если данная ошибка часто повторяется. |
Ошибки частотного преобразователя BONFIGLIOLI Synplus которые возможно сбросить вручную.
Код ошибки |
Ошибка |
Причина |
Устранение |
OC |
Перегруз по току в состоянии останова |
|
|
OL1 |
Перегрузка двигателя |
|
|
OL2 |
Перегрузка частотного преобразователя |
Тяжелая нагрузка |
Увеличьте мощность частотного преобразователя |
OL3 |
Перегрузка по моменту |
|
|
LV-C |
Слишком низкое напряжение при работе |
|
|
OH-C |
При работе температура радиатора слишком высокая |
|
|
Преобразователь частоты разработан таким образом, что он пытается избежать аварийных отключений путем ограничения момента, перенапряжения и т.п. Появление сбоев при вводе в эксплуатацию или вскоре после него обычно свидетельствует о неверной настройке или неправильном подключении. Возникновение неисправностей или проблем после длительного режима бесперебойной работы обычно происходит по причине изменений в системе или ее окружении (например, в результате износа).
Полный список всех возможных ошибок частотных преобразователей BONFIGLIOLI можно посмотреть и скачать в файлах ниже.
Частотный преобразователь BONFIGLIOLI, скачать инструкции по эксплуатации
Ниже вы можете скачать руководства по эксплуатации частотных преобразователей BONFIGLIOLI
Частотный преобразователь BONFIGLIOLI LMD инструкция |
![]() |
Частотный преобразователь BONFIGLIOLI VCB инструкция |
![]() |
Частотный преобразователь BONFIGLIOLI Synplus инструкция |
![]() |
Частотный преобразователь BONFIGLIOLI Synthesis инструкция |
![]() |
Частотный преобразователь BONFIGLIOLI Actyv agile инструкция |
![]() |
Частотный преобразователь BONFIGLIOLI Actyv cube инструкция |
![]() |
Сброс ошибок частотных преобразователей BONFIGLIOLI
Компания «Кернел» производит ремонт промышленной электроники и оборудования с 2002 года. За это время мы накопили колоссальный опыт в том числе опыт в ремонте частотных преобразователей BONFIGLIOLI. Ремонт подобной промышленной электроники ответственное и сложное занятие, требующие максимальной отдачи, профессионализма и максимально полной материальной базе.
Специалисты нашего сервисного центра уделяют максимальное внимание к качеству исполнения ремонта, программирования и настройке промышленного преобразователя частоты, не зависимо от производителя данного промышленного оборудования. Именно поэтому мы смело даем гарантию на все выполненные работы шесть месяцев.
Ремонт частотных преобразователей производится исключительно с использованием оригинальных запасных частей, на компонентном уровне с применением высокотехнологичного оборудования, квалифицированным персоналом с инженерным образованием.
Если на вашем производстве появились проблемы с частотным преобразователем, которые вы не можете решить самостоятельно, мы всегда рады вам помочь. Обращайтесь в сервисный центр «Кернел». Специалисты нашей компании в минимальные сроки проведут глубокую диагностику и последующий ремонт частотного преобразователя. Оставьте заказ на ремонт оборудования используя форму на сайте, либо свяжетесь с нашими менеджерами, сделать это очень просто.
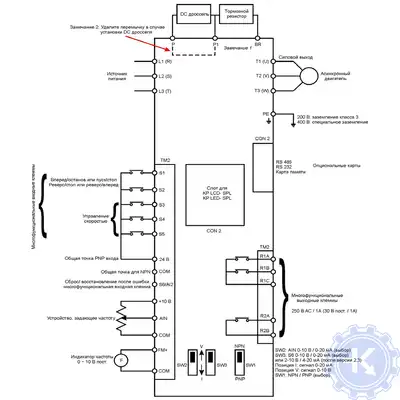
Схемы подключения частотного преобразователя BONFIGLIOLI
Схемы подключений частотных преобразователей BONFIGLIOLI могут отличатся друг от друга даже если эти преобразователи относятся ко одной линейке. Схема подключения преобразователя зависит от многих факторов таких как потребляемая частотным преобразователем нагрузка или питающая сеть к которой подключается частотник 200V – 380V и конечно же зависит от CPU в паре, с которым предполагается работа преобразователя.
Ниже приведены схемы подключения частотных преобразователей BONFIGLIOLI:
Схема подключения частотного преобразователя BONFIGLIOLI Synplus |
Схема подключения частотного преобразователя BONFIGLIOLI Synthesis |
![]() |
![]() |
Оставьте заявку на ремонт промышленного оборудования используя форму на сайте, либо свяжетесь с нашими менеджерами, сделать это очень просто.
Оставить заявку на ремонт частотных преобразователей BONFIGLIOLI
У вас вышел из строя частотник? Вам необходим срочный ремонт частотных преобразователей BONFIGLIOLI в ? Оставьте заявку на ремонт нажав на одноименную кнопку в верхней правой части экрана либо свяжитесь с нашими менеджерами. Связаться с ними можно несколькими способами:
- Заполнив форму заявки на ремонт (кнопка в правом верхнем углу сайта)
- Позвонив по номеру телефона:
- +7(8482) 79-78-54;
- +7(8482) 55-96-39;
- +7(917) 121-53-01
- Написав на электронную почту: 89171215301@mail.ru










Похожие статьи
-
Другие услуги по ремонту промышленной эелектроники и оборудования
- Ремонт частотных преобразователей в
- Промышленный привод, ремонт в
- Ремонт частотных преобразователей Веспер в
- Ремонт частотного преобразователя Danfoss в
- Ремонт частотного преобразователя Lenze в
- Ремонт частотных преобразователей ABB в
- Ремонт частотных преобразователей Siemens в
- Ремонт частотного преобразователя INVT в
- Ремонт частотного преобразователя Schneider Altivar в
- Частотный преобразователь frenic, ремонт частотников FUJI в
- Ремонт частотного преобразователя Delta в
- Частотный преобразователь VACON, ремонт частотника в
- Ремонт частотных преобразователей KEB в
- Ремонт частотного преобразователя Omron в
- Частотный преобразователь Mitsubishi Electric, ремонт привода в
- Ремонт частотников Emerson - Control techniques, Unidrive - Commander в
- Ремонт частотного преобразователя Yaskawa в
- Allen Bradley преобразователи частоты, ремонт Allen Bradley в
- Ремонт частотника Baumuller в
- Преобразователи частоты Bosch Rexroth, ремонт Bosch Rexroth в
- Ремонт Rexroth Indramat в
- Fanuc, ремонт привода в
- Ошибки и ремонт частотных преобразователей Emotron в
- Ремонт частотного преобразователя KONE в , ошибки
- Ошибки и ремонт частотного преобразователя STOBER POSIDRIVE в
- Ошибки и ремонт частотного преобразователя ESQ в
- Ошибки и ремонт частотного преобразователя INNOVERT в
- Ошибки и ремонт частотных преобразователей BONFIGLIOLI в
- Ошибки и ремонт частотных преобразователей WILO в
- Ремонт частотных преобразователей SIRIO и NETTUNO в , ошибки
- Ошибки и ремонт частотных преобразователей HYUNDAI в
- Ошибки и ремонт частотных преобразователей IDS-DRIVE в
- Ошибки и ремонт частотных преобразователей LG LS в
- Ошибки и ремонт частотных преобразователей HYDROVAR в
- Ошибки и ремонт частотных преобразователей SEW-EURODRIVE в
- Ошибки и ремонт частотных преобразователей ОВЕН в
- Ошибки и ремонт частотных преобразователей HITACHI в
- Ошибки и ремонт частотных преобразователей TOSHIBA в
- Ошибки и ремонт частотных преобразователей IEK в
- Ошибки и ремонт частотных преобразователей PROSTAR в
- Ошибки и ремонт частотных преобразователей GEFRAN в
- Ошибки и ремонт частотного преобразователя OTIS в
- Ошибки и ремонт частотного преобразователя SANTERNO в
- Ремонт и программирование частотных преобразователей ARKEL A-DRIVE в
- Ремонт и программирование частотных преобразователей SIEI ARTDrive в
- Ошибки и ремонт частотных преобразователей Schindler Biodyn в
- Ошибки и ремонт частотных преобразователей Sigma LG в
- Ошибки и ремонт частотных преобразователей THYSSEN в
- Ошибки и ремонт частотных преобразователей Macpuarsa в
- Ошибки и ремонт частотных преобразователей Canny в
- Ошибки и ремонт частотных преобразователей ERMAN в
- Ошибки и ремонт частотных преобразователей EKF в
- Ошибки и ремонт частотных преобразователей INOVANCE в
- Ошибки и ремонт частотных преобразователей KUKA в
- Ошибки и ремонт частотных преобразователей DEMAG в
- Ошибки и ремонт частотных преобразователей EuraDrives в
- Ошибки и ремонт частотных преобразователей Parker в
- Ошибки и ремонт частотных преобразователей NIDEC в
- Ошибки и ремонт частотных преобразователей NORD в
- Ошибки и ремонт частотных преобразователей Panasonic в
- Ошибки и ремонт частотных преобразователей Eurotherm в
- Ошибки и ремонт частотных преобразователей Berges в
- Ошибки и ремонт частотных преобразователей Hormann в
- Все услуги по ремонту промышленной электроники и оборудования