Ошибки и ремонт контроллеров SIEMENS SIMATIC S7 300 в

Ремонт контроллера SIEMENS SIMATIC S7 300

Ремонт контроллеров SIEMENS SIMATIC S7 300Аббревиатура ПЛК расшифровывается как Программируемый Логический Контроллер, и представляет из себя сложный электронный прибор с программируемой логикой, призванный управлять производственными системами автоматизации. Ремонт контроллера SIEMENS SIMATIC S7 300, как и его программирование требует не только профессионального подхода, но и специального оборудования.

Программируемый контроллер SIEMENS SIMATIC S7 300 в большей своей массе встречается на производствах с агрессивными рабочими средами, такими как грязь, пыль, вибрация, большие температурные перепады. С одной стороны, ПЛК единственное решение, так как другое оборудование просто не сможет работать в таких условиях. С другой стороны, все перечисленные факторы рано или поздно приведут к поломке контроллера.

SIEMENS SIMATIC S7 300 является идеальным решением для работы в промышленных условиях благодаря высокой степени электромагнитной совместимости, высокой устойчивости к вибрационным и ударным нагрузкам.

PLC относится к сложной промышленной электронике, а это говорит о том, что провести ремонт SIEMENS SIMATIC S7 300 своими силами даже не говоря про качество его выполнения просто нереально. Качественный ремонт контроллера SIEMENS SIMATIC S7 300 в возможен исключительно в специализированном сервисном центре, который не только оснащен по последнему слову техники, но и имеет в штате высококвалифицированных специалистов с богатым опытом работы по ремонту сложнейшей промышленной электроники.

Ошибки SIEMENS SIMATIC S7 300

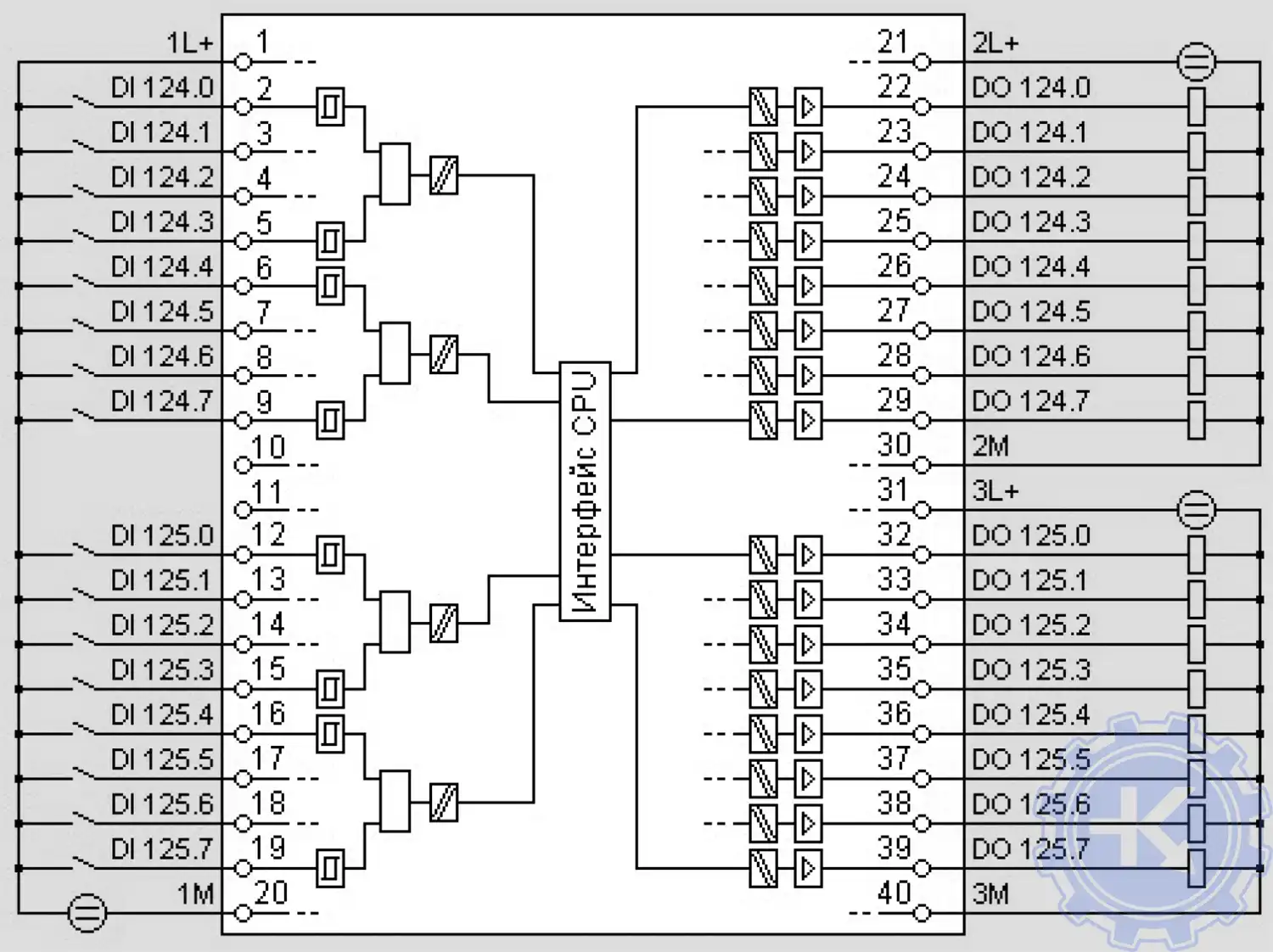
Большое количество модулей программируемого контроллера S7-300 оснащено набором встроенных интеллектуальных функций, существенно упрощающих эксплуатацию системы управления:

  • Мониторинг сбора сигналов (диагностика).
  • Мониторинг сигналов аппаратных прерываний.

Диагностика используется для определения работоспособности модулей ввода-вывода дискретных и аналоговых сигналов. Для передачи диагностической информации применяются маскируемые и немаскируемые сообщения:

  • Маскируемые диагностические сообщения могут пересылаться только в том случае, если это разрешено соответствующими параметрами настройки.
  • Немаскируемые диагностические сообщения, пересылка которых производится независимо от соответствующих параметров настройки.

Диагностика SIEMENS SIMATIC S7 300

Если диагностическое сообщение готово к передаче (например, сообщение об отсутствии напряжения питания датчика), то модуль генерирует диагностическое прерывание (для маскируемых сообщений только в случае определения параметров разрешения передачи). Центральный процессор прерывает выполнение программы пользователя или задач с более низким приоритетом и вызывает соответствующий организационный блок (OB 82). В зависимости от типа модуля диагностические сообщения могут носить различный характер.

Ошибка

Возможная причина ошибки

Модули ввода-вывода дискретных сигналов

Отсутствует напряжение питания датчика

Перегрузка в цепи питания датчика. Короткое замыкание на клемму M.

Отсутствует внешнее вспомогательное напряжение Отсутствует внутреннее вспомогательное напряжение

Отсутствует напряжение на клемме L+ фронтального соединителя модуля. Отсутствует напряжение на клемме L+ фронтального соединителя модуля. Перегорел внутренний предохранитель модуля.

Перегорел внутренний предохранитель модуля.

Перегорание предохранителя Ошибочный параметр Срабатывание сторожевого таймера

В модуль передан один или несколько ошибочных параметров настройки. Периодическое воздействие сильных электромагнитных полей.

Неисправность модуля.

Отказ EPROM

Периодическое воздействие сильных электромагнитных полей. Неисправность модуля

Отказ RAM

Периодическое воздействие сильных электромагнитных полей. Неисправность модуля.

Потеря аппаратного прерывания

Сигналы прерывания следуют с такой частотой, что центральный процессор не успевает их обрабатывать

Модули ввода аналоговых сигналов

Отсутствует внешнее напряжение

питания Отсутствует напряжение на клемме L+ фронтального соединителя модуля.

Ошибка конфигурации/ настройки

В модуль загружен один или несколько ошибочных параметров настройки.

Не допустимое значение синфазного сигнала

Разность потенциалов UCM между входами (M-) общей точкой (MANA) слишком высока.

Обрыв цепи

Слишком высокое сопротивление цепи подключения датчика.

Обрыв провода между датчиком и модулем.

Канал не подключен (разомкнут).

Антипереполнение

Входное напряжение ниже допустимого предела. Возможные причины: в цепях 4…20мА, 1…5В: -

неправильная полярность подключения датчика или неправильно выбран предел измерения; для

других диапазонов измерения - неправильно выбран предел измерения.

Переполнение

Входная величина превышает верхний допустимый предел измерения.

Модули вывода аналоговых сигналов

Отсутствует внешнее напряжение питания нагрузки

Отсутствует напряжение на клемме L+ фронтального соединителя модуля.

Ошибка конфигурации/ настройки

В модуль загружен один или несколько ошибочных параметров настройки.

Короткое замыкание на землю

Перегрузка выхода.

Короткое замыкание вывода QV на MANA

Обрыв цепи

Слишком высокое сопротивление цепи подключения исполнительного устройства.

Обрыв линии между модулем и исполнительным устройством.

Канал не подключен (разомкнут).

Отсутствует внешнее напряжение питания нагрузки

Отсутствует напряжение на клемме L+ фронтального соединителя модуля.

Скачать руководство пользователя SIEMENS SIMATIC S7 300 manual.PDF

Ремонт контроллера SIEMENS SIMATIC S7 300 в сервисном центре

Ремонт контроллеров SIEMENS SIMATIC S7 300Компания «Кернел» предлагает выполнить качественный ремонт контроллера SIEMENS SIMATIC S7 300 в в сжатые сроки и по выгодным расценкам. Ремонт контроллера SIEMENS SIMATIC S7 300 значительно сэкономит бюджет, цена вопроса составит 20% - 40% от стоимости нового блока. Если брать в учет стоимость ПЛК, вы увидите очевидную разницу, которая измеряется в денежном эквиваленте.

Именно поэтому наш сервисный центр предлагает такие услуги, как ремонт контроллера SIEMENS SIMATIC S7 300 в . Зачем платить больше если ваш контроллер PLC будет работать не хуже нового, а сэкономленные средства можно пустить на развитие производства.

Наши специалисты выполняют не только ремонт контроллеров SIEMENS SIMATIC S7 300, но и ремонт контроллеров различных производителей и типов, таких как:

  • Ремонт контроллеров на основе простейших микропроцессоров;
  • Ремонт интеллектуальных – программируемых контроллеров;
  • Ремонт встраиваемых, электронных контроллеров;
  • Ремонт стандартных - типовых контроллеров;

На ряду с контроллерами, специалисты нашего сервисного центра выполняют ремонт модулей SIEMENS SIMATIC S7 300:

  • Модули скоростного счета;
  • Модули позиционирования с ускоренной подачей рабочего органа;
  • Модули позиционирования шаговых двигателей;
  • Модули позиционирования серводвигателей;
  • Модули позиционирования и управления перемещением;
  • Модули обслуживания ультразвуковых датчиков положения;
  • Модули обслуживания синхронно-последовательных (SSI) датчиков абсолютного перемещения;
  • Модули электронных командоконтроллеров;
  • Модули для систем числового программного управления;
  • Модули автоматического регулирования.

За два десятилетия существования сервисного центра нашими специалистами было успешно проведено множество сложнейших ремонтов промышленной электроники в том числе и ремонт контроллеров SIEMENS SIMATIC S7 300 с каждым разом поднимая квалификацию наших инженеров.

Заказав ремонт контроллера SIEMENS SIMATIC S7 300 в нашем сервисном центре, вы не только сэкономите приличную сумму в денежном эквиваленте, а также время и нервы. Все что для этого нужно это связаться с нашими менеджерами, оставить заявку на ремонт и доставить неисправный контроллер в сервисный центр.

Программирование SIEMENS SIMATIC S7 300

Конфигурирование и программирование встроенных технологических функций выполняется с помощью опционального программного обеспечения S7-Technology. Это программное обеспечение интегрируется в среду STEP 7 от V5.2 SP1 HF1 и выше. Использоваться как самостоятельный пакет S7-Technology не может.

Пакет содержит диалоговые окна настройки параметров технологических функций, библиотеки PLCopen-совместимых стандартных функциональных блоков, дополнительный инструментарий диагностики систем позиционирования и управления перемещением. Параметры настройки сохраняются в специальном блоке данных.

Программирование SIMATIC S7 300 завершающий этап ремонта контроллера. Сервисный центр Кернел предлагает услуги по программированию контроллеров, как в полном цикле, включая ремонт так и отдельно.

Программирование SIMATIC S7 300, как и других логических контроллеров выполняется на территории сервисного центра с применением оригинального программного обеспечения в сжатые сроки и за разумную цену.

Стоимость программирования контроллера SIMATIC S7 300 в вы можете уточнить, связавшись с менеджерами сервисного центра.

Схемы подключения внешних цепей SIMATIC S7 300

CPU 312C

CPU 313C-2 PtP и CPU 313C-2 DP

Схема подключения CPU 312C

Схема подключения CPU 313C-2 PtP и CPU 313C-2 DP

CPU 313C, CPU 314C-2 PtP, CPU 314C-2 DP

Схема подключения CPU 313C, CPU 314C-2 PtP, CPU 314C-2 DP

Схема подключения CPU 313C, CPU 314C-2 PtP, CPU 314C-2 DP

Ремонт контроллера SIEMENS SIMATIC S7 300 порядок проведения

Ремонт контроллеров SIEMENS SIMATIC S7 300Мы ответственно подходим к процессу восстановления промышленной электроники и поэтапно проводим все необходимые мероприятия для максимально качественного ремонта контроллера, от визуальной диагностики до полного восстановления.

Этапы ремонта контроллера SIEMENS SIMATIC S7 300:

  • Чистка неисправного контроллера (пыль, грязь);
  • Диагностика электронных компонентов;
  • Диагностика программного обеспечения;
  • Изменение параметров программного обеспечения (в случае обнаружения ошибки);
  • Ремонт или замена вышедших из строя компонентов;
  • Поверка отремонтированного PLC на специализированном стенде.

Повторюсь мы выполняем не только качественный ремонт контроллера SIEMENS SIMATIC S7 300 специалисты сервисного центра восстановят PLC независимо то бренда и года выпуска, а также благодаря накопленному опыту специалисты сервисного центра проведут пемонт контроллера даже без технической документации и электро-схем для данное оборудования.

Ремонт контроллеров SIEMENS SIMATIC S7 300 у нас, преимущества

Ремонт контроллеров SIEMENS SIMATIC S7 300Компания «Кернел» производит ремонт контроллеров, и подобной промышленной электроники с 2002 года. За это время инженеры нашего сервисного центра накопили колоссальный опыт в данном направлении.

Мы пристально следим за качеством исполнения ремонта, и смело даем гарантию на ремонт контроллера SIEMENS SIMATIC S7 300, а также на запасные части, замененные в процессе ремонта шесть месяцев.

Ремонт контроллера SIEMENS SIMATIC S7 300 в производится исключительно на компонентном уровне с применением оригинальных запасных частей и высокотехнологичного новейшего диагностического оборудования.

Специалисты нашей компании выполнят ремонт SIEMENS SIMATIC S7 300 в максимально сжатые сроки, мы выполняем все возможные шаги для качественного восстановления сложной промышленной электроники. Обратившись в наш сервисный центр, вы гарантированно получаете:

  • Глубокую диагностику PLC с выявлением неисправных компонентов;
  • Замену неисправных компонентов на новые;
  • Ремонт программируемого логического контроллера в максимально сжатые сроки;
  • Проверку отремонтированного ПЛК на специальном стенде;
  • Оригинальные запасные части;
  • Установку и программирование;
  • Экономию от 40% до 80% от покупки нового аналога
  • Гарантию на ремонт контроллера SIEMENS SIMATIC S7 300 и запасные части 6 месяцев;

О контроллере SIEMENS SIMATIC S7 300

Ремонт контроллеров SIEMENS SIMATIC S7 300Контроллер SIEMENS SIMATIC S7 300 – это универсальный модульный программируемый логический контроллер. Благодаря модульной конструкции и естественной вентиляции, а также удобству возможности применения структур распределенного ввода и удобство в обслуживании позволяют применять контроллер SIEMENS SIMATIC S7 300 для решения огромного круга задач автоматизации.

Контроллер SIEMENS SIMATIC S7 300 охватывает следующие области автоматизации:

  • Машин специального назначения.
  • Текстильных машин.
  • Упаковочных машин.
  • Систем общего машиностроения.
  • Производства средств автоматизации.
  • Производства инструмента.
  • Электротехнических и электронных производств и т.д.

Контроллер SIEMENS SIMATIC S7 300 имеет несколько типов центральных процессоров различной производительности и широкий спектр модулей различного назначения с множеством встроенных функций что позволяет ему выполнять максимальную адаптацию оборудования к требованиям решаемых задач. При модернизации и развитии производства контроллер SIEMENS SIMATIC S7 300 может быть легко дополнен необходимым набором модулей.

Типы центральных процессоров контроллера SIEMENS SIMATIC S7 300

6ES7312-5BE03-0AB0 SIEMENS SIMATIC S7 300, CPU 312C

6ES7313-5BF03-0AB0 SIEMENS SIMATIC S7 300, CPU 313C

6ES7313-6BF03-0AB0 SIEMENS SIMATIC S7 300, CPU 313C-2 PTP

6ES7313-6CF03-0AB0 SIEMENS SIMATIC S7 300, CPU 313C-2DP

6ES7314-6BG03-0AB0 SIEMENS SIMATIC S7 300, CPU 314C-2 PTP

6ES7314-6CG03-0AB0 SIEMENS SIMATIC S7 300, CPU 314C-2 DP

6ES7312-1AE13-0AB0 SIEMENS SIMATIC S7 300, CPU 312

6ES7314-1AG13-0AB0 SIEMENS SIMATIC S7 300, CPU 314

6ES7315-2AG10-0AB0 SIEMENS SIMATIC S7 300, CPU 315-2DP

6ES7315-2EH13-0AB0 SIEMENS SIMATIC S7 300 CPU 315-2 PN/DP

6ES7317-2AJ10-0AB0 SIEMENS SIMATIC S7 300, CPU 317-2DP

6ES7317-2EK13-0AB0 SIEMENS SIMATIC S7 300 CPU 317-2 PN/DP

6ES7315-6TG10-0AB0 SIEMENS SIMATIC S7 300, CPU 315T-2 DP

6ES7317-6TJ10-0AB0 SIEMENS SIMATIC S7 300, CPU 317T-2DP

CPU 318-2 DP

6ES7318-3EL00-0AB0 SIEMENS SIMATIC S7 300 CPU 319-3 PN/DP

6ES7315-6FF01-0AB0 SIEMENS SIMATIC S7 300, CPU 315F

6ES7315-2FH13-0AB0 SIEMENS SIMATIC S7 300 CPU315F-2 PN/DP

6ES7317-6FF03-0AB0 SIEMENS SIMATIC S7 300 CPU317F-2 DP

6ES7317-2FK13-0AB0 SIEMENS SIMATIC S7 300 CPU317F-2 PN/DP

6ES7318-3FL00-0AB0 SIEMENS SIMATIC S7 300 CPU319F-3 PN/DP

SIPLUS CPU 312C

SIPLUS CPU 313C

SIPLUS CPU 314

Заказать ремонт контроллера SIEMENS SIMATIC S7 300

Если на вашем производстве вышел из строя контроллер, обращайтесь в компанию «Кернел», где специалисты компании в минимальные сроки проведут диагностику и последующий ремонт контроллера SIEMENS SIMATIC S7 300 в . Заявку на ремонт PLC вы можете оставить с помощью специальной формы "Оставить заявку". Связаться с нашими менеджерами очень просто.

Наши контакты

  • Заполнив форму заявки на ремонт (кнопка в правом верхнем углу сайта)
  • Позвонив по номеру телефона:
    • +7(8482) 79-78-54;
    • +7(8482) 55-96-39;
    • +7(917) 121-53-01
  • Написав на электронную почту: 89171215301@mail.ru

Похожие статьи