Ремонт плавного пуска Siemens Sirius в Армянске
Ремонт устройств плавного пуска Siemens в сервисном центре
Компания «Кернел» производит ремонт устройств плавного пуска Siemens в Армянске с 2002 года. За это время мы накопили колоссальный опыт в том числе опыт в ремонте УПП такого известного производителя. Ремонт подобной промышленной электроники ответственное и сложное занятие, требующие максимальной отдачи, профессионализма и максимально полной материальной базе.
Устройство плавного пуска Siemens Sirius 3RW44 оснащено информационной панелью, призванной сделать общение оператора и УПП максимально легким и комфортным. При вводе в эксплуатацию оборудования с помощью данной панели устройство программируется и настраивается, а в случае непредвиденной ситуации на панель плавного пуска выводится ошибка, вызвавшая аварийную остановку оборудования. В таблицах ниже приведены все возможные ошибки Siemens Sirius 3RW44. Устранение причины ошибки и ее сброс, на устройстве плавного пуска, позволит в кратчайшие сроки возобновить работу. К сожалению не все ошибки можно исправить самостоятельно, некоторые ошибки возможно исправить только в специализированных сервисных центрах.
Специалисты нашего сервисного центра уделяют максимальное внимание к качеству исполнения ремонта, программирования и настройке УПП в Армянске, не зависимо от производителя данного промышленного оборудования. Именно поэтому мы смело даем гарантию на все выполненные работы, а также на запасные части, замененные в процессе ремонта плавного пуска Siemens Sirius 3RW44 шесть месяцев.
Ремонт устройств плавного пуска Siemens в Армянске производится исключительно с использованием оригинальных запасных частей, на компонентном уровне с применением высокотехнологичного оборудования, квалифицированным персоналом с инженерным образованием.
Если на вашем производстве появились проблемы с плавным пуском, которые вы не можете решить самостоятельно, мы всегда рады вам помочь. Обращайтесь в сервисный центр «Кернел». Специалисты нашей компании в минимальные сроки проведут глубокую диагностику и последующий ремонт УПП Siemens. Просто оставьте заказ на ремонт плавного пуска используя форму на сайте.
Предупреждения и общие ошибки Siemens Sirius 3RW44
|
Сообщение |
Предупреждение |
Ошибка без перезаписи |
Ошибка с перезаписью |
Причина / решение |
|
Сетевое напр. отсутствует |
X |
Команда пуска была дана, хотя главное напряжение ещё не подаётся. Устранение: Включить сетевое напряжение. При появлении сообщения в байпасном режиме оно может ошибочно генерироваться в результате слишком часто создаваемого предупреждающего сообщения "Граница предупреждения - разогрев двигателя", "временной резерв срабатывания" или "Ie выше/ниже пред. значения" (также прослеживается в записях в журнале рег-ции/ событиях). Устранение: См. описание соответствующих сообщений Главное напряжение снимается одновременно с командой пуска, хотя выставлен выбег (не "свободный выбег"). Устранение: Управлять сетевым контактором посредством выхода, параметризованного на время включения, или параметризовать остановку, т.е."свободный выбег". |
||
|
Неправильные условия пуска (для устройств версии < *E04*) Ошибка фаз. отсечки (для устройств версии *E04*) |
X |
Ошибка возникает без пуска двигателя. Причина: Двигатель неправильно подсоединён к клеммам. Трёхкорневое подключение неправильно установлено. Наличие замыкания на землю. Устранение: Проверить и исправить проводку (см. предложения по подключению, трёхкорневое подключение). Ошибка возникает во время пуска. Причина: Выбрано слишком высокое начальное напряжение. Настроен импульс трогания (неправильно): пуск двигателя нестабилен (Импульс трогания настраивать лишь в том случае, если это действительно необходимо. В насосах, напр., импульс трогания часто вызывает неправильное зажигание.) При времени паузы < 5 с после последнего пуска запуск 3RW44 осуществляется с повышенным начальным напряжением. При комбинировании с настроенным импульсом трогания это может привести к "Неправильным условиям пуска". Устранение: Привести в соответствие параметры или увеличить время паузы. |
||
|
Выпадение фазы L1 |
X |
Возможность 1: Фаза L1, L2, L3 отсутствует или выпадает при работающем двигателе или же прерывается. Срабатывание осуществляется в результате провала допустимого расчётного рабочего напряжения >15 % >100 мс во время процесса пуска или >200 мс. в байпасном режиме. Устранение: Подключить L1, L2, L3 или устранить провал напряжения. Возможность 2: Подключен слишком малый двигатель и сообщение об ошибке отображается сразу же после переключения в режим шунтирования. Устранение: Правильно настроить или установить на минимум номинальный рабочий ток для подключенного двигателя (при токе двигателя менее 10 % от настроенного Ie двигатель нельзя использовать с данным пусковым устройством). Возможность 3: Пусковое устройство используется в сети IT с контролем замыкания на землю: 3RW44 версии £*E06* и модуль коммуникации PROFIBUS DP не допускается использовать при данной форме сети. Устранение: Заменить пусковое устройство на УПП 3RW44 версии >*E07*. В данном случае допустимо использование с модулем коммуникации PROFIBUS DP, однако это может привести к ошибочной индикации значений фазного напряжения (UL-N), а также линейного напряжения (UL-L) на индикаторе измеряемых значений УПП 3RW44. |
||
|
Выпадение фазы L2 |
X |
|||
|
Выпадение фазы L3 |
X |
|||
|
Нет нагрузки в ф1 |
X |
Фаза двигателя T1, T2, T3 не подключена. Устранение: Правильно подключить двигатель. |
||
|
Нет нагрузки в ф2 |
X |
|||
|
Нет нагрузки в ф3 |
X |
|||
|
Пит. напр. ниже 75 % |
X |
Управляющее напряжение питания для более 100 мс ниже 75 % требуемого номинального напряжения (прекращение подачи напряжения, провал напряжения, неправильное управляющее напряжение питания). Устранение: Контролировать управляющее напряжение питания. |
||
|
Пит. напр. ниже 85 % |
X |
Управляющее напряжение питания для более 2 с ниже 85 % требуемого номинального напряжения (прекращение подачи напряжения, провал напряжения). Устранение: Контролировать управляющее напряжение питания. |
||
|
Пит. напр. выше 110 % |
X |
Управляющее напряжение питания для более 2 с выше 110 % требуемого номинального напряжения (пики напряжений, неправильное управляющее напряжение питания). Устранение: Контролировать управляющее напряжение питания. |
||
|
Несимметрия тока прев. |
X |
X |
Фазные токи асимметричны (асимметричная нагрузка). Сообщение появляется, если асимметрия выше настроенного предела (параметр: Предельное значение несимметрии тока). Устранение: Проверить нагрузку или изменить значение параметра. |
|
|
Пер-зка - терм. модель двиг |
X |
X |
X |
Термическая модель двигателя сработала. После срабатывания при перегрузке новый пуск двигателя заблокирован до момента истечения времени восстановления готовности. Устранение при нежелательном срабатывании: проверить, правильно ли настроен номинальный рабочий ток двигателя Ie измен. CLASS – настройки уменьшить частоту включения или отключить защиту двигателя (CLASS OFF) |
|
Гр-ца предупр. разогрев двиг. |
X |
Нагрев двигателя выше выставленного значения параметра: Гр-ца предупр. Нагрев двиг. В зависимости от выставленного значения термическая модель двигателя схожа со срабатыванием при перегрузке. При тяжёлом пуске и установленных значениях класса отключения CLASS 20 рекомендуется увеличить значение параметра "Граница предупреждения - нагрев двигателя" до 95 %. |
||
|
Требуемое значение временного резерва срабатывания занижено |
X |
Значение времени до срабатывания при перегрузке термической модели двигателя ниже выставленного параметра "Граница предупреждения - временной резерв срабатывания". При тяжёлом пуске и установленных значениях класса отключения > CLASS 20 рекомендуется выставить значение параметра "Граница предупреждения – резерв разобщения" на 0 с (деактивировано). |
||
|
Сеть, перенапряжение (для устройств версии < *E04*) Сетевое напр. слишком выс. (для устройств версии >*E04*) |
X |
Устройство не рассчитано на подаваемое трехфазное сетевое напряжение питания или возникновение длительных по времени пиков напряжения. Срабатывание осуществляется в результате превышения допустимого расчётного управляющего напряжения питания >10 % >500 мс. Начиная с версии *E02* внутренний порог срабатывания увеличен до >18 % >2000 мс. Устранение: Подать правильное напряжение. |
||
|
Диап. измер. тока прев. |
X |
Протекание очень высокого тока (выше диапазона измерения, встроенного в УПП преобразователя тока). Это может произойти при: прямом пуске, импульсе трогания или комбинированном торможении. Устранение: При типе пуска "Хар.изм.напр." настроенное время рампы изменяется, напряжение трогания или момент торможения уменьшаются. Параметры УПП для данного двигателя рассчитаны недостаточно высокими. При появлении сообщения при пуске оно может ошибочно генерироваться в результате слишком часто создаваемого предупреждающего сообщения "Граница предупреждения - разогрев двигателя", "временной резерв срабатывания" или "Ie выше/ниже пред. значения" (также прослеживается в записях в журнале рег-ции/событиях). Устранение: См. описание соответствующих сообщений. |
||
|
Отключение - двиг. забл. (для устройств версии <*E07*) |
X |
В режиме шунтирования неожиданно возникает слишком высокий ток, напр., если двигатель заблокирован (I > 4 x Ieдвигатель свыше 100 мс). Устранение: Проверить двигатель. |
||
|
Диапазон тока превышен (только для устройств версии <*E07*) |
X |
В течение длительного времени протекал ток величиной в шесть раз больше номинального рабочего тока. Устранение: Включить ограничение тока или проверить расчёт параметров (устройство-двигатель). |
||
|
Силовая часть перенагрета |
X |
X |
Срабатывание при перегрузке термической модели для силовой части. Устранение: Подождать, пока устройство вновь охладится, при пуске возможно настроить меньшее ограничение тока или уменьшить частоту включений (слишком много пусков, следующих один за другим). Проверить, заблокирован ли двигатель или не слишком ли высока температура окружающей среды в месте размещения УПП (от 40 °C ухудшение параметров, см. главу 10.3 "Технические данные"). |
|
|
Силовая часть, превышенная температура |
X |
Температура термической модели для силовой части выше допустимой температуры при продолжительных режимах работы. Устранение: Проверить расчётный ток двигателя или проверить, не слишком ли высока температура окружающей среды в месте размещения УПП (от 40 °C ухудшение параметров, см. главу 10.3 "Технические данные"). |
||
|
Кор. замык. - датчик темп. |
X |
X |
X |
Произошло короткое замыкание датчика температуры на клеммах T1 / T2. Устранение: Проверить датчик температуры. |
|
Обрыв пров. - датчик темп. |
X |
X |
X |
Датчик температуры на клеммах T1 / T2 неисправен, или провод не подключен, или датчик вообще не подключен. Устранение: Проверить датчик температуры или, если датчик не подключен: отключить датчик температуры. |
|
Перегрузка - датчик темп. |
X |
X |
X |
Датчик температуры на клеммах T1 / T2 сработал, двигатель перегрет. Устранение: Подождать, пока двигатель охладится и, при необходимости, проверить двигатель. |
|
Макс. время пуска прев. |
X |
Выставленное максимальное время пуска меньше действительного времени разгона двигателя. Устранение: Увеличить параметр "макс. время пуска", увеличить парам-р огр. Тока или проверить подключенную к двигателю нагрузку на наличие механической неисправности. |
||
|
Ie выше / ниже пред. значения |
X |
X |
Ток выше или ниже настроенного ограничения тока, напр., в результате засорения фильтра вентилятора или при блокировке двигателя. Устранение: Проверить причину нарушения предельного значения тока в двигателе / нагрузке или привести предельные значения в соответствие с заданными нагрузочными условиями. |
|
|
Обнар. замык. на землю |
X |
X |
Одна фаза соединена с землей (возможно только в байпасном режиме). Устранение: Проверить подключения и проводку. |
|
|
Обрыв связи Руч. по месту |
X |
Связь с ПК прервана (при управлении через ПК) или в течение длительного времени (см. Настройки> Дисплей> Время контроля активности в главе 5.4.10) не была нажата клавиша (при клавишном управлении двигателя). Управление передаётся на выходы, если они требуют вышестоящего управления. Устранение: Вновь подключить ПК или увеличить время контроля активности, а также производить регулярное нажатие на клавишу. |
||
|
Недопустимые Ie / CLASS-настр. |
X |
Настроенный номинальный рабочий ток Ie двигателя (глава 5.4.2 "Настройка данных двигателя") превышает как минимум в одном из трёх наборов параметров соответствующий, максимально допустимый ток установки по отношению к выбранным CLASS-настройкам (глава 5.4.9 "Настройка защиты двигателя"). В устройствах версии >*E07* в качестве дополнительной функции отображается соответствующий набор параметров с неправильным значением. Максимально допустимые настраиваемые значения содержатся в главе 10.3 "Технические данные". Если УПП подсоединено трёх корневым подключением, возможно неправильно выполнена проводка фидера двигателя (глава 9.1.5 "3RW44 при трёх корневом подключении"), в результате чего в пункте меню "Индикация состояния / тип подкл." (глава 5.5.2 "Индикатор состояния") отображается сообщение "Неизв. / ош.". Устранение: Проверить настроенный номинальный рабочий ток двигателя во всех трёх наборах параметров, уменьшить CLASS-настройки или рассчитать более высокие параметры для УПП. При трёх корневом подключении проверить проводку фидера двигателя на правильность, как описано в предоставленных схемах соединений. До тех пор, пока не осуществляется управления двигателя, данное сообщение является лишь сообщением о состоянии. Однако данное сообщение становится ошибкой без перезапуска, если подаётся команда на пуск. |
||
|
Нет внешн. парам. пуска (для устройств версии > *E06*) |
X |
Данное сообщение действительно только для режима с PROFIBUS DP. От ПЛК посланы неправильные или недопустимые значения параметров. Устранение: Возможно считывание или изменение неправильного параметра на допустимое значение при помощи ПО Soft Starter ES. |
||
|
PAA ошибка (для устройств версии >*E06*) |
X |
Сообщение "PAA ошибка" (изображение процесса выходов ошибочно) отображается: при одновременном выборе параметров "Двиг. вправо" и "Двиг. влево" (причина 1) при выборе набора параметров 4 через ПЛК (причина 2). Устранение: Автоматическое удаление, если параметры "Двиг. вправо" и "Двиг. влево" вновь отключены (для причины 1) или если вновь настроен действующий набор параметров (НП 1-3) (для причины 2). |
||
|
Байп. элемент защит. отключ. (для устройств версии >*E07*) |
X |
В режиме шунтирования возникает очень высокий ток. Срабатывание зависит от времени и величины тока. Устранение ошибки возможно лишь по истечении 30 с (охлаждение). Устранение: Проверить двигатель, проверить расчёт параметров УПП. |
Ошибки устройства плавного пуска Siemens Sirius 3RW44, причина и устранение
|
Сообщение |
Причина / решение |
|
Блок контактов неисправен (для устройств версии >*E04*) |
Минимум один байпасный элемент приварен и / или минимум один тиристор легирован. Сообщение создаётся при подаваемом управляющем напряжении питания и (через УПП) измеренном протекании тока, если отсутствует команда пуска. 1) Устранение: Свяжитесь с контактным лицом компании SIEMENS или со службой технической помощи (Technical Assistance, см. главу "Важные указания"). |
|
Выпал контакт 1 |
Тиристор в фазе L1 легирован. (Данное сообщение появляется при подаче команды пуска.) 1) Устранение: Свяжитесь с контактным лицом компании SIEMENS или со службой технической помощи (Technical Assistance). |
|
Выпал контакт 2 |
Тиристор в фазе L2 легирован. (Данное сообщение появляется при подаче команды пуска.) 1) Устранение: Свяжитесь с контактным лицом компании SIEMENS или со службой технической помощи (Technical Assistance). |
|
Выпал контакт 3 |
Тиристор в фазе L3 легирован. (Данное сообщение появляется при подаче команды пуска.) 1) Устранение: Свяжитесь с контактным лицом компании SIEMENS или со службой технической помощи (Technical Assistance). |
|
Ошибка ЗУ |
ЗУ устройства неисправно. Устранение: Свяжитесь с контактным лицом компании SIEMENS или со службой технической помощи (Technical Assistance). |
|
Устройству не присвоено имя |
Устройству не присвоено имя, оно должно получить данные присвоения. Устранение: Свяжитесь с контактным лицом компании SIEMENS или со службой технической помощи (Technical Assistance). |
|
Версии не совп. |
Версия присвоения имени и программного обеспечения не совпадают. Устранение: Свяжитесь с контактным лицом компании SIEMENS или со службой технической помощи (Technical Assistance). |
|
Байпасные элем. неисп. |
Байпасный контактор приварен или неисправен. Устранение: Свяжитесь с контактным лицом компании SIEMENS или со службой технической помощи (Technical Assistance). |
|
Датчик рад-ра обрыв провода |
Возможность 1: Датчик температуры на радиаторе УПП не подключен или неисправен. Возможность 2: В УПП 3RW4465 и 3RW4466 возможна неисправность вентилятора на передней стороне УПП. Устранение: Только для 3RW4465 и 3RW4466: Попробуйте устранить ошибку по истечении 30 до 60 минут времени охлаждения путём выключения и включения управляющего напряжения питания. Если положительный результат был достигнут, проверьте, работает ли вентилятор на передней стороне УПП при подаче команды пуска. В противном случае, при необходимости, вентилятор следует заменить. (Вентилятор на передней стороне УПП, а также вентиляторы на нижней стороне устройства в бесперебойном режиме должны одновременно работать). Для всех УПП 3RW44: Если сообщение об ошибке не было устранено путём выключения и включения управляющего напряжения питания, свяжитесь с контактным лицом компании SIEMENS или со службой технической помощи (Technical Assistance). |
|
Датчик рад-ра кор. замык. |
Датчик температуры на радиаторе УПП неисправен. Устранение: Свяжитесь с контактным лицом компании SIEMENS или со службой технической помощи (Technical Assistance). |
Важно!
При определенных обстоятельствах, сообщения об ошибках могут быть неверными (например, выпадение фазы L1, хотя отсутствует фаза L2)
Важно!
При использовании УПП 3RW44 в сети IT c контролем замыкания на землю: 3RW44 версии *E06*, а также модуль коммуникации PROFIBUS DP не следует использовать при данной форме сети. Использование устройств плавного пуска 3RW44, начиная с версии *E07*, с модулем коммуникации PROFIBUS DP допустимо, однако это может привести к ошибочной индикации значений фазного напряжения (UL-N), а также линейного напряжения (UL-L) на индикаторе измеряемых значений УПП 3RW44.
1) Возможное омическое значение для неисправного тиристора. <2 кОМ (L-T).
Скачать руководство пользователя Siemens Sirius 3RW44 – инструкция Siemens Sirius 3RW44
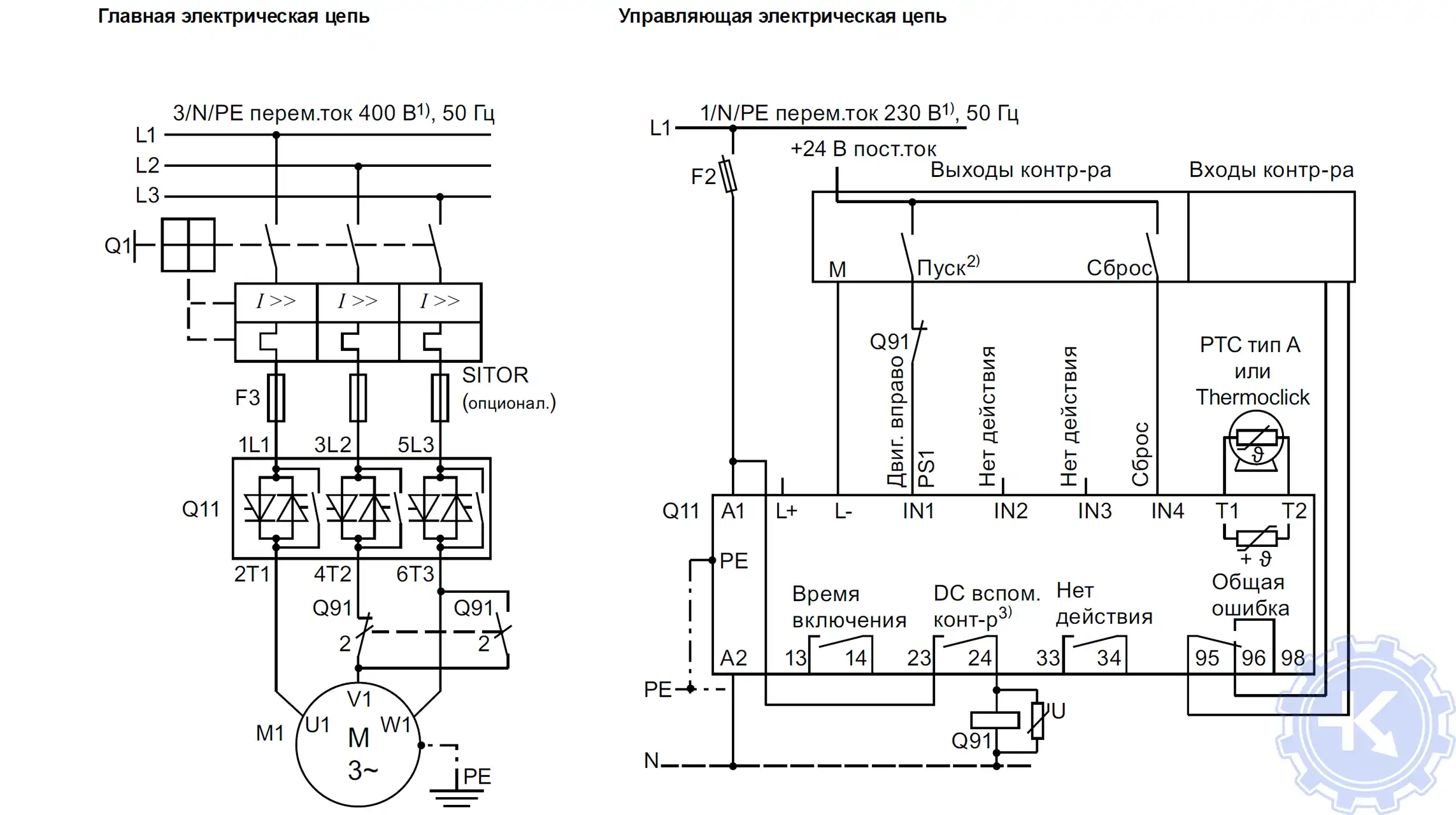
Схемы подключения для главной и управляющей электрических цепей УПП Siemens Sirius 3RW44
Ошибки плавного пуска Siemens и их сброс ошибок в сервисном центре
Некоторые модели устройств плавного пуска для удобства оснащены индикационными панелями, с помощью которых можно программировать УПП, а также увидеть ошибки в случае аварийного останова оборудования. В данной статье мы рассмотрели ошибки Sirius 3RW44, а точнее ошибки устройства плавного пуска Siemens серии Sirius 3RW44. УПП в наше время нашли широкое применение в абсолютно всех сферах промышленности защищая ваши электродвигатели и максимально продлевая их безаварийную работу.
Для простоты общения со столь сложной электроникой некоторые устройства оснащены небольшими дисплеями с помощью которых выводятся информационные сообщения с кодами ошибок, расшифровав которые можно сразу же узнать причину ее возникновения. Если учесть распространенность данной промышленной электроники, то появляется острая нужда в расшифровке кодов ошибок плавного пуска. В этой статье мы привели в пример одного из самых известных производителей промышленного оборудования имеющему уважение во всем мире, Siemens.
Существует несколько видов ошибок, некоторые из них можно устранить автоматически, а некоторые возможно исправить только, обратившись в специализированный сервисный центр. В таблицах приведены коды ошибок УПП Sirius 3RW44 их расшифровка и методы устранения.
Если ошибки плавного пуска Siemens Sirius 3RW44 самостоятельно исправить невозможно специалисты нашего сервисного центра с радостью придут на помощь, восстановят неисправный блок сделают сброс ошибок УПП Sirius 3RW44 и все это в максимально сжатые сроки за 20% - 40% от стоимости нового устройства плавного пуска.
Оставьте заявку на ремонт и сброс ошибок УПП Siemens с помощью формы на сайте или свяжитесь с нашими менеджерами, сделать это можно несколькими способами.
Оставить заявку на ремонт плавного пуска Siemens Sirius
У вас остались вопросы, связанные с ремонтом, сбросом ошибок, программированием и настройкой УПП? Оставьте заявку на ремонт плавного пуска Siemens Sirius в Армянске нашим менеджерам. Связаться с ними можно несколькими способами:

- Заполнив форму заявки на ремонт (кнопка в правом верхнем углу сайта)
- Позвонив по номеру телефона:
- +7(8482) 79-78-54;
- +7(8482) 55-96-39;
- +7(917) 121-53-01
- Написав на электронную почту: 89171215301@mail.ru





