Ошибки и ремонт устройства плавного пуска INSTART в Армянске
Ремонт УПП INSTART в сервисном центре

Компания «Кернел» производит ремонт устройств плавного пуска INSTART в Армянске с 2002 года. За это время мы накопили колоссальный опыт в том числе опыт в ремонте УПП такого известного производителя. Ремонт подобной промышленной электроники ответственное и сложное занятие, требующие максимальной отдачи, профессионализма и максимально полной материальной базе.
Устройство плавного пуска INSTART SSI оснащено информационной панелью, призванной сделать общение оператора и УПП максимально легким и комфортным. При вводе в эксплуатацию оборудования с помощью данной панели устройство программируется и настраивается, а в случае непредвиденной ситуации на панель УПП выводится ошибка, вызвавшая аварийную остановку оборудования. В таблицах ниже приведены все возможные ошибки INSTARTSSI. Устранение причины ошибки и сброс ее на устройстве плавного пуска позволит в кратчайшие сроки возобновить работу. К сожалению не все ошибки можно исправить самостоятельно, некоторые ошибки возможно исправить только в специализированных сервисных центрах.
Специалисты нашего сервисного центра уделяют максимальное внимание к качеству исполнения ремонта, программирования и настройке УПП в Армянске, не зависимо от производителя данного промышленного оборудования. Именно поэтому мы смело даем гарантию на все выполненные работы шесть месяцев.
Ремонт устройств плавного пуска INSTART производится исключительно с использованием оригинальных запасных частей, на компонентном уровне с применением высокотехнологичного оборудования, квалифицированным персоналом с инженерным образованием.
Если на вашем производстве появились проблемы с плавным пуском, которые вы не можете решить самостоятельно, мы всегда рады вам помочь. Обращайтесь в сервисный центр «Кернел». Специалисты нашей компании в минимальные сроки проведут глубокую диагностику и последующий ремонт УПП INSTART в Армянске. Оставьте заказ на ремонт оборудования используя форму на сайте.
Сообщения об ошибках УПП INSTART SSI
В таблице приведены защитные механизмы (ошибки INSTART SSI) устройства плавного пуска и вероятные причины отключения. Некоторые из них можно устранить самостоятельно, пользуясь таблицей ниже, некоторые можно исправить исключительно в сервисном центре с применением инновационного диагностического оборудования.
Ошибки УПП INSTART SSI, причины возникновения и способы устранения
|
Ошибка |
Описание |
Причина / устранение |
|
Err00 |
Ошибки отсутствуют |
Все ошибки удалены, горит лампа «Готов». Устройство готово к работе |
|
Err01 |
Отключение по внешней команде Аварийный стоп |
Проверьте соединение клеммы Аварийный Стоп (клемма 7) и клеммы Стоп (клемма 8) с Общей клеммой (клемма 10) |
|
Err02 |
Перегрев устройства |
Запуски осуществляются слишком часто, мощность устройства не соответствует мощности двигателя или нагрузка двигателя слишком тяжелая |
|
Err03 |
Превышение времени запуска (более 60 с) |
Параметры запуска установлены неправильно, или нагрузка двигателя слишком тяжелая, или мощность питающей сети недостаточна, или питающий кабель слишком длинный. Если устройство плавного пуска используется для запуска высоко инерционной вентиляторной или насосной нагрузки, установите значение параметра FU в диапазоне 10-15 секунд |
|
Err04 |
Потеря входной фазы |
Проверьте наличие входного трехфазного напряжение питания, правильность подключения к сети устройства и байпасного контактора, проверьте работоспособность контактора |
|
Err05 |
Потеря выходной фазы |
Прoверьте правильность подключения устройства и контактора к электродвигателю и целостность обмоток двигателя, проверьте работоспособность контактора. Кабель входного напряжения должен быть подключен к клеммам R, S, T, а байпасный контактор - к клеммам L21, L22, L23. Если мощность электродвигателя - намного меньше, чем номинальная мощность устройства плавного пуска, следует установить значение параметра FA=2 |
|
Err06 |
Перекос фаз |
Проверьте характеристики входного трехфазного питания, целостность и симметрию сопротивления обмоток двигателя или установите значения параметров F =2 и E1 =0 |
|
Err07 |
Превышение пускового тока |
Нагрузка слишком большая или устройство неправильно подобрано к электродвигателю |
|
Err08 |
Перегрузка в процессе работы |
Слишком большая нагрузка или неправильно установлен параметр F6 |
|
Err09 |
Падение напряжения |
Проверьте напряжение в сети или правильность установки параметра F7 |
|
Err10 |
Превышение напряжения |
Проверьте напряжение в сети или правильность установки параметра F8 |
|
Err11 |
Параметры установлены неправильно |
Удерживайте нажатой кнопку «Да» перед подачей питания на устройство |
|
Err12 |
Короткое замыкание нагрузки |
Проверьте двигатель и кабель на предмет короткого замыкания |
|
Err13 |
Соединение для режима авто перезапуска сделано неправильно |
Клеммы соединены не по двухпроводной схеме |
|
Err14 |
Внешние клеммы соединены неправильно |
Не замкнуты контакты кнопки Аварийный Стоп, подключенной к клеммам управления. Для запуска с панели управления, установите значение параметра Fb=0 |
|
Err15 |
Потеря / недостаточность нагрузки |
Проверьте с оответствие номинальных параметров электродвигателя нагрузке |
|
Err16 |
Отсутствие контакта между клеммами 8 и 10 |
Проверьте правильность коммутации клемм управления |
|
Некоторые ошибки могут быть взаимосвязаны, поэтому внимательно проверьте все возможные причины |
||
В случае успешного запуска должна загореться лампа «Байпас», что означает подачу замыкающего сигнала на контактор. Если при этом двигатель не вращается, проверьте правильность соединения контактора.
|
Панель управления устройства плавного пускаINSTART SSI |
|
Скачать руководство пользователя для устройства плавного пуска INSTART SSI – manual
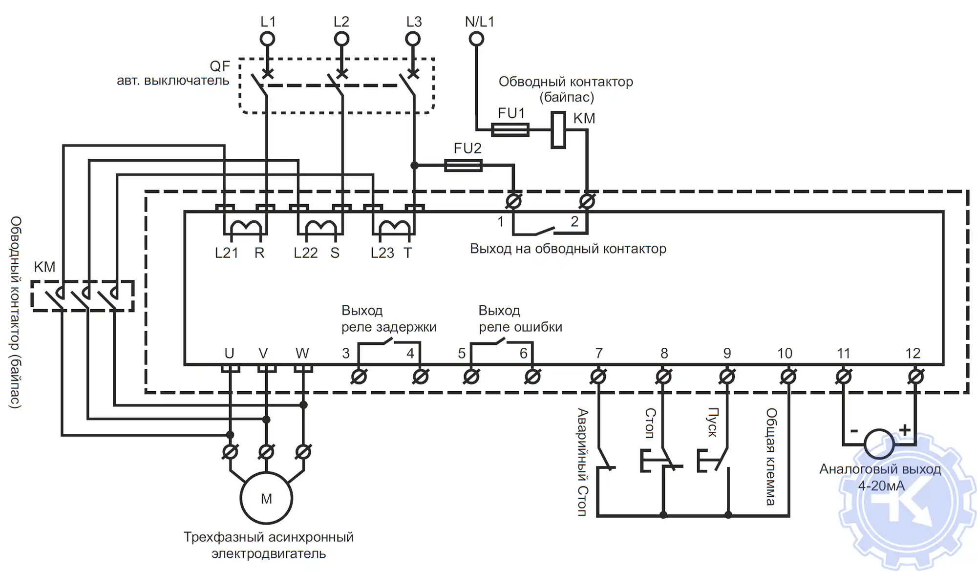
Схемы подключения УПП INSTART SSI
|
Схема подключения УПП INSTART SSI |
Схема силовых подключений УПП SSI |
|
|
Ошибки УПП INSTART SSI и их сброс
Некоторые модели устройств плавного пуска для удобства оснащены индикационными панелями, с помощью которых можно программировать УПП, а также увидеть ошибки в случае аварийного останова оборудования. В данной статье мы рассмотрели ошибки INSTART SSI, а точнее ошибки устройства плавного пуска INSTART серии SSI. УПП в наше время нашли широкое применение в абсолютно всех сферах промышленности защищая ваши электродвигатели и максимально продлевая их безаварийную работу.
Для простоты общения со столь сложной электроникой некоторые устройства оснащены небольшими дисплеями с помощью которых выводятся информационные сообщения с кодами ошибок, расшифровав которые можно сразу же узнать причину ее возникновения. Если учесть распространенность данной промышленной электроники, то появляется острая нужда в расшифровке кодов ошибок плавного пуска. В этой статье мы привели в пример одного из самых известных производителей промышленного оборудования имеющему уважение во всем мире, INSTART.
Существует несколько видов ошибок, некоторые из них можно устранить автоматически, а некоторые возможно исправить только, обратившись в специализированный сервисный центр. В таблицах ниже приведены коды ошибок УПП INSTART SSI их расшифровка и методы устранения.
Если ошибки плавного пуска INSTART самостоятельно исправить невозможно специалисты нашего сервисного центра с радостью придут на помощь, сделают сброс ошибок УПП в Армянске и все это в максимально сжатые сроки за 20% - 40% от стоимости нового устройства плавного пуска.
Оставьте заявку на ремонт и сброс ошибок УПП INSTART SSI с помощью формы на сайте или свяжитесь с нашими менеджерами, сделать это можно несколькими способами.
Оставить заявку на ремонт УПП INSTART
У вас остались вопросы, связанные с ремонтом, сбросом ошибок, программированием и настройкой УПП INSTART? Оставьте заявку на ремонт устройств плавного пуска INSTART в Армянске нашим менеджерам. Связаться с ними можно несколькими способами:

- Заполнив форму заявки на ремонт (кнопка в правом верхнем углу сайта)
- Позвонив по номеру телефона:
- +7(8482) 79-78-54;
- +7(8482) 55-96-39;
- +7(917) 121-53-01
- Написав на электронную почту: 89171215301@mail.ru



