Ошибки и ремонт частотного преобразователя ESQ в Донецке
Ремонт частотного преобразователя ESQ
Ремонт частотного преобразователя ESQ известного Росийского производителя промышленной электроники, впрочем, как и ремонт частотников выпущенными под другими брендами имеет ряд особенностей в силу своего конструктива. Частотные преобразователи, точнее их начинка делятся на две части:
- Аппаратная часть,
- Программная часть.
Приводы данного производителя не являются исключением из правил, именно поэтому ремонт частотного преобразователя ESQ имеет точно такой же ряд особенностей, как и у других преобразователей.
Диагностировать ту или иную неисправность помогают коды ошибок частотного преобразователя, которые отображаются на небольшом дисплее, расположенном на лицевой панели привода.
Ремонт частотных преобразователей ESQ, как ремонт любых других частотников выпущенных под другими брендами всегда начинается с аппаратной части, после успешной реанимации аппаратной части наступает очередь программной.
Ремонт частотных преобразователей ESQ в сервисном центре
Сервисный центр «Кернел» производит ремонт частотных преобразователей ESQ с 2002 года. За время существования компании наши сотрудники накопили колоссальный опыт в ремонте преобразователей частоты такого известного производителя как ESQ. Ремонт подобного промышленного оборудования ответственное и сложное занятие, требующие максимальной отдачи, профессионализма и максимально полной материальной базе.
Специалисты нашего сервисного центра максимальное внимание уделяют качеству исполнения ремонта, программирования и настройке промышленных преобразователей частоты, не зависимо от производителя данного промышленного оборудования. Именно поэтому мы смело даем гарантию на ремонт частотного преобразователя ESQ и на запасные части, замененные в процессе ремонта шесть месяцев.
Ремонт частотных преобразователей ESQ производится исключительно с использованием оригинальных запасных частей, на компонентном уровне с применением высокотехнологичного оборудования, квалифицированным персоналом с инженерным образованием.
Мы ремонтируем все линейки частотных преобразователей, которые были выпучены за всю историю существования компании ESQ.
|
|
|
В случае выхода из строя преобразователя частоты на вашем производстве либо появились проблемы с приводом, которые вы не можете решить самостоятельно, мы всегда рады вам помочь. Специалисты нашего сервисного центра в минимальные сроки проведут глубокую диагностику с последующим ремонтом частотного преобразователя ESQ. Оставьте заявку на ремонт промышленного оборудования используя форму на сайте, либо свяжетесь с нашими менеджерами, сделать это очень просто.
Настройка частотного преобразователя ESQ прописана в инструкции завода производителя, для каждой серии частотных преобразователей настройка будет индивидуальной, так как каждая линейка преобразователей решает свои собственные задачи, этим обусловливается широкая номенклатура данного промышленного оборудования. Но все же есть определенная последовательность настройки привода, которая относится ко всем частотным преобразователям, любого бренда.
Коды ошибок частотного преобразователя ESQ-VC
В процессе работы выходит из строя даже самое надежное промышленное оборудование. В данной статье мы приведем ошибки частотного преобразователя ESQ, а точнее ESQ-VC. Частотники в наше время нашли широкое применения в абсолютно всех сферах промышленности управляя как мини моторами в оргтехнике, так и гигантскими двигателями в горнодобывающей промышленности.
Для простоты общения со столь сложной электроникой все частотные преобразователи оснащены небольшими дисплеями с помощью которых выводятся информационные сообщения с кодами ошибок, расшифровав которые можно сразу же узнать причину ее возникновения. Если учесть распространенность данной промышленной электроники, то появляется острая нужда в расшифровке кодов ошибок частотных преобразователей ESQ-VC. В этой статье мы рассмотрим одного из самых известных производителей промышленной электроники имеющему уважение во всем мире, ESQ.
Существует несколько видов ошибок, некоторые из них можно устранить автоматически, а некоторые возможно исправить только, обратившись в специализированный сервисный центр. В таблицах ниже приведены коды ошибок частотного преобразователя ESQ-VC и их расшифровка.
| Код ошибки | Описание | Причина | Устранение |
| FU | Сверхток. Выходной ток частотного преобразователя превышает его обнаруженное значение (примерно 200% от номинального тока). |
|
Определите причину ошибки, устраните её и перезагрузите частотный преобразователь. |
| OC | |||
| VA:OU | Ошибка заземления. Ток заземления на выходе частотного преобразователя превышает 50 % номинального выходного тока частотного преобразователя. | Короткое замыкание в цепи заземления на выходе частотного преобразователя (перегорел двигатель, повреждена изоляция, повреждён кабель). | Определите причину ошибки, устраните её и перезагрузите частотный преобразователь. |
| VC:GF | |||
| PUF | Перегорел предохранитель. Перегорел предохранитель силовой цепи. | Ошибка в цепи заземления, короткое замыкание (перегорел двигатель, повреждена изоляция, повреждён кабель). | Отремонтируйте или замените частотный преобразователь. |
| OV | Перенапряжение в цепи питания. Напряжение постоянного тока в сети питания превышает обнаруженное значение напряжения. У преобразователей на 200 В: около 400 В У преобразователей на 400 В: около 800 В У преобразователей на 600 В: около 1300 В |
Длительность замедления слишком коротка; регенеративная энергия двигателя слишком велика. Напряжение в сети питания слишком велико. |
Удлините длительность разгона, подключите тормозной резистор или тормозной блок. Проверьте напряжение в сети питания. |
| UV1 | Низкое напряжение в цепи питания. Напряжение постоянного тока в цепи питания ниже уровня обнаружения недонапряжения (L2-05). У преобразователей на 200 В: около 190 В У преобразователей на 400 В: около 380 В |
|
Определите причину ошибки, устраните её и перезагрузите частотный преобразователь. |
| UV2 | Ненормальное питание цепи управления. Слишком низкое напряжение в цепи управления. |
|
|
| UV3 | Неисправность контура борьбы со всплесками напряжения. В момент всплеска контур работает ненормально. |
|
|
| PF | Аварийные остановки по напряжению в цепи питания. Состояние напряжения постоянного тока в цепи питания не соответствует требованиям регенерации, что вызывает ненормальную вибрацию (эта ошибка будет обнаружена, если параметром L8-05 включена соответствующая функция). |
|
Определите причину ошибки, устраните её и перезагрузите частотный преобразователь. |
| LF | Ошибка фазы на выходе частотного преобразователя. |
|
Определите причину ошибки, устраните её и перезагрузите частотный преобразователь. Используйте двигатель или частотный преобразователь другой мощности. |
| VA:OL1 | Перегрев радиатора. Температура радиатора частотного преобразователя превышает температуру, заданную параметром L8-02, или выше 105оС. | Температура окружающей среды слишком высока. | Охладите окружающий воздух. |
| Что-то нагревает окружающий воздух. | Устраните источник высокой температуры. | ||
| VC:OH (OH1) |
Вентилятор охлаждения частотного преобразователя остановился. | Замените вентилятор охлаждения. | |
| Внутренний вентилятор охлаждения частотного преобразователя остановился. | Внутренний вентилятор охлаждения частотного преобразователя остановился. |
В таблице выше приведены далеко не все коды ошибок частотного реобразователя ESQ-VC, полное описание всех возможных ошибок преобразователей представлены в руководствах пользователя, которые можно скачать с нашего сайта в удобном формате PDF.
Частотный преобразователь ESQ, инструкция на русском, скачать
Ниже вы можете скачать русскоязычные руководства по эксплуатации частотных преобразователей ESQ
|
Скачать руководство пользователя частотного преобразователя ESQ-VC в формате PDF |
|
|
Скачать руководство пользователя частотного преобразователя ESQ-VB в формате PDF |
|
|
Скачать руководство пользователя частотного преобразователя ESQ-9P в формате PDF |
|
|
Скачать руководство пользователя частотного преобразователя ESQ-5000 в формате PDF |
|
|
Скачать руководство пользователя частотного преобразователя ESQ-A900 в формате PDF |
|
|
Скачать руководство пользователя частотного преобразователя ESQ-1000G/P в формате PDF |
|
|
Скачать руководство пользователя частотного преобразователя ESQ-2000 в формате PDF |
|
|
Скачать руководство пользователя частотного преобразователя ESQ-9000 в формате PDF |
|
|
Скачать руководство пользователя частотного преобразователя ESQ-800 в формате PDF |
|
| Скачать руководство пользователя частотного преобразователя ESQ-A700 в формате PDF | |
| Скачать руководство пользователя частотного преобразователя ESQ-A200 в формате PDF | |
| Скачать руководство пользователя частотного преобразователя ESQ-A500 в формате PDF | |
| Скачать руководство пользователя частотного преобразователя ESQ-A1000 в формате PDF | |
| Скачать руководство пользователя частотного преобразователя ESQ-210 в формате PDF | |
| Скачать руководство пользователя частотного преобразователя ESQ-500 в формате PDF | |
| Скачать руководство пользователя частотного преобразователя ESQ-ESQ-600 в формате PDF | |
| Скачать руководство пользователя частотного преобразователя ESQ-760 в формате PDF |
Схемы подключения частотного преобразователя Siemens
Схемы подключений частотных преобразователей Siemens могут отличатся друг от друга даже если эти преобразователи относятся ко одной линейке. Схема подключения преобразователя зависит от многих факторов таких как потребляемая частотным преобразователем нагрузка или питающая сеть к которой подключается частотник 200V – 380V и конечно же зависит от CPU в паре, с которым предполагается работа преобразователя.
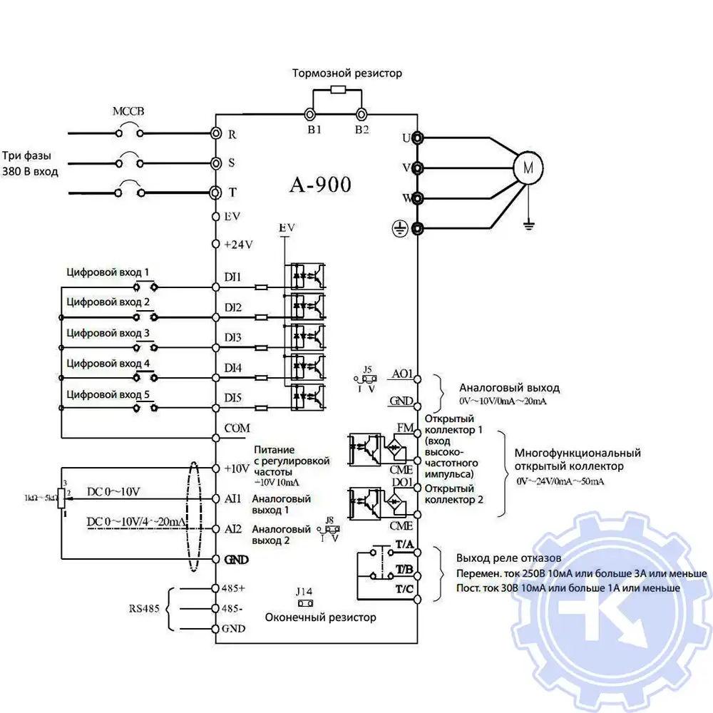
Ниже приведены схемы подключения частотных преобразователей ESQ-5000 и ESQ-A900:
|
Схема подключения частотного преобразователя ESQ-5000 |
Схема подключения частотного преобразователя ESQ-A900 |
|
|
Ремонт частотных преобразователей ESQ, преимущество С.Ц.
Компания «Кернел» производит ремонт промышленной электроники и оборудования с 2002 года. За это время мы накопили колоссальный опыт в том числе опыт в ремонте частотных преобразователей ESQ.
Ремонт подобной промышленной электроники ответственное и сложное занятие, требующие максимальной отдачи, профессионализма и максимально полной материальной базе.
Специалисты нашего сервисного центра уделяют максимальное внимание к качеству исполнения ремонта, программирования и настройке промышленного преобразователя частоты в Донецке, не зависимо от производителя данного промышленного оборудования. Именно поэтому мы смело даем гарантию на ремонт частотного преобразователя и запасные части замененные в процессе ремонта шесть месяцев.
Ремонт частотных преобразователей ESQ в Донецке производится исключительно с использованием оригинальных запасных частей, на компонентном уровне с применением высокотехнологичного оборудования, квалифицированным персоналом с инженерным образованием.
Не полный список частонтых преобразователей ESQ ремонт которых предлагает сервисный центр "Кернел"
| ESQ-A500 | ESQ-A500-0.21-0.2K, ESQ-A500-0.21-0.4K, ESQ-A500-0.21-0.4K, ESQ-A500-0.23-0.2K, ESQ-A500-0.23-0.75K |
| ESQ-A1000 | ESQ-A1000-0.21-0.4K, ESQ-A1000-0.21-0.75K, ESQ-A1000-0.23-0.4K, ESQ-A1000-0.43-0.75K, ESQ-A1000-0.43-1.5K |
| ESQ-A3000 | ESQ-А3000-043-0.75K/1.5KF, ESQ-А3000-043-1.5K/2.2KF, ESQ-А3000-043-2.2K/3.7KF, ESQ-А3000-043-3.7K/5.5KF, ESQ-А3000-043-5.5K/7.5KF |
| ESQ-210 | ESQ-210-4T-3.7K, ESQ-210-4T-2.2K, ESQ-210-4T-1.5K, ESQ-210-4T-0.7K, ESQ-210-2S-2.2K, ESQ-210-2S-1.5K |
| ESQ-760 | ESQ-760-4T0450G/0550P, ESQ-760-4T0550G/0750P, ESQ-760-4T0750G/0900P, ESQ-760-4Т0900G/1100P, ESQ-760-4T1320G/1600P |
| ESQ-500 | ESQ-500-4T2200G/2500P, ESQ-500-4T2500G/2800P, ESQ-500-4T2800G/3150P, ESQ-500-4T3150G/3550P, ESQ-500-4T3750G/4000P |
| ESQ-600 | ESQ-600-2S0022, ESQ-600-4T0007G/0015P, ESQ-600-4T0022G/003.7P, ESQ-600-4T0075G/0110P, ESQ-600-4T0150G/0185P |
| ESQ-800 | ESQ2-800-2S0002, ESQ2-800-2S0004, ESQ2-800-2S0007, ESQ2-800-2S0015 1 |
| ESQ-1000G/P | ESQ2-1000-3.7, ESQ2-1000G-7.5, ESQ2-1000G-15, ESQ2-1000G-22, ESQ2-1000P-11, ESQ2-1000P-18.5, ESQ2-1000P-30 |
| ESQ-9P | ESQ1-9P-7R5T4, ESQ1-9P-015T4, ESQ1-9P-022T4, ESQ1-9P-045T4, ESQ1-9P-075T4, ESQ1-9P-110T4, ESQ1-9P-160T4 |
| ESQ-VB | ESQ1-VB-0R7T4, ESQ1-VB-5R5T4, ESQ1-VB-011T4, ESQ1-VB-018T4, ESQ1-VB-037T4, ESQ1-VB-045T4, ESQ1-VB-055T4 |
| ESQ-VC | ESQ1-VC-1R5T4, ESQ1-VC-3R7T4, ESQ1-VC-7R5T4, ESQ1-VC-030T4, ESQ1-VC-045T4, ESQ1-VC-160T4, ESQ1-VC-220T4 |
| ESQ-5000 | ESQ2-5000-0.4, ESQ2-5000-0.75, ESQ2-5000-1.5, ESQ2-5000-2.2, ESQ2-5000-3.7, ESQ2-5000-5.5, ESQ2-5000-7.5 |
| ESQ-9000 | ESQ2-9000-11, ESQ2-9000-15, ESQ2-9000-30, ESQ2-9000-37, ESQ2-9000-45, ESQ2-9000-75, ESQ2-9000-315 |
Если на вашем производстве появились проблемы с частотным преобразователем, которые вы не можете решить самостоятельно, мы всегда рады вам помочь. Обращайтесь в сервисный центр «Кернел». Специалисты нашей компании в минимальные сроки проведут глубокую диагностику и последующий ремонт частотного преобразователя ESQ в Донецке. Оставьте заявку на ремонт оборудования используя форму на сайте, либо свяжетесь с нашими менеджерами, сделать это очень просто.
Оставить заявку на ремонт частотного преобразователя ESQ
Вам необходим качественный ремонт частотного преобразователя ESQ в Донецке или необходимо сбросить ошибку либо запрограммировать частотник? Свяжитесь с нашими менеджерами, это можно сделать несколькими способами.

- Заполнив форму заявки на ремонт (кнопка в правом верхнем углу сайта)
- Позвонив по номеру телефона:
- +7(8482) 79-78-54;
- +7(8482) 55-96-39;
- +7(917) 121-53-01
- Написав на электронную почту: 89171215301@mail.ru
Похожие статьи
-
Другие услуги по ремонту промышленной эелектроники и оборудования
- Ремонт частотных преобразователей в Донецке
- Промышленный привод, ремонт в Донецке
- Ремонт частотных преобразователей Веспер в Донецке
- Ремонт частотного преобразователя Danfoss в Донецке
- Ремонт частотного преобразователя Lenze в Донецке
- Ремонт частотных преобразователей ABB в Донецке
- Ремонт частотных преобразователей Siemens в Донецке
- Ремонт частотного преобразователя INVT в Донецке
- Ремонт частотного преобразователя Schneider Altivar в Донецке
- Частотный преобразователь frenic, ремонт частотников FUJI в Донецке
- Ремонт частотного преобразователя Delta в Донецке
- Частотный преобразователь VACON, ремонт частотника в Донецке
- Ремонт частотных преобразователей KEB в Донецке
- Ремонт частотного преобразователя Omron в Донецке
- Частотный преобразователь Mitsubishi Electric, ремонт привода в Донецке
- Ремонт частотников Emerson - Control techniques, Unidrive - Commander в Донецке
- Ремонт частотного преобразователя Yaskawa в Донецке
- Allen Bradley преобразователи частоты, ремонт Allen Bradley в Донецке
- Ремонт частотника Baumuller в Донецке
- Преобразователи частоты Bosch Rexroth, ремонт Bosch Rexroth в Донецке
- Ремонт Rexroth Indramat в Донецке
- Fanuc, ремонт привода в Донецке
- Ошибки и ремонт частотных преобразователей Emotron в Донецке
- Ремонт частотного преобразователя KONE в Донецке, ошибки
- Ошибки и ремонт частотного преобразователя STOBER POSIDRIVE в Донецке
- Ошибки и ремонт частотного преобразователя ESQ в Донецке
- Ошибки и ремонт частотного преобразователя INNOVERT в Донецке
- Ошибки и ремонт частотных преобразователей BONFIGLIOLI в Донецке
- Ошибки и ремонт частотных преобразователей WILO в Донецке
- Ремонт частотных преобразователей SIRIO и NETTUNO в Донецке, ошибки
- Ошибки и ремонт частотных преобразователей HYUNDAI в Донецке
- Ошибки и ремонт частотных преобразователей IDS-DRIVE в Донецке
- Ошибки и ремонт частотных преобразователей LG LS в Донецке
- Ошибки и ремонт частотных преобразователей HYDROVAR в Донецке
- Ошибки и ремонт частотных преобразователей SEW-EURODRIVE в Донецке
- Ошибки и ремонт частотных преобразователей ОВЕН в Донецке
- Ошибки и ремонт частотных преобразователей HITACHI в Донецке
- Ошибки и ремонт частотных преобразователей TOSHIBA в Донецке
- Ошибки и ремонт частотных преобразователей IEK в Донецке
- Ошибки и ремонт частотных преобразователей PROSTAR в Донецке
- Ошибки и ремонт частотных преобразователей GEFRAN в Донецке
- Ошибки и ремонт частотного преобразователя OTIS в Донецке
- Ошибки и ремонт частотного преобразователя SANTERNO в Донецке
- Ремонт и программирование частотных преобразователей ARKEL A-DRIVE в Донецке
- Ремонт и программирование частотных преобразователей SIEI ARTDrive в Донецке
- Ошибки и ремонт частотных преобразователей Schindler Biodyn в Донецке
- Ошибки и ремонт частотных преобразователей Sigma LG в Донецке
- Ошибки и ремонт частотных преобразователей THYSSEN в Донецке
- Ошибки и ремонт частотных преобразователей Macpuarsa в Донецке
- Ошибки и ремонт частотных преобразователей Canny в Донецке
- Ошибки и ремонт частотных преобразователей ERMAN в Донецке
- Ошибки и ремонт частотных преобразователей EKF в Донецке
- Ошибки и ремонт частотных преобразователей INOVANCE в Донецке
- Ошибки и ремонт частотных преобразователей KUKA в Донецке
- Ошибки и ремонт частотных преобразователей DEMAG в Донецке
- Ошибки и ремонт частотных преобразователей EuraDrives в Донецке
- Ошибки и ремонт частотных преобразователей Parker в Донецке
- Ошибки и ремонт частотных преобразователей NIDEC в Донецке
- Ошибки и ремонт частотных преобразователей NORD в Донецке
- Ошибки и ремонт частотных преобразователей Panasonic в Донецке
- Ошибки и ремонт частотных преобразователей Eurotherm в Донецке
- Ошибки и ремонт частотных преобразователей Berges в Донецке
- Ошибки и ремонт частотных преобразователей Hormann в Донецке
- Все услуги по ремонту промышленной электроники и оборудования

Скачать PDF
