Ошибки и ремонт частотных преобразователей EuraDrives в Донецке
Ремонт частотных преобразователей EuraDrives

Ремонт частотного преобразователя EuraDrives, впрочем, как и ремонт частотников других производителей имеет ряд особенностей в силу своего конструктива. Частотные преобразователи, точнее их начинка делятся на две части:
- Аппаратная часть,
- Программная часть.
Частотники данного производителя не являются исключением из правил, именно поэтому ремонт частотного преобразователя EuraDrives имеет точно такой же ряд особенностей, как и у других преобразователей.
Диагностировать ту или иную неисправность помогают коды ошибок частотного преобразователя, которые отображаются на небольшом дисплее, расположенном на лицевой панели привода. Коды ошибок частотного преобразователя EuraDrives в зависимости от серии описаны в инструкции, пользователя которые можно скачать с нашего сайта.
Ремонт частотных преобразователей EuraDrives в Донецке, как и любых других преобразователей, выпущенных под другими брендами, всегда начинается с аппаратной части, после успешного ремонта аппаратной части наступает очередь программной.
Настройка частотного преобразователя EuraDrives также прописана в инструкции завода производителя, для каждой серии частотных преобразователей настройка будет индивидуальной, так как каждая линейка преобразователей решает свои собственные задачи, этим обусловливается широкая номенклатура данного промышленного оборудования.
Ремонт частотных преобразователей EuraDrives в сервисном центре

Компания «Кернел» производитремонт частотных преобразователей EuraDrives в Донецке с 2002 года. За время существования компании наши сотрудники накопили колоссальный опыт в ремонте преобразователей частоты такого известного производителя как EuraDrives. Ремонт подобного промышленного оборудования ответственное и сложное занятие, требующие максимальной отдачи, профессионализма и максимально полной материальной базе.
Специалисты нашего сервисного центра максимальное внимание уделяют качеству исполнения ремонта, программирования и настройке промышленных преобразователей частоты, не зависимо от производителя данного промышленного оборудования. Именно поэтому мы смело даем гарантию на все выполненные работы шесть месяцев.
Ремонт частотных преобразователей EuraDrives в Донецке производится исключительно с использованием оригинальных запасных частей, на компонентном уровне с применением высокотехнологичного диагностического оборудования, квалифицированным персоналом с инженерным образованием.
В случае выхода из строя преобразователя частоты на вашем производстве либо появились проблемы с приводом, которые вы не можете решить самостоятельно, мы всегда рады вам помочь. Специалисты нашего сервисного центра в минимальные сроки проведут глубокую диагностику с последующим ремонтом частотного преобразователя EuraDrives.
Инженеры сервисного центра выполняют качественный ремонт частотных преобразователей EuraDrives всех серий, когда-либо выпускаемых компанией.
| Серия ПЧ | Типы частотных преобразователей EuraDrives |
|---|---|
| EuraDrives E800 | E800-0004S2F2; E800-0007S2F2; E800-0015S2F2; E800-0022S2F2; E800-0007T3F2; E800-0015T3F2; E800-0022T3F2; E800-0030T3F2; E800-0040T3F2; E800-0055T3F2; E800-0075T3F2; E800-0110T3F2 |
| EuraDrives E1000 | E1000-0004S2F1KB; E1000-0007S2F1KB; E1000-0022S2F1KB; E1000-0015S2F1KB; E1000-0007T3F1KB; E1000-0015T3F1KB; E1000-0022T3F1KB; E1000-0037T3F1KB; E1000-0040T3F1KB; E1000-0055T3F1KB; E1000-0075T3F1KB; E1000-0110T3F1KB; E1000-0150T3F1KB; E1000-0185T3F1KY; E1000-0220T3F1KY; E1000-0300T3F1KY; E1000-0370T3F1KY; E1000-0450T3F1KY; E1000-0550T3F1KY; E1000-0750T3F1KY; E1000-0900T3F1KY; E1000-1100T3F1KY; E1000-1320T3F1KY; E1000-1600T3F1KY; E1000-1100T3DF1KY; E1000-1320T3DF1KY; E1000-1600T3DF1KY; E1000-1800T3DF1KY; E1000-2000T3DF1KY; E1000-2200T3DF1KY; E1000-2500T3DF1KY; E1000-2800T3DF1KY; E1000-3150T3DF1KY; E1000-3550T3DF1KY; E1000-4000T3DF1KY; E1000-4500T3DF1KY; E1000-5000T3DF1KY |
| EuraDrives E2000 | E2000-0004S2F2KB; E2000-0007S2F2KB; E2000-0015S2F2KB; E2000-0022S2F2KB; E2000-0007T3F2KB; E2000-0015T3F2KB; E2000-0022T3F2KB; E2000-0030T3F2KB; E2000-0040T3F2KB; E2000-0055T3F2KB; E2000-0075T3F2KB; E2000-0110T3F2KB; E2000-0150T3F2KB; E2000-0185T3F2KY; E2000-0220T3F2KY; E2000-0300T3F2KY; E2000-0370T3F2KY; E2000-0450T3F2KY; E2000-0550T3F2KY; E2000-0750T3F2KY; E2000-0900T3F2KY; E2000-1100T3F2KY; E2000-1320T3F2KY; E2000-1600T3F2KY; E2000-1100T3DF2KY; E2000-1320T3DF2KY; E2000-1600T3DF2KY; E2000-1800T3DF2KY; E2000-2000T3DF2KY; E2000-2200T3DF2KY; E2000-2500T3DF2KY; E2000-2800T3DF2KY; E2000-3150T3DF2KY; E2000-3550T3DF2KY; E2000-4000T3DF2KY; E2000-4500T3DF2KY; E2000-5000T3DF2KY; E2000-5600T3DF2KY; E2000-6300T3DF2KY; E2000-7100T3DF2KY; E2000-8000T3DF2KY |
| EuraDrives F1000-G | F1000-G0004XS2B; F1000-G0007XS2B; F1000-G0015XS2B; F1000-G0004S2B; F1000-G0007S2B; F1000-G0015S2B; F1000-G0022S2B; F1000-G0007T3B; F1000-G0015T3B; F1000-G0022T3B; F1000-G0037T3B; F1000-G0040T3B; F1000-G0055T3B; F1000-G0075T3B; F1000-G0110T3C; F1000-G0150T3C; F1000-G0185T3C; F1000-G0220T3C; F1000-G0300T3C; F1000-G0370T3C; F1000-G0450T3C; F1000-G0550T3C; F1000-G0750T3C; F1000-G0900T3C; F1000-G1100T3C; F1000-G1320T3C; F1000-G1600T3C; F1000-G1100T3D; F1000-G1320T3D; F1000-G1600T3D; F1000-G1800T3D; F1000-G2000T3D; F1000-G2200T3D; F1000-G2500T3D; F1000-G2800T3D; F1000-G3150T3D; F1000-G3550T3D; F1000-G4000T3D |
| EuraDrives F1500-G | F1500-G0002XS2B; F1500-G0004XS2B; F1500-G0007XS2B; F1500-G0015XS2B; F1500-G0022XS2B; F1500-G0037XS2B; F1500-G0002XT2B; F1500-G0004XT2B; F1500-G0007XT2B; F1500-G0015XT2B; F1500-G0022XT2B; F1500-G0037XT2B; F1500-G0002S2B; F1500-G0004S2B; F1500-G0007S2B; F1500-G0015S2B; F1500-G0022S2B; F1500-G0004T3B; F1500-G0007T3B; F1500-G0015T3B; F1500-G0022T3B; F1500-G0037T3B; F1500-G0040T3B; F1500-G0055T3B; F1500-G0075T3B; F1500-G0110T3C; F1500-G0150T3C; F1500-G0185T3C; F1500-G0220T3C; F1500-G0300T3C; F1500-G0370T3C; F1500-G0450T3C; F1500-G0550T3C; F1500-G0750T3C; F1500-G0900T3D; F1500-G1100T3D; F1500-G1320T3D; F1500-G1600T3D |
| EuraDrives F2000-G | F2000-G0004S2B; F2000-G0004XS2B; F2000-G0007S2B; F2000-G0007XS2B; F2000-G0015S2B; F2000-G0015XS2B; F2000-G0022S2B; F2000-G0007T3B; F2000-G0015T3B; F2000-G0022T3B; F2000-G0037T3B; F2000-G0040T3B; F2000-G0055T3B |
В данной таблице присутствуют далеко не все частотные преобразователи EuraDrives ремонт которых предлагает наш сервисный центр.
Ошибки частотного преобразователя EuraDrives

В процессе работы выходит из строя даже самое надежное промышленное оборудование. Частотники в наше время, нашли широкое применение абсолютно во всех сферах промышленности, управляя как мини моторами в оргтехнике, так и гигантскими двигателями в горнодобывающей промышленности.
Для простоты общения со столь сложной электроникой все частотные преобразователи оснащены небольшими дисплеями с помощью которых выводятся информационные сообщения с кодами ошибок, расшифровав которые можно сразу же узнать причину ее возникновения. Если учесть распространенность данной промышленной электроники, то появляется острая нужда в расшифровке кодов ошибок частотных преобразователей. В этой статье мы рассмотрим одного из самых известных производителей промышленной электроники имеющему уважение во всем мире, EuraDrives и серию приводов E800.
Существует несколько видов ошибок, некоторые из них можно устранить автоматически, а некоторые возможно исправить только, обратившись в специализированный сервисный центр. В руководстве пользователя прописаны все коды ошибок частотного преобразователя EuraDrives и их расшифровка.
Коды ошибок частотного преобразователя EuraDrives E800
| Код ошибки | Описание | Причина |
|---|---|---|
| O.C. | Высокий ток. |
|
| OC1 | Высокий ток 1. |
|
| 3: O.E. | Высокое напряжение. |
|
| 4: P.F1 | Обрыв фазы питания. |
|
| 5: O.L1 | Перегрузка инвертора. |
|
| 6: L.U. | Пониженное напряжение. |
|
| 7: O.H. | Перегрев радиатора. |
|
| 8: O.L2 | Перегрузка мотора. |
|
| 11: ESP | Внешняя ошибка. |
|
| 12: Err3 | Неисправность до запуска. |
|
| 13: Err2 | Неправильная настройка параметров. |
|
| 15: Err4 | Нулевой ток. |
|
| 18: AErr | Нет соединения. |
|
| 23: Err5 | Неправильные параметры PID. |
|
| 45: CE | Ошибка связи, таймаут. |
|
| 49: Err6 | Watchdog fault. |
|
Неисправности мотора и способы устранения
| Неисправность | Причина |
|---|---|
| Мотор не запускается. |
|
| Неправильное направление вращения. |
|
| Электродвигател ь вращается, но скорость изменить невозможно. |
|
| Скорость электродвигател я слишком высокая или низкая. |
|
| Мотор работает не стабильно. |
|
| Отключение питания. |
|
Документация
|
Руководство по эксплуатации преобразователя частоты EuraDrives E800 |
Скачать PDF |
|
Руководство по эксплуатации преобразователей частоты EuraDrives E1000 |
Скачать PDF |
|
Руководство по эксплуатации преобразователя частоты EuraDrives E2000 |
Скачать PDF |
|
Руководство по эксплуатации преобразователей частоты EuraDrives F1000-G |
Скачать PDF |
|
Руководство по эксплуатации преобразователя частоты EuraDrives F1500-G |
Скачать PDF |
|
Руководство по эксплуатации преобразователей частоты EuraDrives F2000-G |
Скачать PDF |
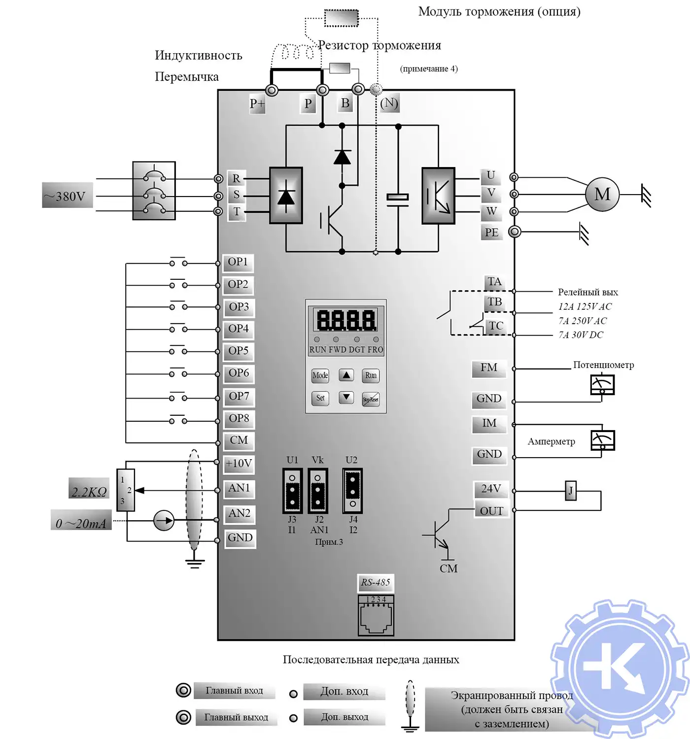
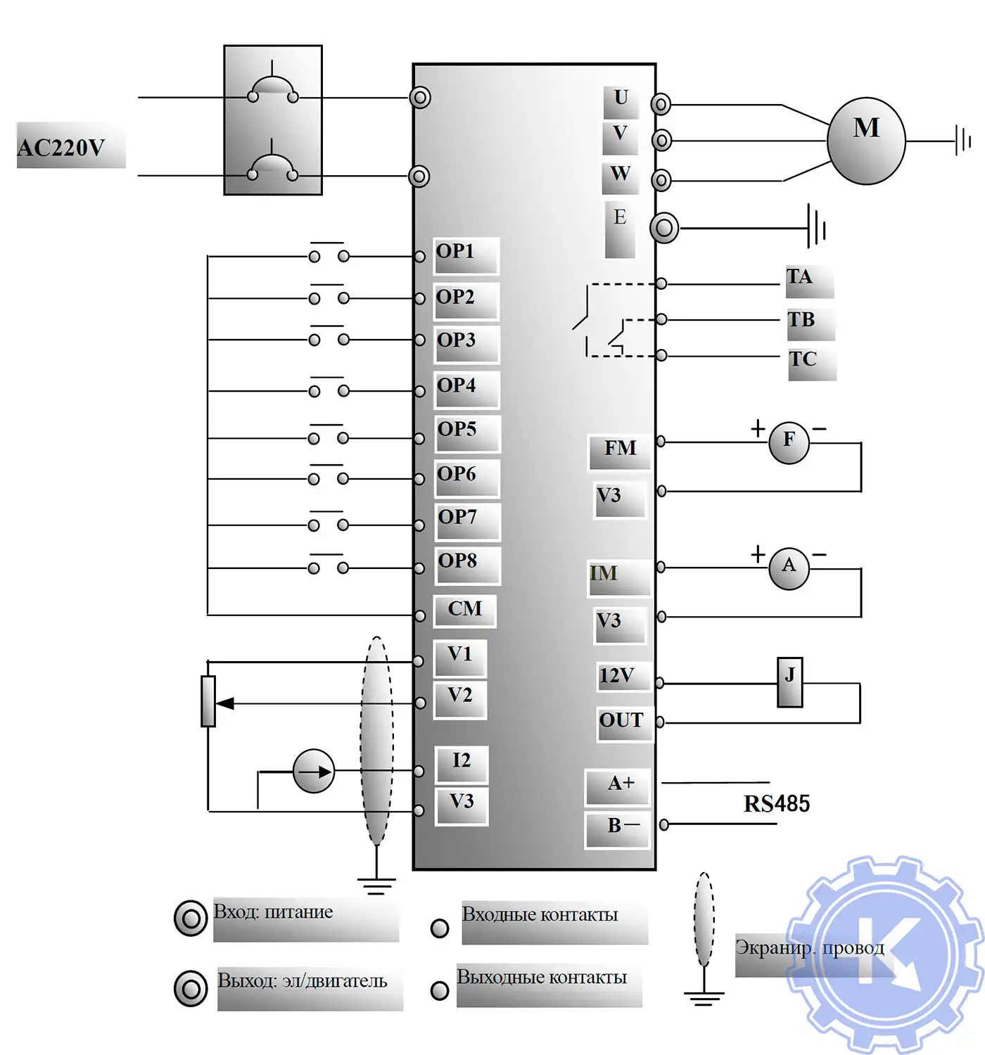
Схемы подключения частотных преобразователей EuraDrives

Для максимально долгой и безаворийной работы частотных преобразователей важно неукоснительно соблюдать все, что прописано в документации.
Обязательно должны соблюдаться все рекомендации, изложенные в инструкции по монтажу и эксплуатации, в особенности требования по технике безопасности!
Преобразователь частоты разработан таким образом, что он пытается избежать аварийных отключений путем ограничения момента, перенапряжения и т.п.
Появление сбоев при вводе в эксплуатацию или вскоре после него обычно свидетельствует о неверной настройке или неправильном подключении.
Возникновение неисправностей или проблем после длительного режима бесперебойной работы обычно происходит по причине изменений в системе или ее окружении (например, в результате износа).
Дополнительную информацию по частотным преобразователям EuraDrives можно посмотреть и скачать на офсайте.
Настройка частотного преобразователя EuraDrives, программирование

Настройка частотных преобразователей EuraDrives (программирование) происходит в рамках установленных производителем правил, существует общий алгоритм по программированию (настройке частотных преобразователей), относящийся ко всем производителям данного промышленного оборудования. Ниже представлена пошаговая инструкция по настройке частотных преобразователей EuraDrives.
- Выбор режима управления приводом EuraDrives (управление по показанию датчиков, дистанционное управление, дистанционное управление).
- В случае использования отдельного (выносного) монитора, настраивается вывод на него технической информации.
- Далее определяем конфигурацию подключения серводвигателя. На данной стадии задаются такие параметры как- возможность применения обратной связи либо без ее применения, а в память блока заносятся данные по: величине крутящего момента, мощности потребителей, номинальное значения частоты, напряжение, ток и скорости вращения ротора.

- Программируется минимально допустимая величина напряжения и частоты, а также время ускорения ротора от ноля до номинального значения.
- И в завершении, в программу управления частотным преобразователем EuraDrives вносятся функциональные данные со значениями отдельных клемм и особенностями сигналов. Отмечаются действия оборудования, выполняющиеся автоматически при отсутствии информации поступающей в оперативном режиме с датчика.
В некоторых частотниках существует пункт наличия/отсутствия фильтра в цепи питания двигателя. Этот пункт отвечает за подключение различных видов нагрузок, в том случае, когда возможно выбрать нормальное или инверсное изменение частоты при повышении уровня сигнала обратной связи.
Все настройки частотных преобразователей EuraDrives приведены в технической документации к частотному преобразователю который можно скачать на свой компьютер, распечатать или просто открыть как на нашем так и на официальном сайте EuraDrives.
Оставить заявку на ремонт частотных преобразователей EuraDrives
У вас вышел из строя частотник? Вам необходим срочный ремонт частотных преобразователей EuraDrives в Донецке? Оставьте заявку на ремонт нажав на одноименную кнопку в верхней правой части экрана либо свяжитесь с нашими менеджерами. Связаться с ними можно несколькими способами:

- Заполнив форму заявки на ремонт (кнопка в правом верхнем углу сайта)
- Позвонив по номеру телефона:
- +7(8482) 79-78-54;
- +7(8482) 55-96-39;
- +7(917) 121-53-01
- Написав на электронную почту: 89171215301@mail.ru
Далеко не полный список производителей промышленной электроники и оборудования, ремонтируемой в нашей компании.
Похожие статьи
-
Другие услуги по ремонту промышленной эелектроники и оборудования
- Ремонт частотных преобразователей в Донецке
- Промышленный привод, ремонт в Донецке
- Ремонт частотных преобразователей Веспер в Донецке
- Ремонт частотного преобразователя Danfoss в Донецке
- Ремонт частотного преобразователя Lenze в Донецке
- Ремонт частотных преобразователей ABB в Донецке
- Ремонт частотных преобразователей Siemens в Донецке
- Ремонт частотного преобразователя INVT в Донецке
- Ремонт частотного преобразователя Schneider Altivar в Донецке
- Частотный преобразователь frenic, ремонт частотников FUJI в Донецке
- Ремонт частотного преобразователя Delta в Донецке
- Частотный преобразователь VACON, ремонт частотника в Донецке
- Ремонт частотных преобразователей KEB в Донецке
- Ремонт частотного преобразователя Omron в Донецке
- Частотный преобразователь Mitsubishi Electric, ремонт привода в Донецке
- Ремонт частотников Emerson - Control techniques, Unidrive - Commander в Донецке
- Ремонт частотного преобразователя Yaskawa в Донецке
- Allen Bradley преобразователи частоты, ремонт Allen Bradley в Донецке
- Ремонт частотника Baumuller в Донецке
- Преобразователи частоты Bosch Rexroth, ремонт Bosch Rexroth в Донецке
- Ремонт Rexroth Indramat в Донецке
- Fanuc, ремонт привода в Донецке
- Ошибки и ремонт частотных преобразователей Emotron в Донецке
- Ремонт частотного преобразователя KONE в Донецке, ошибки
- Ошибки и ремонт частотного преобразователя STOBER POSIDRIVE в Донецке
- Ошибки и ремонт частотного преобразователя ESQ в Донецке
- Ошибки и ремонт частотного преобразователя INNOVERT в Донецке
- Ошибки и ремонт частотных преобразователей BONFIGLIOLI в Донецке
- Ошибки и ремонт частотных преобразователей WILO в Донецке
- Ремонт частотных преобразователей SIRIO и NETTUNO в Донецке, ошибки
- Ошибки и ремонт частотных преобразователей HYUNDAI в Донецке
- Ошибки и ремонт частотных преобразователей IDS-DRIVE в Донецке
- Ошибки и ремонт частотных преобразователей LG LS в Донецке
- Ошибки и ремонт частотных преобразователей HYDROVAR в Донецке
- Ошибки и ремонт частотных преобразователей SEW-EURODRIVE в Донецке
- Ошибки и ремонт частотных преобразователей ОВЕН в Донецке
- Ошибки и ремонт частотных преобразователей HITACHI в Донецке
- Ошибки и ремонт частотных преобразователей TOSHIBA в Донецке
- Ошибки и ремонт частотных преобразователей IEK в Донецке
- Ошибки и ремонт частотных преобразователей PROSTAR в Донецке
- Ошибки и ремонт частотных преобразователей GEFRAN в Донецке
- Ошибки и ремонт частотного преобразователя OTIS в Донецке
- Ошибки и ремонт частотного преобразователя SANTERNO в Донецке
- Ремонт и программирование частотных преобразователей ARKEL A-DRIVE в Донецке
- Ремонт и программирование частотных преобразователей SIEI ARTDrive в Донецке
- Ошибки и ремонт частотных преобразователей Schindler Biodyn в Донецке
- Ошибки и ремонт частотных преобразователей Sigma LG в Донецке
- Ошибки и ремонт частотных преобразователей THYSSEN в Донецке
- Ошибки и ремонт частотных преобразователей Macpuarsa в Донецке
- Ошибки и ремонт частотных преобразователей Canny в Донецке
- Ошибки и ремонт частотных преобразователей ERMAN в Донецке
- Ошибки и ремонт частотных преобразователей EKF в Донецке
- Ошибки и ремонт частотных преобразователей INOVANCE в Донецке
- Ошибки и ремонт частотных преобразователей KUKA в Донецке
- Ошибки и ремонт частотных преобразователей DEMAG в Донецке
- Ошибки и ремонт частотных преобразователей EuraDrives в Донецке
- Ошибки и ремонт частотных преобразователей Parker в Донецке
- Ошибки и ремонт частотных преобразователей NIDEC в Донецке
- Ошибки и ремонт частотных преобразователей NORD в Донецке
- Ошибки и ремонт частотных преобразователей Panasonic в Донецке
- Ошибки и ремонт частотных преобразователей Eurotherm в Донецке
- Ошибки и ремонт частотных преобразователей Berges в Донецке
- Ошибки и ремонт частотных преобразователей Hormann в Донецке
- Все услуги по ремонту промышленной электроники и оборудования

Скачать PDF




