Ремонт частотного преобразователя INVT в Энгельсе
Особенности ремонта частотного преобразователя INVT
Ремонт частотного преобразователя INVT, впрочем, как и ремонт частотников других производителей имеет ряд особенностей в силу своего конструктива. Частотные преобразователи, точнее их начинка делятся на две части:
- Аппаратная часть,
- Программная часть.
Частотники данного производителя не являются исключением из правил, именно поэтому ремонт частотного преобразователя INVT имеет точно такой же ряд особенностей, как и у других преобразователей.
Диагностировать ту или иную неисправность помогают коды ошибок частотного преобразователя, которые отображаются на небольшом дисплее, расположенном на лицевой панели привода. Коды ошибок частотного преобразователя INVT мы уже описывали в одноименной статье на нашем сайте.
Ремонт частотных преобразователей INVT, впрочем, как и любых других частотников выпущенных под другими брендами всегда начинается с аппаратной части, после успешного ремонта аппаратной части наступает очередь программной.
Настройка частотного преобразователя INVT прописана в инструкции завода производителя, для каждой серии частотных преобразователей настройка будет индивидуальной, так как каждая линейка преобразователей решает свои собственные задачи, этим обусловливается широкая номенклатура данного промышленного оборудования.
Программирование, настройка частотного преобразователя INVT
Настройка частотных преобразователей INVT (программирование) происходит в рамках установленных производителем правил, существует общий алгоритм по программированию (настройке частотных преобразователей), относящийся ко всем производителям данного промышленного оборудования. Ниже представлена пошаговая инструкция по настройке частотных преобразователей INVT.
- Выбор режима управления приводом INVT (управление по показанию датчиков, дистанционное управление, дистанционное управление).
- В случае использования отдельного (выносного) монитора, настраивается вывод на него технической информации.
- Далее определяем конфигурацию подключения серводвигателя. На данной стадии задаются такие параметры как- возможность применения обратной связи либо без ее применения, а в память блока заносятся данные по: величине крутящего момента, мощности потребителей, номинальное значения частоты, напряжение, ток и скорости вращения ротора.
- Программируется минимально допустимая величина напряжения и частоты, а также время ускорения ротора от ноля до номинального значения.
- И в завершении, в программу управления частотным преобразователем INVT вносятся функциональные данные со значениями отдельных клемм и особенностями сигналов. Отмечаются действия оборудования, выполняющиеся автоматически при отсутствии информации поступающей в оперативном режиме с датчика.
В некоторых преобразователях частоты существует пункт наличия/отсутствия фильтра в цепи питания двигателя. Этот пункт отвечает за подключение различных видов нагрузок, в том случае, когда возможно выбрать нормальное или инверсное изменение частоты при повышении уровня сигнала обратной связи.
Частотный преобразователь INVT инструкции по эксплуатации на русском, скачать
Все настройки частотных преобразователей INVT приведены в технической документации ниже в удобном формате (PDF) который можно скачать на свой компьютер, распечатать или просто открыть на нашем сайте.
|
частотный преобразователь invt CHE 100 инструкция по эксплуатации на русском |
|
|
частотный преобразователь invt CHF 100A инструкция по эксплуатации на русском |
|
|
частотный преобразователь invt CHF 100 инструкция по эксплуатации на русском |
|
|
частотный преобразователь invt CHV 160A инструкция по эксплуатации на русском |
|
|
частотный преобразователь invt CHV 180 инструкция по эксплуатации на русском |
|
|
частотный преобразователь invt GD 10 инструкция по эксплуатации на русском |
|
|
частотный преобразователь invt GD 20 инструкция по эксплуатации на русском |
|
|
частотный преобразователь invt GD 35 инструкция по эксплуатации на русском |
|
|
частотный преобразователь invt GD 100 инструкция по эксплуатации на русском |
|
|
частотный преобразователь invt GD 200A инструкция по эксплуатации на русском |
|
|
частотный преобразователь invt GD 200 инструкция по эксплуатации на русском |
|
|
частотный преобразователь invt GD 300-16 инструкция по эксплуатации на русском |
|
|
частотный преобразователь invt GD 300L инструкция по эксплуатации на русском |
|
|
частотный преобразователь invt GD 300 инструкция по эксплуатации на русском |
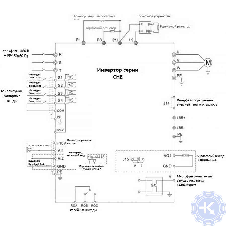
Схемы подключения частотного преобразователя INVT
Схемы подключений частотных преобразователей INVT могут отличатся друг от друга даже если эти преобразователи относятся ко одной линейке. Схема подключения преобразователя зависит от многих факторов таких как потребляемая частотным преобразователем нагрузка или питающая сеть к которой подключается частотник 200V – 380V и конечно же зависит от CPU в паре, с которым предполагается работа преобразователя.
Ниже приведены схемы подключения частотных преобразователей INVT CHE 100, INVT CHE 100A, INVT CHF 100:
|
Схема подключения частотного преобразователя INVT CHE100 |
Схема подключения частотного преобразователя INVT CHE100A |
|
|
|
Схема подключения частотного преобразователя INVT CHF100 |
|
|
|
Ремонт частотных преобразователей INVT в сервисном центре
Компания «Кернел» производит ремонт частотных преобразователей INVT в Энгельсе с 2002 года. За время существования компании наши сотрудники накопили колоссальный опыт в ремонте преобразователей частоты такого известного производителя как INVT.
Ремонт подобного промышленного оборудования ответственное и сложное занятие, требующие максимальной отдачи, профессионализма и максимально полной материальной базе.
Специалисты нашего сервисного центра максимальное внимание уделяют качеству исполнения ремонта, программирования и настройке промышленных преобразователей частоты, не зависимо от производителя данного промышленного оборудования. Именно поэтому мы смело даем гарантию на ремонт частотного преобразователя INVT и на запасные части замененные в процессе ремонта шесть месяцев.
Ремонт частотных преобразователей INVT в Энгельсе производится исключительно с использованием оригинальных запасных частей, на компонентном уровне с применением высокотехнологичного оборудования, квалифицированным персоналом с инженерным образованием.
В случае выхода из строя преобразователя частоты на вашем производстве либо появились проблемы с приводом, которые вы не можете решить самостоятельно, мы всегда рады вам помочь. Специалисты нашего сервисного центра в минимальные сроки проведут глубокую диагностику с последующим ремонтом частотного преобразователя INVT. Оставьте заказ на ремонт промышленного оборудования используя форму на сайте, либо свяжетесь с нашими менеджерами, сделать это очень просто.
Оставить заявку на ремонт частотных преобразователей INVT
У вас остались вопросы, связанные с ремонтом частотных преобразователей INVT? Оставить заявку на ремонт частотных преобразователей INVT в Энгельсе нашим менеджерам. Связаться с ними можно несколькими способами:

- Заполнив форму заявки на ремонт (кнопка в правом верхнем углу сайта)
- Позвонив по номеру телефона:
- +7(8482) 79-78-54;
- +7(8482) 55-96-39;
- +7(917) 121-53-01
- Написав на электронную почту: 89171215301@mail.ru

Скачать PDF

