Ошибки и ремонт сервопривода Delta в Энгельсе
Ремонт сервопривода Delta
Сервисный центр «Кернел» предлагает выполнить качественный ремонт сервопривода Delta в Энгельсе на компонентном уровне в максимально сжатые сроки. Сервопривод относятся к сложной промышленной электронике именно поэтому ремонтом сервоприводов Delta, впрочем, как и других производителей должны заниматься специалисты, имеющие не только высшее техническое образование, но и солидный опыт в ремонте подобной промышленной электроники.
Также для восстановления подобного промышленного оборудования понадобится хорошая материально-техническая база. При выполнении всех выше перечисленных условий, шансы на успешный ремонт сервопривода Delta возрастают в геометрической прогрессии.
Именно поэтому за ремонтом сервоприводов, независимо от производителя лучше всего обращаться в специализированный сервисный центр, который отвечает всем техническим требованиям, такой как Кернел. Наш цент имеет отличную материально-техническую базу, а за время существования с 2002 года специалисты компании накопили бесценный опыт в том числе опыт в ремонте сервоприводов Delta.
Особенности ремонта сервопривода Delta
Ремонт сервоприводов Delta имеет ряд индивидуальных особенностей, это связано с конструктивными особенностями данного промышленного оборудования. По аналогии с частотными преобразователями они состоят из двух взаимосвязанных частей, это:
- Аппаратная часть;
- Программная часть.
В первую очередь ремонтируется аппаратная часть промышленного сервопривода. После глубокой диагностики неисправного блока выявляются все неисправные компоненты, которые в последствии заменяются на оригинальные запасные части (по возможности), в случае если сервопривод уже давно снят с производства и найти оригинальные запчасти просто невозможно они заменяются на аналоги.
Данный вид ремонта называется компонентным. От других видов его отличает две немаловажные детали.
- Значительное удешевление ремонта;
- Существенное сокращение времени ремонта.
По завершении ремонта аппаратной части сервопривода наступает очередь программной. В зависимости от серии выбирается программный продукт и зашивается в блок.
Заключительный этап ремонта сервопривода Delta это проверка на специализированном стенде. Все блоки проверяются без нагрузки и с нагрузкой не менее двух часов.
Коды предупреждений и ошибок сервопривода Delta
При обнаружении неисправности при работе сервопривода будет активирована соответствующая защита и выведено предупреждающее сообщение на индикатор сервоусилителя или цифрового пульта. Коды неисправностей приведены в файле PDF который доступен по ссылке ниже.
Дополнительно в файле указаны способы устранения неисправностей сервопривода Delta и их сброс.
Посмотреть все коды ошибок сервопривода Delta
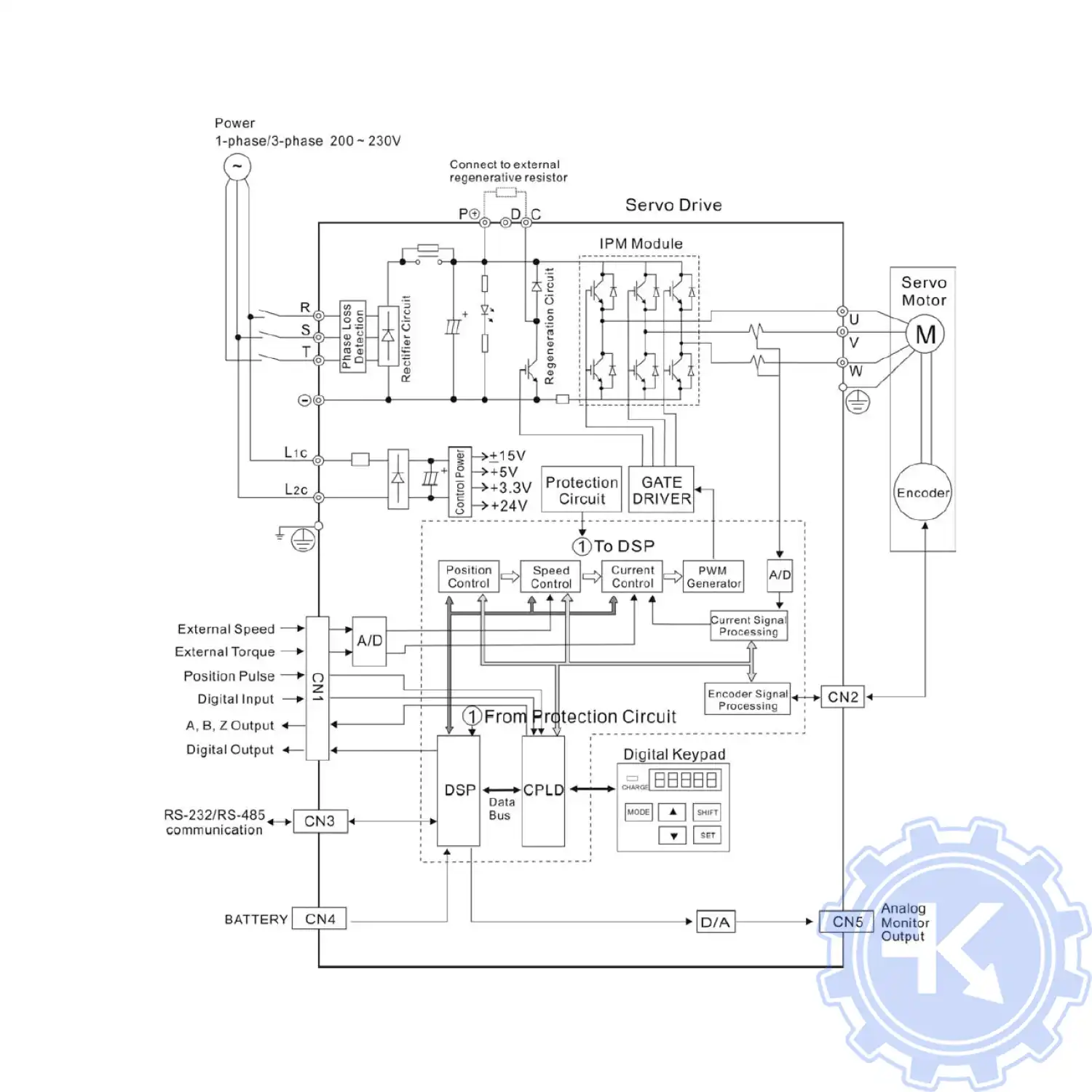
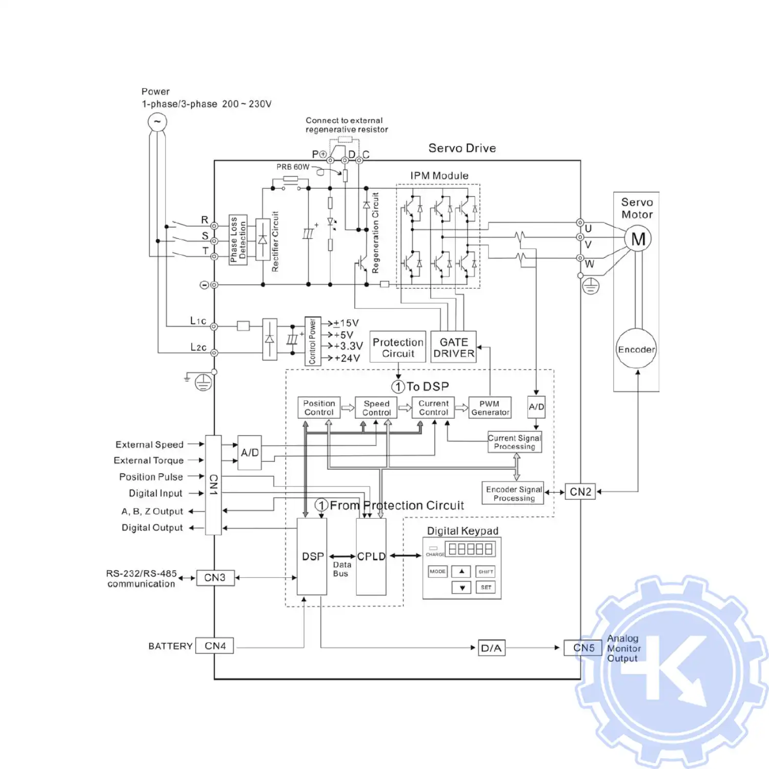
Схемы
В некоторых случает может понадобится схема подключения сервоприводов, ниже мы показаны схемы сервопривода Delta.
Схемы типовых подключений сервоприводов Delta
|
Сервопривод Delta Режим управления положением |
Сервопривод Delta Режим управления скоростью |
|
|
|
Сервопривод Delta Режим управления моментом |
|
|
|
Базовые схемы соединений сервоприводов Delta
Конфигурация и подключение сервоприводов Delta
Преимущество ремонта сервоприводов Delta в нашем сервисном центре
Во время эксплуатации электроприводов Delta может возникнуть проблема, далеко не всегда возникшую проблему можно исправить на месте своими силами, наш сервисный центр готов вам в этом помочь, выполнив качественный ремонт сервоприводов Delta в сжатые сроки с полугодовой гарантией.
Мы не только восстановим неисправный блок, но и подскажем как действовать в той или иной ситуации для максимально долгой и безаварийной работы сервопривода.
Работы, проводимые при ремонте сервопривода Delta:

- Предварительный осмотр на возможность восстановления бесплатный;
- Мы производим ремонт сервопривода Delta на компонентном уровне (экономия бюджета и времени);
- При ремонте сервоприводов ни каких конструктивных изменений не вносим;
- Ремонт блоков с применением оригинальных запасных частей (по возможности);
- Вы платите исключительно за результат - работающий сервопривод;
- Гарантия на ремонт сервопривода Delta и на запасные части замененные в процессе ремонта 6 месяцев;
- Сроки ремонта варьируются от 5 до 15 рабочих дней.
За два десятилетия существования сервисного центра нашими специалистами были успешно проведены тысячи подобных ремонтов с каждым разом поднимая квалификацию наших инженеров. Ниже представлен далеко не полный список сервоприводов Delta серии ASDA-B2 и ASDA-AB ремонтируемые в нашем сервисном центре.
|
Серия ASDA-B2 |
|
|
ASD-B2-0121-B |
Ремонт сервопривода Delta мощностью 0.1кВт. |
|
ASD-B2-0221-B |
Ремонт сервопривода Delta мощностью 0.2кВт. |
|
ASD-B2-0421-B |
Ремонт сервопривода Delta мощностью 0.4кВт. |
|
ASD-B2-0721-B |
Ремонт сервопривода Delta мощностью 0.75кВт. |
|
ASD-82-1021-B |
Ремонт сервопривода Delta мощностью 1кВт. |
|
ASD-B2-1521-B |
Ремонт сервопривода Delta мощностью 1.5кВт. |
|
ASD-B2-2023-B |
Ремонт сервопривода Delta мощностью 2кВт. |
|
ASD-B2-3023-B |
Ремонт сервопривода Delta мощностью 3кВт. |
|
Серия ASDA-AB |
|
|
ASD-A2R-0121-F |
Ремонт сервопривода Delta мощностью 0.1кВт. |
|
ASD-A2R-0221-F |
Ремонт сервопривода Delta мощностью 0.2кВт. |
|
ASD-A2R-0421-F |
Ремонт сервопривода Delta мощностью 0.4кВт. |
|
ASD-A2R-0721-F |
Ремонт сервопривода Delta мощностью 0.75кВт. |
|
ASD-A2R-1021-F |
Ремонт сервопривода Delta мощностью 1кВт. |
|
ASD-A2R-1521-L |
Ремонт сервопривода Delta мощностью 1.5кВт. |
|
ASD-A2-2043-M |
Ремонт сервопривода Delta мощностью 2кВт. |
|
ASD-A2-3043-M |
Ремонт сервопривода Delta мощностью 3кВт. |
|
ASD-A2-4543-M |
Ремонт сервопривода Delta мощностью 4.5кВт. |
|
ASD-A2-5543-U |
Ремонт сервопривода Delta мощностью 5.5кВт. |
В таблице представлен далеко не полный список сервоприводов Delta серии ASDA-B2 и ASDA-AB ремонт которых мы вам предлагаем, также специалисты нашей компании ремонтируют сервопривода не зависимо от серии и под каким брендом они были выпущены.
Оставить заявку на ремонт сервопривода Delta
У вас остались вопросы, связанные с ремонтом или сбросом ошибок, а также программированием и настройкой сервоприводов Delta? Оставьте заявку на ремонт сервопривода Delta в Энгельсе менеджерам. Связаться с ними можно несколькими способами:

- Заполнив форму заявки на ремонт (кнопка в правом верхнем углу сайта)
- Позвонив по номеру телефона:
- +7(8482) 79-78-54;
- +7(8482) 55-96-39;
- +7(917) 121-53-01
- Написав на электронную почту: 89171215301@mail.ru









